Mô tả sản phẩm
Tìm Hiểu Chi Tiết Đai Ốc Khóa Nylon Thép Mạ Kẽm 4.8 DIN985 M8
Mục Lục
- 1. Tán Keo Thép Mạ Kẽm 4.8 DIN985 M8 là gì và công dụng chống trôi ren?
- 2. Bảng tổng hợp thông số kỹ thuật đai ốc khóa M8
- 3. Thành phần cấu tạo và tiêu chuẩn sản xuất Tán Keo M8
- 4. Đặc điểm thép cấp bền 4.8 và lớp phủ kẽm chống ăn mòn?
- 5. Phương thức hoạt động của vòng nhựa nylon trong tán khóa M8
- 6. Phân cấp các loại đai ốc chống tự tháo trên thị trường cơ khí?
- 7. Những lợi thế vượt trội và lưu ý vận hành đối với Tán DIN985
- 8. Các môi trường thực tế cần sự hỗ trợ của Tán Keo M8?
- 9. Ảnh hưởng của nhiệt độ làm việc tới khả năng giữ ren của nhựa nylon
- 10. Phương pháp lắp ghép đúng tiêu chuẩn để đạt lực khóa tối ưu
- 11. Nhận diện Tán Keo Thép 4.8 chất lượng cao so với hàng gia công kém?
- 12. Cập nhật báo giá và dịch vụ cung ứng vật tư Mecsu chuyên nghiệp?
- 13. Giải đáp các câu hỏi thường gặp về Tán Keo Thép Mạ Kẽm DIN985 M8
- 14. Hệ thống tư vấn giải pháp và chăm sóc kỹ thuật khách hàng tại Mecsu
- 15. Kiến thức kỹ thuật bổ trợ từ những dự án lắp máy thực tế
1. Tán Keo Thép Mạ Kẽm 4.8 DIN985 M8 là gì và công dụng chống trôi ren?
Tán Keo Thép Mạ Kẽm 4.8 DIN985 M8 là một linh kiện cơ khí thông minh, được thiết kế chuyên biệt để ngăn chặn hiện tượng lỏng lẻo của các mối liên kết ren dưới tác động của rung lắc hoặc va đập. Khác với các loại tán thông thường, sản phẩm này sở hữu một vòng nhựa hãm ở phần đỉnh, tạo ra lực ma sát liên tục để giữ chặt bu lông tại vị trí mong muốn.
Với kích thước ren M8 tiêu chuẩn, sản phẩm tuân thủ nghiêm ngặt quy chuẩn DIN 985 toàn cầu. Đây là lựa chọn hàng đầu cho các kết cấu máy móc tầm trung, nơi mà sự an toàn của mối nối đóng vai trò sống còn đối với độ bền của toàn bộ hệ thống thiết bị.
2. Bảng tổng hợp thông số kỹ thuật đai ốc khóa M8
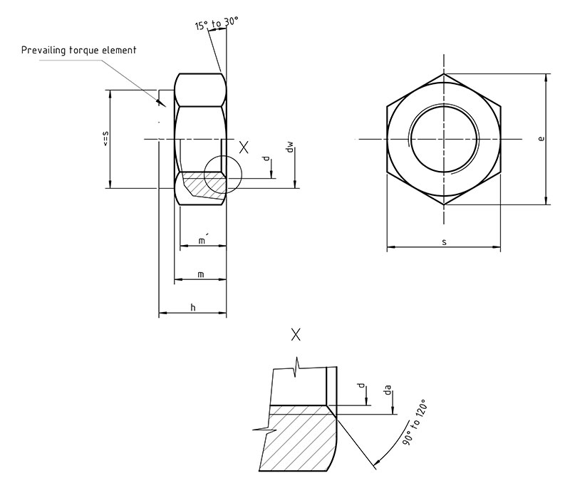
D: Đường kính ren trong (8mm)
S: Kích thước khóa vặn lục giác (13mm)
H: Độ dày thân đai ốc (8mm)
| Hạng mục thông số | Dữ liệu chi tiết |
|---|---|
| Mã đặt hàng Mecsu | 0043276 |
| Mã linh kiện (MPN) | N03M0801A21 |
| Kích cỡ Ren (D) | M8 |
| Bước ren (Thô) | 1.25 mm |
| Kích thước khóa (S) | 13 mm |
| Chiều cao tổng (H) | 8 mm |
| Cấp bền thép | Thép 4.8 |
| Lớp phủ bảo vệ | Mạ kẽm (Zinc Plated) |
| Quy chuẩn kỹ thuật | DIN 985 |
| Nguồn gốc | Trung Quốc |
| Đơn giá tham khảo | 241 đ / Cái |
3. Thành phần cấu tạo và tiêu chuẩn sản xuất Tán Keo M8
Sản phẩm Tán Keo M8 được hình thành từ sự kết hợp của hai loại vật liệu bổ trợ cho nhau:
- Thân thép lục giác: Được gia công từ thép carbon cấp bền 4.8, có 6 cạnh phẳng để tương thích với cờ lê 13mm, đảm bảo truyền tải lực siết hiệu quả.
- Vòng hãm Nylon: Một vòng polymer đàn hồi cao được đúc chặt vào rãnh phía trên đai ốc. Đường kính trong của vòng nhựa này được làm nhỏ hơn đường kính đỉnh ren bu lông để tạo ra sự ôm khít tuyệt đối.
- Ren trong hệ Met: Với bước ren 1.25mm, phần ren thép giúp chịu lực kéo dọc trục trong khi phần vòng nhựa phụ trách việc khóa vị trí.
Với độ dày 8mm, tán M8 cung cấp diện tích tiếp xúc ren đủ lớn để chịu tải trọng cơ khí tầm trung mà vẫn duy trì được hình dáng gọn gàng theo tiêu chuẩn DIN 985.
4. Đặc điểm thép cấp bền 4.8 và lớp phủ kẽm chống ăn mòn?
Việc sử dụng thép 4.8 đi kèm lớp mạ kẽm giúp sản phẩm đáp ứng tốt các yêu cầu lắp ráp công nghiệp phổ thông:
- Độ bền vật liệu: Cấp bền 4.8 phù hợp cho các mối nối cơ bản, không đòi hỏi khả năng chịu lực kéo cực cao như các dòng 8.8 hay 10.9, giúp giảm chi phí vật tư cho doanh nghiệp.
- Xử lý mạ kẽm: Lớp mạ điện phân giúp tán có bề mặt trắng xanh sạch sẽ, hạn chế tối đa sự hình thành rỉ sét khi tiếp xúc với độ ẩm không khí.
- Tính thẩm mỹ: Bề mặt sáng bóng của tán keo M8 mạ kẽm giúp hoàn thiện vẻ ngoài chuyên nghiệp cho các thiết bị máy móc xuất xưởng.
5. Phương thức hoạt động của vòng nhựa nylon trong tán khóa M8
Cơ chế hãm ren của tán keo M8 hoạt động dựa trên nguyên lý nén và ma sát:
- Bước đầu lắp ráp: Đai ốc được vặn vào bu lông một cách dễ dàng ở những vòng ren thép đầu tiên.
- Quá trình tạo khóa: Khi ren bu lông tiến tới vòng nhựa nylon, nó sẽ buộc nhựa phải biến dạng để tạo đường rãnh. Sự ép chặt của nhựa lên thân bu lông tạo ra mô-men xoắn cản trở việc tháo lỏng.
- Duy trì lực khóa: Ma sát này hiện diện ngay cả khi mối nối bị nới lỏng nhẹ, giúp đai ốc không bao giờ bị rơi ra hoàn toàn khỏi bu lông.
6. Phân cấp các loại đai ốc chống tự tháo trên thị trường cơ khí?
Trong kỹ thuật, người ta thường phân loại đai ốc khóa dựa trên hình dạng và tính chất môi trường:
Dựa trên độ dày:
- DIN 985: Loại tán mỏng, là tiêu chuẩn phổ biến nhất giúp tối ưu trọng lượng và không gian cho thiết bị.
- DIN 982: Loại tán dày, có phần thân cao hơn để tăng cường số lượng ren chịu lực, dùng cho các vị trí quan trọng hơn.
Dựa trên khả năng chịu nhiệt:
- Tán keo Nylon: Giá thành rẻ, hiệu quả cực tốt ở nhiệt độ thường.
- Tán khóa kim loại (All-metal locknut): Khóa bằng cách làm biến dạng một phần ren thép, dùng cho các vị trí có nhiệt độ cực cao.
7. Những lợi thế vượt trội và lưu ý vận hành đối với Tán DIN985
Sản phẩm tán keo M8 là một giải pháp lắp xiết tối ưu nhưng cần sử dụng đúng cách:
Ưu điểm nổi bật:
- Khóa ren ổn định: Thay thế hoàn toàn cho long đền vênh hoặc keo dán ren trong nhiều ứng dụng cơ khí.
- Không gây hỏng ren: Vòng nhựa nylon mềm hơn thép nên sẽ ôm khít mà không làm mòn hay trầy xước bề mặt ren của bu lông.
- Lắp đặt thuận tiện: Không cần quy trình bôi keo phức tạp, chỉ cần siết trực tiếp bằng dụng cụ cầm tay.
Lưu ý kỹ thuật:
- Khả năng tái dụng: Vòng nhựa sẽ bị mòn dần sau mỗi lần tháo lắp. Để đảm bảo an toàn tối đa, nhà sản xuất khuyến cáo nên thay mới đai ốc mỗi khi đại tu máy móc.
- Môi trường sử dụng: Do làm từ thép 4.8 mạ kẽm, nên hạn chế dùng trong môi trường hóa chất mạnh hoặc ngâm trong nước biển.
8. Các môi trường thực tế cần sự hỗ trợ của Tán Keo M8?
Với đường kính ren M8 tầm trung, loại tán này được ứng dụng rộng rãi trong nhiều ngành nghề:
- Ngành năng lượng tái tạo: Lắp đặt khung giá đỡ tấm pin năng lượng mặt trời, nơi chịu tác động liên tục của gió và rung động thời tiết.
- Sản xuất xe đạp và xe điện: Cố định các bộ phận khung xe, phuộc nhún và chân chống, đảm bảo an toàn cho người sử dụng khi di chuyển trên địa hình gồ ghề.
- Hệ thống thông gió công nghiệp: Giữ chặt cánh quạt và khung vỏ máy hút tâm, nơi có tần số rung động cực lớn từ động cơ điện.
- Nội thất văn phòng: Sử dụng trong kết cấu các loại ghế xoay, bàn làm việc lắp ghép bằng kim loại để tránh việc vít bị lỏng sau thời gian dài sử dụng.
- Máy nông nghiệp: Cố định các bộ phận trên máy cày, máy gặt mini – những thiết bị luôn phải làm việc trong điều kiện va đập mạnh.
9. Ảnh hưởng của nhiệt độ làm việc tới khả năng giữ ren của nhựa nylon
Tán keo DIN 985 có giới hạn làm việc về nhiệt độ do thành phần nylon bên trong. Khi môi trường vượt quá 100 độ C, vòng nhựa bắt đầu mềm đi và giảm đáng kể lực ma sát hãm ren. Nếu nhiệt độ tăng cao hơn nữa (trên 150 độ C), vòng khóa nhựa có thể bị nóng chảy hoàn toàn. Do đó, người dùng tuyệt đối không nên sử dụng tán keo này cho các vị trí gần ống xả động cơ hoặc trong lòng lò hơi công nghiệp.
10. Phương pháp lắp ghép đúng tiêu chuẩn để đạt lực khóa tối ưu
Thực hiện lắp đặt tán keo M8 theo các bước sau sẽ giúp mối nối đạt độ bền cao nhất:
Quy trình thi công:
- Dụng cụ hỗ trợ: Chuẩn bị cờ lê, mỏ lết hoặc đầu tuýp cỡ 13mm. Tránh dùng các loại kìm không đúng kích cỡ làm trượt cạnh đai ốc.
- Bắt đầu vặn: Xoay đai ốc vào bu lông bằng tay cho đến khi phần nhựa chạm vào ren.
- Siết chặt: Dùng dụng cụ vặn mạnh cho đến khi bề mặt đai ốc áp sát vào chi tiết. Lúc này, bạn sẽ cảm nhận được lực cản rõ rệt từ vòng nhựa – đây là dấu hiệu của sự khóa ren đang diễn ra.
Mẹo nhỏ:
- Kiểm tra đầu bu lông: Luôn đảm bảo bu lông dư ra khỏi tán ít nhất 2 đến 3 bước ren để phần nylon được phát huy toàn bộ khả năng bám giữ.
11. Nhận diện Tán Keo Thép 4.8 chất lượng cao so với hàng gia công kém?
Để chọn mua được sản phẩm đúng cấp bền và tiêu chuẩn, bạn cần quan tâm:
- Tính đồng nhất của vòng nhựa: Vòng nylon chất lượng thường có màu sắc tươi sáng, không bị nứt vỡ hay sần sùi, nhựa có độ dai tự nhiên.
- Độ hoàn thiện bề mặt: Hàng chuẩn Mecsu có lớp mạ kẽm đều, bóng và không có dấu hiệu bị rỉ sét hay lỗ châm kim trên bề mặt thép.
- Sự ăn khớp: Đai ốc phải vào đầu tuýp 13mm vừa khít, không bị rơ lỏng quá mức, ren bên trong mượt mà và không có mạt sắt.
12. Cập nhật báo giá và dịch vụ cung ứng vật tư Mecsu chuyên nghiệp?
a. Báo giá sản phẩm: 241 đ / Cái (Đã bao gồm VAT)
Mecsu tự hào mang đến mức giá tối ưu nhất cho dòng tán keo M8 đạt chuẩn DIN 985. Chúng tôi cung cấp giải pháp bán lẻ linh hoạt và chính sách giá sỉ hấp dẫn cho các xưởng cơ khí, công ty lắp ráp máy móc cần số lượng lớn thường xuyên.
b. Tại sao nên chọn vật tư từ hệ thống Mecsu?
- NHANH: Xử lý đơn hàng tốc độ, giúp bạn không bỏ lỡ tiến độ thi công.
- ĐÚNG: Cam kết hàng hóa đúng mã số, đúng kích thước M8 và đúng cấp bền 4.8.
- ĐỦ: Cung cấp đầy đủ số lượng theo yêu cầu, dù là đơn hàng nhỏ nhất.
- KỊP THỜI: Dịch vụ giao hàng nhanh chóng, đáp ứng mọi nhu cầu khẩn cấp của khách hàng.
ĐẶT MUA TÁN KEO THÉP MẠ KẼM M8 TẠI ĐÂY
13. Giải đáp các câu hỏi thường gặp về Tán Keo Thép Mạ Kẽm DIN985 M8
a. Tôi có thể dùng tán M8 thép mạ kẽm với bu lông cấp bền 8.8 không?
Về lý thuyết là có thể lắp vừa, nhưng không khuyến khích. Bởi vì khi bu lông chịu lực lớn vượt quá giới hạn bền của tán 4.8, ren của tán sẽ bị biến dạng hoặc tuôn ren trước khi bu lông đạt tới giới hạn lực. Tốt nhất nên dùng đồng bộ cấp bền hoặc tán có cấp bền cao hơn bu lông.
b. Làm sao để biết vòng nhựa đã bị hỏng và cần thay thế?
Nếu bạn có thể vặn tán xuyên qua bu lông bằng tay mà không cần dùng đến cờ lê, điều đó có nghĩa là vòng nhựa đã bị mòn hoặc giãn nở hoàn toàn, không còn tác dụng khóa ren. Lúc này bạn nên thay mới ngay lập tức.
c. Tán keo có chống được sự ăn mòn của hóa chất không?
Vòng nylon có khả năng kháng một số loại hóa chất nhẹ và dầu máy. Tuy nhiên, phần thân thép mạ kẽm sẽ bị ăn mòn nhanh chóng nếu tiếp xúc trực tiếp với axit hoặc các dung dịch kiềm mạnh.
d. Bước ren 1.25mm của tán M8 có lắp vừa bu lông ren mịn không?
Không. Tán keo M8 tiêu chuẩn DIN 985 sử dụng bước ren thô 1.25mm. Các loại bu lông ren mịn (thường có bước ren 1.0mm) sẽ không thể lắp vừa và nếu cố vặn sẽ làm hỏng ren của cả hai linh kiện.
e. Có cần dùng thêm keo Loctite khi đã dùng tán keo không?
Thông thường là không cần thiết. Tán keo nylon đã được thiết kế để tự khóa. Việc bôi thêm keo khóa ren lỏng có thể làm cho việc tháo dỡ sau này trở nên cực kỳ khó khăn và có thể làm hỏng dụng cụ vặn.
14. Hệ thống tư vấn giải pháp và chăm sóc kỹ thuật khách hàng tại Mecsu
Tại Mecsu, chúng tôi thấu hiểu rằng mỗi con ốc, mỗi chiếc đai ốc đều đóng góp vào sự ổn định của cả một công trình lớn. Nếu bạn đang tìm kiếm giải pháp lắp xiết tối ưu cho hệ thống của mình, hãy để đội ngũ kỹ thuật của Mecsu đồng hành cùng bạn. chúng tôi sẵn sàng hỗ trợ tính toán lực siết và lựa chọn vật liệu phù hợp nhất với điều kiện vận hành thực tế.
Địa chỉ liên hệ: B28/I – B29/I Đường số 2B, KCN Vĩnh Lộc, P. Bình Hưng Hòa B, Q. Bình Tân, TP.HCM
Hotline tư vấn: 1800 8137
Email: [email protected]
Website chính thức: mecsu.vn
15. Kiến thức kỹ thuật bổ trợ từ những dự án lắp máy thực tế
a. Bài học từ các giá đỡ năng lượng mặt trời
Trong một dự án lắp đặt điện mặt trời áp mái, các kỹ sư đã phát hiện ra rằng việc sử dụng đai ốc thường kết hợp long đền vênh vẫn khiến các tấm pin bị xê dịch sau mùa bão. Sau khi chuyển sang sử dụng toàn bộ Tán Keo M8 DIN 985, các mối liên kết đã duy trì độ chặt tuyệt đối suốt nhiều năm, giúp tiết giảm đáng kể chi phí bảo trì và kiểm tra định kỳ cho chủ đầu tư.
b. Kinh nghiệm bảo quản vật tư
“Khi lưu kho các loại tán keo với số lượng lớn, hãy tránh để chúng tiếp xúc trực tiếp với ánh nắng mặt trời gắt trong thời gian dài, vì tia UV có thể làm lão hóa vòng nhựa nylon nhanh hơn, làm giảm tuổi thọ của tính năng chống tháo.” — Chia sẻ từ bộ phận kho vận Mecsu.
c. Tài liệu tham chiếu chính thống
Nội dung chia sẻ dựa trên các nguồn dữ liệu kỹ thuật chuẩn xác:
- Tiêu chuẩn quốc tế DIN 985 về đai ốc lục giác tự khóa có vòng đệm phi kim loại.
- Thông số vật liệu thép theo chuẩn ISO 898-2.
- Kết quả thử nghiệm thực tế từ các đơn vị gia công cơ khí chính xác tại Việt Nam.
Biên tập bởi: Đội ngũ Kỹ thuật Mecsu
Chúng tôi luôn cam kết cung cấp những thông tin kỹ thuật trung thực, giúp khách hàng đưa ra quyết định mua sắm đúng đắn nhất.
(Tham khảo thêm nhiều giải pháp vật tư công nghiệp tại Cửa hàng Mecsu)
Ghi chú quan trọng: Hình ảnh sản phẩm chỉ mang tính chất minh họa. Màu sắc của vòng nylon có thể thay đổi giữa các đợt hàng nhưng tiêu chuẩn chất lượng và khả năng khóa ren luôn được đảm bảo đạt chuẩn DIN 985.
“`









Đánh giá
Chưa có đánh giá nào.