Mô tả sản phẩm
Phân tích chi tiết Vít Trí Lục Giác Chìm Đuôi Lõm UNF #10-32 x 1/4 Inox 304: Linh kiện tiêu chuẩn Mỹ cho máy móc kỹ thuật và hàng hải
Mục Lục Bài Viết
- 1. Tổng quan về dòng Vít Trí Đuôi Lõm #10-32 x 1/4 Inox 304
- 2. Hệ thống dữ liệu kỹ thuật chi tiết của sản phẩm
- 3. Phân tích thiết kế Vít trí lục giác chìm tiêu chuẩn Mỹ #10-32 dài 1/4 inch
- 4. Giá trị cốt lõi của vật liệu Inox 304 trong chế tạo vít trí
- 5. Đánh giá khả năng bám dính và cố định của đầu lõm #10-32
- 6. Các biến thể Vít trí lục giác chìm phổ biến hiện nay
- 7. Những ưu điểm vượt trội và lưu ý khi dùng Vít trí #10-32 x 1/4
- 8. Ứng dụng thực tế: Giải pháp kẹp chặt cho thiết bị nhập khẩu và công nghiệp dầu khí
- 9. Đối chiếu Vít Trí Đuôi Lõm hệ Inch và các dòng Vít Trí hệ Met
- 10. Quy trình lắp đặt và kỹ thuật siết vít trí hệ Inch đạt chuẩn
- 11. Phương pháp nhận diện Vít trí Inox 304 chuẩn chất lượng
- 12. Thông tin báo giá Vít Trí Inox 304 #10-32 x 1/4 & Địa chỉ cung ứng
- 13. Giải đáp các thắc mắc (FAQ) về dòng Vít trí UNF #10-32
- 14. Dịch vụ hỗ trợ kỹ thuật chuyên sâu từ đội ngũ Mecsu Pro
- 15. Lời khuyên chuyên gia: Tối ưu hóa độ bám cho mối ghép vít trí hệ Inch
1. Tổng quan về dòng Vít Trí Đuôi Lõm #10-32 x 1/4 Inox 304
Sản phẩm Vít Trí Đuôi Lõm Inox 304 UNF #10-32 x 1/4 là loại vít định vị chuyên dụng theo hệ Inch, được sử dụng rộng rãi trong các thiết bị cơ khí chính xác có nguồn gốc từ Mỹ hoặc Châu Âu. Với cấu trúc không đầu và lỗ lục giác chìm bên trong, vít cho phép lắp đặt ẩn sâu vào bề mặt chi tiết, giúp loại bỏ các phần lồi gây cản trở chuyển động. Đặc trưng đuôi lõm (Cup Point) giúp vít ngàm chặt vào trục, đảm bảo linh kiện không bị trượt hay xoay ngoài ý muốn trong suốt quá trình hoạt động.
Được chế tạo theo tiêu chuẩn ren mịn UNF, vít trí #10-32 đảm bảo độ chính xác cực cao và khả năng chịu tải rung động tốt hơn so với ren thô. Sử dụng mác thép Inox 304, sản phẩm mang lại khả năng chống ăn mòn tuyệt vời, là linh kiện không thể thiếu trong các cụm máy móc ngành đóng tàu, các công trình dầu khí ven biển và thiết bị phòng thí nghiệm.
2. Hệ thống dữ liệu kỹ thuật chi tiết của sản phẩm
Mecsu Pro cung cấp bảng thông số kỹ thuật chi tiết cho mã sản phẩm B16S0102014H, giúp kỹ sư dễ dàng tích hợp vào bản vẽ thiết kế:
| Thuộc tính kỹ thuật | Thông số cụ thể |
|---|---|
| Mã đặt hàng (SKU) | 0089797 |
| MPN | B16S0102014H |
| Hệ đo lường | Inch |
| Kiểu đầu | Lục giác chìm (Socket set) |
| Kích thước ren | #10-32 |
| Kiểu ren | UNF (Ren mịn hệ Inch) |
| Chiều dài tổng (L) | 1/4 inch (0.25 in) |
| Dụng cụ siết (s) | Khóa lục giác 0.094 in (3/32″) |
| Chất liệu | Inox 304 (Stainless Steel) |
| Thiết kế đuôi | Đuôi Lõm (Cup Point) |
| Ứng dụng chính | Đóng Tàu – Dầu Khí – Máy Nhập Khẩu |
| Xuất xứ | Trung Quốc |
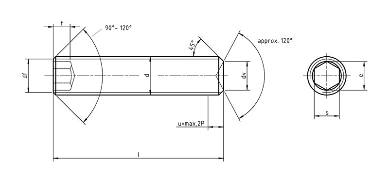
3. Phân tích thiết kế Vít trí lục giác chìm tiêu chuẩn Mỹ #10-32 dài 1/4 inch
Cấu trúc của vít trí #10-32 x 1/4 được tối ưu để hoạt động hiệu quả trong các không gian lắp máy đòi hỏi độ tinh chỉnh cao:
- Socket Hex Drive: Sử dụng lỗ lục giác kích thước 0.094 inch ẩn trong thân. Thiết kế này không chỉ giúp việc truyền lực siết đồng đều mà còn bảo vệ lỗ vít khỏi các va chạm bên ngoài, đồng thời giữ cho bề mặt lắp ráp luôn bằng phẳng.
- Cup Point (Đuôi Lõm): Phần cuối có dạng chén với cạnh sắc. Khi được siết chặt, phần mép này sẽ cắm vào bề mặt trục quay, tạo ra lực khóa cơ học cực mạnh, ngăn chặn mọi hiện tượng trượt puly hoặc bánh răng do momen xoắn lớn.
- Thân Ren UNF: Với mật độ 32 vòng ren trên mỗi inch, bước ren mịn này mang lại khả năng khóa chặt ưu việt, chống tự tháo do rung động tốt hơn nhiều so với ren thô thông thường.
4. Giá trị cốt lõi của vật liệu Inox 304 trong chế tạo vít trí
Sử dụng vật liệu thép không gỉ 304 đem lại lợi ích kép về độ bền và kinh tế cho người sử dụng:
- Kháng Oxy Hóa Mạnh: Nhờ hàm lượng Crom và Niken tiêu chuẩn, vít trí Inox 304 không bị rỉ sét khi tiếp xúc với hơi ẩm, hóa chất nhẹ hoặc môi trường biển. Điều này bảo vệ mối ghép luôn trong tình trạng tốt nhất theo thời gian.
- Độ Bền Cơ Học Ổn Định: Vật liệu giữ được độ dẻo dai cần thiết, không bị giòn gãy dưới áp lực siết lớn, đảm bảo an toàn cho các cụm máy hoạt động liên tục.
- An Toàn Vệ Sinh: Bề mặt sáng bóng, không thấm bẩn, dễ lau chùi, đáp ứng hoàn hảo tiêu chuẩn trong ngành sản xuất thực phẩm và thiết bị y khoa.
5. Đánh giá khả năng bám dính và cố định của đầu lõm #10-32
Vít trí #10-32 x 1/4 đuôi lõm là giải pháp định vị “nhỏ gọn nhưng uy lực” cho các máy móc công nghiệp:
Khả năng bám dính của sản phẩm đến từ sự kết hợp giữa ren mịn UNF và đầu lõm Cup Point. Ren mịn 32 bước giúp người thợ có thể điều chỉnh lực siết một cách tinh vi nhất. Khi mép đuôi lõm cắm sâu vào trục, nó tạo ra một điểm tì chắc chắn, có khả năng chống lại lực dọc trục và lực ly tâm sinh ra khi máy vận hành ở tốc độ cao, giúp bảo vệ tính toàn vẹn của hệ thống truyền động.
6. Các biến thể Vít trí lục giác chìm phổ biến hiện nay
Người dùng có thể lựa chọn các loại đuôi vít khác nhau tùy vào mục đích sử dụng đặc thù:
- Vít Trí Đuôi Bằng (Flat Point): Thường dùng cho các trục đã có sẵn mặt phẳng mài để tránh làm xước trục.
- Vít Trí Đuôi Nhọn (Cone Point): Cung cấp lực khóa mạnh nhất bằng cách cắm sâu vào lỗ tâm được khoan sẵn trên trục.
- Vít Trí Đuôi Oval: Giảm thiểu hư hại cho bề mặt tiếp xúc và cho phép điều chỉnh vị trí linh hoạt hơn.
- Vít Trí Thép Hợp Kim: Dành cho các ứng dụng yêu cầu lực siết cực hạn nhưng không đòi hỏi tính chống rỉ.
7. Những ưu điểm vượt trội và lưu ý khi dùng Vít trí #10-32 x 1/4
Ưu điểm:
- Chống rỉ sét tuyệt đối: Inox 304 thách thức các môi trường ẩm ướt và ăn mòn hóa học.
- Thiết kế âm gọn gàng: Không chiếm dụng không gian bên ngoài, tăng độ an toàn và tính thẩm mỹ cho máy móc.
- Lực kẹp vững chắc: Ren mịn UNF kết hợp đuôi lõm tạo ra khả năng định vị chống trượt vượt trội.
- Dễ dàng tháo lắp: Thao tác nhanh chóng bằng các bộ lục giác hệ Inch thông dụng.
Hạn chế:
- Dễ thất lạc: Do kích thước nhỏ (1/4 inch), cần thận trọng khi tháo lắp và lưu kho.
- Kén dụng cụ: Yêu cầu sử dụng đúng khóa lục giác hệ Inch (0.094″), không thể dùng khóa hệ Met thay thế.
8. Ứng dụng thực tế: Giải pháp kẹp chặt cho thiết bị nhập khẩu và công nghiệp dầu khí
Sở hữu tiêu chuẩn Inch Mỹ và vật liệu chống ăn mòn, vít trí #10-32 x 1/4 Inox 304 hiện diện trong nhiều lĩnh vực:
- Máy móc nhập khẩu: Bảo trì và sửa chữa các dòng máy công nghiệp, thiết bị in ấn, và máy đóng gói nhập từ Mỹ hoặc Canada.
- Ngành Hàng hải và Dầu khí: Cố định các cảm biến, van điều khiển và bảng điện trên tàu biển, nơi tiếp xúc trực tiếp với hơi muối.
- Thiết bị điện tử và Robot: Lắp ráp các puly nhỏ, cánh tay robot và các cụm trục dẫn động yêu cầu độ chính xác cao.
- Chế tạo dụng cụ y tế: Dùng trong các thiết bị xét nghiệm, nội soi yêu cầu vật liệu không gỉ và dễ khử trùng.
9. Đối chiếu Vít Trí Đuôi Lõm hệ Inch và các dòng Vít Trí hệ Met
Lựa chọn đúng hệ kích thước là yếu tố then chốt để đảm bảo mối ghép không bị hư hỏng:
| Tiêu chí | Vít Trí Hệ Inch (UNF #10-32) | Vít Trí Hệ Met (DIN 916 M5) |
|---|---|---|
| Chuẩn Ren | Theo tiêu chuẩn Mỹ, ren mịn hơn | Theo tiêu chuẩn ISO/DIN, phổ biến tại Châu Á |
| Dụng cụ siết | Khóa lục giác hệ Inch (0.094″) | Khóa lục giác hệ Met (2.5mm) |
| Khả năng chống rung | Rất tốt nhờ bước ren mịn 32 tpi | Tốt (theo bước ren met tiêu chuẩn) |
| Nguồn gốc máy | Máy nhập khẩu Mỹ, Canada, Anh | Máy sản xuất tại Việt Nam, Nhật, Trung Quốc |
Kết luận: Không bao giờ được dùng lẫn lộn giữa hai hệ ren vì sẽ gây cháy ren ngay lập tức.
10. Quy trình lắp đặt và kỹ thuật siết vít trí hệ Inch đạt chuẩn
Để vít trí #10-32 x 1/4 Inox 304 hoạt động hiệu quả, hãy làm theo các chỉ dẫn sau:
- Bước 1: Làm sạch ren: Dùng khí nén hoặc bàn chải để làm sạch bụi bẩn trong lỗ ren #10-32.
- Bước 2: Chuẩn bị dụng cụ: Sử dụng khóa lục giác hệ Inch đúng kích cỡ 3/32″ (0.094″). Không dùng khóa 2.5mm vì sẽ làm tròn lỗ vít.
- Bước 3: Siết lực đồng đều: Vặn vít cho đến khi chạm mặt trục, sau đó siết thêm khoảng 1/4 đến 1/2 vòng để đuôi lõm bám chặt.
- Bước 4: Sử dụng keo khóa ren: Nếu máy hoạt động trong môi trường rung động cực lớn, nên bôi thêm một lớp keo khóa ren để tăng độ an toàn.
11. Phương pháp nhận diện Vít trí Inox 304 chuẩn chất lượng
Sản phẩm vít trí chính ngạch cung cấp bởi Mecsu có những đặc điểm nhận diện sau:
- Ren hoàn thiện sắc nét: Các bước ren mịn UNF được gia công tinh xảo, không có hiện tượng móp ren hay bavia.
- Đặc tính vật liệu: Bề mặt Inox 304 sáng mờ tự nhiên. Khi thử nghiệm hóa học hoặc dùng máy phân tích quang phổ sẽ cho kết quả chuẩn mác thép 304.
- Kích thước chuẩn xác: Chiều dài đúng 1/4 inch và lỗ lục giác ôm khít dụng cụ siết chuyên dụng.
12. Thông tin báo giá Vít Trí Inox 304 #10-32 x 1/4 & Địa chỉ cung ứng
a. Giá bán lẻ tham khảo: 1,861 đ / Cái
Mecsu Pro cung cấp mức giá tối ưu nhất kèm chính sách chiết khấu sâu cho các đơn vị bảo trì máy móc nhập khẩu hoặc các xưởng gia công cơ khí chính xác.
b. Tại sao chọn Mecsu Pro?
- Cam kết chất lượng: Hàng chuẩn Inox 304, đầy đủ chứng chỉ nguồn gốc xuất xứ.
- Đầy đủ hệ Inch: Chúng tôi cung cấp trọn bộ các size vít trí hệ Inch khó tìm trên thị trường.
- Giao hàng siêu tốc: Hệ thống kho vận hiện đại giúp xử lý đơn hàng nhanh chóng trên toàn quốc.
MUA THÊM CÁC LOẠI VÍT TRÍ ĐUÔI LÕM KHÁC TẠI MECSU
MUA THÊM CÁC LOẠI VÍT TRÍ INOX 304 ĐUÔI LÕM KHÁC TẠI MECSU
13. Giải đáp các thắc mắc (FAQ) về dòng Vít trí UNF #10-32
13.1. Tôi có thể dùng khóa lục giác 2.5mm thay cho khóa 0.094″ không?
Tuyệt đối không nên. Khóa 2.5mm hơi lớn hơn so với 0.094″ (khoảng 2.38mm), việc cố tình dùng sai hệ khóa sẽ làm hỏng hoàn toàn lỗ lục giác của vít, khiến việc tháo lắp sau này trở nên bất khả thi.
13.2. Ren #10-32 (UNF) có gì khác biệt so với ren #10-24 (UNC)?
Ren #10-32 là ren mịn (32 vòng mỗi inch), trong khi #10-24 là ren thô (24 vòng mỗi inch). Ren mịn UNF như sản phẩm này có ưu điểm là chịu lực rung động tốt hơn và cho phép tinh chỉnh vị trí chi tiết chính xác hơn.
13.3. Inox 304 có chịu được nước biển lâu ngày không?
Inox 304 có khả năng chống ăn mòn rất tốt trong môi trường gần biển. Tuy nhiên, nếu vít trí phải ngâm trực tiếp trong nước biển liên tục, chúng tôi khuyên bạn nên cân nhắc nâng cấp lên Inox 316 để có độ bền tuyệt đối.
13.4. Tại sao vít trí lại được thiết kế không có đầu?
Thiết kế không đầu cho phép vít chui lọt hoàn toàn vào trong lỗ ren. Điều này giúp máy móc có bề mặt phẳng, tránh gây vướng víu cho các bộ phận quay và tăng tính thẩm mỹ cho tổng thể máy.
14. Dịch vụ hỗ trợ kỹ thuật chuyên sâu từ đội ngũ Mecsu Pro
Bạn cần tư vấn về momen siết chuẩn hoặc tra cứu các kích thước vít trí hệ Inch hiếm? Mecsu luôn sẵn sàng đồng hành cùng bạn:
Địa chỉ kho: B28/I – B29/I Đường số 2B, KCN Vĩnh Lộc, P. Bình Hưng Hòa B, Q. Bình Tân, TP.HCM
Hotline: 1800 8137
Email liên hệ: [email protected]
Website chính thức: mecsu.vn
15. Lời khuyên chuyên gia: Tối ưu hóa độ bám cho mối ghép vít trí hệ Inch
a. Phối hợp độ cứng vật liệu trục
Để phần đuôi lõm phát huy tối đa tác dụng, vật liệu của trục nên mềm hơn hoặc tương đương với vật liệu của vít trí Inox 304. Điều này giúp mép Cup Point dễ dàng “cắn” vào trục. Nếu trục quá cứng, bạn hãy mài một mặt phẳng nhỏ hoặc khoan mồi để vít có điểm tì tốt nhất.
b. Sử dụng bộ khóa lục giác hệ Inch chuẩn
“Linh kiện hệ Inch yêu cầu độ chính xác tuyệt đối về dụng cụ. Việc sử dụng các bộ khóa lục giác hệ Inch chất lượng từ các hãng như BONDHUS hay EIGHT sẽ giúp bạn bảo vệ đầu vít và truyền tải lực siết chuẩn xác nhất, tránh các rủi ro đáng tiếc trong bảo trì.”
— Kinh nghiệm từ chuyên gia kỹ thuật Mecsu Pro.
(Khám phá trọn bộ giải pháp kẹp chặt hệ Inch tại Mecsu.vn)











Đánh giá
Chưa có đánh giá nào.