Mô tả sản phẩm
Thông tin CHUYÊN SÂU về Vòng Bi Cầu Rãnh Sâu SKF 6206-2Z/AEM3 (30x62x16) Nắp Thép (Hai Bên)
Mục Lục
- 1. Vòng Bi SKF 6206-2Z/AEM3 Là Gì? – Giải Thích Chuyên Sâu
- 2. Thông Số Kỹ Thuật Chi Tiết Của Vòng Bi Cầu SKF 6206-2Z/AEM3
- 3. Cấu hình chi tiết Vòng Bi SKF 6206-2Z/AEM3
- 4. Phân Tích Chuyên Sâu: Nắp Chắn Thép 2Z và Vòng Cách Đồng AEM3
- 5. Ưu và nhược điểm của Vòng Bi SKF 6206-2Z/AEM3
- 6. Ứng dụng Thực Tế của Vòng Bi SKF 6206-2Z/AEM3
- 7. Hướng Dẫn Đặt và Tháo Tháo SKF 6206-2Z/AEM3
- 8. So Sánh Vòng Bi 6206-2Z/AEM3 với Các Loại 6206 Other
- 9. Cách Phân Biệt Vòng Bi SKF 6206-2Z/AEM3 Thật – Giả – Lời Khuyên Từ Chuyên Gia Mecsu
- 10. Giá Bán & Moni Ý Mua Vòng Bi SKF 6206-2Z/AEM3 Chính Hãng Tại TP.HCM
- 11. Câu hỏi thường gặp về Vòng Bi SKF 6206-2Z/AEM3
- 12. Liên Hệ và Hỗ Trợ Tư Vấn Vòng Bi SKF
- 13. Thông Tin Bổ Sung & Kinh nghiệm Thực Tế Từ Mecsu
1. Vòng Bi SKF 6206-2Z/AEM3 Là Gì? – Giải Thích Chuyên Sâu
Vòng bi cầu rãnh sâu SKF 6206-2Z/AEM3 là sản phẩm cao cấp thuộc dòng SKF Explorer, được thiết kế theo vòng đồng thau (AEM3) để mang lại hiệu suất vượt trội trong các ứng dụng tốc độ cao, nhiệt độ cao và độ tối ưu đáng tin cậy. Mã “6206” chỉ định kích thước cơ bản với đường kính trong (d) 30mm, kính chắn đường ngoài (D) 62mm và dày (B) 16mm.Hậu tố “-2Z” biểu thị vòng bi được trang bị hai (tấm thép loại) ở cả hai thép, không tiếp xúc với vòng thép, giúp giảm ma sát và hỗ trợ hoạt động ở tốc độ cao. Hậu tố “AEM3” chỉ áp dụng đồng thau, được tối ưu hóa cho độ bền và khả năng chịu nhiệt, đặc biệt phù hợp cho các giải pháp ứng dụng công nghiệp. Sản phẩm này là giải pháp lý tưởng cho môi trường khô ráo, sạch sẽ, yêu cầu hiệu suất cao và bảo trì ở mức tối thiểu.
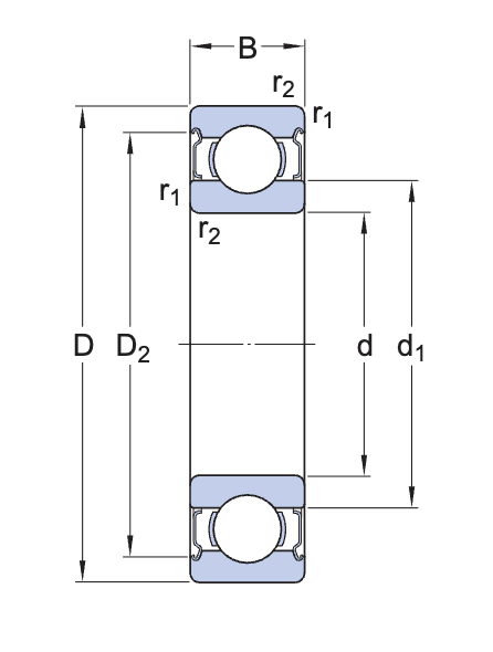
2. Thông số Kỹ Thuật Chi Tiết của Vòng Bi Cầu SKF 6206-2Z/AEM3
D: Đường kính ngoài
B: Bề dày
C: Tải cơ sở dữ liệu danh sách
C0: Tải danh sách cơ sở dữ liệu tĩnh
Pu: Giới hạn tải mệt mỏi
| Thông số | Giá trị |
|---|---|
| Mã sản phẩm | 6206-2Z/AEM3 |
| Loại vòng bi | Vòng Bi Cầu Rãnh Sâu (Vòng Bi Rãnh Sâu) |
| Đường kính trong (d) | 30 mm |
| Đường kính ngoài (D) | 62 mm |
| Bề dày (B) | 16 mm |
| Tải cơ sở dữ liệu danh sách (C) | 20,3 kN |
| Tải quan trọng cơ sở dữ liệu danh sách (C0) | 11,2 kN |
| Giới hạn tải mệt mỏi (Pu) | 0,475 kN |
| Tốc độ tham chiếu | 24 000 vòng/phút |
| Tốc độ giới hạn | 12 000 vòng/phút |
| Thế hệ khả năng làm việc cao của SKF | SKF Explorer |
| Rãnh tra bi | Không có |
| Số dòng | 1 |
| Phương tiện để định vị, vòng ngoài của vòng bi | Không có |
| Loại lỗ | Hình trụ |
| Vòng cách | Đồng thau (Brass, AEM3) |
| Kiểu gắn cặp | Không |
| Khe khe trong hướng kính | CN (Tiêu chuẩn) |
| Vật liệu, vòng bi | Thép vòng bi |
| Lớp mạ | Không có |
| Phớt chắc | Nắp thép hai bên (2Z) |
| Loại Chắc Dầu | Không tiếp xúc (Không tiếp tục) |
| Tra mỡ sẵn chưa? | Có (Mỡ bôi trơn tiêu chuẩn từ nhà máy) |
| Phương tiện để tái bôi trơn | Không có |
| Dấu vết carbon của sản phẩm được chỉ định để sản xuất | 0,724 kg CO2e |
| Trọng lượng sản phẩm | 0,201 kg |
| Mã eClass | 23-05-08-01 |
| Mã UNSPSC | 31171504 |
3. Cấu hình chi tiết Vòng Bi SKF 6206-2Z/AEM3
Vòng bi SKF 6206-2Z/AEM3 được cấu hình từ các bộ phận chính, mỗi bộ phận đóng vai trò quan trọng trong công việc đảm bảo hiệu suất hoạt động và bền bỉ:Sơ đồ cấu tạo Vòng Bi Cầu Rãnh Sâu SKF 6206-2Z/AEM3 với Sản phẩm thép hai đầu:
- Vòng trong/ngoài: Được chế tạo từ thép chịu lực cao, cùng với khu vực Yên tĩnh, chịu tải chính.
- Bi cầu: Sản phẩm sản xuất từ thép siêu chính xác, được xử lý nhiệt đặc biệt để giảm độ cứng tối thiểu, tăng cường độ cứng và độ bền.
- Hỗ trợ vòng: Làm bằng đồng thau (AEM3), có khả năng chịu nhiệt và độ bền cao, đảm bảo các thành viên được duy trì hoạt động như nhau, hỗ trợ vận hành ổn định ở tốc độ cao và nhiệt độ cao.
- Mũ bảo hiểm bằng thép (2Z): Gắn chặt vào vòng ngoài bên trong cả hai, không tiếp tục căng vòng trong, giúp bảo vệ vòng bi khỏi Bụi bẩn và chất tạp chất, đồng thời giữ dầu bôi trơn, phù hợp cho các ứng dụng tốc độ cao.
4. Phân Tích Chuyên Sâu: Nắp Chắn Thép 2Z và Vòng Cách Đồng AEM3
Để xác định giá trị của vòng bi SKF 6206-2Z/AEM3, việc phân tích sâu hơn về đặc tính của thép thép “2Z” và cách đồng vòng “AEM3” là rất quan trọng.
Ký hiệu “2Z” – Dây thép không tiếp xúc bên trong:
- Chức năng chính: Nắp thép bảo vệ vòng bi khỏi bụi bẩn và các chất tạp chất, đồng thời giữ dầu bôi trơn bên trong. Thiết kế không tiếp tục với việc giúp giảm vòng lặp, cho phép vận hành ở tốc độ cao.
- Ưu điểm vượt trội: Tốc độ giới hạn 12.000 vòng/phút, phù hợp cho các ứng dụng tốc độ cao như động cơ điện hoặc quạt công nghiệp. Ma sát giúp tiết kiệm năng lượng và giảm nhiệt độ.
- Chế độ: Không hoàn toàn kín như phố cao su (2RS1), nên hiệu quả trong môi trường ẩm hoặc bụi.Vòng cách đồng “AEM3”:
- Ý nghĩa: “AEM3” chỉ được làm bằng đồng thau (đồng thau), được tối ưu hóa cho độ bền cao và khả năng chịu nhiệt vượt trội so với cách mạnh tiêu chuẩn.
- Lợi ích: Đồng thau có khả năng chống ăn mòn và chịu nhiệt tốt, giúp vòng bi hoạt động ổn định trong điều kiện nhiệt độ cao hoặc môi trường khắc nghiệt. Vòng đồng cũng hỗ trợ vận hành mượt mà với tốc độ cao nhờ độ cứng và độ chính xác cao.
- Ứng dụng lý tưởng: Phù hợp cho các ứng dụng công nghiệp có nhiệt độ cao hoặc yêu cầu độ bền vượt trội, như máy phát điện, động cơ công nghiệp hoặc thiết bị truyền động.
Sự kết hợp giữa thép thép “2Z” và đồng vòng “AEM3” giúp SKF 6206-2Z/AEM3 trở thành giải pháp tối ưu cho các ứng dụng tốc độ cao, nhiệt độ cao và yêu cầu độ bền vững trong môi trường khô, sạch.
5. Ưu và nhược điểm của Vòng Bi SKF 6206-2Z/AEM3
Vòng bi SKF 6206-2Z/AEM3 là lựa chọn lý tưởng cho các ứng dụng công nghiệp hỗ trợ pháp thức đồng thau, nhưng việc hiểu rõ ưu điểm và nhược điểm sẽ giúp bạn đưa ra quyết định phù hợp.
Ưu điểm nổi bật:
- Tuổi thọ cao và độ bền vượt trội: Thuộc dòng SKF Explorer, với cách đồng thau (AEM3) giúp tăng cường độ bền và khả năng chịu nhiệt, lý tưởng cho môi trường khắc nghiệt.
- Khả năng vận hành tốc độ cao: Tốc độ giới hạn 12.000 vòng/phút, phù hợp cho các ứng dụng như động cơ điện, quạt công nghiệp hoặc máy móc tốc độ cao.
- Ma sát thấp: Nắp thép không tiếp xúc (2Z) giúp giảm ma sát, tiết kiệm năng lượng và giảm nhiệt trong quá trình vận hành.
- Thích hợp cho nhiệt độ cao: Cách đồng bộ hỗ trợ hoạt động ổn định trong môi trường nhiệt độ cao.
- Khả năng chịu tải đa hướng: Chịu tốt cả tải tâm hướng (tải trọng xuyên tâm) và hướng trục trặc (tải trọng trục) theo cả hai chiều, mang lại linh hoạt trong thiết kế máy móc.
- Độ tin cậy cao của thương hiệu hàng đầu: SKF là nhà sản xuất vòng bi hàng đầu thế giới, đảm bảo chất lượng và độ tin cậy vượt trội.
- Yêu cầu bảo trì thấp: Được tra mỡ sẵn từ nhà máy, sản phẩm thép giữ mỡ bôi trơn lâu hơn, giảm nhu cầu bảo trì định kỳ nên vòng cuối cùng.
Nhược điểm cần lưu ý:
- Khả năng làm việc kín trong giới hạn: Nắp thép (2Z) không kín hoàn toàn như phố cao su (2RS1), không phù hợp cho môi trường ẩm thực hoặc có bụi bụi.
- Không tái chế sinh bôi trơn: Vòng bi 2Z được bôi mỡ sẵn và không có lỗi để tái chế bôi trơn. Khi mỡ suy giảm chất lượng, cần thay thế vòng bi.
- Giá thành cao hơn: Thực hiện đồng thau vòng (AEM3), giá của SKF 6206-2Z/AEM3 thường cao hơn so với các phiên bản 6206 tiêu chuẩn hoặc từ các loại tín hiệu khác. Tuy nhiên, đây là khoản đầu tư xứng đáng cho hiệu suất và độ bền.
6. Ứng dụng Thực Tế của Vòng Bi SKF 6206-2Z/AEM3
Với tiêu chuẩn kích thước, cách đồng thau và khả năng hoạt động ở tốc độ cao và nhiệt độ cao, vòng bi SKF 6206-2Z/AEM3 được ứng dụng rộng rãi trong nhiều lĩnh vực công nghiệp tại TP. Hồ Chí Minh và các khu công nghiệp lân cận, đặc biệt trong môi trường khô và có nhiệt độ cao:
- Động cơ điện công suất trung bình và lớn: Lý tưởng cho động cơ điện hoạt động trong môi trường khô, yêu cầu tốc độ cao và nhiệt độ cao.
- Máy phát điện: Đảm bảo hoạt động ổn định và đáng tin cậy trong các máy phát điện, nhờ cách đồng thau.
- Quạt công nghiệp: Hỗ trợ vận hành mượt mà trong hệ thống truyền tải nhờ khả năng quay tốc độ cao và ma sát.
- Máy công cụ, máy gia công: Chịu tải trọng và hoạt động ổn định trong các điều kiện gia công khô, nơi không có cơ sở tiếp xúc với nước.
- Thiết bị truyền thông số: Đảm bảo hiệu quả truyền thông trong môi trường khô, nhiệt độ cao
- Băng tải công nghiệp: Hỗ trợ vận hành trơn tru trong hệ thống tải trong môi trường sản phẩm sản xuất
7. Hướng Dẫn Đặt và Tháo Tháo SKF 6206-2Z/AEM3
Để đảm bảo tuổi thọ và hiệu suất tối ưu cho vòng bi SKF 6206-2Z/AEM3, việc lắp đặt và tháo dỡ đúng cách là vô cùng quan trọng. luôn luôn thủ các nguyên tắc an toàn và kỹ thuật của các nhà sản xuất. Mecsu cung cấp hướng dẫn chi tiết dựa trên kinh nghiệm thực tế:
- Chuẩn bị: Đảm bảo môi trường làm việc sạch sẽ, khô ráo, không có bụi bẩn. Chuẩn bị đầy đủ các công cụ chuyên dụng như cảo, búa mềm, thiết bị gia nhiệt cảm ứng. Luôn đeo dây bảo vệ và kính bảo hộ để đảm bảo an toàn. Kiểm tra khí cụ và gối phải sạch sẽ, không có lỗ hổng và bảo đảm sai dung dịch. Lưu ý quan trọng: KHÔNG nắm dây thép 2Z vì vòng bi đã được cung cấp sẵn chất béo và việc bán sản phẩm có thể làm hư hỏng hoặc ảnh hưởng đến khả năng bảo vệ của vòng bi.
- Lắp đặt:
- Phương pháp nhiệt (phổ biến nhất): Gia nhiệt vòng bi bằng thiết bị gia nhiệt chuyên dụng (ví dụ: máy gia nhiệt cảm ứng SKF) đến nhiệt độ khoảng 80-100°C (không vượt quá 120°C). Điều này giúp vòng nở ra, dễ trượt vào trục mà không cần dùng lực quá lớn. Luôn hoạt động đều đặn và tập trung lên vòng khi gắn vào xẹp xuống.
- Phương pháp cơ khí (dùng cho kích thước nhỏ hơn): Sử dụng ống lót chuyên dụng và búa mềm, tác dụng lực đều lên vòng khi lắp vào trục. Tuyệt đối tránh tác động trực tiếp lên Sản phẩm thép hoặc các sản phẩm bi có thể gây nguy hiểm cho mạng tính năng.
- Lưu ý: Đảm bảo vòng bi được gắn thẳng, không bị lệch hoặc kẹt.
- Gỡ bỏ:
- Sử dụng cả dụng cụ chuyên dụng (cảo cơ hoặc cả thủy lực) để xoay vòng một cách an toàn và không gây ra tình trạng gãy xương cho hoặc hỗ trợ gối. Tác dụng lực đều và đúng ở vòng trong (khi rút xẹp) hoặc vòng ngoài (khi rút gối).
- Tránh dùng đập trực tiếp lên các sinh vật học hoặc các bộ phận khác có thể gây ra các dạng biến đổi, hư hỏng. Việc này không chỉ làm hỏng vòng bi mà còn tiềm ẩn nguy hiểm.
- Người bảo quản: Nếu không sử dụng ngay, hãy giữ vòng bi trong bao bì gốc của nhà sản xuất, ở nơi khô ráo, thoáng mát, tránh á nắng trực tiếp và các chất hóa học ăn mòn để phun sét và bụi nguy hiểm.
8. So Sánh Vòng Bi 6206-2Z/AEM3 với Các Loại 6206 Other
Việc hiểu rõ sự khác biệt giữa các loại vòng bi 6206 SKF sẽ giúp bạn lựa chọn sản phẩm phù hợp nhất để ứng dụng bột, hiệu suất tối ưu và chi phí đầu tư:
| Tiêu chí | SKF 6206-2Z/AEM3 (Tháp thép, vòng cách) | SKF 6206-2Z (Nắp thép, khe CN) | SKF 6206-2RS1/C3 (Phốt cao su, khe hở C3) | SKF 6206 (Mở, không phun/nắp, khe hở CN) |
|---|---|---|---|---|
| Chất liệu/Chắc chắn | Nắp thép (2Z) – Không tiếp xúc | Nắp thép (2Z) – Không tiếp xúc | Đăng cao su NBR – Tiếp xúc | No leo/bắp đặt |
| Vòng cách | Đồng thau (AEM3) | Thép tấm | Thép tấm | Thép tấm |
| Khe khe hướng kính | CN (Tiêu chuẩn) | CN (Tiêu chuẩn) | C3 (Lớn hơn tiêu chuẩn) | CN (Tiêu chuẩn) |
| Tốc độ quay tối đa | 12 000 vòng/phút | 12 000 vòng/phút | 8 000 vòng/phút | 15 000 vòng/phút |
| Khả năng chống ẩm/lỏng | Trung bình | Trung bình | Xuất sắc (phù hợp môi trường ẩm, nước) | Rất kém |
| Khả năng chịu nhiệt | Xuất sắc (bằng cách đồng thau) | Trung bình | Tốt (khe khe C3) | Trung bình |
| Nhu cầu bảo trì | Trung bình (bôi trơn sẵn, môi trường khô) | Trung bình | Rất thấp (bôi trơn sẵn, kín đáo) | Cao (cần bảo trì, tra mỡ định kỳ) |
| Độ âm / Rung động | Thấp | Thấp | Thấp | Thấp |
| Giá thành | Cao (làm vòng đồng thau) | Trung bình | Cao | Thấp nhất |
| Ứng dụng điển hình | Động cơ điện, máy phát điện, quạt công nghiệp, máy móc tốc độ cao trong môi trường khô và nhiệt độ cao. | Động cơ điện, quạt, máy móc tốc độ cao, môi trường khô, ít bụi. | Động cơ điện, phun nước, máy móc cần chống nước, Bụi môi trường ẩm, nhiệt độ cao. | Hộp số, ứng dụng có hệ thống bôi trơn riêng biệt, môi trường sạch sẽ. |
9. Cách Phân Biệt Vòng Bi SKF 6206-2Z/AEM3 Thật Giả – Lời Khuyên Từ Chuyên Gia Mecsu
Thị trường hiện nay có rất nhiều hàng giả, hàng giả chất lượng, đặc biệt là với các sản phẩm vòng bi chính hãng SKF. Để đảm bảo bạn mua được vòng bi SKF 6206-2Z/AEM3 chính hãng tại TP.HCM, Mecsu khuyến nghị kiểm tra các dấu hiệu sau:
a. Dấu hiệu của SKF 6206-2Z/AEM3 chính hãng :
- Bao bì chất lượng cao: Sắc nét, màu xanh đặc trưng của SKF, sản phẩm thông tin rõ ràng, đầy đủ mã vạch/QR code và thông tin xuất xứ.
- In ấn trên vòng bi sắc nét: Logo SKF, sản phẩm mã hóa hóa (6206-2Z/AEM3) và các nhà sản xuất quốc gia được giải quyết bằng cách xóa laser, không lem, không sai phông chữ.
- Mã QR/Bar code xác thực: Có thể quét bằng ứng dụng “SKF Authenticate” để xác thực nguồn gốc và tính chính hãng của sản phẩm.
- Mũ bảo hiểm bằng thép và cách đồng: Mũ bảo hiểm bằng thép chắc chắn, đồng đều, không gây nguy hiểm hoặc bị sét đánh. Vòng đồng thau có màu sắc đặc biệt, mặt sẵn, gia công tinh luyện.
- Cảm giác vận động mượt mà: Khi quay vòng bi bằng tay, cảm nhận mượt mà, không có tiếng kêu lạ hoặc giảm tốc độ bất thường.
- Chứng minh từ đầy đủ: Nhà cung cấp uy tín sẽ cung cấp “CO” (chứng nhận xuất xứ) và “CQ” (chứng nhận chất lượng) từ SKF.
b. Dấu hiệu của vòng bi SKF 6206-2Z/AEM3 hàng giả/nhái:
- In ấn mờ nhạt, sai chính tả, phông chữ lạ, hoặc thông tin thiếu chính xác trên bao bì và vòng bi.
- Bao bì thô, màu trôi chuẩn SKF, thiếu thông tin quan trọng hoặc có dấu hiệu làm lại.
- Mũ thép mạnh mẽ, sét đánh hoặc vòng đồng thau có dấu hiệu gia công gần, màu sắc không đồng đều.
- Không có mã QR hoặc mã hóa không quét được hoặc quét ra thông tin không khớp với sản phẩm chính hãng
- Khi quay tay có tiếng kêu lạo xạ, cảm giác giác hoặc quá dư do gia công chính xác.
- Giá bán rẻ bất ngờ so với thị trường của các sản phẩm chính hãng.

10. Giá Bán & Gợi Ý Mua Vòng Bi SKF 6206-2Z/AEM3 Chính Hãng Tại TP.HCM
a. Giá vòng bi SKF 6206-2Z/AEM3 (TP.Hồ Chí Minh) tại Mecsu: Liên hệ để nhận báo giá tốt nhất.
Liên hệ để nhận báo giá tốt nhất (giá có thể thay đổi tùy thời điểm và số lượng) – Giá hợp lý, phù hợp với chất lượng sản phẩm chính hãng SKF tại thị trường vòng bi TP.HCM.
b. Gợi ý mua vòng bi chính hãng SKF uy tín
- Chọn nhà cung cấp uy tín tại TP.HCM: Ưu tiên đối tác có bằng chứng từ SKF hoặc đơn vị lâu năm, được nhiều khách hàng tin tưởng.
- Kiểm tra chứng từ đầy đủ: Yêu cầu “CO” (chứng nhận xuất xứ) và “CQ” (chứng nhận chất lượng) để đảm bảo nguồn gốc và chất lượng của sản phẩm.
-
- 100% sản phẩm chính hãng: Đảm bảo nguồn gốc rõ ràng, đầy đủ chứng từ. Cam kết hoàn tiền 100% hoặc đổi trả nếu sản phẩm không phải chính hãng.
- Chính sách bảo hành minh bạch: Hỗ trợ đổi trả nếu có lỗi từ nhà sản xuất.
- Hỗ trợ kỹ thuật chuyên sâu: Đội ngũ kỹ sư giàu kinh nghiệm sẵn sàng tư vấn kỹ thuật và lựa chọn sản phẩm phù hợp.
- Giá cả cạnh tranh: Đảm bảo mức giá tốt nhất với chính sách chiết khấu hấp dẫn cho đơn hàng số lượng lớn.
MUA THÊM NHIỀU LOẠI VÒNG BI CHÍNH HÃNG KHÁC TẠI MECSU
11. FAQ về Vòng Bi SKF 6206-2Z/AEM3
a. Vòng bi SKF 6206-2Z/AEM3 có cần bảo dưỡng, tra mỡ không?
Vòng bi được tra mỡ sẵn từ nhà máy và có nắp chắn thép (2Z) giúp giữ mỡ hiệu quả. Trong hầu hết các ứng dụng, nó được xem là “bảo trì trọn đời” (lubricated for life). Tuy nhiên, trong môi trường nhiệt độ cao liên tục, mỡ có thể suy giảm, cần kiểm tra định kỳ.
b. Chữ “2Z” và “AEM3” trong mã SKF 6206-2Z/AEM3 có ý nghĩa gì?
- “2Z”: Nắp chắn thép không tiếp xúc ở cả hai phía, giảm ma sát và hỗ trợ tốc độ cao.
- “AEM3”: Vòng cách đồng thau, tăng độ bền và khả năng chịu nhiệt.
c. Vòng bi SKF 6206-2Z/AEM3 có phù hợp với môi trường ẩm không?
Không phù hợp cho môi trường ẩm ướt hoặc có nước do nắp chắn thép (2Z) không kín hoàn toàn. Nếu cần vòng bi cho môi trường ẩm, hãy xem xét SKF 6206-2RS1/C3.
d. Làm sao biết vòng bi 6206-2Z/AEM3 của tôi là hàng chính hãng SKF?
Kiểm tr bao bì, khắc laser sắc nét, và sử dụng ứng dụng SKF Authenticate để quét mã QR xác thực.
e. Khi nào cần thay thế vòng bi 6206-2Z/AEM3?
Thay thế khi có các dấu hiệu: tiếng ồn bất thường, tăng nhiệt độ, độ rung lớn, biến dạng vật lý (rỉ sét, cong vênh), hoặc vòng bi bị kẹt.
f. Mua vòng bi SKF 6206-2Z/AEM3 chính hãng ở đâu tại TP.HCM?
Liên hệ Mecsu – uy tín SKF tại Việt Nam, cung cấp sản phẩm chính hãng, giá cạnh tranh, hỗ trợ kỹ thuật chuyên sâu.
12. Liên Hệ và Hỗ Trợ Tư Vấn Mua Vòng Bi SKF
Liên hệ Mecsu để được tư vn về vòng bi SKF 6206-2Z/AEM3 và giải pháp phù hợp cho ứng dụng của bạn:
Địa chỉ: B28/I – B29/I Đường số 2B, KCN Vĩnh Lộc, P. Bình Hưng Hòa B, Q. Bình Tân, TP.HCM
Hotline: 1800 8137
Email: [email protected]
Website: mecsu.vn
13. Thông Tin Bổ Sung & Kinh Nghiệm Thực Tế Từ Mecsu
a. Kinh Nghiệm Thực Tế & Câu Chuyện Thành Công
Mecsu đã cung cấp SKF 6206-2Z/AEM3 cho nhiều dự án tại TP.HCM và các tỉnh lân cận, đặc biệt trong các ứng dụng như máy phát điện và động cơ điện hoạt động ở nhiệt độ cao, mang lại hiệu suất vượt trội.
b. Trích Dẫn Chuyên Gia
“SKF 6206-2Z/AEM3 là lựa chọn tối ưu cho các ứng dụng tốc độ cao và nhiệt độ cao nhờ vòng cách đồng thau. Đây là giải pháp lý tưởng cho máy phát điện, động cơ điện và thiết bị công nghiệp trong môi trường khô.”
— Kỹ sư cơ khí Mecsu
c. Tài Liệu Tham Khảo
Bài viết được biên soạn dựa trên tài liệu kỹ thuật của SKF và kinh nghiệm thực tế của Mecsu, đảm bảo thông tin chính xác và hữu ích.
(Xem thêm tại Website Mecsu )
Lưu ý: Hình ảnh sản phẩm có thể khác biệt so với sản phẩm sản xuất của SKF. Liên hệ Mecsu để có thông tin chính xác nhất.ÔOD



















Đánh giá
Chưa có đánh giá nào.