Mô tả sản phẩm
Thông tin CHUYÊN SÂU về Vòng Bi Cầu Rãnh Sâu SKF 6207-2Z/AEM3/C3 (35x72x17) Nắp Chắn Thép (Hai Bên)
Mục Lục
- 1. Vòng Bi SKF 6207-2Z/AEM3/C3 Là Gì? – Giải Thích Chuyên Sâu
- 2. Thông Số Kỹ Thuật Chi Tiết Của Vòng Bi Cầu SKF 6207-2Z/AEM3/C3
- 3. Cấu hình chi tiết Vòng Bi SKF 6207-2Z/AEM3/C3
- 4. Phân Tích Chuyên Sâu: Ký Hiệu 2Z, AEM3 và C3 của SKF 6207-2Z/AEM3/C3
- 5. Ưu điểm và nhược điểm của Vòng Bi SKF 6207-2Z/AEM3/C3
- 6. Ứng dụng Thực Tế của Vòng Bi SKF 6207-2Z/AEM3/C3
- 7. Hướng dẫn cài đặt và gỡ bỏ SKF 6207-2Z/AEM3/C3
- 8. So Sánh Vòng Bi 6207-2Z/AEM3/C3 with Các Loại 6207 Other
- 9. Cách Phân Biệt Vòng Bi SKF 6207-2Z/AEM3/C3 Thật – Giả – Lời Khuyên Từ Chuyên Gia Mecsu
- 10. Giá Bán & Gợi Ý Mua Vòng Bi SKF 6207-2Z/AEM3/C3 Chính Hãng Tại TP.HCM
- 11. Câu hỏi thường gặp về Vòng Bi SKF 6207-2Z/AEM3/C3
- 12. Liên Hệ và Hỗ Trợ Tư Vấn Vòng Bi SKF
- 13. Thông Tin Bổ Sung & Kinh nghiệm Thực Tế Từ Mecsu
1. Vòng Bi SKF 6207-2Z/AEM3/C3 Là Gì? – Giải Thích Chuyên Sâu
Vòng bi cầu rãnh sâu SKF 6207-2Z/AEM3/C3 là một sản phẩm cao cấp có thể biến đổi của chiều sâu sinh học vòng, được thiết kế để hoạt động hiệu quả trong các điều kiện khắc phục hơn so với các loại tiêu chuẩn. Mã “6207” chỉ định kích thước cơ sở với đường kính trong (d) 35mm, đường kính ngoài (D) 72mm và chiều dày (B) 17mm.
Điểm khác biệt chính của sản phẩm này nằm ở các loại tiền tố sau:
- “2Z”: Cho biết vòng bi được trang bị hai dây thép (khiên) ở cả hai bên. Các sản phẩm này tạo ra một khe hở nhỏ ở vòng trong, giúp ngăn chặn bụi bẩn và các kẻ xâm nhập vào vòng bi. Loại sản phẩm thép “không tiếp xúc” này giúp duy trì ma sát cực thấp, cho phép vòng bi đạt được tốc độ quay cao. Có hai sản phẩm dây chuyền, vòng bi này được tra mỡ sẵn từ nhà máy và thường được coi là “bôi trơn đời” trong điều kiện hoạt động bình thường, giảm đáng kể nhu cầu bảo trì.
- “C3”: Hậu tố này chỉ ra rằng vòng bi có khe hở hướng tâm lớn hơn tiêu chuẩn (lớn hơn tốc độ xả bình thường). Khe hở C3 đặc biệt quan trọng trong các ứng dụng có nhiệt độ hoạt động cao, nơi mà sự giãn nở nhiệt của vật liệu có thể làm giảm khe hở hoặc trong các ứng dụng yêu cầu gắn chặt (phù hợp với nhiễu) vòng bi lên dốc hoặc hỗ trợ. Khe hở C3 giúp duy trì hoạt động trơn tru và giảm nguy cơ kẹt bi trong những điều kiện này.
- “AEM3”: Đây là ký hiệu của SKF, thường được chỉ định cụ thể về vật liệu, quá trình xử lý nhiệt độ hoặc thiết kế của vòng và bi. Ký hiệu này có thể ảnh hưởng đến các đặc tính như độ bền, khả năng tải hoặc giới hạn tốc độ của vòng bi. Trong trường hợp 6207-2Z/AEM3/C3, hậu tố này có thể là lý do khiến tốc độ giới hạn được liệt kê là 10000 vòng/phút, khác với tiêu chuẩn 2Z.
SKF 6207-2Z/AEM3/C3 là lựa chọn lý tưởng cho các ứng dụng Yêu cầu bảo vệ tối đa từ bụi bẩn từ cả hai phía, ma sát thấp, khả năng đảm bảo tốc độ cao và đặc biệt phù hợp cho môi trường có nhiệt độ hoạt động tăng cao hoặc yêu cầu lắp đặt nhanh nhờ khe C3. Vòng bi này được cung cấp mỡ sẵn có, giúp giảm thiểu công việc bảo trì theo thời gian.
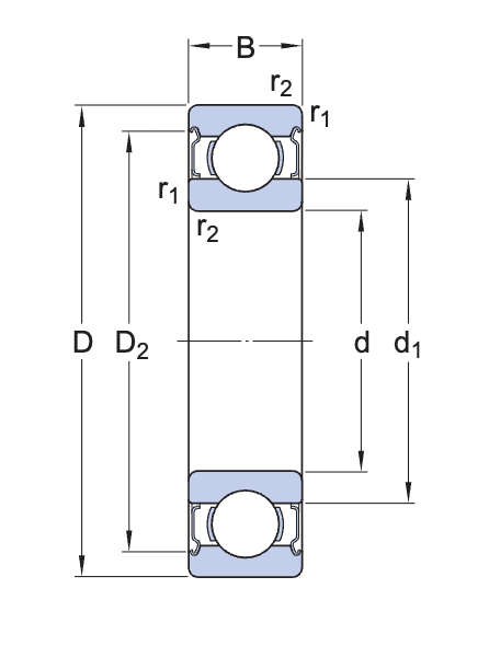
2. Thông Số Kỹ Thuật Chi Tiết Của Vòng Bi Cầu SKF 6207-2Z/AEM3/C3
d: Đường kính trong
D: Đường kính ngoài
B: Bề dày
C: Tải cơ sở dữ liệu danh sách
C0: Tải danh sách cơ sở dữ liệu tĩnh
Pu: Giới hạn tải mệt mỏi
| Thông số | Giá trị |
|---|---|
| Mã sản phẩm | 6207-2Z/AEM3/C3 |
| Loại vòng bi | Vòng Bi Cầu Rãnh Sâu (Vòng Bi Rãnh Sâu) |
| Đường kính trong (d) | 35 mm |
| Đường kính ngoài (D) | 72 mm |
| Bề dày (B) | 17 mm |
| Tải cơ sở dữ liệu danh sách (C) | 27 kN |
| Tải quan trọng cơ sở dữ liệu danh sách (C0) | 15,3 kN |
| Tốc độ giới hạn | 10000 vòng/phút |
| Vòng cách | Thép tấm (Sheet metal) |
| Phớt chắc | Nắp thép hai bên (2Z) |
| Loại Chắc Dầu | Không tiếp xúc (Không tiếp tục) |
| Khe khe trong hướng kính | C3 (Lớn hơn tiêu chuẩn) |
| Thương hiệu | SKF |
| Hình dạng lỗ máy xúc | Trụ thẳng (Cylindrical) |
| Tra mỡ sẵn | Có (Thường được tra mỡ sẵn từ nhà máy) |
| Làm kín tích hợp | Có (tăng tuổi thọ công việc của ổ bi) |
| Ma sát | Thấp |
| Độ âm và rung động | Được tối ưu hóa cho độ ồn và mức độ thấp |
| Khả năng chịu tải | Chịu được tải kính và hướng trục theo cả hai hướng |
| Yêu cầu bảo trì | Rất ít |
3. Cấu hình chi tiết Vòng Bi SKF 6207-2Z/AEM3/C3
Vòng bi SKF 6207-2Z/AEM3/C3 được cấu hình từ các bộ phận chính, mỗi bộ phận đóng vai trò quan trọng trong công việc đảm bảo hiệu suất hoạt động và độ bền:
Sơ đồ cấu hình tạo Vòng Bi Cầu Rãnh Sâu SKF 6207-2Z/AEM3/C3 với dây thép hai đầu:
- Vòng trong/ngoài: Được chế tạo từ thép chịu lực cao, cùng với khu vực Yên tĩnh, chịu tải chính.
- Bi cầu: Sản phẩm sản xuất từ thép siêu chính xác và được xử lý nhiệt đặc biệt để giảm độ cứng, tăng cường độ cứng và độ bền.
- Vòng cách: Làm bằng thép tấm (Tấm kim loại), có chức năng giữ các thành viên bi cách đều nhau, đảm bảo vòng bi vận hành ái và ổn định.
- Cap thép (2Z): Đây là dạng đặc biệt của loại vòng bi này. Hai tấm thép được làm từ các tấm thép, gắn chặt vào vòng bên ngoài và có một khe hở nhỏ không tiếp giáp với vòng trong. “2Z” chỉ ra rằng vòng bi có dây cáp như vậy ở cả hai bên. Các sản phẩm này cung cấp khả năng bảo vệ tốt chống lại bụi bẩn và các hạt xâm nhập từ cả hai phía. Ưu điểm của sản phẩm thép không tiếp xúc là tạo ra ma sát cực thấp, cho phép vòng bi đạt được tốc độ quay cao và được tra mỡ sẵn từ nhà máy.
4. Phân Tích Chuyên Sâu: Ký Hiệu 2Z, AEM3 và C3 của SKF 6207-2Z/AEM3/C3
Để thực sự hiểu được giá trị của vòng bi SKF 6207-2Z/AEM3/C3, việc phân tích sâu hơn về các yếu tố thì chốt: “ký hiệu 2Z, AEM3 và C3” là rất quan trọng.
Ký hiệu “2Z” – Hai sản phẩm thép không tiếp xúc:
- Chức năng chính: Cung cấp khả năng làm kín tốt, bảo vệ vòng bi khỏi bụi bẩn, các hạt lớn từ cả hai phía và giúp giữ mỡ bôi trơn bên trong.
- Đặc điểm nổi bật: Là loại dây thép “không tiếp xúc” (Tấm leo tiếp xúc). Điều này có nghĩa là các loại thép không trực tiếp tiếp vào vòng trong vòng bi, tạo ra một khe hở nhỏ.
- Ưu điểm vượt trội:tình yêu tiếp xúc, ma sát trong vòng bi là cực kỳ thấp, cho phép vòng bi đạt được tốc độ quay cao (mặc dù tốc độ giới hạn cụ của AEM3 là 10000 vòng/phút). Điều này giúp cho cơ thể cảm thấy mát xa hơn và mang lại hiệu quả cao hơn so với các loại cảm xúc cao su tiếp theo. Vòng bi 2Z được tra mỡ sẵn từ nhà máy, giúp giảm đáng kể nhu cầu bảo trì định kỳ trong các ứng dụng thông thường.
- Chế độ: Mặc dù tốt để ngăn bụi lớn, khả năng làm kín của sản phẩm thép không hiệu quả bằng cách sử dụng nhựa cao su (2RS1) trong công việc làm sạch, nước hoặc chất thải.
Ký hiệu “C3” – Khe hở hướng tâm trí lớn hơn tiêu chuẩn:
- “C3” chỉ ra rằng vòng bi có chiều hướng lớn hơn tiêu chuẩn (Giải phóng mặt bằng thông thường).
- Ưu điểm của C3: Khe hở C3 rất quan trọng trong các ứng dụng có nhiệt độ hoạt động cao, nơi các bộ phận của vòng bi sẽ giãn nở do nhiệt, làm giảm khe hở ngăn chặn đầu. Với khe hở C3, vòng bi có thể duy trì hoạt động ổn định và giảm nguy cơ tắc bi hoặc tăng ma sát do giãn nở nhiệt. Ngoài ra, khe hở C3 cũng phù hợp khi vòng bi được gắn chặt (vừa) lên xẹp hoặc gối hỗ trợ, vì kiểu gắn này cũng làm giảm khe hướng tâm.
Ký hiệu “AEM3” – Đặc tính nội bộ của SKF:
- “AEM3” là đặc tính phụ thuộc nhóm ký hiệu của SKF, thường được chỉ định là một đặc tính có thể về thiết kế nội bộ, cách xử lý vật liệu vòng, loại mỡ đặc biệt hoặc quá trình sản xuất được điều chỉnh.
- Ảnh hưởng đến hiệu suất: Các ký hiệu như AEM3 thường không được công bố chi tiết rộng rãi về ý nghĩa chính xác, nhưng chúng biết vòng bi có một số điều chỉnh để phiên bản tiêu chuẩn phù hợp với một số ứng dụng yêu cầu ứng dụng. Trong trường hợp này, nó có thể là yếu tố ảnh hưởng đến tốc độ giới hạn cụ thể là 10000 vòng/phút, hoặc cung cấp độ bền/tuổi tối ưu trong một số điều kiện vận động hành động nhất định.
Sự kết hợp của Sản phẩm thép bảo vệ kép, ma sát, tra mỡ sẵn), khe “C3” (cho nhiệt độ cao/lắp chặt) và ký hiệu “AEM3” (đặc tính tối ưu hóa riêng) làm cho SKF 6207-2Z/AEM3/C3 trở thành một giải pháp vòng mạnh và bền bỉ, phù hợp cho ứng dụng đòi hỏi cao về tốc độ, khả năng bảo vệ và hiệu suất ổn định trong chế độ tự động điều kiện điều kiện.
5. Ưu điểm và nhược điểm của Vòng Bi SKF 6207-2Z/AEM3/C3
Vòng bi SKF 6207-2Z/AEM3/C3 là lựa chọn phù hợp cho nhiều ứng dụng nhờ khả năng bảo vệ tốt, chịu được tốc độ cao và phù hợp với điều kiện nhiệt độ. Tuy nhiên, cũng cần cân nhắc các ưu và nhược điểm của nó để lựa chọn phù hợp nhất.
Ưu điểm nổi bật:
- Bảo vệ bụi vượt trội: Với hai sản phẩm thép (2Z) ở cả hai phía, vòng bi được bảo vệ rất tốt khỏi bụi bụi và các hạt bụi xâm nhập từ môi trường bên ngoài, kéo dài tuổi thọ làm việc.
- Ma sát thấp và sinh nhiệt ít: Mũ thép là loại không tiếp xúc, giúp giảm thiểu ma sát kể vì vậy với áp dụng cao su, từ đó giảm sinh nhiệt và tăng hiệu quả năng lượng.
- Tốc độ quay cao:Dễ thương, vòng bi có hoạt động ở tốc độ giới hạn 10000 vòng/phút, phù hợp cho nhiều ứng dụng yêu cầu hiệu suất cao.
- Tra mỡ sẵn: Vòng bi được tra mỡ sẵn từ nhà máy (thường là mỡ chất lượng cao) và được coi là bôi trơn đời trong điều kiện hoạt động bình thường, giảm dần kể công tác bảo trì định kỳ.
- Khe C3: Phù hợp cho các ứng dụng có nhiệt độ hoạt động cao hoặc khi vòng bi được gắn với cường độ (phù hợp với nhiễu) trên trục lăn, giúp duy trì khe hở hoạt động tối ưu và tránh bị kẹt.
- Thiết kế đơn giản, chắc chắn: Vòng bi chuyên ngành sâu là loại vòng bi phổ biến, có cấu tạo đơn giản, dễ lắp đặt.
Nhược điểm cần lưu ý:
- Khả năng làm kín khít với chất liệu: Mặc dù hiệu quả với bụi khô, sản phẩm thép thép (2Z) không có khả năng làm kín khít bằng phun cao su (2RS1) khi môi trường có nước, hơi ẩm hoặc chất hóa học.
- Chi phí cao hơn: Do tính năng bảo vệ và chất lượng cao, vòng bi 2Z/AEM3/C3 thường có giá thành cao hơn so với các loại vòng bi mở (không có dây thép) hoặc chỉ có dây thép (Z).
- Tốc độ giới hạn: Mặc dù cao, tốc độ giới hạn 10000 vòng/phút có thể thấp hơn một số khác chuẩn bi 2Z vòng (thường là 13000 vòng/phút), điều này có thể liên kết với AEM3 suffix và khác mục tiêu tối ưu hóa của nó.
6. Ứng dụng Thực Tế của Vòng Bi SKF 6207-2Z/AEM3/C3
Với khả năng chịu đựng tốc độ cao, ma sát thấp và đặc biệt là khả năng bảo vệ bụi từ hai phía cùng với khe hở C3 phù hợp cho nhiệt độ cao hoặc gắn vòng bi SKF 6207-2Z/AEM3/C3 là lý tưởng lựa chọn cho các ứng dụng công nghiệp đa dạng, đặc biệt là trong môi trường có Bụi hoặc nơi cần hoạt động ổn định dưới mức độ biến đổi nhiệt độ:
- Động cơ điện: Rất phù hợp cho các động cơ điện công suất lớn, nơi yêu cầu tốc độ cao, độ bền và khả năng chịu nhiệt tốt, đồng thời giảm thiểu bảo trì để có sẵn lượng mỡ dồi dào.
- Hộp số công nghiệp: Trong hộp số hoạt động ở tốc độ và tải trọng cao, nơi nhiệt độ có thể tăng lên, khe hở C3 giúp duy trì hiệu suất ổn định.
- Máy nén và quạt công nghiệp: Các loại máy bơm và quạt yêu cầu hiệu suất cao, hoạt động liên tục trong môi trường có bụi hoặc nhẹ nhàng.
- Thiết bị chế độ biến gỗ và loại kim: Máy cưa, máy phay, máy tiện hoạt động thường xuyên trong môi trường có nhiều bụi (mùn cưa, phoi kim loại), Yêu cầu vòng bi phải có khả năng làm kín tốt.
- Hệ thống tải xuống và truyền tải băng thông: Trong các hệ thống băng tải, truyền tải cần có độ tin cậy cao, đặc biệt là ở những vị trí khó tiếp cận để bảo trì, nhờ khả năng có sẵn chất béo.
- Thiết bị nông nghiệp và xây dựng: Các máy móc hoạt động ngoài trời, tiếp xúc với bụi bẩn và điều kiện khắc nghiệt, cần có khả năng bảo vệ tốt.
- Máy phát điện.
7. Hướng dẫn cài đặt và gỡ bỏ SKF 6207-2Z/AEM3/C3
Để đảm bảo tuổi thọ và hiệu suất tối ưu cho vòng bi SKF 6207-2Z/AEM3/C3, cách lắp đặt và gỡ bỏ chính xác là vô cùng quan trọng. luôn luôn thủ các nguyên tắc an toàn và kỹ thuật của các nhà sản xuất. Mecsu cung cấp hướng dẫn chi tiết dựa trên kinh nghiệm thực tế:
- Chuẩn bị: Đảm bảo môi trường làm việc sạch sẽ, khô ráo. Chuẩn bị đầy đủ các dụng cụ chuyên dụng như ống lót, búa mềm, dụng cụ ép, máy gia nhiệt (nếu cần). Luôn đeo dây bảo vệ và kính bảo hộ để đảm bảo an toàn. Kiểm tra khí cụ và gối phải sạch sẽ, không có lỗ hổng và bảo đảm sai dung dịch. Lưu ý quan trọng: Vòng bi này đã được tra mỡ sẵn từ nhà máy (2Z), nên không cần tra mỡ ban đầu trong hầu hết các trường hợp, trừ khi có yêu cầu đặc biệt về loại mỡ hoặc điều kiện vận động cực kỳ khắc nghiệt.
- Lắp đặt:
- Phương pháp cơ khí: Đối với vòng bi có kích thước này, việc sử dụng ống lót và búa (búa mềm) vẫn khả thi nếu hoạt động lực đều và đúng vào vòng trong.
- Phương pháp gia nhiệt: Đây là phương pháp tối ưu cho vòng bi có đường kính trong 35mm, đặc biệt khi có khe hở C3. Gia nhiệt vòng bi bằng thiết bị gia nhiệt chuyên dụng (ví dụ: SKF Induction Heater) đến nhiệt độ khoảng 80-100°C. Vòng bi sẽ giãn nở, dễ dàng lắp vào trục mà không cần dùng lực lớn. Đảm bảo vòng lặp được đặt đúng vị trí trước khi ngừng hoạt động. Tuyệt đối không gia nhiệt bằng ngọn lửa trực tiếp hoặc nhiệt độ quá cao.
- Lưu ý: Đảm bảo vòng bi được gắn thẳng, không bị lệch hoặc kẹt. Với vòng bi 2Z, công việc định hướng không quá quan trọng vì cả hai mặt đều được bảo vệ.
- Gỡ bỏ:
- Sử dụng cả chuyên gia hỗ trợ (cảo cơ hoặc thủy lực cách phù hợp với vòng bi kích thước) để xoay vòng bi một cách an toàn và không gây hư hỏng cho xẹp hoặc gối hỗ trợ. Tác dụng lực đều và đúng ở vòng trong (khi rút xẹp) hoặc vòng ngoài (khi rút gối).
- Đối với các trường hợp khó khăn, có thể sử dụng phương pháp gia nhiệt vòng trong (nếu rút trục vít) hoặc vòng ngoài (nếu rút gối hỗ trợ) để giãn nở, giúp tháo gỡ dễ dàng hơn.
- Tránh dùng đập trực tiếp lên các sinh vật học hoặc các bộ phận khác có thể gây ra các dạng biến đổi, hư hỏng. Việc này không chỉ làm hỏng vòng bi mà còn tiềm ẩn nguy hiểm.
- Người bảo vệ: Nếu không sử dụng ngay, hãy giữ vòng bi trong bao bì gốc của nhà sản xuất, ở nơi khô ráo, thoáng mát, tránh ánh nắng trực tiếp và các chất hóa học ăn mòn để ngăn chặn sét và bụi nguy hiểm xâm nhập.
8. So Sánh Vòng Bi 6207-2Z/AEM3/C3 with Các Loại 6207 khác
Việc hiểu rõ sự khác biệt giữa các loại vòng bi 6207 SKF sẽ giúp bạn lựa chọn sản phẩm phù hợp nhất cho ứng dụng của mình, tối ưu hóa hiệu suất và chi phí đầu tư. Bảng so sánh dưới đây tập trung vào các loại khác nhau giữa các loại keo, bôi trơn và khướt:
| Tiêu chí | SKF 6207-2Z/AEM3/C3 (2 nắp thép, C3) | SKF 6207-2Z (2 Thép, CN) | SKF 6207-Z (1 Nắp thép, CN) | SKF 6207-2RS1 (2 Phớt cao su, CN) | SKF 6207 (Mở, CN) |
|---|---|---|---|---|---|
| Chất liệu/Chắc chắn | Mũ thép (Shield) – 2 bên (Không tiếp xúc) | Mũ thép (Shield) – 2 bên (Không tiếp xúc) | Mũ thép (Shield) – 1 bên (Không tiếp xúc) | Phớt cao su (NBR) – 2 bên (Tiếp xúc) | Không có leo/nào (Mở) |
| Khả năng làm kín | Tốt (chuỗi bụi lớn ở phía sau) | Tốt (chuỗi bụi lớn ở phía sau) | Trung Bình (Rút bụi về một phía) | Vượt trội (ngăn bụi, nước, giữ mỡ tối đa) | Siêu tiết kiệm (dễ bị bụi bẩn, mỡ máu) |
| Khe khe hướng kính | C3 (Lớn hơn tiêu chuẩn) | CN (Tiêu chuẩn) | CN (Tiêu chuẩn) | CN (Tiêu chuẩn) | CN (Tiêu chuẩn) |
| Tốc độ quay tối đa | 10000 vòng/phút (Giới hạn) | 13000 vòng/phút (Giới hạn) | 13000 vòng/phút (Giới hạn) | 8000 vòng/phút ( Giới hạn, thấp hơn) | 20000 vòng/phút ( Giới hạn, cao nhất) |
| Khả năng chống ẩm/lỏng | Trung bình (số lượng lớn bụi) | Trung bình (số lượng lớn bụi) | Kém (một khoảng, chỉ ngăn bụi lớn) | Rất tốt | Rất kém |
| Tra mỡ sẵn | Có (Trà mỡ có sẵn từ nhà máy) | Có (Trà mỡ có sẵn từ nhà máy) | Không (Cần tra mỡ khi gắn) | Có (Trà mỡ sẵn đời) | Không (Cần bôi trơn liên tục) |
| Nhu cầu bảo trì | Low (bôi trơn sẵn từ nhà) | Low (bôi trơn sẵn từ nhà) | Trung bình (cần bôi trơn và có thể định nghĩa) | Rất thấp (bôi trơn đời sống trong môi trường bình thường) | Cao (cần bôi trơn bất kỳ hoặc bôi trơn liên tục từ bên ngoài hệ thống) |
| Độ âm / Rung động | Very low (làm ma sát) | Very low (làm ma sát) | Thấp (do ma sát thấp) | Thấp (có thể cao hơn 2Z một chút do ma sát) | Thấp |
| Giá thành | Cao hơn 2Z tiêu chuẩn | Trung bình cao | Trung bình (rẻ hơn 2Z và 2RS1) | Cao nhất | Thấp nhất |
| Ứng dụng điển hình | Động cơ điện, hộp số, máy thổi, quạt công nghiệp, máy công cụ, nơi cần tốc độ cao, ma sát thấp, bảo vệ tốt khỏi bụi và môi trường có nhiệt độ cao hoặc gắn chặt. | Động cơ điện, máy hút, quạt công nghiệp, máy công cụ, hộp số, nơi cần tốc độ cao, ma sát và môi trường tương đối sạch, được tra mỡ sẵn. | Động cơ điện, hộp số, máy bơm, quạt trong môi trường tương đối sạch hoặc có hệ thống bôi trơn tập trung, nơi cần tốc độ cao và linh hoạt bôi trơn. | Máy nông nghiệp, máy xây dựng, thiết bị chế biến thực phẩm, máy rửa xe, công nghiệp khai thác mỏ, nơi cần bảo vệ tối đa khỏi ô nhiễm ô nhiễm nhiễm (bụi, nước, hóa chất) và duy trì bôi trơn. | Thiết bị cần tốc độ cực cao, môi trường rất sạch sẽ, có hệ thống bôi trơn bên ngoài hoặc các ứng dụng không mở rộng, nơi yêu cầu hiệu suất tối đa. |
9. Cách Phân Biệt Vòng Bi SKF 6207-2Z/AEM3/C3 Thật Giả – Lời Khuyên Từ Chuyên Gia Mecsu
Thị trường hiện nay có rất nhiều hàng giả, hàng giả chất lượng, đặc biệt là với các sản phẩm vòng bi SKF chính hãng được ưa chuộng. Để đảm bảo bạn mua được vòng bi SKF 6207-2Z/AEM3/C3 chính hãng tại TP.HCM, Mecsu khuyến nghị kiểm tra các dấu hiệu sau:
a. Dấu hiệu của vòng bi SKF 6207-2Z/AEM3/C3 chính hãng :
- Bao bì chất lượng cao: Sắc nét, màu xanh đặc trưng của SKF, sản phẩm thông tin rõ ràng, đầy đủ mã vạch/QR code và thông tin xuất xứ. Bạn sẽ tìm thấy công nghệ trong từng chi tiết.
- In ấn trên vòng bi sắc nét: Logo SKF, sản phẩm mã hóa hóa (6207-2Z/AEM3/C3) và quốc gia sản xuất được in hoặc khắc laser sắc nét, rõ ràng, không lem, không sai phông chữ, rất khó bị tẩy xóa.
- Mã QR/Bar code xác thực: Có thể quét bằng ứng dụng “SKF Authenticate” trên điện thoại di động thông minh để xác thực nguồn gốc và tính chính hãng của sản phẩm. Đây là công cụ hữu ích nhất của SKF để chống hàng giả.
- Tấm thép chắc chắn (2Z) hoàn thiện: Các sản phẩm được lắp đặt chắc chắn, không có khe hở bất ngờ, không bị phức tạp hay đa dạng. Bề mặt sản phẩm sáng bóng, không đặt.
- Cảm giác vận động mượt mà: Khi quay vòng bi bằng tay, bạn sẽ cảm nhận được tốc độ mượt mà, trơn tru, ít ma sát. Không có tiếng kêu lạ hoặc cảm giác giác.
- Chứng từ đầy đủ: Nhà cung cấp uy tín sẽ cung cấp đầy đủ “CO” (chứng nhận xuất xứ) và “CQ” (chứng nhận chất lượng) từ nhà sản xuất, đảm bảo nguồn gốc và chất lượng sản phẩm.
b. Dấu hiệu của vòng bi SKF 6207-2Z/AEM3/C3 hàng giả/nhái:
- In ấn mờ nhạt, sai chính tả, phông chữ lạ, thiếu thông tin hoặc không chính xác trên cả bao bì và vòng bi.
- Bao bì thô, màu trôi chuẩn SKF, thiếu thông tin quan trọng hoặc có dấu hiệu làm lại.
- Nắp thép có thể bị bung, cong, sét hoặc không khí.
- Không có mã QR hoặc mã hóa không quét được hoặc quét ra thông tin không khớp với sản phẩm chính hãng.
- Khi quay tay có tiếng kêu lạo xạo, cảm giác giác, nặng, hoặc độ rơ bất thường làm gia công chính xác.
- Giá bán rẻ bất ngờ so với thị trường của các sản phẩm chính hãng – đây là dấu hiệu cảnh báo lớn nhất.

10. Giá Bán & Gợi Ý Mua Vòng Bi SKF 6207-2Z/AEM3/C3 Chính Hãng Tại TP.HCM
a. Giá vòng bi SKF 6207-2Z/AEM3/C3 (TP.Hồ Chí Minh) tại Mecsu: 208,354 đ/ Cái (đã có VAT) – Giá hợp lý, phù hợp với chất lượng sản phẩm chính hãng
Liên hệ để nhận báo giá tốt nhất (giá có thể thay đổi tùy thời điểm và số lượng) – Giá hợp lý, phù hợp với chất lượng sản phẩm chính hãng SKF tại thị trường vòng bi TP.HCM.
b. Gợi ý mua vòng bi chính hãng SKF uy tín
- Chọn nhà cung cấp uy tín tại TP.HCM: Ưu tiên đối tác có bằng chứng nhận từ SKF hoặc đơn vị lâu năm, được nhiều khách hàng tin tưởng và có danh tiếng trên thị trường cung cấp linh kiện cơ khí tại TP.HCM.
- Kiểm tra chứng từ đầy đủ: Luôn yêu cầu đầy đủ “CO” (chứng nhận xuất xứ) và “CQ” (chứng nhận chất lượng) để đảm bảo nguồn gốc và chất lượng của sản phẩm. Điều này giúp bạn tránh mua phải “vòng bi SKF giả” trên thị trường.
-
- 100% sản phẩm chính hãng: Đảm bảo nguồn gốc rõ ràng, đầy đủ chứng từ. Chúng tôi cam kết hoàn tiền 100% hoặc đổi trả nếu sản phẩm không thuộc loại công thức chính.
- Chính sách bảo hành minh bạch: Hỗ trợ đổi trả nếu nhà sản xuất gặp lỗi, mang lại sự an tâm tuyệt đối cho khách hàng.
- Hỗ trợ kỹ thuật chuyên sâu: Đội ngũ kỹ sư giàu kinh nghiệm sẵn sàng hỗ trợ bạn về kỹ thuật và lựa chọn sản phẩm phù hợp nhất cho mọi ứng dụng.
- Giá cả cạnh tranh: Đảm bảo giá tốt nhất đi kèm chất lượng, với chính sách chiết khấu hấp dẫn cho đơn hàng số lượng lớn, đặc biệt khi “mua vòng bi SKF số lượng lớn”.
MUA THÊM NHIỀU LOẠI VÒNG BI CHÍNH HÃNG KHÁC TẠI MECSU
11. Câu hỏi thường gặp về Vòng Bi SKF 6207-2Z/AEM3/C3
a. Vòng bi SKF 6207-2Z/AEM3/C3 có cần bảo dưỡng, tra mỡ không?
Vòng bi SKF 6207-2Z/AEM3/C3 được mua sẵn từ nhà máy (có ký hiệu 2Z). Trong hầu hết các điều kiện hoạt động bình thường, vòng bi này được thiết kế để hoạt động “bôi trơn đời” và không yêu cầu tái bôi trơn. Tuy nhiên, trong các điều kiện khắc nghiệt như nhiệt độ quá cao, tốc độ cực nhanh hoặc môi trường siêu thương, việc kiểm tra và tái bôi trơn bất kỳ có thể cần thiết. Luôn tham khảo công cụ hướng dẫn của SKF cho ứng dụng của bạn.
b. Chữ “2Z” trong mã SKF 6207-2Z/AEM3/C3 có ý nghĩa gì?
- Chữ “2Z” chỉ vòng bi có hai dây thép ở cả hai bên. Các sản phẩm này là loại không tiếp xúc, giúp ngăn chặn bụi bẩn và các hạt xâm nhập từ cả hai phía, đồng thời giữ mỡ bôi trơn bên trong.
c. Chữ “C3” trong mã SKF 6207-2Z/AEM3/C3 có ý nghĩa gì?
- Chữ “C3” chỉ ra rằng vòng bi có chiều hướng lớn hơn tiêu chuẩn (Giải phóng mặt bằng thông thường). Điều này phù hợp cho các ứng dụng có nhiệt độ hoạt động cao hoặc khi vòng bi được gắn với độ khít (khớp vừa vặn), giúp duy trì hiệu suất ổn định và tránh bịt kín.
d. Hậu tố “AEM3” trong mã SKF 6207-2Z/AEM3/C3 có ý nghĩa gì?
AEM3 là một bộ ký hiệu nội bộ của SKF. Nó thường chỉ định một công cụ cụ thể về vật liệu, quy trình xử lý nhiệt hoặc thiết kế của vòng và bi hoặc loại mỡ đặc biệt được sử dụng. Ký hiệu này có thể ảnh hưởng đến các đặc tính như độ bền, khả năng tải hoặc giới hạn tốc độ của vòng bi, giải thích lý do tốc độ giới hạn là 10000 vòng/phút.
đ. Vòng bi SKF 6207-2Z/AEM3/C3 có phải là vòng bi chịu nhiệt không?
Có, với khe C3, vòng bi này được thiết kế để chịu được nhiệt độ hoạt động cao hơn so với vòng bi có khe tiêu chuẩn (CN). Khen ngợi lớn hơn cho phép các bộ phận của vòng giãn nở do nhiệt mà không làm giảm quá hạn chế hoạt động, giúp tránh tăng sự căng thẳng và thư giãn bi. Tuy nhiên, khả năng chịu nhiệt độ tối đa cũng phụ thuộc vào loại mỡ bôi trơn được cung cấp sẵn bên trong.
f. Làm sao biết vòng bi 6207-2Z/AEM3/C3 của tôi là hàng chính hãng SKF?
Điều quan trọng nhất, hãy sử dụng ứng dụng SKF Authenticate để quét mã và kiểm tra trực tiếp từ SKF. Đây là cách chắc chắn nhất để phân biệt vòng bi SKF thật.
g. Khi nào cần thay thế vòng bi 6207-2Z/AEM3/C3?
Bạn nên thay thế vòng bi khi nhận được các dấu hiệu sau:
- Tiếng ồn bất thường: Tiếng kêu lạo xạo, rít, hoặc kêu khi vòng bi quay, báo hiệu bi hoặc rãnh bị mòn.
- Tăng nhiệt độ: Quá trình tăng nhiệt độ vòng bất thường xảy ra trong quá trình hoạt động, có thể quá tải hoặc hư hỏng bên trong.
- Độ cao lớn: Thiết bị hoạt động có mức độ tăng lên đáng kể, ảnh hưởng đến hiệu suất và có thể gây nguy hiểm cho các bộ phận khác.
- Biến dạng vật lý: Mũ thép bị cong, rách hoặc vòng bi bị mòn, sét.
- Vòng bi bị khóa hoặc không được xóa.
Kinh nghiệm của các kỹ sư Mecsu: Đối với vòng bi 6207-2Z/AEM3/C3, mặc dù dù được tra mỡ sẵn, việc giám sát định kỳ ồn ào và nhiệt độ vẫn rất quan trọng để phát hiện sớm các dấu hiệu thay thế, tránh gây tổn hại nghiêm trọng hơn cho toàn hệ thống. Đừng ngần ngại liên hệ với chúng tôi để được hỗ trợ kỹ thuật về bảo trì vòng bi hoặc thay thế vòng bi.
h. Mua vòng bi SKF 6207-2Z/AEM3/C3 chính hãng, uy tín ở đâu tại TP.HCM?
- Cam kết chất lượng: 100% sản phẩm có nguồn gốc rõ ràng, đầy đủ chứng từ CO, CQ. Chúng tôi cam kết hoàn tiền 100% hoặc đổi trả nếu sản phẩm không phải của công ty chính thức.
- Giá cả cạnh tranh: Đảm bảo giá tốt nhất đi kèm chất lượng, với chính sách chiết khấu hấp dẫn cho đơn hàng số lượng lớn, đặc biệt khi “mua vòng bi SKF số lượng lớn”.
- Tư vấn chuyên sâu: Đội ngũ kỹ sư giàu kinh nghiệm sẵn sàng hỗ trợ bạn về kỹ thuật và lựa chọn sản phẩm phù hợp nhất.
- Chính sách hậu mãi: Đảm bảo quyền lợi tối đa cho khách hàng với dịch vụ hỗ trợ nhanh chóng, tận tâm.
MUA THÊM NHIỀU LOẠI VÒNG BI CHÍNH HÃNG KHÁC TAI MECSU
12. Liên Hệ và Hỗ Trợ Tư Vấn Vòng Bi SKF
Nếu bạn có bất kỳ thắc mắc nào về vòng bi SKF 6207-2Z/AEM3/C3 hoặc cần tư vấn về giải pháp vòng bi cho ứng dụng cụ thể của mình, đừng ngần ngại liên hệ với đội ngũ chuyên gia của Mecsu. Chúng tôi luôn sẵn sàng hỗ trợ bạn tìm ra sản phẩm phù hợp và tối ưu nhất.
Địa chỉ: B28/I – B29/I Đường số 2B, KCN Vĩnh Lộc, P. Bình Hưng Hòa B, Q. Bình Tân, TP.HCM
Đường dây nóng: 1800 8137
Email: [email protected]
Trang web: mecsu.vn
13. Thông Tin Bổ sung & Kinh nghiệm Thực Tế Từ Mecsu
Một. Kinh nghiệm Thực Tế & Câu Chuyện Thành Công
Tại Mecsu, chúng tôi tự hào là đối tác đáng tin cậy của nhiều doanh nghiệp trong việc cung cấp các giải pháp chất lượng cao vòng vòng. “Vòng bi SKF 6207-2Z/AEM3/C3”, với khả năng bảo vệ chắn bụi, ma sát thấp, và đặc biệt phù hợp với các ứng dụng nhiệt độ cao hoặc yêu cầu gắn bó khe cắm C3, đã được ứng dụng trong nhiều dự án quan trọng của khách hàng chúng tôi tại “TP. Hồ Chí Minh” và các điểm lân cận, mang lại hiệu quả vượt trội và là minh chứng cho chất lượng sản phẩm cùng kinh nghiệm thực tế của đội ngũ Mecsu:
- Công nghiệp ô tô và xe máy: Trong các bộ phận truyền động, động cơ, nơi cần sự bền bỉ, khả năng chịu nhiệt và ít bảo trì.
- Máy móc nông nghiệp: Hoạt động trong môi trường nhiều bụi bẩn, Yêu cầu vòng bi phải được bảo vệ tốt và có tuổi thọ cao.
- Thiết bị điện tử công nghiệp: Các thiết bị cần hoạt động tiểu ái, chính xác và đáng tin cậy trong các dây chuyền sản xuất.
- Hệ thống thông gió và điều hòa không khí: Trong quạt công nghiệp, hệ thống HVAC, nơi vòng bi hoạt động liên tục và cần khả năng chống bụi bụi tốt.
b. Trích Dẫn Chuyên Gia
““SKF 6207-2Z/AEM3/C3” là một giải pháp vòng đáng tin cậy cho các ứng dụng yêu cầu sự hợp lý, tốc độ hoạt động cao và đặc biệt là khả năng chịu nhiệt độ biến đổi C3. Đây là lý do nên lựa chọn để giảm thiểu bảo trì và tăng tuổi thọ thiết bị trong nhiều công việc.”
— “Kỹ sư cơ khí Chuyên gia kỹ thuật Mecsu” (TP. Hồ Chí Minh) – Với hơn 10 năm kinh nghiệm trong lĩnh vực “bạc đạn công nghiệp”.
c. Tài Liệu Tham Khảo và Nghiên Cứu
Nội dung bài viết này được biên soạn dựa trên các tài liệu kỹ thuật chính quy và đáng tin cậy của SKF , cùng với kinh nghiệm thực tế chuyên sâu của đội ngũ kỹ sư Mecsu, đảm bảo tính chính xác, cập nhật và chuyên môn môn môn cao:
- Danh mục sản phẩm SKF (Danh mục sản phẩm SKF chính thức) – Nguồn dữ liệu kỹ thuật chi tiết nhất về “vòng bi SKF”.
- Tài liệu kỹ thuật SKF Explorer – Vòng bi ngành sâu (Thông tin chuyên sâu về “vòng bi cầu sâu SKF Explorer”) – Cung cấp cái nhìn toàn diện về thế hệ vòng bi bền bỉ này.
- Bảng dữ liệu kỹ thuật (Datasheet) chi tiết của SKF 6207-2Z/AEM3/C3 – Nguồn thông số kỹ thuật chính xác.
- Trải nghiệm thực tế và phản hồi từ các dự án khách hàng của Mecsu – “Dữ liệu độc nhất” được thu thập từ hơn 10 năm cung cấp “linh kiện cơ khí” và “giải pháp vòng bi” cho doanh nghiệp tại Việt Nam.
Biên soạn bởi: Đội ngũ kỹ sư Mecsu
(Xem thêm thông tin về chúng tôi tại Website Mecsu )
Lưu ý: Hình ảnh sản phẩm có thể khác biệt so với sản phẩm thực tế của SKF. Vui lòng tham khảo thông số kỹ thuật chi tiết hoặc liên hệ Mecsu để có thông tin chính xác nhất về sản phẩm.



















Đánh giá
Chưa có đánh giá nào.