Mô tả sản phẩm
Thông tin CHUYÊN SÂU về Vòng Bi Cầu Rãnh Sâu SKF 6207-2Z/AEM3 (35x72x17) Cánh Thép (Hai Bên)
Mục Lục
- 1. Vòng Bi SKF 6207-2Z/AEM3 Là Gì? – Giải Thích Chuyên Sâu
- 2. Thông Số Kỹ Thuật Chi Tiết Của Vòng Bi Cầu SKF 6207-2Z/AEM3
- 3. Cấu hình Chi Tiết Vòng Bi SKF 6207-2Z/AEM3
- 4. Phân Tích Chuyên Sâu: Nắp Chắn Thép 2Z và Đặc Tính AEM3 của SKF 6207-2Z/AEM3
- 5. Ưu và nhược điểm của Vòng Bi SKF 6207-2Z/AEM3
- 6. Ứng dụng Thực Tế của Vòng Bi SKF 6207-2Z/AEM3
- 7. Hướng Dẫn Đặt và Tháo Tháo SKF 6207-2Z/AEM3
- 8. So Sánh Vòng Bi 6207-2Z/AEM3 với Các Loại 6207 Khác
- 9. Cách Phân Biệt Vòng Bi SKF 6207-2Z/AEM3 Thật – Giả – Lời Khuyên Từ Chuyên Gia Mecsu
- 10. Giá Bán & Gợi Ý Mua Vòng Bi SKF 6207-2Z/AEM3 Chính Hãng Tại TP.HCM
- 11. Câu hỏi thường gặp về Vòng Bi SKF 6207-2Z/AEM3
- 12. Liên Hệ và Hỗ Trợ Tư Vấn Vòng Bi SKF
- 13. Thông Tin Bổ Sung & Kinh nghiệm Thực Tế Từ Mecsu
1. Vòng Bi SKF 6207-2Z/AEM3 Là Gì? – Giải Thích Chuyên Sâu
Vòng bi cầu rãnh sâu SKF 6207-2Z/AEM3 là một loại vòng bi đa năng, được thiết kế để cung cấp hiệu suất cao trong các ứng dụng Yêu cầu tốc độ quay nhanh và ma sát, đồng thời có khả năng bảo vệ khỏi bụi bẩn và các vật thể lạ, đặc biệt phù hợp cho các công cụ điều kiện hoạt động. Mã “6207” chỉ kích thước với đường kính trong (d) 35mm, đường kính ngoài (D) 72mm chiều dày (B) 17mm.
Hậu tố “-2Z” biểu thị vòng bi này được trang bị hai sản phẩm thép làm từ thép mạnh (hoặc kim loại) ở cả hai bên. Sản phẩm cáp dây này được cố định ở bên ngoài vòng bi và có một khe nhỏ không kết nối với vòng trong. Thiết kế “không tiếp xúc” (tấm dây không tiếp tục) này là đặc điểm nổi bật, giúp giảm thiểu ma sát đến mức tối thiểu, từ đó cho phép vòng bi hoạt động ở tốc độ quay rất cao – lên đến 10.000 vòng/phút tốc độ giới hạn và 20.000 tốc độ vòng tham chiếu. Đồng thời, nó cung cấp khả năng bảo vệ chống lại bụi bẩn, các hạt lớn và các loại rắn rắn xâm nhập vào bên trong vòng bi, đồng thời giữ mỡ bôi trơn được cung cấp sẵn từ nhà máy.
Hậu tố “/AEM3” là một định nghĩa đặc biệt của SKF, thường liên quan đến các đặc tính tối ưu hóa cho vòng bi, ví dụ như cho các ứng dụng động cơ điện, Yêu cầu giảm tiếng ồn và mức độ giảm thiểu. Mặc dù thông tin chi tiết về đặc tính chính xác của “AEM3” không được công bố rộng rãi như các loại hậu tố về khe hở (ví dụ C3), nó chỉ dừng một biến có thể được sản xuất với độ chính xác cao hoặc sử dụng vật liệu/thiết kế vòng đặc biệt để đáp ứng khả năng yêu cầu của chuyên ngành công cụ cơ sở, nơi cần hoạt động trong tình trạng đáng tin cậy. Vòng bi này thường có định hướng tiêu chuẩn (CN) tiêu chuẩn nếu không có định nghĩa khác về khe hở.
2. Thông Số Kỹ Thuật Chi Tiết Của Vòng Bi Cầu SKF 6207-2Z/AEM3
d: Đường kính trong
D: Đường kính ngoài
B: Bề dày
C: Tải cơ sở dữ liệu danh sách
C0: Tải danh sách cơ sở dữ liệu tĩnh
| Thông số | Giá trị |
|---|---|
| Mã sản phẩm | 6207-2Z/AEM3 |
| Loại vòng bi | Vòng Bi Cầu Rãnh Sâu (Vòng Bi Rãnh Sâu) |
| Đường kính trong (d) | 35 mm |
| Đường kính ngoài (D) | 72 mm |
| Bề dày (B) | 17 mm |
| Tải cơ sở dữ liệu quan trọng (C) | 27 kN |
| Tải quan trọng cơ sở dữ liệu danh sách (C0) | 15,3 kN |
| Tốc độ tham chiếu | 20 000 vòng/phút |
| Tốc độ giới hạn | 10 000 vòng/phút |
| Lớp hiệu suất SKF | SKF Explorer |
| Rãnh tra bi | Không có |
| Số dòng | 1 |
| Phương tiện để định vị, vòng ngoài của vòng bi | Không có |
| Loại lỗ | Hình trụ |
| Vòng cách | Tấm kim loại |
| Kiểu gắn cặp | KHÔNG |
| Khe khe trong hướng kính | CN (Tiêu chuẩn) |
| Vật liệu, vòng bi | Thép chịu lực |
| Lớp mạ | Không có |
| Phớt chắc | Khiên ở cả hai bên |
| Loại Chắc Dầu | Không tiếp xúc |
| Tra mỡ sẵn chưa? | Mỡ |
| Phương tiện để tái bôi trơn | Không có |
| Dấu vết carbon của sản phẩm được chỉ định để sản xuất | 1,05 kg CO2e |
| Trọng lượng sản phẩm | 0,293 kg |
| Mã eClass | 23-05-08-01 |
| Mã UNSPSC | 31171504 |
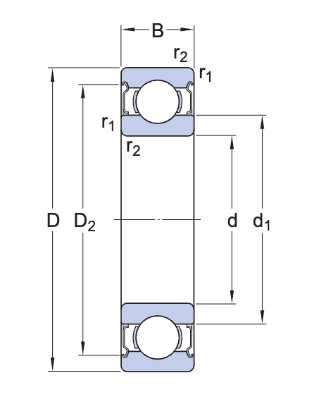
3. Cấu hình Chi Tiết Vòng Bi SKF 6207-2Z/AEM3
Vòng bi SKF 6207-2Z/AEM3 được cấu hình từ các bộ phận chính, mỗi bộ phận đóng vai trò quan trọng trong công việc đảm bảo hiệu suất hoạt động và độ bền:
Sơ đồ cấu hình Vòng Bi Cầu Rãnh Sâu SKF 6207-2Z/AEM3 với dây thép hai đầu:
- Vòng trong/ngoài: Được chế tạo từ thép chịu lực cao, cùng với khu vực Yên tĩnh, chịu tải chính.
- Bi cầu: Sản phẩm sản xuất từ thép siêu chính xác và được xử lý nhiệt đặc biệt để giảm độ cứng, tăng cường độ cứng và độ bền.
- Vòng cách: Thông thường được làm từ thép mạnh, có chức năng giữ các thành viên với nhau và hướng dẫn chuyển động của bi.
- Mũ thép (2Z): Gắn chặt vào khu vực bên ngoài vòng bi. “2Z” chỉ ra rằng vòng bi có thép thép ở cả hai bên. Các sản phẩm này tạo ra một khe hở nhỏ với vòng trong, hoạt động như một loại rào cản “không tiếp xúc” (lá chắn không tiếp tục). Điều này giúp ngăn chặn các hạt bụi lớn và các vật lạ xâm nhập vào bên trong vòng bi, đồng thời giữ dầu bôi trơn có sẵn từ nhà bên trong.
4. Phân Tích Chuyên Sâu: Nắp Chắn Thép 2Z và Đặc Tính AEM3 của SKF 6207-2Z/AEM3
Để xác định giá trị của vòng bi SKF 6207-2Z/AEM3, việc phân tích sâu hơn về ký hiệu “2Z” và đặc điểm hậu tố “AEM3” là rất quan trọng.
Ký hiệu “2Z” – Dây thép không tiếp xúc bên trong:
- Chức năng chính: Cung cấp khả năng bảo vệ vòng bi khỏi bụi bẩn, các vật thể lớn và giúp bôi trơn bên trong, đồng thời cho phép hoạt động vòng bi ở tốc độ cao nhờ ma sát. “2Z” chỉ ra rằng vòng bi có thép thép ở cả hai bên.
- Đặc điểm nổi bật: Đây là loại dây “không tiếp xúc” (lá căng không tiếp xúc). Mũ bảo hiểm được làm bằng thép chắc chắn và được gắn vào vòng bên ngoài vòng bi, nhưng không tiếp tục căng thẳng với vòng trong. Luôn có một khe nhỏ giữa dây và vòng trong.
- Ưu điểm vượt trội:
- Tốc độ cao: Do không có vật xúc tiếp, ma sát được tạo ra là rất thấp. Điều này cho phép vòng bi 6207-2Z/AEM3 đạt được tốc độ quay giới hạn lên đến 10.000 vòng/phút và tốc độ tham chiếu 20.000 vòng/phút, lý tưởng cho các ứng dụng yêu cầu tốc độ vận hành nhanh.
- Giảm ma sát và sinh nhiệt: Ma sát thấp hơn không chỉ cho phép tốc độ cao hơn mà còn giảm thiểu năng lượng sinh nhiệt trong quá trình vận hành, giúp kéo dài tuổi thọ của mỡ bôi trơn và vòng bi.
- Bảo vệ bụi và vật thể lớn: Mặc dù không kín hoàn toàn như sương cao su, Sản phẩm thép vẫn rất hiệu quả trong việc ngăn chặn bụi lớn, mảnh mảnh và các loại rắn khác xâm nhập vào bên trong vòng bi.
- Giữ chất béo tốt: Vòng bi được tra mỡ sẵn từ nhà máy, và sản phẩm thép giúp giữ chất béo bôi trơn hiệu quả bên trong, giảm thiểu nhu cầu tái bôi trơn trong nhiều ứng dụng.
- Chế độ: Có khe hở, sản phẩm thép 2Z không thể ngăn chặn hoàn toàn các hạt dưỡng chất hoặc chất độc xâm nhập. Trong môi trường ẩm ướt hoặc có nhiều siêu bụi, vòng bi có bọt cao su (như 2RSH hoặc 2RS1) sẽ là lựa chọn phù hợp hơn.
Hậu tố AEM3:
- Chức năng chính: Hậu tố AEM3 trong bi SKF 6207-2Z/AEM3 thường được chỉ định một biến có thể được tối ưu hóa cho các yêu cầu đặc biệt, đặc biệt là trong cơ sở ứng dụng. Mặc dù SKF không công bố chi tiết rõ ràng về tất cả các hậu tố, AEM3 thường liên quan đến:
- Độ chính xác cao và độ ồn thấp: Vòng bi được tìm thấy được sản xuất với dung sai chặt chẽ hơn và qua quy trình kiểm soát chất béo chất béo để giảm thiểu tiếng ồn và độ ồn trong quá trình hoạt động. Điều này cực kỳ quan trọng đối với các động cơ điện, nơi sự tình ái là một yếu tố rồi chốt.
- Vòng cách và mỡ bôi trơn chuyên dụng: Có thể liên hệ đến công việc sử dụng vật liệu vòng cách hoặc loại mỡ bôi trơn đặc biệt, được lựa chọn để tăng cường tuổi thọ, giảm ma sát và cải thiện hiệu suất trong các công cụ điều kiện vận hành của động cơ hoặc các ứng dụng nhạy cảm với tiếng ồn.
- Ưu điểm vượt trội:
- Hoạt động tiểu ái: Giảm tiếng ồn và độ rung, lý tưởng cho các ứng dụng cần sự tĩnh lặng.
- Độ bền cao của đặc tính ứng dụng: Được thiết kế để đáp ứng nhu cầu của động cơ điện yêu thích, giúp kéo dài tuổi thọ của cả vòng bi và thiết bị.
- Khi nào nên sử dụng AEM3: AEM3 là lựa chọn lý tưởng cho các động cơ điện, máy phát điện và các thiết bị khác yêu cầu hoạt động với độ ồn và tốc độ chậm cũng như độ tin cậy cao.
5. Ưu và nhược điểm của Vòng Bi SKF 6207-2Z/AEM3
Vòng bi SKF 6207-2Z/AEM3 được thiết kế để cân bằng giữa khả năng bảo vệ, tốc độ và khả năng làm việc trong điều kiện yêu cầu tình yêu. Câu hỏi về mức độ ưu tiên của lựa chọn phải hiểu mức độ ưu tiên của nó.
Ưu điểm nổi bật:
- Phù hợp cho ứng dụng yêu cầu độ ồn thấp: Đây là điểm bật nổi bật của phiên bản AEM3. Vòng bi được tối ưu hóa để giảm tiếng ồn và rung động, lý tưởng cho các thiết bị cảm biến nhạy cảm với âm thanh hoặc môi trường làm việc yêu cầu sự tĩnh lặng.
- Tốc độ quay cao:Dòng thép không tiếp xúc, vòng bi có ma sát rất thấp, cho phép đạt tốc độ giới hạn lên đến 10.000 vòng/phút và tốc độ tham chiếu 20.000 vòng/phút, lý tưởng cho các ứng dụng yêu cầu vận hành hành động nhanh.
- Ma sát thấp và sinh nhiệt ít (đối với sản phẩm dây): Việc không có căng thẳng tiếp theo giữa sản phẩm và vòng trong công việc giúp giảm thiểu ma sát, từ đó giảm sinh nhiệt và tăng hiệu quả năng lượng.
- Bảo vệ tốt khỏi bụi lớn và vật thể lạ: Tấm thép bảo vệ trong việc ngăn chặn các hạt bụi lớn, mảnh mảnh và các vật thể rắn khác xâm nhập vào bên trong vòng bi.
- Bảo trì ít: Vòng bi được tra mỡ sẵn từ nhà máy với lượng mỡ tối ưu, và sản phẩm thép giúp giữ mỡ hiệu quả, giảm thiểu đáng kể như cầu tái bôi trơn trong nhiều ứng dụng.
- Thiết kế đơn giản và mạnh mẽ: Dễ dàng lắp đặt và mang lại hiệu quả đáng tin cậy.
- Chịu tải đa hướng: Có khả năng chịu đựng tốt cả tải trọng tâm (tải hướng tâm) và hướng trục xuống (tải trọng trục) theo cả hai chiều.
- Hiệu suất SKF Explorer: Là một thành phần của dòng SKF Explorer, vòng bi này được tối ưu hóa để mang lại hiệu suất vượt trội, tuổi thọ dài hơn và độ tin cậy cao.
Nhược điểm cần lưu ý:
- Khả năng làm kín khí với bụi và chất thải: Là sản phẩm thép không tiếp xúc và có khe hở, SKF 6207-2Z/AEM3 không thể ngăn chặn hoàn toàn bụi, hơi thơm hoặc chất độc xâm nhập. Trong môi trường ẩm thực hoặc có nhiều siêu bụi, vòng bi với cao su (như 2RSH hoặc 2RS1) sẽ là lựa chọn tốt hơn.
- Không phù hợp với môi trường nước hoặc chất hóa học: Nắp thép không kín nước, do đó vòng bi này không thích hợp cho các ứng dụng ngập nước hoặc thường xuyên tiếp xúc với chất thải, hóa chất ăn mòn.
- Không thể tái bôi trơn dễ dàng: Dù dù được tra mỡ sẵn, việc tái bôi trơn cho loại vòng bi có sản phẩm là không dễ dàng và thường không được khuyến khích vì có thể làm hỏng sản phẩm thép.
6. Ứng dụng Thực Tế của Vòng Bi SKF 6207-2Z/AEM3
Với kích thước phổ biến, khả năng hoạt động ở tốc độ cao, ma sát thấp, khả năng bảo vệ tốt khỏi bụi lớn và đặc biệt là đặc tính tối ưu cho hoạt động ái ái, vòng bi SKF 6207-2Z/AEM3 là lý tưởng tưởng tượng lựa chọn cho các ứng dụng công nghiệp nơi cần sự ổn định và bền bỉ, đặc biệt trong hệ thống hỏi tốc độ và tốc độ cao. Đây là loại phổ biến tại các khu công nghiệp ở TP. Hồ Chí Minh và khu vực lân cận:
- Động cơ điện: Rất phổ biến trong các động cơ công nghiệp, máy phát điện, nơi vòng bi phải chịu tải trọng và hoạt động ở tốc độ cao, đồng thời yêu cầu hoạt động ái tình, ít tiếng ồn.
- Quạt công nghiệp và máy hút: Trong hệ thống quạt thông gió, máy bơm nước/tinh chất, nơi vòng bi cần hoạt động liên tục và ổn định trong môi trường khô hoặc có bụi lớn, đặc biệt khi cần giảm thiểu tiếng ồn.
- Hộp số công nghiệp: Trong các hộp giảm tốc hoặc hộp số của máy móc, thiết bị sản xuất, nơi có tải trọng và cần giảm thiểu ma sát, đồng thời yêu cầu hoạt động trơn tru, ít rung động.
- Thiết bị gia dụng cao cấp: Trong các thiết bị như máy rửa, máy hút, máy hút bụi công nghiệp, nơi yêu cầu độ ồn thấp và tuổi thọ cao.
- Máy công cụ: Một số bộ phận của máy công, máy tiện, máy phay cần đảm bảo tải tốt và hoạt động mượt mà, đặc biệt khi cần độ chính xác và giảm cấp.
- Băng tải và hệ thống chuyển động: Trong các con lăn, trục quay của hệ thống băng tải, nơi cần chịu tải trọng và bụi đau, đồng thời tiến hành diễn diễn hành hành hành duy ái.
- Hệ thống cơ sở cấu hình nhỏ: Trong các ngành công nghiệp yêu cầu tự động hóa với các máy chi tiết, cần sự hoạt động và độ bền dưới điều kiện yêu cầu hoạt động ái ái.
7. Hướng Dẫn Đặt và Tháo Tháo SKF 6207-2Z/AEM3
Để đảm bảo tuổi thọ và hiệu suất tối ưu cho vòng bi SKF 6207-2Z/AEM3, việc lắp đặt và loại bỏ tính đúng đắn là cách vô cùng quan trọng. luôn luôn thủ các nguyên tắc an toàn và kỹ thuật của các nhà sản xuất. Mecsu cung cấp hướng dẫn chi tiết dựa trên kinh nghiệm thực tế:
- Chuẩn bị: Đảm bảo môi trường làm việc sạch sẽ, khô ráo. Chuẩn bị đầy đủ các công cụ chuyên dụng như cảo, búa mềm, thiết bị gia nhiệt cảm ứng (nếu cần). Luôn đeo dây bảo vệ và kính bảo hộ để đảm bảo an toàn. Kiểm tra khí cụ và gối phải sạch sẽ, không có lỗ hổng và bảo đảm sai dung dịch. Lưu ý quan trọng: Không nên rút dây thép 2Z vì vòng bi đã được cung cấp sẵn chất béo và dây thép chống gỉ có thể làm hỏng hoặc ảnh hưởng đến khả năng làm kín và tuổi thọ của vòng bi.
- Lắp đặt:
- Phương pháp nhiệt (phổ biến nhất cho vòng bi lớn hoặc lắp đặt chính xác): Gia nhiệt vòng bi bằng thiết bị gia nhiệt chuyên dụng (ví dụ: máy gia nhiệt cảm ứng SKF) đến nhiệt độ khoảng 80-100°C. Điều này giúp vòng nở ra, dễ trượt vào trục mà không cần dùng lực quá lớn. Luôn hoạt động đều đặn và tập trung lên vòng khi gắn vào xẹp xuống.
- Phương pháp cơ khí (dùng cho kích thước nhỏ hơn hoặc khi không thể gia nhiệt): Sử dụng ống lót chuyên dụng và rèn mềm, tác dụng lực đều lên vòng khi lắp vào trục. Tuyệt đối tránh tác động trực tiếp lên Sản phẩm thép hoặc các viên bi có thể gây nguy hiểm chết người cho Sản phẩm dây xích hoặc vòng bi.
- Lưu ý: Đảm bảo vòng bi được gắn thẳng, không bị lệch hoặc kẹt.
- Gỡ bỏ:
- Sử dụng cả dụng cụ chuyên dụng (cảo cơ hoặc cả thủy lực) để xoay vòng một cách an toàn và không gây ra tình trạng gãy xương cho hoặc hỗ trợ gối. Tác dụng lực đều và đúng ở vòng trong (khi rút xẹp) hoặc vòng ngoài (khi rút gối).
- Tránh dùng đập trực tiếp lên các sinh vật học hoặc các bộ phận khác có thể gây ra các dạng biến đổi, hư hỏng. Việc này không chỉ làm hỏng vòng bi mà còn tiềm ẩn nguy hiểm.
- Người bảo vệ: Nếu không sử dụng ngay, hãy giữ vòng bi trong bao bì gốc của nhà sản xuất, ở nơi khô ráo, thoáng mát, tránh ánh nắng trực tiếp và các chất hóa học ăn mòn để ngăn chặn sét và bụi nguy hiểm xâm nhập.
8. So Sánh Vòng Bi 6207-2Z/AEM3 với Các Loại 6207 Khác
Hiểu rõ sự khác biệt giữa các loại vòng bi 6207 SKF sẽ giúp bạn lựa chọn sản phẩm phù hợp nhất cho ứng dụng của mình, hiệu suất tối ưu và chi phí đầu tư:
| Tiêu chí | SKF 6207-2Z/AEM3 (2 Nắp Thép, Đặc tính AEM3) | SKF 6207 (Không cần tránh CN) | SKF 6207-2Z (2 Nắp Thép, Khe hở CN) | SKF 6207-2RS1 (2 Phớt cao su, Khe hở CN) |
|---|---|---|---|---|
| Kích thước (dx D x B) | 35 x 72 x 17 mm | 35 x 72 x 17 mm | 35 x 72 x 17 mm | 35 x 72 x 17 mm |
| Tải cơ sở dữ liệu (C) | 27 kN | 27 kN | 27 kN | 27 kN |
| Tải cơ sở dữ liệu quan trọng (C0) | 15,3 kN | 15,3 kN | 15,3 kN | 15,3 kN |
| Tốc độ giới hạn (Giới hạn tốc độ) | 10 000 vòng/phút | 22 000 vòng/phút | 11 000 vòng/phút | 6 300 vòng/phút |
| Tham chiếu Speed (Tốc độ tham chiếu) | 20 000 vòng/phút | 43 000 vòng/phút | 22 000 vòng/phút | 14 000 vòng/phút |
| Vòng cách | Loại kim loại (có thể có mức độ ưu tiên) | Tấm kim loại | Tấm kim loại | Tấm kim loại |
| Phớt chắc | Khiên ở cả hai bên (2Z) | Không có | Khiên ở cả hai bên (2Z) | Niêm phong cả hai mặt (2RS1) |
| Loại Chắc Dầu | Không tiếp xúc | Mở | Không tiếp xúc | Liên hệ |
| Tra mỡ sẵn | Mỡ (Có) | Không | Mỡ (Có) | Mỡ (Có) |
| Khe khe hướng kính | CN (Tiêu chuẩn) | CN (Tiêu chuẩn) | CN (Tiêu chuẩn) | CN (Tiêu chuẩn) |
| Khả năng làm kín | Tốt (chắn bụi lớn, mỡ giữ tối ưu) – Dây xích không tiếp xúc | Kem (không dây, dễ nhiễm trùng) | Tốt (chắn bụi lớn, mỡ giữ tối ưu) – Dây xích không tiếp xúc | Rất tốt (chống bụi, nước, giữ mỡ tuyệt đối) – Trò chơi cao su tiếp xúc |
| Khả năng chống ẩm/lỏng | Trung bình | Kem | Trung bình | Rất tốt |
| Nhu cầu bảo trì | Rất thấp (bôi trơn sẵn từ nhà máy, kín đáo) | Cao (cần bôi trơn bất kỳ) | Rất thấp (bôi trơn sẵn từ nhà máy, kín đáo) | Rất thấp (bôi trơn sẵn từ nhà máy, kín đáo) |
| Ưu điểm nổi bật | Tốc độ cao, ma sát thấp, hoạt động ái, giảm tiếng ồn/rung động (nhờ AEM3), ít bảo trì. | Tốc độ rất cao, ma sát cực thấp, linh hoạt trong công việc bôi trơn (cần hệ thống bôi trơn bên ngoài). | Tốc độ cao, an toàn, ít bảo trì, phù hợp tiêu chuẩn. | Bảo vệ tuyệt vời khỏi bụi bẩn, nước, hóa chất, tuổi thọ mỡ dài. |
| Ứng dụng điển hình | Động cơ điện, quạt công nghiệp, máy phát điện (nơi yêu cầu độ ồn thấp và độ tin cậy cao). | Hộp số kín, xâu tốc độ rất cao trong môi trường sạch sẽ, hệ thống có bôi trơn trung tâm. | Động cơ điện, quạt công nghiệp, hộp số, máy công cụ (môi trường tiêu chuẩn). | Môi trường ẩm ướt, nhiều bụi nông, nông nghiệp, công nghiệp thực phẩm (nơi có nước). |
9. Cách Phân Biệt Vòng Bi SKF 6207-2Z/AEM3 Thật – Giả – Lời Khuyên Từ Chuyên Gia Mecsu
Thị trường hiện nay có rất nhiều hàng giả, hàng giả chất lượng, đặc biệt là với các sản phẩm vòng bi SKF chính hãng được ưa chuộng. Để đảm bảo bạn mua được vòng bi SKF 6207-2Z/AEM3 chính hãng tại TP.HCM, Mecsu khuyến nghị kiểm tra các dấu hiệu sau:
a. Dấu hiệu của SKF 6207-2Z/AEM3 chính hãng :
- Bao bì chất lượng cao: Sắc nét, màu xanh đặc trưng của SKF, sản phẩm thông tin rõ ràng, đầy đủ mã vạch/QR code và thông tin xuất xứ. Bạn sẽ tìm thấy công nghệ trong từng chi tiết.
- In ấn trên vòng bi sắc nét: Logo SKF, mã sản phẩm (6207-2Z/AEM3) và quốc gia sản xuất được in hoặc khắc laser sắc nét, xóa xóa, không lem, không sai phông chữ, rất khó bị tẩy xóa.
- Mã QR/Bar code xác thực: Có thể quét bằng ứng dụng “SKF Authenticate” trên điện thoại di động thông minh để xác thực nguồn gốc và tính chính hãng của sản phẩm. Đây là công cụ hữu ích nhất của SKF để chống hàng giả.
- Mũ bảo hiểm hoàn thiện bằng thép: Mũ bảo hiểm được gắn chắc chắn, đồng đều ở cả hai bên, không có dấu hiệu cong, móp. Chất liệu thép sáng bóng, không bị đánh đập.
- Cảm giác giác giác vận hành mượt mà: Khi quay vòng bi bằng tay, bạn sẽ cảm nhận được sự mượt mà, cô ái, đặc biệt với hậu tố AEM3, vòng bi này sẽ mang lại cảm giác Giác giác hoạt động rất tru và yên tĩnh, không có tiếng chào lạ, không bị kẹt bất thường.
- Chứng từ đầy đủ: Nhà cung cấp uy tín sẽ cung cấp đầy đủ “CO” (chứng nhận xuất xứ) và “CQ” (chứng nhận chất lượng) từ nhà sản xuất, đảm bảo nguồn gốc và chất lượng sản phẩm.
b. Dấu hiệu của vòng bi SKF 6207-2Z/AEM3 hàng giả/nhái:
- In ấn mờ nhạt, sai chính tả, phông chữ lạ, thiếu thông tin hoặc không chính xác trên cả bao bì và vòng bi.
- Bao bì thô, màu trôi chuẩn SKF, thiếu thông tin quan trọng hoặc có dấu hiệu làm lại.
- Mũ thép cường lực, bị rách, biến dạng hoặc có chất liệu nguy hiểm (ví dụ: dễ sét), dễ bong tróc.
- Không có mã QR hoặc mã hóa không quét được hoặc quét ra thông tin không khớp với sản phẩm chính hãng.
- Khi quay tay có tiếng kêu lạo xạo, cảm giác giác, nặng hoặc quá trình (rơ) bất thường, làm gia công giá trị chính xác và vật liệu không đạt tiêu chuẩn.
- Giá bán rẻ bất ngờ so với thị trường của các sản phẩm chính hãng – đây là dấu hiệu cảnh báo lớn nhất.

10. Giá Bán & Moni Ý Mua Vòng Bi SKF 6207-2Z/AEM3 Chính Hãng Tại TP.HCM
. Giá vòng bi SKF 6207-2Z/AEM3 (TP.Hồ Chí Minh) tại Mecsu: Liên hệ để nhận báo giá tốt nhất.
Liên hệ để nhận báo giá tốt nhất (giá có thể thay đổi tùy thời điểm và số lượng) – Giá hợp lý, phù hợp với chất lượng sản phẩm chính hãng SKF tại thị trường vòng bi TP.HCM.
b. Mới ý mua vòng bi chính hãng SKF uy tín
- Chọn nhà cung cấp uy tín tại TP.HCM: Ưu tiên đối tác có bằng chứng nhận từ SKF hoặc đơn vị lâu năm, được nhiều khách hàng tin tưởng và có danh tiếng trên thị trường cung cấp linh kiện cơ khí tại TP.HCM.
- Kiểm tra chứng từ đầy đủ: Luôn yêu cầu đầy đủ “CO” (chứng nhận xuất xứ) và “CQ” (chứng nhận chất lượng) để đảm bảo nguồn gốc và chất lượng của sản phẩm. Điều này giúp bạn tránh mua phải “vòng bi SKF giả” trên thị trường.
-
- 100% sản phẩm chính hãng: Đảm bảo nguồn gốc rõ ràng, đầy đủ chứng từ. Chúng tôi cam kết hoàn tiền 100% hoặc đổi trả nếu sản phẩm không thuộc loại công thức chính.
- Chính sách bảo hành minh bạch: Hỗ trợ đổi trả nếu nhà sản xuất gặp lỗi, mang lại sự an tâm tuyệt đối cho khách hàng.
- Hỗ trợ kỹ thuật chuyên sâu: Đội ngũ kỹ sư giàu kinh nghiệm sẵn sàng hỗ trợ bạn về kỹ thuật và lựa chọn sản phẩm phù hợp nhất cho mọi ứng dụng.
- Giá cả cạnh tranh: Đảm bảo giá tốt nhất đi kèm chất lượng, với chính sách chiết khấu hấp dẫn cho đơn hàng số lượng lớn, đặc biệt khi “mua vòng bi SKF số lượng lớn”.
MUA THÊM NHIỀU LOẠI VÒNG BI CHÍNH HÃNG KHÁC TẠI MECSU
11. Câu hỏi thường gặp về Vòng Bi SKF 6207-2Z/AEM3
Một. Vòng bi SKF 6207-2Z/AEM3 có cần bảo dưỡng, tra mỡ không?
Vòng bi SKF 6207-2Z/AEM3 được sản xuất từ nhà máy và có hai Dây thép (2Z) giúp giữ mỡ bên trong. Trong hầu hết các ứng dụng thông thường, vòng bi này được xem là “bảo trì trọn đời” và không cần tái bôi trơn. Điều này giúp tiết kiệm thời gian và chi phí bảo trì đáng kể, miễn là vòng bi không hoạt động trong môi trường cực kỳ khắc nghiệt hoặc nhiệt độ quá cao vượt quá giới hạn cho phép của mỡ và vật liệu.
b. Chữ “2Z/AEM3” trong mã SKF 6207-2Z/AEM3 có ý nghĩa gì?
Chữ “2Z” chỉ vòng bi có hai sản phẩm thép làm bằng thép dập ở cả hai phía, là loại thép không tiếp xúc, giúp ngăn chặn bụi lớn và giữ mỡ bôi trơn bên trong, đồng thời cho phép vòng bi đạt được tốc độ quay cao do ma sát thấp. Chữ “/AEM3” biểu thị một biến thể đặc biệt được tối ưu hóa cho các ứng dụng yêu cầu độ ồn thấp, hạn chế như trong các cơ điện, nhờ vào độ chính xác cao trong sản phẩm và có thể sử dụng vật liệu vòng hoặc chất béo chuyên dụng.
c. Vòng bi SKF 6207-2Z/AEM3 có hoạt động tốt ở môi trường Đòi hỏi mức độ ồn thấp không?
Có, vòng bi SKF 6207-2Z/AEM3 rất phù hợp để hoạt động trong môi trường yêu cầu độ ồn thấp và ít rung động. Hậu tố AEM3 cho thấy vòng bi này đã được tối ưu hóa đặc biệt cho mục tiêu này, thường được sử dụng trong các động cơ điện hoặc thiết bị nhạy cảm với tiếng ồn, nơi cần sự hoạt động vô ái và đáng tin cậy.
d. Làm sao biết vòng bi 6207-2Z/AEM3 của tôi là hãng SKF chính hãng?
Điều quan trọng nhất, hãy sử dụng ứng dụng SKF Authenticate để quét mã và kiểm tra trực tiếp từ SKF. Đây là cách chắc chắn nhất để phân biệt vòng bi SKF thật.
đ. Khi nào cần thay thế bi 6207-2Z/AEM3?
Bạn nên thay thế vòng bi khi nhận được các dấu hiệu sau:
- Tiếng ồn bất thường: Tiếng kêu lạo xạo, rít, hoặc gằn khi vòng bi quay, báo hiệu bi hoặc khu vực bị mòn hoặc mỡ đã suy giảm chất lượng. Đặc biệt với AEM3, bất kỳ sự gia tăng tiếng ồn nào cũng là dấu hiệu cảnh báo.
- Tăng nhiệt độ: Vòng bi tăng lên bất thường trong quá trình hoạt động, có thể làm tăng mỡ hoặc tải quá trình.
- Độ cao lớn: Thiết bị hoạt động có mức độ tăng lên đáng kể, ảnh hưởng đến hiệu suất và có thể gây nguy hiểm cho các bộ phận khác.
- Dạng vật lý biến đổi: Nắp chắn bị móp, rỉ sét (nếu tiếp xúc với môi trường ẩm ướt) hoặc có dấu hiệu hư hỏng nguy hiểm.
- Vòng bi bị khóa hoặc không được xóa.
Kinh nghiệm từ các kỹ sư Mecsu: Việc kiểm tra định kỳ bằng cách lắng nghe tiếng ồn hoặc cảm nhận mức độ rung có thể giúp phát hiện sớm các dấu hiệu cần thay thế, tránh nguy hại gây hại nghiêm trọng hơn cho toàn bộ hệ thống. Đừng ngần ngại liên hệ với chúng tôi để được hỗ trợ kỹ thuật về bảo trì vòng bi hoặc thay thế vòng bi.
f. Mua vòng bi SKF 6207-2Z/AEM3 chính hãng, uy tín ở đâu tại TP.HCM?
- Cam kết chất lượng: 100% sản phẩm có nguồn gốc rõ ràng, đầy đủ chứng từ CO, CQ. Chúng tôi cam kết hoàn tiền 100% hoặc đổi trả nếu sản phẩm không phải của công ty chính thức.
- Giá cả cạnh tranh: Đảm bảo giá tốt nhất đi kèm chất lượng, với chính sách chiết khấu hấp dẫn cho đơn hàng số lượng lớn, đặc biệt khi “mua vòng bi SKF số lượng lớn”.
- Tư vấn chuyên sâu: Đội ngũ kỹ sư giàu kinh nghiệm sẵn sàng hỗ trợ bạn về kỹ thuật và lựa chọn sản phẩm phù hợp nhất.
- Chính sách hậu mãi: Đảm bảo quyền lợi tối đa cho khách hàng với dịch vụ hỗ trợ nhanh chóng, tận tâm.
MUA THÊM NHIỀU LOẠI VÒNG BI CHÍNH HÃNG KHÁC TAI MECSU
12. Liên Hệ và Hỗ Trợ Tư Vấn Vòng Bi SKF
Nếu bạn có bất kỳ thắc mắc nào về vòng bi SKF 6207-2Z/AEM3 hoặc cần tư vấn về giải pháp vòng bi cho ứng dụng cụ thể của mình, đừng ngần ngại liên hệ với đội ngũ chuyên gia của Mecsu. Chúng tôi luôn sẵn sàng hỗ trợ bạn tìm ra sản phẩm phù hợp và tối ưu nhất.
Địa chỉ: B28/I – B29/I Đường số 2B, KCN Vĩnh Lộc, P. Bình Hưng Hòa B, Q. Bình Tân, TP.HCM
Đường dây nóng: 1800 8137
Email: [email protected]
Trang web: mecsu.vn
13. Thông Tin Bổ sung & Kinh nghiệm Thực Tế Từ Mecsu
a. Kinh nghiệm Thực Tế & Câu Chuyện Thành Công
Tại Mecsu, chúng tôi tự hào là đối tác đáng tin cậy của nhiều doanh nghiệp trong việc cung cấp các giải pháp chất lượng cao vòng vòng. “Vòng bi SKF 6207-2Z/AEM3”, với khả năng kết hợp giữa tốc độ cao, ma sát thấp và khả năng hoạt động hiệu quả trong môi trường yêu cầu độ khó và ít rung động, đã được ứng dụng trong nhiều dự án quan trọng của khách hàng chúng tôi tại “TP. Hồ Chí Minh” và các đèn flash, mang lại hiệu quả vượt trội và là minh chứng cho chất lượng sản phẩm cùng kinh nghiệm thực tế của đội ngũ Mecsu:
- Ngành sản xuất cơ khí: Chúng tôi đã cung cấp “SKF 6207-2Z/AEM3” cho các nhà sản xuất cơ khí công nghiệp, nơi vòng bi phải đảm bảo tải trọng và hoạt động tốc độ cao, đồng thời yêu cầu độ ồn và mức độ thấp để cuối cùng đảm bảo chất lượng sản phẩm.
- Lĩnh vực quạt và máy công nghiệp: SKF 6207-2Z/AEM3 được lựa chọn cho các hệ thống quạt thông gió công suất lớn, máy phun công nghiệp, nơi vòng bi cần hoạt động liên tục và ổn định trong môi trường khô hoặc có bụi lớn, đặc biệt khi cần giảm thiểu tiếng ồn trong quá trình vận hành.
- Công nghiệp chế tạo máy: Nhiều nhà sản xuất công cụ, máy tiện, máy phay đã tin dùng “vòng bi 6207-2Z/AEM3” trong các hộp số, trục chính, nhờ khả năng vận hành trơn tru dưới mức tải xuống và giảm thiểu ma sát, đảm bảo độ chính xác và tuổi thọ cho thiết bị.
b. Trích Dẫn Chuyên Gia
““SKF 6207-2Z/AEM3” là một giải pháp lý tưởng cho các ứng dụng yêu cầu sự kết hợp giữa tốc độ cao, bảo vệ bụi và khả năng hoạt động ổn định trong điều kiện đòi hỏi độ ồn. Hậu tố AEM3 mang lại lợi ích đáng chú ý về khả năng quản lý tiếng ồn và tốc độ, đảm bảo hiệu suất và tuổi thọ tối ưu cho các máy móc hệ thống tại TP.HCM.”
— “Kỹ sư cơ khí Chuyên gia kỹ thuật Mecsu” (TP. Hồ Chí Minh) – Với hơn 10 năm kinh nghiệm trong lĩnh vực “bạc đạn công nghiệp”.
c. Tài Liệu Tham Khảo và Nghiên Cứu
Nội dung bài viết này được biên soạn dựa trên các tài liệu kỹ thuật chính quy và đáng tin cậy của SKF , cùng với kinh nghiệm thực tế chuyên sâu của đội ngũ kỹ sư Mecsu, đảm bảo tính chính xác, cập nhật và chuyên môn môn môn cao:
- Danh mục sản phẩm SKF (Danh mục sản phẩm SKF chính thức) – Nguồn dữ liệu kỹ thuật chi tiết nhất về “vòng bi SKF”.
- Tài liệu kỹ thuật SKF Explorer – Vòng bi ngành sâu (Thông tin chuyên sâu về “vòng bi cầu sâu SKF Explorer”) – Cung cấp cái nhìn toàn diện về thế hệ vòng bi bền bỉ này.
- Bảng dữ liệu kỹ thuật (Datasheet) chi tiết của SKF 6207-2Z – Nguồn thông số kỹ thuật chính xác. (Lưu ý: Thông tin chi tiết về hậu tố AEM3 thường là nội bộ hoặc được cung cấp theo yêu cầu của các ứng dụng đặc biệt.)
- Trải nghiệm thực tế và phản hồi từ các dự án khách hàng của Mecsu – “Dữ liệu độc nhất” được thu thập từ hơn 10 năm cung cấp “linh kiện cơ khí” và “giải pháp vòng bi” cho doanh nghiệp tại Việt Nam.
Biên soạn bởi: Đội ngũ kỹ sư Mecsu
(Xem thêm thông tin về chúng tôi tại Website Mecsu )
Lưu ý: Hình ảnh sản phẩm có thể khác biệt so với sản phẩm thực tế của SKF. Vui lòng tham khảo thông số kỹ thuật chi tiết hoặc liên hệ Mecsu để có thông tin chính xác nhất về sản phẩm.

















Đánh giá
Chưa có đánh giá nào.