Mô tả sản phẩm
Thông tin CHUYÊN SÂU về Vòng Bi Cầu Rãnh Sâu SKF 6000-2RSH/C3 (10x26x8) Phốt Cao Su NBR Tiếp Tiến (Hai Bên)
Mục Lục
- 1. Vòng Bi SKF 6000-2RSH/C3 Là Gì? – Giải Thích Chuyên Sâu
- 2. Thông Số Kỹ Thuật Chi Tiết Của Vòng Bi Cầu SKF 6000-2RSH/C3
- 3. Cấu hình Chi Tiết Vòng Bi SKF 6000-2RSH/C3
- 4. Phân Tích Chuyên Sâu: Thuốc giảm Cao Su 2RSH và Khe hở C3 của SKF 6000-2RSH/C3
- 5. Ưu và nhược điểm của Vòng Bi SKF 6000-2RSH/C3
- 6. Ứng dụng Thực Tế của Vòng Bi SKF 6000-2RSH/C3
- 7. Hướng Dẫn Đặt và Tháo Tháo SKF 6000-2RSH/C3
- 8. So Sánh Vòng Bi 6000-2RSH/C3 with Các Loại 6000 Khác
- 9. Cách Phân Biệt Vòng Bi SKF 6000-2RSH/C3 Thật – Giả – Lời Khuyên Từ Chuyên Gia Mecsu
- Dấu hiệu của vòng bi SKF 6000-2RSH/C3 hàng chính hãng
- Dấu hiệu của vòng bi SKF 6000-2RSH/C3 hàng giả/nhái
- 10. Giá Bán & Mô-ni Ý Mua Vòng Bi SKF 6000-2RSH/C3 Chính Hãng Tại TP.HCM
- 11. Câu hỏi thường gặp về Vòng Bi SKF 6000-2RSH/C3
- 12. Liên Hệ và Hỗ Trợ Tư Vấn Vòng Bi SKF
- 13. Thông Tin Bổ Sung & Kinh nghiệm Thực Tế Từ Mecsu
1. Vòng Bi SKF 6000-2RSH/C3 Là Gì? – Giải Thích Chuyên Sâu
Vòng bi cầu rãnh sâu SKF 6000-2RSH/C3 là một loại vòng bi đặc biệt, được thiết kế để có độ ồn thấp, độ ồn và tốc độ chậm, cho phép đạt được tốc độ quay cao. Ổ bi này chịu tải kính hướng và lệch hướng cả hai hướng, dễ gắn và yêu cầu bảo trì ít hơn so với nhiều loại ổ bi khác. Mã “6000” chỉ kích thước với đường kính trong (d) 10mm, đường kính ngoài (D) 26mm chiều dày (B) 8 mm.
Hậu tố “-2RSH” biểu tượng vòng bi này được trang bị hai dây dẫn từ cao su Nitrile Butadiene Rubber (NBR) ở cả hai bên. Điều này được đưa vào một khu vực bên ngoài và tiếp giáp với khu vực bên trong vòng, tạo ra một kết quả căng thẳng tiếp theo. Thiết kế “tiếp xúc” (con dấu tiếp xúc) này là đặc điểm nổi bật, mang lại khả năng làm kín vượt trội, ngăn chặn hiệu quả gần như hoàn toàn xâm nhập của bụi bẩn, nước, hơi sữa và các chất gây ô nhiễm nhiễm độc khác vào bên trong vòng bi. Đồng thời, nó giúp giữ mỡ bôi trơn được cung cấp theo cách tối ưu, kéo dài tuổi thọ mỡ và vòng bi trong môi trường khắc nghiệt.
Hậu tố “C3” chỉ ra rằng vòng bi có khe hở hướng lớn hơn tiêu chuẩn (Khoảng bình thường). Khen lớn hơn điều này mang lại nhiều lợi ích quan trọng như khả năng chịu nhiệt tốt hơn, khả năng bồi đắp trừ khi giãn vít và vỏ bọc hỗ trợ, cũng như khả năng hoạt động ổn định trong các ứng dụng có tốc độ xoáy nhỏ hoặc tải nặng va đập. Mặc dù căng thẳng tiếp theo (2RSH) thường giới hạn tốc độ quay, nên với dây thép (2Z) hoặc vòng bi, sự kết hợp với khe C3 giúp tối ưu hóa hiệu suất tổng thể, đặc biệt trong các điều kiện vận hành có biến nhiệt.
2. Thông Số Kỹ Thuật Chi Tiết Của Vòng Bi Cầu SKF 6000-2RSH/C3
d: Đường kính trong
D: Đường kính ngoài
B: Bề dày
C: Tải danh sách cơ sở dữ liệu
C0: Tải tĩnh cơ sở dữ liệu danh sách
| Thông số | Giá trị |
|---|---|
| Mã sản phẩm | 6000-2RSH/C3 |
| Loại vòng bi | Vòng Bi Cầu Rãnh Sâu (Vòng Bi Rãnh Sâu) |
| Đường kính trong (d) | 10 mm |
| Đường kính ngoài (D) | 26 mm |
| Bề dày (B) | 8 mm |
| Tải quan trọng cơ sở dữ liệu (C) | 4,75 kN |
| Tải danh sách cơ sở dữ liệu quan trọng (C0) | 1,96 kN |
| Tốc độ tham chiếu | 67 000 vòng/phút |
| Tốc độ giới hạn | 19 000 vòng/phút |
| Lớp hiệu suất SKF | SKF Explorer |
| Rãnh tra bi | Không có |
| Số dòng | 1 |
| Phương tiện để định vị, vòng ngoài của vòng bi | Không có |
| Loại lỗ | Hình trụ |
| Vòng cách | Tấm kim loại |
| Kiểu gắn cặp | KHÔNG |
| Khe khe trong hướng kính | C3 |
| Vật liệu, vòng bi | Thép chịu lực |
| Lớp mạ | Không có |
| Phớt chắc | Niêm phong cả hai mặt |
| Loại Chắc Dầu | Liên hệ |
| Tra mỡ sẵn chưa? | Mỡ |
| Phương tiện để tái bôi trơn | Không có |
| Dấu vết carbon của sản phẩm được chỉ định để sản xuất | 0,0684 kg CO2e |
| Trọng lượng sản phẩm | 0,019 kg |
| Mã eClass | 23-05-08-01 |
| Mã UNSPSC | 31171504 |
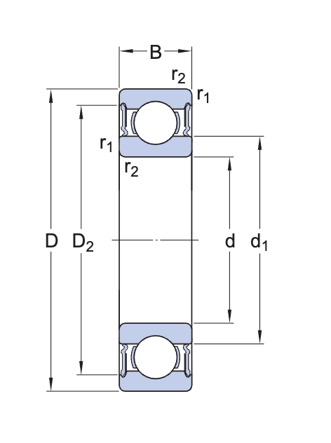
3. Cấu hình Chi Tiết Vòng Bi SKF 6000-2RSH/C3
Vòng bi SKF 6000-2RSH/C3 được cấu hình từ các bộ phận chính, mỗi bộ phận đóng vai trò quan trọng trong công việc đảm bảo hiệu suất hoạt động và độ bền:
Sơ đồ cấu hình tạo Vòng Bi Cầu Rãnh Sâu SKF 6000-2RSH/C3 với phun cao su hai đầu:
- Vòng trong/ngoài: Được chế tạo từ thép chịu lực cao, cùng với khu vực Yên tĩnh, chịu tải chính.
- Bi cầu: Sản phẩm sản xuất từ thép siêu chính xác và được xử lý nhiệt đặc biệt để giảm độ cứng, tăng cường độ cứng và độ bền.
- Vòng cách: Thông thường được làm từ thép mạnh, có chức năng chứa các thành viên với nhau và chuyển động hướng dẫn của bi.
- Phớt cao su (2RSH): Gắn chặt vào ngành trên vòng ngoài của vòng bi và tiếp xúc trực tiếp với vòng trong. “2RSH” chỉ ra rằng vòng bi có vé cao su (NBR) ở cả hai bên. Các loại này tạo ra một lớp chắn “tiếp xúc” mạnh mẽ, giúp ngăn chặn hiệu quả gần như hoàn toàn xâm nhập của bụi bẩn, nước, hơi ẩm và các chất gây ô nhiễm nhiễm trùng khác vào bên trong vòng bi. Đồng thời, nó giúp giữ lại chất béo bôi trơn đã được cung cấp từ nhà một cách tối ưu, kéo dài tuổi thọ mỡ và vòng bi.
4. Phân Tích Chuyên Sâu: Thuốc giảm Cao Su 2RSH và Khe hở C3 của SKF 6000-2RSH/C3
Để xác định giá trị của vòng bi SKF 6000-2RSH/C3, việc phân tích sâu hơn về ký hiệu “2RSH” và “C3” là rất quan trọng.
Ký hiệu “2RSH” – Phớt cao su tiếp xúc hai bên:
- Chức năng chính: Cung cấp khả năng làm kín nổi, bảo vệ vòng bi khỏi gần như tất cả các loại chất gây ô nhiễm nhiễm trùng (bụi nước, hơi ẩm) và giữ dầu bôi trơn bên trong hiệu quả nhất. “2RSH” chỉ ra rằng vòng bi có hai vét cao su tiếp xúc (RSH) ở cả hai phía.
- Đặc điểm nổi bật: Đây là loại “tiếp xúc” (con dấu tiếp xúc). Được làm từ cao su Nitrile Butadiene Rubber (NBR) và được ép vào một khu vực bên ngoài vòng, đồng thời tiếp xúc trực tiếp với khu vực trong vòng.
- Ưu điểm vượt trội:
- Làm kín tuyệt vời: Khả năng ngăn chặn bụi bẩn (có cả bụi), nước, hơi ẩm và các chất độc khác xâm nhập vào vòng bi là tối ưu. Điều đặc biệt quan trọng trong môi trường ẩm ướt, mật hoặc có chất tinh.
- Giữ mỡ hiệu quả: Giảm tiếp xúc giúp giữ mỡ bôi trơn bên trong vòng bi cực kỳ hiệu quả, giảm thiểu rò rỉ và kéo dài tuổi thọ của mỡ, từ đó giảm nhu cầu bảo trì.
- Bảo trì cực thấp: Vòng bi được tra mỡ sẵn từ nhà máy và nhờ khả năng làm kín vượt trội, chúng thường không cần tái bôi trơn trong suốt tuổi thọ sử dụng.
- Chế độ: Có sự căng thẳng tiếp theo giữa vòng và vòng trong, sẽ phát ra ma sát và nhiệt lượng, dẫn đến tốc độ giới hạn thấp hơn so với vòng bi hoặc có dây thép. Tốc độ giới hạn của 6000-2RSH/C3 là 19.000 vòng/phút, đáng kể so với vòng bi 6000 (67.000 vòng/phút tốc độ tham chiếu, 38.000 vòng/phút tốc độ giới hạn).
Ký hiệu “C3” – Khe cắm kính hướng lớn hơn tiêu chuẩn:
- Chức năng chính: Cung cấp thêm không gian trong vòng bi để bù trừ cho sự giãn nở nhiệt, lệch trục hoặc khi chịu tải trọng va đập.
- Đặc điểm nổi bật: Khe hở hướng kính (khoảng trống xuyên tâm) của vòng bi này lớn hơn so với khe tiêu chuẩn (CN – Normal).
- Ưu điểm:
- Khả năng chịu nhiệt tốt hơn: Trong các ứng dụng mà vòng bi hoặc trục có thể nóng lên đáng kể, khe C3 giúp ngăn chặn tình trạng giãn do giãn nở nhiệt, đảm bảo vòng bi không bị quá tải trước khi đạt nhiệt độ ổn định.
- Nhược điểm sai sót: Một tốc độ trôi nhỏ được dung hòa tốt hơn, có thể giảm căng thẳng và kéo dài tuổi thọ.
- Giảm thiểu các tầng cơ sở hạ tầng: Trong điều kiện tải cao hoặc rung động, hạn chế lớn hơn có thể giảm các tầng cơ sở hạ tầng ở chế độ giữa các khu vực cuộn.
Vòng bi SKF 6000-2RSH/C3 là giải pháp tối ưu cho các ứng dụng Đòi hỏi khả năng tuyệt đối chống lại bụi bẩn và ẩm thực, tuổi thọ mỡ dài và hoạt động đáng tin cậy trong điều kiện nhiệt độ biến động hoặc có rung động/lệch trụ, với tốc độ quay ở mức độ trung bình đạt đến cao.
5. Ưu và nhược điểm của Vòng Bi SKF 6000-2RSH/C3
Vòng bi SKF 6000-2RSH/C3 được thiết kế để mang lại khả năng bảo vệ tối ưu và tuổi thọ trong môi trường khắc nghiệt. Câu hỏi về mức độ ưu tiên của lựa chọn phải hiểu mức độ ưu tiên của nó.
Ưu điểm nổi bật:
- Làm kín vượt trội: Phớt cao su 2RSH tiếp tục tăng cường khả năng chống bụi bụi, nước, hơi ẩm và các chất gây ô nhiễm nhiễm độc khác xâm nhập vào vòng bi gần như tuyệt đối, giúp bảo vệ các bộ phận bên trong hiệu quả.
- Kéo dài tuổi thọ mỡ và vòng bi: Nhờ khả năng làm kín tuyệt vời, mỡ bôi trơn được giữ lại tối ưu trong, giảm thiểu nguy hiểm và tế bào khỏe mạnh, từ đó kéo dài dễ dàng kể tuổi hoạt động của mỡ và vòng bi.
- Bảo trì cực thấp: Vòng bi được tra mỡ sẵn từ nhà máy và không cần tái bôi trơn trong suốt tuổi thọ sử dụng, giúp tiết kiệm thời gian và chi phí bảo trì.
- Chịu tải đa hướng: Có khả năng chịu đựng tốt cả tải trọng tâm (tải hướng tâm) và hướng trục xuống (tải trọng trục) theo cả hai chiều.
- Khe C3: Hỗ trợ bồi đắp trừ giãn nở nhiệt, hoạt động tốt trong điều kiện nhiệt độ biến động hoặc có một chút xu hướng, giảm nguy cơ kiềm bi.
- Thiết kế đơn giản và mạnh mẽ: Dễ dàng lắp đặt và mang lại hiệu quả đáng tin cậy, đặc biệt trong môi trường khắc nghiệt.
- Hiệu suất SKF Explorer: Là một thành phần của dòng SKF Explorer, vòng bi này được tối ưu hóa để mang lại hiệu suất vượt trội, tuổi thọ dài hơn và độ tin cậy cao.
Nhược điểm cần lưu ý:
- Tốc độ quay giới hạn: Do áp lực cao su tiếp xúc tạo ra ma sát và nhiệt lượng, tốc độ quay giới hạn của 6000-2RSH/C3 (19.000 vòng/phút) sẽ thấp hơn đáng kể so với vòng bi (67.000 vòng/phút) hoặc có cực mạnh (2Z). Do đó, ứng dụng siêu tốc sẽ không phù hợp.
- Sinh nhiệt: Ma sát từ thú vui tiếp theo có thể sinh ra một lượng nhiệt nhất định, cần được xem xét trong các ứng dụng cảm biến nhiệt độ.
- Không thể tái bôi trơn dễ dàng: Việc tái bôi trơn cho loại vòng bi có phun cao su là không dễ dàng và thường không được kích thích vì có thể làm hư hỏng.
6. Ứng dụng Thực Tế của Vòng Bi SKF 6000-2RSH/C3
Với kích thước nhỏ gọn (10x26x8mm), khả năng làm kín bằng cao su 2RSH và khe C3, vòng bi SKF 6000-2RSH/C3 là một số giải pháp pháp lý lựa chọn lý tưởng cho các ứng dụng công nghiệp và dân dụng nơi cần bảo vệ tối ưu khỏi bụi, nước và độ ẩm, đồng thời đảm bảo sự thay đổi nhiệt độ. Đây là loại phổ biến tại các khu công nghiệp ở TP. Hồ Chí Minh và khu vực lân cận:
- Động cơ điện và thiết bị gia dụng: Rất phổ biến trong các động cơ điện nhỏ, quạt dân dụng, máy hút bụi, máy giặt, máy sấy, nơi cần hoạt động ổn định trong môi trường có bụi hoặc hơi ẩm.
- Thiết bị nông nghiệp và làm vườn: Trong các máy cắt cỏ, máy nước nước nhỏ, máy phun thuốc, nơi vòng hai tuần thường xuyên tiếp xúc với đất, bụi, nước và môi trường khắc nghiệt.
- Xe máy, xe đạp điện: Trong các bộ phận như bánh xe, hệ thống truyền động, nơi vòng bi phải chịu tải, tốc độ và môi trường Bụi bụi, ẩm ướt.
- Thiết bị y tế và phòng thí nghiệm: Trong số rất nhiều thiết bị y tế hoặc máy móc phòng thí nghiệm thí nghiệm thí nghiệm nhỏ, nơi yêu cầu độ tin cậy cao và khả năng chống nhiễm trùng nhiễm bội bội bội bội bội số nhiễm độc tố độc tố nhiễm độc tố nhiễm trùng.
- Băng tải và hệ thống chuyển động nhỏ: Trong các cuộn cuộn, xoắn xoắn của hệ thống băng tải nhẹ nhàng, nơi có thể tiếp tục căng thẳng với Bụi hoặc chất bắn tóe.
- Ngành công nghiệp thực phẩm và thương mại: Trong các thiết bị biến đổi cần vệ sinh định kỳ bằng nước hoặc chất hóa học, nhờ khả năng tạo ra sản phẩm biểu thị kín.
- Cấu hình cơ sở hệ thống nhỏ: Trong các ngành công nghiệp nghiệp nghiệp Yêu cầu tự động hóa với các máy chi tiết nhỏ, cần sự hoạt động và độ bền cao dưới điều kiện giải quyết.
7. Hướng Dẫn Đặt và Tháo Tháo SKF 6000-2RSH/C3
Để đảm bảo tuổi thọ và hiệu suất tối ưu cho vòng bi SKF 6000-2RSH/C3, việc lắp đặt và tháo dỡ là cách vô cùng quan trọng. luôn thủ tục các nguyên tắc an toàn và kỹ thuật của các nhà sản xuất. Mecsu cung cấp hướng dẫn chi tiết dựa trên kinh nghiệm thực tế:
- Chuẩn bị: Đảm bảo môi trường làm việc sạch sẽ, khô ráo. Chuẩn bị đầy đủ các công cụ chuyên dụng như cảo, búa mềm, thiết bị gia nhiệt cảm ứng (nếu cần). Luôn đeo dây bảo vệ và kính bảo hộ để đảm bảo an toàn. Kiểm tra dụng cụ và gối phải sạch sẽ, không có lỗi và sai sót về dịch vụ. Lưu ý quan trọng: Không tháo vòng cao su 2RSH vì bi vòng đã sẵn sàng để bơm mỡ và tháo rời có thể làm nứt nẻ, hình ảnh có khả năng làm kín và tuổi thọ của vòng bi.
- Lắp đặt:
- Phương pháp nhiệt (phổ biến nhất cho vòng bi lớn hoặc lắp đặt chính xác): Gia nhiệt vòng bi bằng thiết bị gia nhiệt chuyên dụng (ví dụ: máy gia nhiệt cảm ứng SKF) đến nhiệt độ khoảng 80-100°C. Điều này giúp vòng nở ra, dễ trượt vào trục mà không cần dùng lực quá lớn. Luôn hoạt động đều đặn và tập trung lên vòng khi gắn vào xẹp xuống.
- Phương pháp cơ khí (dùng cho kích thước nhỏ hơn hoặc khi không thể gia nhiệt): Sử dụng ống lót chuyên dụng và rèn mềm, tác dụng lực đều lên vòng khi lắp vào trục. Tuyệt đối tránh tác động trực tiếp lên phun cao su hoặc các thành viên vì có thể gây nguy hại đến nguy hiểm cho hồng hoặc vòng bi.
- Lưu ý: Đảm bảo vòng bi được gắn thẳng, không bị lệch hoặc kẹt. Khe hở C3 giúp dung hòa một phần giãn nở nhiệt hoặc lệch trục nhỏ trong quá trình lắp đặt.
- Gỡ bỏ:
- Sử dụng công cụ hỗ trợ chuyên nghiệp (cảo cơ hoặc cả thủy lực) để xoay vòng một cách an toàn và không gây ra tình trạng khung xương cho hoặc hỗ trợ gối. Tác dụng lực đều và đúng ở vòng trong (khi rút xẹp) hoặc vòng ngoài (khi rút gối).
- Tránh dùng đập trực tiếp lên các sinh vật học hoặc các bộ phận khác có thể gây ra các dạng biến đổi, hư hỏng. Việc này không chỉ làm hỏng vòng bi mà còn tiềm ẩn nguy hiểm.
- Người bảo vệ: Nếu không sử dụng ngay, hãy giữ vòng bi trong bao bì gốc của nhà sản xuất, ở nơi khô ráo, thoáng mát, tránh ánh nắng trực tiếp và các chất hóa học ăn mòn để ngăn chặn sét và bụi nguy hiểm xâm nhập.
8. So Sánh Vòng Bi 6000-2RSH/C3 with Các Loại 6000 Khác
Việc hiểu rõ sự khác biệt giữa các loại vòng bi 6000 SKF sẽ giúp bạn lựa chọn sản phẩm phù hợp nhất cho ứng dụng của mình, tối ưu hóa hiệu suất và chi phí đầu tư:
| Tiêu chí | SKF 6000-2RSH/C3 (2 Phớt cao su, Khe hở C3) | SKF 6000 (Không cần tránh CN) | SKF 6000-2Z (2 Nắp Thép, Khe hở CN) |
|---|---|---|---|
| Kích thước (dx D x B) | 10 x 26 x 8 mm | 10 x 26 x 8 mm | 10 x 26 x 8 mm |
| Tải cơ sở dữ liệu (C) | 4,75 kN | 4,75 kN | 4,75 kN |
| Tải quan trọng cơ sở dữ liệu (C0) | 1,96 kN | 1,96 kN | 1,96 kN |
| Giới hạn tốc độ ( Tốc độ giới hạn) | 19 000 vòng/phút | 38 000 vòng/phút | 26 000 vòng/phút |
| Tham chiếu Speed (Tốc độ tham chiếu) | 67 000 vòng/phút | 67 000 vòng/phút | 48 000 vòng/phút |
| Vòng cách | Tấm kim loại | Tấm kim loại | Tấm kim loại |
| Phớt chắc | Niêm phong cả hai mặt (2RSH) | Không có | Khiên ở cả hai bên (2Z) |
| Loại Chắc Dầu | Liên hệ | Mở | Không tiếp xúc |
| Tra mỡ sẵn | Mỡ (Có) | Không | Mỡ (Có) |
| Khe khe hướng kính | C3 (Lớn hơn tiêu chuẩn) | CN (Tiêu chuẩn) | CN (Tiêu chuẩn) |
| Khả năng làm kín | Rất tốt (chống bụi, nước, giữ mỡ tuyệt đối) – Trò chơi cao su tiếp xúc | Kem (không dây, dễ nhiễm trùng) | Tốt (chắn bụi lớn, mỡ giữ tối ưu) – Dây xích không tiếp xúc |
| Khả năng chống ẩm/lỏng | Rất tốt | Kem | Trung bình |
| Nhu cầu bảo trì | Rất thấp (bôi trơn từ nhà, kín đáo) | Cao (cần bôi trơn bất kỳ) | Rất thấp (bôi trơn từ nhà, kín đáo) |
| Ưu điểm nổi bật | Bảo vệ tuyệt vời khỏi bụi bẩn, nước, hóa chất, tuổi thọ mỡ dài. Khe hở C3 bù trừ giãn nở tốt nhiệt. | Tốc độ rất cao, ma sát cực thấp, linh hoạt trong công việc bôi trơn (cần hệ thống bôi trơn bên ngoài). | Tốc độ cao, trạng thái hoạt động, ít bảo trì. |
| Ứng dụng điển hình | Môi trường ẩm ướt, nhiều bụi, nông nghiệp, công nghiệp thực phẩm (nơi có nước), ứng dụng có nhiệt độ biến động. | Hộp số kín, xâu tốc độ rất cao trong môi trường sạch sẽ, hệ thống có bôi trơn trung tâm. | Động cơ điện, quạt công nghiệp, hộp số, máy công cụ (môi trường tiêu chuẩn). |
9. Cách Phân Biệt Vòng Bi SKF 6000-2RSH/C3 Thật Giả – Lời Khuyên Từ Chuyên Gia Mecsu
Thị trường hiện nay có rất nhiều hàng giả, hàng giả chất lượng, đặc biệt là với các sản phẩm vòng bi SKF chính hãng được ưa chuộng. Để đảm bảo bạn mua được vòng bi SKF 6000-2RSH/C3 chính hãng tại TP.HCM, Mecsu khuyến nghị kiểm tra các dấu hiệu sau:
a. Dấu hiệu của hãng SKF 6000-2RSH/C3 :
- Bao bì chất lượng cao: Sắc nét, màu xanh đặc trưng của SKF, sản phẩm thông tin rõ ràng, đầy đủ mã vạch/QR code và thông tin xuất xứ. Bạn sẽ tìm thấy công nghệ trong từng chi tiết.
- In ấn trên vòng bi sắc nét: Logo SKF, sản phẩm mã hóa hóa (6000-2RSH/C3) và các sản phẩm quốc gia sản xuất được in hoặc khắc laser sắc nét, rõ ràng, không lem, không sai phông chữ, rất khó bị tẩy xóa.
- Mã QR/Bar code xác thực: Có thể quét bằng ứng dụng “SKF Authenticate” trên điện thoại di động thông minh để xác thực nguồn gốc và tính chính hãng của sản phẩm. Đây là công cụ hữu ích nhất của SKF để chống hàng giả.
- Phớt cao su hoàn thiện: Giảm bớt sự gắn kết chắc chắn, đồng đều ở cả hai bên, không có dấu hiệu cong, móp hay rách. Chất liệu cao su mềm nhưng đàn hồi tốt, không bị cứng hoặc nứt.
- Cảm giác giác giác giác giác giác giác giác giác giác giác giác giác giác mượt mà: Khi quay vòng bi bằng tay, bạn sẽ cảm nhận được sự mượt mà, cô ái, vòng bi này sẽ mang lại cảm giác giác giác giác giác giác giác giác giác giác hoạt động rất tru và Yên tĩnh, không có tiếng kêu lạ, không bị bất ngờ.
- Chứng từ đầy đủ: Nhà cung cấp uy tín sẽ cung cấp đầy đủ “CO” (chứng nhận xuất xứ) và “CQ” (chứng nhận chất lượng) từ nhà sản xuất, đảm bảo nguồn gốc và chất lượng sản phẩm.
b. Dấu hiệu của vòng bi SKF 6000-2RSH/C3 hàng giả/nhái:
- In ấn mờ nhạt, sai chính tả, phông chữ lạ, thiếu thông tin hoặc không chính xác trên cả bao bì và vòng bi.
- Bao bì thô, tiêu chuẩn trôi màu SKF, thiếu thông tin quan trọng hoặc có dấu hiệu làm lại.
- Phớt cao su hoàn nguyên, bị rách, biến dạng, hoặc có chất liệu thô chất lượng (ví dụ: quá cứng, dễ nứt, không đàn hồi tốt), dễ bong tróc.
- Không có mã QR hoặc mã hóa không quét được hoặc quét ra thông tin không khớp với sản phẩm chính hãng.
- Khi quay tay có tiếng kêu lạo xạo, cảm giác giác, nặng hoặc quá trình (rơ) bất ngờ, làm gia công giá trị chính xác và vật liệu không đạt tiêu chuẩn.
- Giá bán rẻ không được mong đợi so với thị trường của các hãng sản phẩm chính – đây là dấu hiệu cảnh báo lớn nhất.

10. Giá Bán & Mô-ni Ý Mua Vòng Bi SKF 6000-2RSH/C3 Chính Hãng Tại TP.HCM
a. Giá vòng bi SKF 6000-2RSH/C3 (TP.Hồ Chí Minh) tại Mecsu: 77.846 đ/ Cái (đã có VAT) – Giá hợp lý, phù hợp với chất lượng sản phẩm chính hãng
Liên hệ để nhận báo giá tốt nhất (giá có thể thay đổi tùy thời điểm và số lượng) – Giá hợp lý, phù hợp với chất lượng sản phẩm chính hãng SKF tại thị trường vòng bi TP.HCM.
b. Gợi ý mua vòng bi chính hãng SKF uy tín
- Chọn nhà cung cấp uy tín tại TP.HCM: Ưu tiên đối tác có bằng chứng nhận từ SKF hoặc đơn vị lâu năm, được nhiều khách hàng tin tưởng và có danh tiếng trên thị trường cung cấp linh kiện cơ khí tại TP.HCM.
- Kiểm tra chứng từ đầy đủ: Luôn yêu cầu đầy đủ “CO” (chứng nhận xuất xứ) và “CQ” (chứng nhận chất lượng) để đảm bảo nguồn gốc và chất lượng của sản phẩm. Điều này giúp bạn tránh mua phải “vòng bi SKF giả” trên thị trường.
- 100% sản phẩm chính hãng: Đảm bảo nguồn gốc rõ ràng, đầy đủ chứng từ. Chúng tôi cam kết hoàn tiền 100% hoặc đổi trả nếu sản phẩm không thuộc loại công thức chính.
- Chính sách bảo hành minh bạch: Hỗ trợ đổi trả nếu nhà sản xuất gặp lỗi, mang lại sự an tâm tuyệt đối cho khách hàng.
- Hỗ trợ kỹ thuật chuyên sâu: Đội ngũ kỹ sư giàu kinh nghiệm sẵn sàng hỗ trợ bạn về kỹ thuật và lựa chọn sản phẩm phù hợp nhất cho mọi ứng dụng.
- Giá cả cạnh tranh: Đảm bảo giá tốt nhất đi kèm chất lượng, với chính sách chiết khấu hấp dẫn cho đơn hàng số lượng lớn, đặc biệt khi “mua vòng bi SKF số lượng lớn”.
MUA THÊM NHIỀU LOẠI VÒNG BI CHÍNH HÃNG KHÁC TẠI MECSU
11. Câu hỏi thường gặp về Vòng Bi SKF 6000-2RSH/C3
a. Vòng bi SKF 6000-2RSH/C3 có cần bảo dưỡng, tra mỡ không?
Vòng bi SKF 6000-2RSH/C3 được mua sẵn mỡ từ nhà máy và có hai lốc cao su (2RSH) tiếp xúc giúp giữ mỡ bên trong cực kỳ hiệu quả. Trong hầu hết các ứng dụng thông thường, vòng bi này được xem là “bảo trì trọn đời” và không cần tái bôi trơn. Điều này giúp tiết kiệm thời gian và chi phí bảo trì đáng kể, ngay cả trong môi trường giải quyết hoặc ẩm ướt.
b. Chữ “2RSH” và “C3” trong mã SKF 6000-2RSH/C3 có ý nghĩa gì?
- “2RSH” chỉ vòng bi có hai cột cao su (NBR) tiếp theo ở cả hai mặt, mang lại khả năng làm bụi bụi, nước và giữ tối ưu mỡ.
- “C3” chỉ ra rằng vòng bi có khoảng thời gian được định hướng lớn hơn tiêu chuẩn (Khoảng trống thông thường). Khen ngợi lớn hơn điều này giúp bù đắp cho hiện tượng tăng nhiệt, độ nổi và hoạt động tốt trong các ứng dụng có khả năng biến đổi nhiệt độ hoặc chịu tải va đập.
c. Vòng bi SKF 6000-2RSH/C3 có hoạt động tốt trong môi trường ẩm ướt không?
Có, với rỗ cao su 2RSH xúc tiếp, vòng bi này có khả năng làm kín rất tốt, ngăn chặn hiệu quả xâm nhập của nước và hơi ẩm. Vì vậy, đây là lựa chọn tuyệt vời cho các ứng dụng trong môi trường ẩm ướt, nhiều bụi hoặc cần vệ sinh bằng nước.
d. Làm sao biết vòng bi 6000-2RSH/C3 của tôi là hãng SKF chính hãng?

đ. Khi nào cần thay thế vòng bi 6000-2RSH/C3?
Bạn nên thay thế vòng bi khi nhận được các dấu hiệu sau:
- Tiếng ồn bất thường: Tiếng kêu lạo xạo, rít, hoặc gằn khi vòng bi quay, báo hiệu bi hoặc khu vực bị mòn hoặc mỡ đã suy giảm chất lượng.
- Tăng nhiệt độ: Bất ngờ tăng vòng trong quá trình hoạt động, có thể tăng hoặc tải trong quá trình.
- Độ cao lớn: Thiết bị hoạt động có tốc độ tăng lên đáng kể, ảnh hưởng đến hiệu suất và có thể gây nguy hiểm cho các bộ phận khác.
- Biến dạng vật lý: Phớt cao su bị rách, cứng, nứt hoặc có dấu hiệu hư hại nguy hiểm.
- Vòng bi bị khóa hoặc không được xóa.
Kinh nghiệm của các kỹ sư Mecsu: Kiểm tra định kỳ bằng cách lắng nghe tiếng ồn hoặc cảm nhận mức độ có thể giúp phát hiện sớm các dấu hiệu cần thiết, tránh nguy hiểm gây hại nghiêm trọng hơn cho toàn hệ thống. Đừng ngần ngại liên hệ với chúng tôi để được hỗ trợ kỹ thuật về bảo trì vòng bi hoặc thay thế vòng bi.
f. Mua vòng bi SKF 6000-2RSH/C3 chính hãng, uy tín ở đâu tại TP.HCM?
- Cam kết chất lượng: 100% sản phẩm có nguồn gốc rõ ràng, đầy đủ chứng từ CO, CQ. Chúng tôi cam kết hoàn tiền 100% hoặc đổi trả nếu sản phẩm không thuộc loại công thức chính.
- Giá cả cạnh tranh: Đảm bảo giá tốt nhất đi kèm chất lượng, với chính sách chiết khấu hấp dẫn cho đơn hàng số lượng lớn, đặc biệt khi “mua vòng bi SKF số lượng lớn”.
- Tư vấn chuyên sâu: Đội ngũ kỹ sư giàu kinh nghiệm sẵn sàng hỗ trợ bạn về kỹ thuật và lựa chọn sản phẩm phù hợp nhất.
- Chính sách hậu mãi: Đảm bảo quyền lợi tối đa cho khách hàng với dịch vụ hỗ trợ nhanh chóng, tận tâm.
MUA THÊM NHIỀU LOẠI VÒNG BI CHÍNH HÃNG KHÁC TAI MECSU
12. Liên Hệ và Hỗ Trợ Tư Vấn Vòng Bi SKF
Nếu bạn có bất kỳ thắc mắc nào về vòng bi SKF 6000-2RSH/C3 hoặc cần tư vấn về giải pháp vòng bi cho ứng dụng cụ thể của mình, đừng ngần ngại liên hệ với đội ngũ chuyên gia của Mecsu. Chúng tôi luôn sẵn sàng hỗ trợ bạn tìm kiếm các sản phẩm phù hợp và tối ưu nhất.
Địa chỉ: B28/I – B29/I Đường số 2B, KCN Vĩnh Lộc, P. Bình Hưng Hòa B, Q. Bình Tân, TP.HCM
Đường dây nóng: 1800 8137
Email: [email protected]
Trang web: mecsu.vn
13. Thông Tin Bổ Sung & Kinh nghiệm Thực Tế Từ Mecsu
a. Kinh nghiệm Thực Tế & Câu Chuyện Thành Công
Tại Mecsu, chúng tôi tự hào là đối tác đáng tin cậy của nhiều doanh nghiệp trong việc cung cấp các giải pháp chất lượng vòng cao. “Vòng bi SKF 6000-2RSH/C3”, với khả năng làm kín vượt trội, tuổi thọ dài và khả năng hoạt động ổn định trong môi trường khắc nghiệt, đã được ứng dụng trong nhiều dự án quan trọng của khách hàng chúng tôi tại “TP.Hồ Chí Minh” và các lưu huỳnh, mang lại hiệu quả vượt trội và là chứng minh cho sản phẩm chất lượng cùng kinh nghiệm thực tế của đội ngũ Mecsu:
- Ngành nông nghiệp và chế độ biến thực phẩm: Chúng tôi đã cung cấp “SKF 6000-2RSH/C3” cho các máy móc trong ngành nông nghiệp (máy cày, máy phun) và các dây leo chế biến thực phẩm, nơi thường xuyên tiếp xúc với Bụi Bụi, nước hoặc cần vệ sinh sinh học bằng nước. Khả năng làm kín của 2RSH đã giúp kéo dài tuổi thọ đáng kể của thiết bị.
- Lĩnh vực xe máy và thiết bị di động: Trong các bộ phận bánh xe, hệ thống truyền động của xe máy và xe đạp điện, nơi vòng bi phải chịu tải, tốc độ và môi trường Bụi bặm, ẩm ướt, “vòng bi 6000-2RSH/C3” đã chứng tỏ độ bền và độ tin cậy cao.
- Công nghiệp tự động hóa và robot: Trong một số ứng dụng robot và thiết bị tự động hóa có kích thước nhỏ nhưng yêu cầu khả năng chống bụi và cao su, vòng bi này đã đáp ứng hiệu quả nhờ khả năng làm hiệu quả kín.
b. Trích Dẫn Chuyên Gia
“SKF 6000-2RSH/C3” là giải pháp bảo vệ tuyệt vời cho những ứng dụng an toàn khỏi bụi bẩn, nước và thực phẩm là tối quan trọng. Thiết kế giải quyết vấn đề tiếp theo cùng với khe C3 giúp ổn định vòng bi này, kéo dài tuổi thọ tối thiểu và giảm thiểu nhu cầu bảo trì, ngay cả trong môi trường để giải quyết mối nguy hiểm. Đây là giải pháp đáng tin cậy cho nhiều công việc tại TP.HCM.”
— “Kỹ sư cơ khí Chuyên gia kỹ thuật Mecsu” (TP. Hồ Chí Minh) – Với hơn 10 năm kinh nghiệm trong lĩnh vực “bạc đạn công nghiệp”.
c. Tài Liệu Tham Khảo và Nghiên Cứu
Nội dung bài viết này được biên soạn dựa trên các tài liệu kỹ thuật chính quy và đáng tin cậy của SKF , cùng với kinh nghiệm thực tế chuyên sâu của Hoàng ngũ kỹ sư Mecsu, đảm bảo tính chính xác, cập nhật và chuyên môn môn môn môn môn môn cao:
- Danh mục sản phẩm SKF (Danh mục sản phẩm SKF chính thức) – Nguồn dữ liệu kỹ thuật chi tiết nhất về “vòng bi SKF”.
- Tài liệu kỹ thuật SKF Explorer – Vòng bi chuyên ngành sâu (Thông tin chuyên sâu về “vòng bi cầu sâu SKF Explorer”) – Cung cấp cái nhìn toàn diện về thế hệ vòng bi bền bỉ này.
- Bảng dữ liệu kỹ thuật (Datasheet) chi tiết của SKF 6000-2RSH/C3 – Nguồn thông số kỹ thuật chính xác.
- Trải nghiệm thực tế và phản hồi từ các dự án khách hàng của Mecsu – “Dữ liệu độc nhất” được thu thập từ hơn 10 năm cung cấp “linh kiện cơ khí” và “giải pháp vòng bi” cho doanh nghiệp tại Việt Nam.
Biên soạn bởi: Đội ngũ kỹ sư Mecsu
(Xem thêm thông tin về chúng tôi tại Website Mecsu )
Lưu ý: Hình ảnh sản phẩm có thể khác biệt so với sản phẩm thực tế của SKF. Vui lòng tham khảo thông số kỹ thuật chi tiết hoặc liên hệ Mecsu để có thông tin chính xác nhất về sản phẩm.


















Đánh giá
Chưa có đánh giá nào.