Mô tả sản phẩm
Thông tin CHUYÊN SÂU về Vòng Bi Cầu Rãnh Sâu SKF 6002-2Z (15x32x9) Nắp Chắn Thép (Hai Bên)
Mục Lục
- 1. Vòng Bi SKF 6002-2Z Là Gì? – Giải Thích Chuyên Sâu
- 2. Thông Số Kỹ Thuật Chi Tiết Của Vòng Bi Cầu SKF 6002-2Z
- 3. Cấu hình chi tiết Vòng Bi SKF 6002-2Z
- 4. Phân Tích Chuyên Sâu: Ký Hiệu 2Z của SKF 6002-2Z
- 5. Ưu và nhược điểm của Vòng Bi SKF 6002-2Z
- 6. Ứng dụng Thực Tế của Vòng Bi SKF 6002-2Z
- 7. Hướng Dẫn Đặt và Tháo Tháo SKF 6002-2Z
- 8. So Sánh Vòng Bi 6002-2Z với Các Loại 6002 Khác
- 9. Cách Phân Biệt Vòng Bi SKF 6002-2Z Thật – Giả – Lời Khuyên Từ Chuyên Gia Mecsu
- Dấu vết của vòng bi SKF 6002-2Z hàng chính hãng
- Dấu hiệu của vòng bi SKF 6002-2Z hàng giả/nhái
- 10. Giá Bán & Mô-ni Ý Mua Vòng Bi SKF 6002-2Z Chính Hãng Tại TP.HCM
- 11. Câu hỏi thường gặp về Vòng Bi SKF 6002-2Z
- 12. Liên Hệ và Hỗ Trợ Tư Vấn Vòng Bi SKF
- 13. Thông Tin Bổ Sung & Kinh nghiệm Thực Tế Từ Mecsu
1. Vòng Bi SKF 6002-2Z Là Gì? – Giải Thích Chuyên Sâu
Vòng bi cầu rãnh sâuSKF 6002-2Z là một loại vòng bi đặc biệt được thiết kế với khả năng làm kín và bảo vệ tối ưu khỏi các yếu tố nguy hại từ môi trường bên ngoài. Mã “6002” chỉ định kích thước cơ sở cho đường kính trong (d) 15mm, đường kính ngoài (D) 32mm và chiều dày (B) 9mm.
Điểm khác biệt chính của sản phẩm này nằm ở hậu tố:
- “2Z”: Cho biết vòng bi được trang bị hai dây thép (khiên) ở cả hai bên. Các sản phẩm này tạo ra một khe hở nhỏ với vòng trong, giúp ngăn chặn bụi bẩn và các hạt xâm nhập vào vòng bi, đồng thời giữ mỡ bôi trơn bên trong. Loại sản phẩm thép “không tiếp xúc” này giúp duy trì ma sát cực kỳ thấp và cho phép vòng bi đạt tốc độ quay rất cao. Vòng bi này thường được tra mỡ sẵn từ nhà máy.
SKF 6002-2Z là lựa chọn phù hợp nhất cho các ứng dụng cần bảo vệ khỏi bụi bẩn từ cả hai phía, tốc độ chậm, tốc độ cao và yêu cầu bảo trì ở mức tối thiểu để có sẵn lượng mỡ.
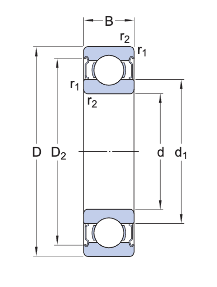
2. Thông Số Kỹ Thuật Chi Tiết Của Vòng Bi Cầu SKF 6002-2Z
d: Đường kính trong
D: Đường kính ngoài
B: Bề dày
C: Tải cơ sở dữ liệu danh sách
C0: Tải danh sách cơ sở dữ liệu tĩnh
Pu: Giới hạn tải mệt mỏi
| Thông số | Giá trị |
|---|---|
| Mã sản phẩm | 6002-2Z |
| Loại vòng bi | Vòng Bi Cầu Rãnh Sâu (Vòng Bi Rãnh Sâu) |
| Đường kính trong (d) | 15 mm |
| Đường kính ngoài (D) | 32 mm |
| Bề dày (B) | 9 mm |
| Tải cơ sở dữ liệu quan trọng (C) | 5,85 kN |
| Tải quan trọng cơ sở dữ liệu danh sách (C0) | 2,85 kN |
| Tốc độ tham chiếu | 50 000 vòng/phút |
| Tốc độ giới hạn | 26 000 vòng/phút |
| Vòng cách | Thép tấm (Sheet metal) |
| Nắp thép hai bên (2Z) | Nắp thép hai bên (2Z) |
| Loại Chắc Dầu | Không tiếp tục (Không tiếp tục) |
| Khe khe trong hướng kính | CN (Tiêu chuẩn) |
| Thương hiệu | SKF |
| Hình dạng lỗ máy xúc | Trụ thẳng (Cylindrical) |
| Tra mỡ sẵn | Có (Trà mỡ có sẵn từ nhà máy) |
| Làm kín tích hợp | Có (tăng tuổi thọ công việc của ổ bi) |
| Ma sát | Thấp |
| Độ âm và rung động | Được tối ưu hóa cho độ ồn và mức độ thấp |
| Khả năng chịu tải | Chịu được tải kính và hướng trục theo cả hai hướng |
| Yêu cầu bảo trì | Low (bôi trơn sẵn từ nhà) |
| Lớp hiệu suất SKF | SKF Explorer |
3. Cấu hình chi tiết Vòng Bi SKF 6002-2Z
Vòng bi SKF 6002-2Z được cấu hình từ các bộ phận chính, mỗi bộ phận đóng vai trò quan trọng trong công việc đảm bảo hiệu suất hoạt động và độ bền:
Sơ đồ cấu hình Vòng Bi Cầu Rãnh Sâu SKF 6002-2Z với dây thép trong:
- Vòng trong/ngoài: Được chế tạo từ thép chịu lực cao, cùng với khu vực Yên tĩnh, chịu tải chính.
- Bi cầu: Sản phẩm sản xuất từ thép siêu chính xác và được xử lý nhiệt đặc biệt để giảm độ cứng, tăng cường độ cứng và độ bền.
- Vòng cách: Làm bằng thép tấm (Tấm kim loại), có chức năng giữ các thành viên bi cách đều nhau, đảm bảo vòng bi vận hành ái và ổn định.
- Cap thép (2Z): Đây là dạng đặc biệt của loại vòng bi này. Hai tấm thép được làm từ các tấm thép, gắn chặt vào vòng bên ngoài và có một khe nhỏ không tiếp giáp với vòng trong. “2Z” chỉ ra rằng vòng bi có sợi dây như vậy ở cả hai bên. Mũ bảo vệ này cung cấp khả năng bảo vệ tốt chống lại bụi bẩn và các hạt xâm nhập vào vòng bi từ cả hai phía, đồng thời giúp giữ mỡ bôi trơn bên trong. Giúp đỡ tính năng không tiếp xúc, ma sát trong vòng bi là cực kỳ thấp. Vòng bi này có thể được mua sẵn từ nhà máy, giúp giảm thiểu bảo trì.
- Khe CN (Tiêu chuẩn): Đây là khe hở trong tiêu chuẩn của vòng bi, phù hợp để hầu hết các ứng dụng thông thường.
4. Phân Tích Chuyên Sâu: Ký Hiệu 2Z của SKF 6002-2Z
Để thực sự hiểu được giá trị của vòng bi SKF 6002-2Z, việc phân tích sâu hơn về yếu tố thì chốt: “ký hiệu 2Z” là rất quan trọng.
Ký hiệu “2Z” – Hai sản phẩm thép không tiếp xúc:
- Chức năng chính: Cung cấp khả năng làm kín tốt từ cả hai phía, bảo vệ vòng bi khỏi bụi bẩn, các hạt lớn và giúp giữ mỡ bôi trơn bên trong.
- Đặc điểm nổi bật: Là loại sản phẩm không tiếp xúc. Điều này có nghĩa là thép không trực tiếp vào vòng trong bi, tạo ra một khe nhỏ ở cả hai bên.
- Ưu điểm vượt trội:tình yêu tiếp xúc, ma sát trong vòng bi là cực kỳ thấp, cho phép vòng bi đạt được tốc độ quay rất cao (tốc độ giới hạn 26000 vòng/phút). Điều này giúp chạy vòng và mang lại kết quả cao hơn. Vòng bi này được tra mỡ sẵn từ nhà máy, giảm đáng kể nhu cầu bảo trì định kỳ.
- Chế độ: Mặc dù tốt để ngăn chặn bụi lớn, khả năng làm kín của sản phẩm thép không có hiệu quả bằng cách sử dụng nhựa cao su (RSH) trong việc ngăn chặn bụi, nước hoặc chất thải. Nếu môi trường làm việc có nhiều nước hoặc độ ẩm cao, vẫn có khả năng chứa hơi ẩm hoặc chất xâm nhập qua khe nhỏ.
5. Ưu và nhược điểm của Vòng Bi SKF 6002-2Z
Vòng bi SKF 6002-2Z là đơn vị lựa chọn phù hợp cho nhiều ứng dụng nhờ khả năng bảo vệ tốt từ bờ biển, tốc độ cao và đặc tính vận hành hành tình tình ái, kèm theo công việc được tra mỡ sẵn. Tuy nhiên, cũng cần cân nhắc các ưu và nhược điểm của nó để lựa chọn phù hợp nhất.Ưu điểm nổi bật:
- Bảo vệ an toàn khỏi bụi bẩn: Với hai dây thép (2Z) ở cả hai bên, vòng bi được bảo vệ rất tốt khỏi bụi bẩn và các hạt lớn xâm nhập từ môi trường, giúp kéo dài tuổi thọ làm việc.
- Ma sát cực thấp và sinh nhiệt ít: Mũ thép là loại không tiếp xúc, giúp giảm bớt ma sát đáng kể, từ đó giảm nhiệt sinh học và tăng hiệu quả năng lượng.
- Vận hành thân ái và giảm ồn: Cảm ơn ma sát thấp, vòng bi 2Z hoạt động siêu ái và ít gây ồn ào.
- Tốc độ quay rất cao: Yêu cầu ma sát, vòng bi có thể hoạt động ở tốc độ rất cao (tốc độ giới hạn 26000 vòng/phút), phù hợp cho nhiều ứng dụng yêu cầu hiệu suất cao.
- Tra mỡ sẵn từ nhà máy: Vòng bi được tra mỡ sẵn, giúp giảm đáng kể nhu cầu bảo trì định kỳ, tiết kiệm thời gian và chi phí cho người dùng.
Nhược điểm cần lưu ý:
- Khả năng làm kín khí thải và bụi: Mặc dù tốt để giải phóng bụi lớn, Sản phẩm thép không có khả năng làm kín bằng phun cao su (RSH) khi môi trường có nước, hơi nước hoặc hóa chất dư và bụi. Vẫn có khả năng xâm nhập vào khe nhỏ.
- Không thể tái bôi trơn dễ dàng: Do có sản phẩm cố định, việc tái bôi trơn (tra thêm mỡ) cho vòng bi này sẽ khó khăn hơn so với vòng bi mở. Tuy nhiên, với mỡ được tra sẵn từ nhà máy và khả năng làm kín tốt, nhu cầu tái bôi trơn thường rất thấp.
6. Ứng dụng Thực Tế của Vòng Bi SKF 6002-2Z
Với khả năng đảm bảo tốc độ cao, ma sát thấp, vận hành hành động bạn ái, khả năng bảo vệ tốt khỏi bụi rậm từ cả hai phía, và đặc biệt là được tra mỡ sẵn, vòng bi SKF 6002-2Z là giải pháp lựa chọn lý tưởng cho các ứng dụng công nghiệp đa dạng, đặc biệt là trong môi trường có bụi, yêu cầu tốc độ chậm, tốc độ cao và ít bảo trì:
- Động cơ điện và máy phát điện: Nơi cần có tốc độ cao, độ ồn thấp và khả năng bảo vệ bụi tốt từ cả hai phía.
- Máy công cụ: Trong các công cụ hoạt động trong môi trường tương đối sạch nhưng cần độ chính xác và tốc độ quay cao.
- Quạt và máy thổi: Trong các hệ thống thông gió, máy thổi khí, nơi cần hoạt động liên tục, chịu được bụi và vận hành cô ái.
- Hộp số và bộ truyền động: Trong hệ thống truyền tải số lượng cần có hoạt động trơn tru vòng ở tốc độ cao và giảm thiểu bảo trì.
- Thiết bị tự động hóa: Trong các cánh tay robot, thiết bị đo sáng, nơi cần độ chính xác cao, tốc độ và ít tiếng ồn.
- Tải hệ thống băng: Trong quá trình tải băng, nơi cần được bảo vệ và giảm thiểu bảo trì.
7. Hướng Dẫn Đặt và Tháo Tháo SKF 6002-2Z
Để đảm bảo tuổi thọ và hiệu suất tối ưu cho vòng bi SKF 6002-2Z, cách lắp đặt và gỡ bỏ chính xác là vô cùng quan trọng. luôn thủ tục các nguyên tắc an toàn và kỹ thuật của các nhà sản xuất. Mecsu cung cấp hướng dẫn chi tiết dựa trên kinh nghiệm thực tế:
- Chuẩn bị: Đảm bảo môi trường làm việc sạch sẽ, khô ráo. Chuẩn bị đầy đủ các dụng cụ chuyên dụng như ống lót, búa mềm, dụng cụ ép, máy gia nhiệt (nếu cần). Luôn đeo dây bảo vệ và kính bảo hộ để đảm bảo an toàn. Kiểm tra dụng cụ và gối phải sạch sẽ, không có lỗ hổng và bảo đảm sai dịch vụ. Lưu ý quan trọng: Vòng bi này có thể tra mỡ sẵn từ nhà máy nên không cần tra thêm mỡ khi gắn vào hầu hết các ứng dụng.
- Lắp đặt:
- Phương pháp cơ khí: Đối với vòng bi có kích thước này, việc sử dụng ống lót và búa (búa mềm) vẫn khả thi nếu hoạt động lực đều đặn và đúng vào vòng trong (khi gắn lên trục) hoặc vòng ngoài (khi gắn vào đệm hỗ trợ). Đảm bảo tác dụng không cần thiết phải sử dụng sản phẩm thép để tránh làm hỏng sản phẩm.
- Phương pháp gia nhiệt: Đây là phương pháp tối ưu cho vòng bi có đường kính trong 15mm. Gia nhiệt vòng bi bằng thiết bị gia nhiệt chuyên dụng (ví dụ: SKF Induction Heater) đến nhiệt độ khoảng 80-100°C. Vòng bi sẽ giãn nở, dễ dàng lắp vào trục mà không cần dùng lực lớn. Đảm bảo vòng lặp được đặt đúng vị trí trước khi ngừng hoạt động. Tuyệt đối không gia nhiệt bằng ngọn lửa trực tiếp hoặc nhiệt độ quá cao.
- Lưu ý: Với vòng bi 2Z, Sản phẩm cáp được thiết kế để bảo vệ cả hai phía, giúp giảm thiểu nguy cơ nhiễm trùng từ mọi hướng và giảm nhu cầu bảo trì.
- Gỡ bỏ:
- Sử dụng công cụ hỗ trợ chuyên nghiệp (cảo cơ hoặc thủy lực phù hợp với kích thước vòng bi) để xoay vòng một cách an toàn và không gây hư hỏng cho xẹp hoặc gối hỗ trợ. Tác dụng lực đều và đúng ở vòng trong (khi rút xẹp) hoặc vòng ngoài (khi rút gối).
- Đối với các trường hợp khó khăn, có thể sử dụng phương pháp gia nhiệt vòng trong (nếu rút trục vít) hoặc vòng ngoài (nếu rút gối hỗ trợ) để giãn nở, giúp tháo gỡ dễ dàng hơn.
- Tránh dùng đập trực tiếp lên các sinh vật học hoặc các bộ phận khác có thể gây ra các dạng biến đổi, hư hỏng. Việc này không chỉ làm hỏng vòng bi mà còn tiềm ẩn nguy hiểm.
- Người bảo vệ: Nếu không sử dụng ngay, hãy giữ vòng bi trong bao bì gốc của nhà sản xuất, ở nơi khô ráo, thoáng mát, tránh ánh nắng trực tiếp và các chất hóa học ăn mòn để ngăn chặn sét và bụi nguy hiểm xâm nhập.
8. So Sánh Vòng Bi 6002-2Z với Các Loại 6002 Khác
Việc hiểu rõ sự khác biệt giữa các loại vòng bi 6002 SKF sẽ giúp bạn lựa chọn sản phẩm phù hợp nhất để lựa chọn ứng dụng của mình, hiệu suất tối ưu hóa và chi phí đầu tư. Bảng so sánh dưới đây tập trung vào các loại khác nhau giữa các loại keo, bôi trơn và khướt:
| Tiêu chí | SKF 6002-2Z (2 Thép, CN) | SKF 6002-Z/C3H (1 Nắp thép, C3H) | SKF 6002-RSH/C3 (1 Phớt cao su, C3) | SKF 6002-2RSH (2 Phớt cao su, CN) | SKF 6002 (Mở, CN) |
|---|---|---|---|---|---|
| Chất liệu/Chắc chắn | Mũ thép (Shield) – 2 bên (Không tiếp xúc) | Mũ thép (Shield) – 1 bên (Không tiếp xúc) | Phớt cao su NBR (RSH) – 1 bên (Tiếp xúc) | Phớt cao su (NBR) – 2 bên (Tiếp xúc) | Không có leo/nào (Mở) |
| Khả năng làm kín | Tốt (chuỗi bụi lớn ở phía sau) | Trung Bình (Rút bụi về một bên) | Vượt lên (ngăn bụi, nước, giữ mỡ tối đa) ở một bên | Vượt lên (ngăn bụi, nước, giữ mỡ tối đa) ở hai bên | Siêu tiết kiệm (dễ bị bụi bẩn, mỡ máu) |
| Khe khe hướng kính | CN (Tiêu chuẩn) | C3H (Tiêu chuẩn lớn hơn, kích thước ổn định) | C3 (Lớn hơn tiêu chuẩn) | CN (Tiêu chuẩn) | CN (Tiêu chuẩn) |
| Tốc độ quay tối đa | 26 000 vòng/phút ( Giới hạn, cực cao) | 34 000 vòng/phút ( Giới hạn, cao) | 20 000 vòng/phút ( Giới hạn, trung bình) | 17 000 vòng/phút ( Giới hạn, thấp nhất) | 38 000 vòng/phút ( Giới hạn, cao nhất) |
| Khả năng chống ẩm/lỏng | Trung bình (số lượng lớn) | Kém (một khoảng, chỉ ngăn bụi lớn) | Rất tốt (ở một phía) | Rất tốt (ở hai phía) | Rất kém |
| Tra mỡ sẵn | Có (Trà mỡ có sẵn từ nhà máy) | Không (Cần tra mỡ khi mount) | Có (Trà mỡ có sẵn từ nhà máy) | Có (Trà mỡ sẵn đời) | No (Cần bôi trơn liên tục) |
| Nhu cầu bảo trì | Low (bôi trơn sẵn từ nhà) | Trung bình (cần bôi trơn và có thể định nghĩa) | Low (bôi trơn sẵn từ nhà) | Rất thấp (bôi trơn đời môi trường bình thường) | Cao (cần bôi trơn bất kỳ hoặc bôi trơn liên tục từ bên ngoài hệ thống) |
| Độ âm / Rung động | Very low (làm ma sát) | Thấp (do ma sát thấp) | Low (có thể cao hơn 2Z một chút do ma sát) | Low (có thể cao hơn 2Z một chút do ma sát) | Thấp |
| Giá thành | Trung bình cao | Trung bình cao (làm xử lý nhiệt đặc biệt) | Cao | Cao nhất | Thấp nhất |
| Ứng dụng điển hình | Động cơ điện, máy hút, quạt công nghiệp, máy công cụ, hộp số, nơi cần tốc độ cao, ma sát và môi trường tương đối sạch, được tra mỡ sẵn. | Động cơ điện, hộp số, máy công cụ, quạt công nghiệp trong môi trường tương đối nhưng có nhiệt độ cao hoặc có hệ thống bôi trơn tập trung, nơi cần tốc độ cao và ổn định kích thước ở nhiệt độ cao. | Máy xông hơi, máy nông nghiệp, thiết bị ngoài trời, thiết bị chế biến thực phẩm (chỉ khi phù hợp với vật liệu tài nguyên), nơi cần bảo vệ vượt trội khỏi nước, bụi từ một phía và thích ứng với thư giãn hoặc tải nặng. | Máy nông nghiệp, máy xây dựng, thiết bị chế biến thực phẩm, máy rửa xe, công nghiệp khai thác mỏ, nơi cần bảo vệ tối đa khỏi ô nhiễm ô nhiễm nhiễm trùng (bụi, nước, hóa chất) và duy trì bôi trơn. | Thiết bị cần tốc độ cực cao, môi trường rất sạch sẽ, có hệ thống bôi trơn bên ngoài hoặc các ứng dụng không mở rộng, nơi yêu cầu hiệu suất tối đa. |
9. Cách Phân Biệt Vòng Bi SKF 6002-2Z Thật – Giả – Lời Khuyên Từ Chuyên Gia Mecsu
Thị trường hiện nay có rất nhiều hàng giả, hàng giả chất lượng, đặc biệt là với các sản phẩm vòng bi SKF chính hãng được ưa chuộng. Để đảm bảo bạn mua được vòng bi SKF 6002-2Z chính hãng tại TP.HCM, Mecsu khuyến nghị kiểm tra các dấu hiệu sau:
a. Hãng dấu hiệu bi SKF 6002-2Z :
- Bao bì chất lượng cao: Sắc nét, màu xanh đặc trưng của SKF, sản phẩm thông tin rõ ràng, đầy đủ mã vạch/QR code và thông tin xuất xứ. Bạn sẽ tìm thấy công nghệ trong từng chi tiết.
- In ấn trên vòng bi sắc nét: Logo SKF, sản phẩm mã hóa hóa (6002-2Z) và nhà sản xuất quốc gia được in hoặc khắc vết vết sắc nét bằng laser, xóa xóa, không lem, không sai phông chữ, rất khó bị tẩy xóa.
- Mã QR/Bar code xác thực: Có thể quét bằng ứng dụng “SKF Authenticate” trên điện thoại di động thông minh để xác thực nguồn gốc và tính chính hãng của sản phẩm. Đây là công cụ hữu ích nhất của SKF để chống hàng giả.
- Nắp thép chắc chắn (2Z) hoàn thiện: Nắp đậy được gắn chắc chắn, không có khe hở bất thường, không bị đóng gói hoặc biến đổi. Bề mặt của sản phẩm sáng bóng, không cài đặt được.
- Cảm giác vận hành mượt mà: Khi quay vòng bằng tay, bạn sẽ cảm nhận được tốc độ mượt mà, trơn tru, giảm đau và ồn ào. Không có tiếng kêu lạ hoặc cảm giác giác.
- Chứng từ đầy đủ: Nhà cung cấp uy tín sẽ cung cấp đầy đủ “CO” (chứng nhận xuất xứ) và “CQ” (chứng nhận chất lượng) từ nhà sản xuất, đảm bảo nguồn gốc và chất lượng sản phẩm.
b. Dấu hiệu của vòng bi SKF 6002-2Z hàng giả/nhái:
- In ấn mờ nhạt, sai chính tả, phông chữ lạ, thiếu thông tin hoặc không chính xác trên cả bao bì và vòng bi.
- Bao bì thô, tiêu chuẩn trôi màu SKF, thiếu thông tin quan trọng hoặc có dấu hiệu làm lại.
- Nắp thép có thể được rút gọn, thu gọn, thu gọn hoặc không sử dụng.
- Không có mã QR hoặc mã hóa không quét được hoặc quét ra thông tin không khớp với sản phẩm chính hãng.
- Khi quay tay có tiếng kêu lạo xạo, cảm giác giác, nặng, hoặc độ rơ bất thường làm gia công chính xác.
- Giá bán rẻ không được mong đợi so với thị trường của các hãng sản phẩm chính – đây là dấu hiệu cảnh báo lớn nhất.
Lời khuyên từ Mecsu: Để tránh rủi ro mua phải hàng giả, chất lượng an toàn, bạn nên chọn mua vòng bi SKF từ các nhà phân phối ủy quyền hoặc đại lý uy tín có bằng chứng nhận rõ ràng tại TP.HCM. Mecsu cam kết cung cấp sản phẩm chính hãng 100%.
10. Giá Bán & Mô-ni Ý Mua Vòng Bi SKF 6002-2Z Chính Hãng Tại TP.HCM
a.Giá vòng bi SKF 6002-2Z (TP.Hồ Chí Minh) tại Mecsu: Giá: 73,267đ/ Cái (đã có VAT) – Giá hợp lý, phù hợp với chất lượng sản phẩm chính hãng
Liên hệ để nhận báo giá tốt nhất (giá có thể thay đổi tùy thời điểm và số lượng) – Giá hợp lý, phù hợp với chất lượng sản phẩm chính hãng SKF tại thị trường vòng bi TP.HCM.
b. Gợi ý mua vòng bi chính hãng SKF uy tín
- Chọn nhà cung cấp uy tín tại TP.HCM: Ưu tiên đối tác có bằng chứng nhận từ SKF hoặc đơn vị lâu năm, được nhiều khách hàng tin tưởng và có danh tiếng trên thị trường cung cấp linh kiện cơ khí tại TP.HCM.
- Kiểm tra chứng từ đầy đủ: Luôn yêu cầu đầy đủ “CO” (chứng nhận xuất xứ) và “CQ” (chứng nhận chất lượng) để đảm bảo nguồn gốc và chất lượng của sản phẩm. Điều này giúp bạn tránh mua phải “vòng bi SKF giả” trên thị trường.
- Mua tại Mecsu – Đại lý ủy quyền SKF tại Việt Nam: Mecsu tự hào là nhà phân phối chính hãng SKF tại Việt Nam, cam kết cung cấp “vòng bi SKF 6002-2Z chính hãng” và các loại “bạc đạn SKF khác” với nhiều lợi ích vượt trội:
- 100% sản phẩm chính hãng: Đảm bảo nguồn gốc rõ ràng, đầy đủ chứng từ. Chúng tôi cam kết hoàn tiền 100% hoặc đổi trả nếu sản phẩm không thuộc loại công thức chính.
- Chính sách bảo hành minh bạch: Hỗ trợ đổi trả nếu nhà sản xuất gặp lỗi, mang lại sự an tâm tuyệt đối cho khách hàng.
- Hỗ trợ kỹ thuật chuyên sâu: Đội ngũ kỹ sư giàu kinh nghiệm sẵn sàng hỗ trợ bạn về kỹ thuật và lựa chọn sản phẩm phù hợp nhất cho mọi ứng dụng.
- Giá cả cạnh tranh: Đảm bảo giá tốt nhất đi kèm chất lượng, với chính sách chiết khấu hấp dẫn cho đơn hàng số lượng lớn, đặc biệt khi “mua vòng bi SKF số lượng lớn”.
MUA THÊM NHIỀU LOẠI VÒNG BI CHÍNH HÃNG KHÁC TẠI MECSU
11. Câu hỏi thường gặp về Vòng Bi SKF 6002-2Z
. Vòng bi SKF 6002-2Z có cần bảo dưỡng, tra mỡ không?
Vòng bi SKF 6002-2Z có hai dây thép (2Z) ở cả hai bên và được mua sẵn từ nhà máy. Do đó, trong hầu hết các ứng dụng thông thường, vòng bi này không cần bảo dưỡng hay tra mỡ định kỳ, giúp giảm thiểu chi phí và thời gian bảo trì.
b. Chữ “2Z” trong mã SKF 6002-2Z có ý nghĩa gì?
- Chữ “2Z” chỉ có hai dây thép ở cả hai bên, là loại sản phẩm thép không tiếp tục trong vòng. Điều này mang lại khả năng làm kín tốt, chống lại bụi bẩn và hạt lớn từ cả hai phía, đồng thời duy trì mức độ nguy hiểm và cho phép tốc độ quay cao.
c. Vòng bi SKF 6002-2Z có phải là vòng bi chịu nhiệt không?
Vòng bi 6002-2Z không có ký hiệu đặc biệt về chịu nhiệt độ cao như “H” hay “HT” trong sản phẩm mã hóa hóa. Tuy nhiên, với chất lượng được tạo ra từ SKF và chất béo có sẵn, nó vẫn hoạt động tốt trong phạm vi nhiệt độ hoạt động thông thường của vòng bi. Nếu ứng dụng của bạn đòi hỏi nhiệt độ cực cao, có thể cần xem xét các loại vòng bi hoặc bôi trơn chuyên dụng hơn.
d. Làm sao biết vòng bi 6002-2Z của tôi là hãng SKF chính hãng?
Bạn nên mua từ nhà phân phối ủy quyền (như Mecsu), kiểm tra bao bì (logo, mã QR rõ ràng), vòng bi có khắc lazer sắc nét. Điều quan trọng nhất, hãy sử dụng ứng dụng SKF Authenticate để quét mã và kiểm tra trực tiếp từ SKF. Đây là cách chắc chắn nhất để phân biệt vòng bi SKF thực sự.
đ. Khi nào cần thay thế vòng bi 6002-2Z?
Bạn nên thay thế vòng bi khi nhận được các dấu hiệu sau:
- Tiếng ồn bất thường: Tiếng kêu lạo xạo, rít, hoặc kêu khi vòng bi quay, báo hiệu bi hoặc khu vực mòn.
- Tăng nhiệt độ: Vòng bi nóng lên bất thường trong quá trình hoạt động, có thể quá tải, hư hỏng bên trong hoặc tuổi thọ của mỡ bôi trơn đã hết.
- Độ cao lớn: Thiết bị hoạt động có tốc độ tăng lên đáng kể, ảnh hưởng đến hiệu suất và có thể gây nguy hiểm cho các bộ phận khác.
- Biến dạng vật lý: Mũ thép bị cong, hoặc vòng bi bị mài mòn, thiết lập thu gọn.
- Vòng bi bị khóa hoặc không được xóa.
Kinh nghiệm của các kỹ sư Mecsu: Mặc dù vòng bi 6002-2Z được tra mỡ sẵn và ít cần bảo dưỡng, công việc giám sát bất kỳ độ ồn và nhiệt độ nào vẫn rất quan trọng để phát hiện sớm các dấu hiệu cần thay thế, tránh gây tổn hại chất béo hơn cho toàn bộ hệ thống. Đừng ngần ngại liên hệ với chúng tôi để được hỗ trợ kỹ thuật về bảo trì vòng bi hoặc thay thế vòng bi.
f. Mua vòng bi SKF 6002-2Z chính hãng, uy tín ở đâu tại TP.HCM?
Mua vòng bi Skf 6002-2Z chinh hãng và đảm bảo chất lượng tại TP.HCM, bạn hãy liên hệ ngay với Mecsu. Chúng tôi tự hào là nhà cung cấp uy tín, chuyên phân phối các sản phẩm SKF chính hãng tại Việt Nam.
- Cam kết chất lượng: 100% sản phẩm có nguồn gốc rõ ràng, đầy đủ chứng từ CO, CQ. Chúng tôi cam kết hoàn tiền 100% hoặc đổi trả nếu sản phẩm không thuộc loại công thức chính.
- Giá cả cạnh tranh: Đảm bảo giá tốt nhất đi kèm chất lượng, với chính sách chiết khấu hấp dẫn cho đơn hàng số lượng lớn, đặc biệt khi “mua vòng bi SKF số lượng lớn”.
- Tư vấn chuyên sâu: Đội ngũ kỹ sư giàu kinh nghiệm sẵn sàng hỗ trợ bạn về kỹ thuật và lựa chọn sản phẩm phù hợp nhất.
- Chính sách hậu mãi: Đảm bảo quyền lợi tối đa cho khách hàng với dịch vụ hỗ trợ nhanh chóng, tận tâm.
MUA THÊM NHIỀU LOẠI VÒNG BI CHÍNH HÃNG KHÁC TAI MECSU
12. Liên Hệ và Hỗ Trợ Tư Vấn Vòng Bi SKF
Nếu bạn có bất kỳ thắc mắc nào về vòng bi SKF 6002-2Z hoặc cần tư vấn về giải pháp vòng bi cho ứng dụng cụ thể của mình, đừng ngần ngại liên hệ với đội ngũ chuyên gia của Mecsu. Chúng tôi luôn sẵn sàng hỗ trợ bạn tìm ra sản phẩm phù hợp và tối ưu nhất, đồng thời cung cấp những kiến thức độc quyền về kỹ thuật bảo trì vòng bi mà bạn khó tìm thấy ở những nơi khác.
Địa chỉ: B28/I – B29/I Đường số 2B, KCN Vĩnh Lộc, P. Bình Hưng Hòa B, Q. Bình Tân, TP.HCM
Đường dây nóng: 1800 8137
Email: [email protected]
Trang web: mecsu.vn
13. Thông Tin Bổ sung & Kinh nghiệm Thực Tế Từ Mecsu
a. Kinh nghiệm Thực Tế & Câu Chuyện Thành Công
Tại Mecsu, chúng tôi tự hào là đối tác đáng tin cậy của nhiều doanh nghiệp trong việc cung cấp các giải pháp chất lượng cao vòng vòng. “Vòng bi SKF 6002-2Z”, với khả năng vận hành tốc độ cao, khả năng bảo vệ bụi toàn diện và công việc được tra mỡ sẵn, được ứng dụng trong nhiều dự án quan trọng của khách hàng tôi tại “TP.Hồ Chí Minh” và các tỉnh lân cận, mang lại hiệu quả vượt trội và là chứng minh cho sản phẩm chất lượng cùng kinh nghiệm thực tế của đội ngũ Mecsu:
- Công nghiệp ô tô và xe máy: Trong các bộ phận truyền động, động cơ, nơi cần sự bền bỉ, khả năng chịu tốc độ cao và hoạt động ổn định trong môi trường có bụi.
- Máy móc công nghiệp nhẹ và trung bình: Trong các thiết bị hoạt động liên tục, nơi cần giảm thiểu bảo trì và bảo vệ tốt khỏi ô nhiễm tế bào.
- Thiết bị điện tử công nghiệp: Các thiết bị cần hoạt động tiểu ái, chính xác và đáng tin cậy trong các dây xích sản xuất.
- Hệ thống thông gió và điều hòa không khí: Trong quạt công nghiệp, hệ thống HVAC, nơi vòng bi hoạt động liên tục và cần khả năng chống bụi tốt.
b. Trích Dẫn Chuyên Gia
““SKF 6002-2Z” là một lý tưởng giải pháp lựa chọn lý tưởng cho các ứng dụng Đòi hỏi sự vận hành đáng tin cậy với tốc độ cao và nhu cầu bảo trì thấp. Khả năng làm bằng sắt thép bảo vệ hiệu quả khỏi bụi bẩn, kéo dài tuổi thọ vòng bi và giảm chi phí hoạt động ở mức tối thiểu.”
— “Kỹ sư cơ khí Chuyên gia kỹ thuật Mecsu” (TP. Hồ Chí Minh) – Với hơn 10 năm kinh nghiệm trong lĩnh vực “bạc đạn công nghiệp”.
c. Tài Liệu Tham Khảo và Nghiên Cứu
Nội dung bài viết này được biên soạn dựa trên các tài liệu kỹ thuật chính quy và đáng tin cậy của SKF , cùng với kinh nghiệm thực tế chuyên sâu của đội ngũ kỹ sư Mecsu, đảm bảo tính chính xác, cập nhật và chuyên môn môn môn cao:
- Danh mục sản phẩm SKF (Danh mục sản phẩm SKF chính thức) – Nguồn dữ liệu kỹ thuật chi tiết nhất về “vòng bi SKF”.
- Tài liệu kỹ thuật SKF Explorer – Vòng bi chuyên ngành sâu (Thông tin chuyên sâu về “vòng bi cầu sâu SKF Explorer”) – Cung cấp cái nhìn toàn diện về thế hệ vòng bi bền bỉ này.
- Bảng dữ liệu kỹ thuật (Datasheet) chi tiết của SKF 6002-2Z và các ký hiệu hậu tố của SKF – Nguồn thông số kỹ thuật chính xác.
- Trải nghiệm thực tế và phản hồi từ các dự án khách hàng của Mecsu – “Dữ liệu độc nhất” được thu thập từ hơn 10 năm cung cấp “linh kiện cơ khí” và “giải pháp vòng bi” cho doanh nghiệp tại Việt Nam.
Biên soạn bởi: Đội ngũ kỹ sư Mecsu
Với hơn 10 năm kinh nghiệm chuyên sâu trong lĩnh vực phân phối và tư vấn giải pháp vòng bi, đội ngũ kỹ sư của Mecsu cam kết mang đến những thông tin chính xác, cập nhật và hữu ích nhất, giúp quý khách hàng đưa ra loại sản phẩm tối ưu cho mọi ứng dụng.
(Xem thêm thông tin về chúng tôi tại Website Mecsu )
Lưu ý: Hình ảnh sản phẩm có thể khác biệt so với sản phẩm thực tế của SKF. Vui lòng tham khảo thông số kỹ thuật chi tiết hoặc liên hệ Mecsu để có thông tin chính xác nhất về sản phẩm.



















Đánh giá
Chưa có đánh giá nào.