Mô tả sản phẩm
Thông tin CHUYÊN SÂU về Vòng Bi Cầu Rãnh Sâu SKF 6002-2RSH (15x32x9) Phố Cao Su NBR Tiếp xúc (Hai Bên)
Mục Lục
- 1. Vòng Bi SKF 6002-2RSH Là Gì? – Giải Thích Chuyên Sâu
- 2. Thông Số Kỹ Thuật Chi Tiết Của Vòng Bi Cầu SKF 6002-2RSH
- 3. Cấu hình Chi Tiết Vòng Bi SKF 6002-2RSH
- 4. Phân Tích Chuyên Sâu: Phớt Cao Su 2RSH của SKF 6002-2RSH
- 5. Ưu và nhược điểm của Vòng Bi SKF 6002-2RSH
- 6. Ứng dụng Thực Tế của Vòng Bi SKF 6002-2RSH
- 7. Hướng Dẫn Đặt và Tháo Tháo SKF 6002-2RSH
- 8. So Sánh Vòng Bi 6002-2RSH với Các Loại 6002 Khác
- 9. Cách Phân Biệt Vòng Bi SKF 6002-2RSH Thật – Giả – Lời Khuyên Từ Chuyên Gia Mecsu
- Dấu hiệu của vòng bi SKF 6002-2RSH hàng chính hãng
- Dấu hiệu của vòng bi SKF 6002-2RSH hàng giả/nhái
- 10. Giá Bán & Mô-ni Ý Mua Vòng Bi SKF 6002-2RSH Chính Hãng Tại TP.HCM
- 11. Câu hỏi thường gặp về Vòng Bi SKF 6002-2RSH
- 12. Liên Hệ và Hỗ Trợ Tư Vấn Vòng Bi SKF
- 13. Thông Tin Bổ Sung & Kinh nghiệm Thực Tế Từ Mecsu
1. Vòng Bi SKF 6002-2RSH Là Gì? – Giải Thích Chuyên Sâu
Vòng bi cầu rãnh sâu SKF 6002-2RSH là một loại linh hoạt vòng bi đặc biệt, có ma sát thấp và được tối ưu hóa cho độ ồn và tốc độ chậm, cho phép đạt được tốc độ quay cao. Ổ bi này chịu tải kính hướng và lệch hướng cả hai hướng, dễ gắn và yêu cầu bảo trì ít hơn so với nhiều loại ổ bi khác. Mã “6002” chỉ kích thước với đường kính trong (d) 15mm, đường kính ngoài (D) 32mm chiều dày (B) 9mm.
Hậu tố “-2RSH” biểu tượng bi này được trang bị hai dây dẫn từ cao su Nitrile Butadiene Rubber (NBR) ở cả hai phía. “RSH” là ký hiệu của SKF cho thuê cao su có môi trường xung quanh xúc (phớt tiếp xúc) với ngành trên vòng của vòng bi. Thiết kế căng thẳng này tạo ra một công việc cực kỳ hiệu quả, giúp ngăn chặn gần như hoàn toàn bụi bẩn, nước, và các chất gây ô nhiễm nhiễm trùng nhiễm độc xâm nhập vào bên trong vòng bi từ cả hai phía. Đồng thời, nó giữ mỡ bôi trơn đã được cung cấp từ nhà máy một cách tối ưu, kéo dài đáng kể tuổi thọ vòng bi. Làm kín tích hợp này làm tăng đáng kể tuổi thọ làm việc của ổ bi làm chất dưỡng bôi trơn bên trong ổ bi và phòng chống chất chiến xâm nhập.
Với khả năng làm kín vượt trội, SKF 6002-2RSH là lời khuyên khuyên lựa chọn lý tưởng cho các ứng dụng hoạt động trong môi trường khắc nghiệt, có nhiều bụi bẩn, nước bắn, hoặc các chất gây ô nhiễm nhiễm ô nhiễm nhiễm khuẩn. Mặc dù ma sát từ rặng tiếp theo có thể làm giảm tốc độ giới hạn nên vòng bi không có băng hoặc có thép, nhưng lợi ích về độ bền và tuổi thọ trong điều kiện khó khăn là rất đáng kể. Ổ bi này cũng yêu cầu bảo trì ít làm mỡ được bảo vệ tốt.
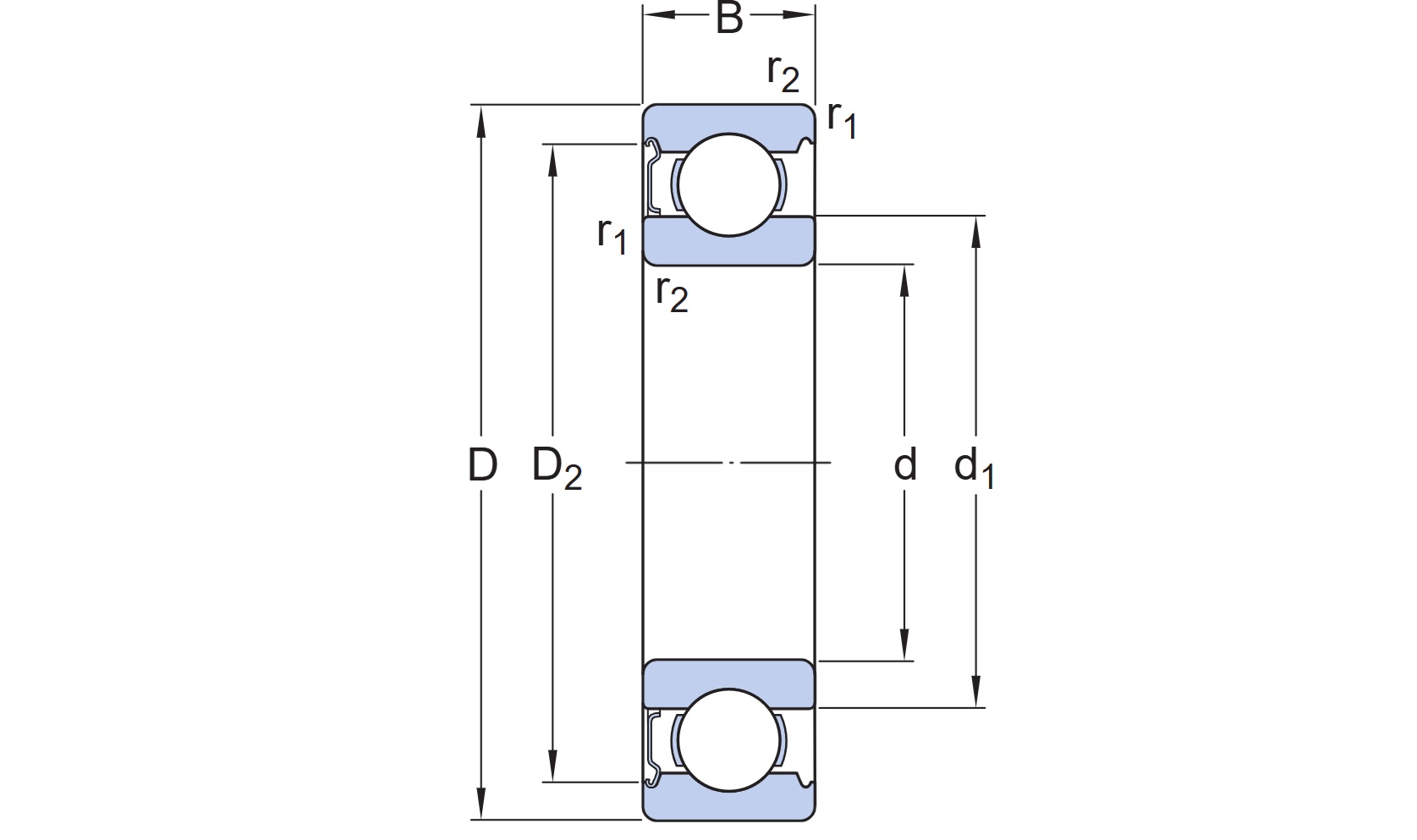
2. Thông Số Kỹ Thuật Chi Tiết Của Vòng Bi Cầu SKF 6002-2RSH
d: Đường kính trong
D: Đường kính ngoài
B: Bề dày
C: Tải danh sách cơ sở dữ liệu
C0: Tải tĩnh cơ sở dữ liệu danh sách
| Thông số | Giá trị |
|---|---|
| Mã sản phẩm | 6002-2RSH |
| Loại vòng bi | Vòng Bi Cầu Rãnh Sâu (Vòng Bi Rãnh Sâu) |
| Đường kính trong (d) | 15 mm |
| Đường kính ngoài (D) | 32 mm |
| Bề dày (B) | 9 mm |
| Tải quan trọng cơ sở dữ liệu (C) | 5,85 kN |
| Tải danh sách cơ sở dữ liệu quan trọng (C0) | 2,85 kN |
| Tốc độ giới hạn | 14 000 vòng/phút |
| Lớp hiệu suất SKF | SKF Explorer |
| Rãnh tra bi | Không có |
| Số dòng | 1 |
| Phương tiện để định vị, vòng ngoài của vòng bi | Không có |
| Loại lỗ | Hình trụ |
| Vòng cách | Tấm kim loại |
| Kiểu gắn cặp | KHÔNG |
| Khe khe trong hướng kính | Bình thường |
| Vật liệu, vòng bi | Thép chịu lực |
| Lớp mạ | Không có |
| Phớt chắc | Niêm phong cả hai mặt |
| Loại Chắc Dầu | Liên hệ |
| Tra mỡ sẵn chưa? | mỡ |
| Phương tiện để tái bôi trơn | Không có |
| Dấu vết carbon của sản phẩm được chỉ định để sản xuất | 0,107 kg CO2e |
| Trọng lượng sản phẩm | 0,0298 kg |
| Mã eClass | 23-05-08-01 |
| Mã UNSPSC | 31171504 |
3. Cấu hình Chi Tiết Vòng Bi SKF 6002-2RSH
Vòng bi SKF 6002-2RSH được cấu hình thành các bộ phận chính, mỗi bộ phận đóng vai trò quan trọng trong công việc đảm bảo hiệu suất hoạt động ở mức độ và tính bền vững:
Sơ đồ tạo cấu hình Vòng Bi Rãnh Sâu SKF 6002-2RSH với khoảng trống cao nhất:
- Vòng trong/ngoài: Được chế tạo từ thép chịu lực cao, cùng với khu vực Yên tĩnh, chịu tải chính.
- Bi cầu: Sản phẩm sản xuất từ thép siêu chính xác và được xử lý nhiệt đặc biệt để giảm độ cứng, tăng cường độ cứng và độ bền.
- Vòng cách: Thông thường được làm từ thép mạnh, có chức năng giữ các thành viên với nhau và chuyển động hướng dẫn của bi.
- Phớt cao su (2RSH): “2RSH” chỉ ra rằng vòng bi có sợi cáp quang làm từ cao su Nitrile Butadiene Rubber (NBR) ở cả hai bên. Loại này có môi trường xung quanh trực tiếp (con dấu tiếp xúc) với ngành trong vòng bi. Thiết kế căng thẳng này tạo ra một lớp làm cực kỳ hiệu quả, gần như kín hoàn toàn, ức chế mạnh mẽ bụi da, nước, hơi ẩm, và các chất gây ô nhiễm khác xâm nhập vào bên trong vòng bi từ cả hai phía. Đồng thời, nó giữ mỡ bôi trơn đã được cung cấp sẵn từ nhà máy một cách tối ưu, giúp kéo dài tuổi thọ của mỡ và vòng bi.
4. Phân Tích Chuyên Sâu: Phớt Cao Su 2RSH của SKF 6002-2RSH
Để xác định giá trị của vòng bi SKF 6002-2RSH, việc phân tích sâu hơn về ký hiệu “2RSH” là rất quan trọng.
Ký hiệu “2RSH” – Hải phun cao su NBR tiếp xúc hoàn toàn:
- Chức năng chính: Cung cấp khả năng vượt trội cho vòng bi từ cả hai phía, ngăn chặn để bụi bẩn, nước và các chất gây ô nhiễm nhiễm độc xâm nhập, đồng thời giữ mỡ bôi trơn bên trong một cách tối ưu. “2RSH” chỉ ra rằng vòng bi có hai vét cao su NBR ở cả hai bên.
- Đặc điểm nổi bật: Đây là loại “tiếp xúc” (con dấu tiếp xúc). Môi trường xung quanh cao su tiếp xúc trực tiếp và liên tục với ngành trên vòng trong vòng bi, tạo ra một rào chắn và hiệu quả nhất.
- Ưu điểm vượt trội:
- Khả năng làm kín tối ưu: Cung cấp khả năng bảo vệ cao nhất chống lại bụi bẩn, nước bắn, hơi ẩm, bụi quý và các hạt bí ẩn. Điều đặc biệt quan trọng trong môi trường này là làm khô sâu, ẩm ướt hoặc có nhiều chất gây ô nhiễm nhiễm vi rút HIV.
- Giữ mỡ cực kỳ hiệu quả: Dầu bôi trơn đã được cung cấp sẵn từ nhà máy được bảo vệ tuyệt đối bên trong vòng bi, kéo dài tuổi thọ của mỡ và giảm thiểu nhu cầu tái bôi trơn, dẫn đến giảm chi phí và thời gian bảo trì.
- Tuổi thọ vòng bi dài hơn: Nhờ khả năng làm kín xuất sắc, vòng bi ít bị nhiễm độc hơn, từ đó kéo dài đáng kể tuổi hoạt động.
- Thiết kế đơn giản, mạnh mẽ: Giảm tiếp xúc mang lại sự đơn giản trong thiết kế và độ bền cao trong môi trường khắc nghiệt.
- Hạn chế:
- Tốc độ giới hạn thấp hơn: Do môi trường căng thẳng căng thẳng với vòng trong, ma sát được tạo ra sẽ cao hơn so với các loại vòng bi không có ống thép, Sản phẩm thép thép (2Z) hoặc cực tiếp xúc nhẹ (RSL). Điều này dẫn đến tốc độ giới hạn thấp hơn (14.000 vòng/phút), phù hợp hơn cho các ứng dụng tốc độ trung bình hoặc chậm.
- Sinh nhiệt cao hơn: Ma sát cao hơn cũng có thể dẫn đến nhiệt độ cao hơn trong quá trình hoạt động, cần cân bằng nhanh chóng trong các ứng dụng nhiệt độ cao.
Vòng bi SKF 6002-2RSH là giải pháp tối ưu cho các ứng dụng đòi hỏi khả năng làm kín cao nhất, chống lại môi trường khắc nghiệt (nước, bụi bẩn, hơi ẩm), và mong muốn giảm thiểu bảo trì chất béo được bảo vệ hoàn toàn. Mặc dù có tốc độ giới hạn thấp hơn, độ bền và tuổi thọ trong điều kiện khó khăn là ưu điểm vượt trội của loại vòng bi này.
5. Ưu và nhược điểm của Vòng Bi SKF 6002-2RSH
Vòng bi SKF 6002-2RSH được thiết kế đặc biệt để mang lại khả năng làm việc tối ưu kín. Câu hỏi về mức độ ưu tiên của lựa chọn phải hiểu mức độ ưu tiên của nó.
Ưu điểm nổi bật:
- Khả năng làm kín chiếm ưu thế: Hai rỗ cao su 2RSH tiếp tục căng thẳng với vòng trong, tạo ra sự làm kín nhất, ngăn chặn hiệu quả gần như mọi loại bụi bụi, nước, hơi ẩm và các chất độc gây ô nhiễm nhiễm độc xâm nhập vào bên trong vòng bi. Đây là điểm mạnh nhất của loại vòng bi này.
- Tuổi thọ mỡ và vòng bi dài: Nhờ khả năng làm kín tuyệt vời, mỡ bôi trơn được giữ lại theo cách tối ưu và không bị nhiễm trùng nhiễm trùng, giúp kéo dài giảng dạy về mỡ và toàn bộ vòng bi.
- Bảo trì cực kỳ thấp: Vòng bi được tra mỡ sẵn từ nhà máy và không yêu cầu tái bôi trơn trong hầu hết các ứng dụng, giúp tiết kiệm thời gian và chi phí bảo trì.
- Hoạt động đáng tin cậy trong môi trường giải quyết: Là một số ít biện pháp lựa chọn lý tưởng cho các ứng dụng trong môi trường ẩm ướt, nhiều bụi đau, nước bắn, hoặc có hiện tượng của các chất gây ô nhiễm nhiễm khuẩn diệt khuẩn.
- Chịu tải đa hướng: Có khả năng chịu đựng tốt cả tải trọng hướng tâm (tải trọng xuyên tâm) và hướng trục (tải trọng trục) theo cả hai chiều.
- Hiệu suất SKF Explorer: Là một thành phần của dòng SKF Explorer, vòng bi này được tối ưu hóa để mang lại hiệu suất vượt trội, tuổi thọ dài hơn và độ tin cậy cao.
Nhược điểm cần lưu ý:
- Tốc độ giới hạn thấp hơn: Do ma sát từ môi trường xúc tiếp, tốc độ giới hạn của SKF 6002-2RSH là 14.000 vòng/phút, thấp hơn đáng kể vì vậy đối với các loại vòng bi không có bom nổ hoặc có thép thép (2Z). Không phù hợp với tốc độ cực cao của ứng dụng.
- Sinh nhiệt cao hơn: Ma sát cao hơn cũng có thể dẫn đến việc sinh nhiệt nhiều hơn trong quá trình hoạt động, cần cân bằng nhanh chóng trong các ứng dụng cảm biến nhạy cảm với nhiệt độ.
- Giá thành có thể cao hơn: Do tính năng làm kín nổi và công nghệ chắc chắn tiếp theo, giá thành có thể cao hơn các loại vòng bi không cường lực hoặc thép thép.
6. Ứng dụng Thực Tế của Vòng Bi SKF 6002-2RSH
Với kích thước (15x32x9mm) và khả năng làm kín vòng giúp hai vé su tiếp xúc, SKF 6002-2RSH là thuốc đơn giản lựa chọn lý tưởng cho các ứng dụng công nghiệp và dân dụng hoạt động trong môi trường khắc nghiệt, nơi cần bảo vệ tối đa bụi bẩn, nước và các chất gây ô nhiễm. Đây là loại phổ biến tại các khu công nghiệp ở TP. Hồ Chí Minh và khu vực lân cận:
- Máy móc nông nghiệp: Trong máy cày, máy sâu, máy phun nước nông nghiệp, nơi vòng hai thường xuyên tiếp xúc với đất, bụi, nước và bùn.
- Thiết bị công nghệ: Trong máy trộn bê tông, máy xúc, xe an toàn, nơi môi trường làm việc cực kỳ khắc nghiệt, nhiều bụi, đá và nước.
- Công nghiệp thực phẩm và đồ uống: Trong các thiết bị chế biến, đóng gói, nơi cần vòng bi chống nước để dễ dàng bảo vệ sinh, rửa trôi bằng nước.
- Công nghiệp hóa chất: Trong các máy thổi, quạt, thiết bị nén tiếp xúc với hóa chất nhẹ hoặc cần chống ẩm.
- Băng tải và hệ thống vận chuyển: Đặc biệt là băng tải hoạt động ngoài trời, trong môi trường nhiều bụi hoặc ẩm ướt.
- Quạt công nghiệp và hệ thống thông gió: Trong các quạt hút bụi, quạt thông gió nhà vườn, nơi không khí có thể chứa nhiều rắn hoặc hơi ẩm.
- Máy rửa, máy sấy công nghiệp: Trong các thiết bị tiếp xúc thường xuyên với nước và hóa chất tẩy rửa.
- Các ứng dụng dưới nước hoặc tiếp xúc với nước: Ví dụ, trong các bộ phận của máy chìm hoặc thiết bị tàu thủy (thuộc về vật liệu tốt và điều kiện cụ thể).
7. Hướng Dẫn Đặt và Tháo Tháo SKF 6002-2RSH
Để đảm bảo tuổi thọ và hiệu suất tối ưu cho vòng bi SKF 6002-2RSH, cách lắp đặt và tháo gỡ đúng cách là vô cùng quan trọng. luôn thủ tục các nguyên tắc an toàn và kỹ thuật của các nhà sản xuất. Mecsu cung cấp hướng dẫn chi tiết dựa trên kinh nghiệm thực tế:
- Chuẩn bị: Đảm bảo môi trường làm việc sạch sẽ, khô ráo. Chuẩn bị đầy đủ các công cụ chuyên dụng như cảo, búa mềm, thiết bị gia nhiệt cảm ứng (nếu cần). Luôn đeo dây bảo vệ và kính bảo hộ để đảm bảo an toàn. Kiểm tra dụng cụ và gối phải sạch sẽ, không có lỗ hổng và bảo đảm sai dịch vụ. Lưu ý quan trọng: Không nên bỏ qua vòng cao su 2RSH vì vòng bi đã có sẵn chất béo và chất thải có thể gây hư hỏng hoặc ảnh hưởng đến khả năng làm kín và tuổi thọ của vòng bi.
- Lắp đặt:
- Phương pháp nhiệt (phổ biến nhất cho vòng bi lớn hoặc lắp đặt chính xác): Gia nhiệt vòng bi bằng thiết bị gia nhiệt chuyên dụng (ví dụ: máy gia nhiệt cảm ứng SKF) đến nhiệt độ khoảng 80-100°C. Điều này giúp vòng nở ra, dễ trượt vào trục mà không cần dùng lực quá lớn. Luôn hoạt động đều đặn và tập trung lên vòng khi gắn vào xẹp xuống.
- Phương pháp cơ khí (dùng cho kích thước nhỏ hơn hoặc khi không thể gia nhiệt): Sử dụng ống lót chuyên dụng và rèn mềm, lực lực đều lên vòng khi lắp vào trục. Tuyệt đối tránh hoạt động trực tiếp lên phun cao su hoặc các thành viên vì có thể gây nguy hiểm cho nguy hiểm cho hoặc vòng bi.
- Lưu ý: Đảm bảo vòng bi được gắn thẳng, không bị lệch hoặc kẹt. Với 2RSH vòng, khả năng kín giúp giảm thiểu rủi ro nhiễm trùng trong quá trình cài đặt.
- Gỡ bỏ:
- Sử dụng dụng cụ hỗ trợ chuyên nghiệp (cảo cơ hoặc cả thủy lực) để xoay vòng một cách an toàn và không gây ra tình trạng khung xương cho hoặc gối hỗ trợ. Tác dụng lực đều và đúng ở vòng trong (khi rút xẹp) hoặc vòng ngoài (khi rút gối).
- Tránh dùng đập trực tiếp lên các sinh vật học hoặc các bộ phận khác có thể gây ra các dạng biến đổi, hư hỏng. Việc này không chỉ làm hỏng vòng bi mà còn tiềm ẩn nguy hiểm.
- Người bảo vệ: Nếu không sử dụng ngay, hãy giữ vòng bi trong bao bì gốc của nhà sản xuất, ở nơi khô ráo, thoáng mát, tránh ánh nắng trực tiếp và các chất hóa học ăn mòn để ngăn chặn sét và bụi nguy hiểm xâm nhập.
8. So Sánh Vòng Bi 6002-2RSH với Các Loại 6002 Khác
Việc hiểu rõ sự khác biệt giữa các loại vòng bi 6002 SKF sẽ giúp bạn lựa chọn sản phẩm phù hợp nhất cho ứng dụng của mình, tối ưu hóa hiệu suất và chi phí đầu tư:
| Tiêu chí | SKF 6002-2RSH (2 Phớt cao su tiếp xúc) | SKF 6002 (Không cần tránh CN) | SKF 6002-2Z (2 Nắp thép không tiếp xúc) |
|---|---|---|---|
| Kích thước (dx D x B) | 15 x 32 x 9 mm | 15 x 32 x 9 mm | 15 x 32 x 9 mm |
| Tải cơ sở dữ liệu (C) | 5,85 kN | 5,85 kN | 5,85 kN |
| Tải quan trọng cơ sở dữ liệu (C0) | 2,85 kN | 2,85 kN | 2,85 kN |
| Giới hạn tốc độ ( Tốc độ giới hạn) | 14 000 vòng/phút | 32 000 vòng/phút | 28 000 vòng/phút |
| Vòng cách | Tấm kim loại | Tấm kim loại | Tấm kim loại |
| Phớt chắc | Niêm phong cả hai mặt (2RSH) | Không có | Khiên ở cả hai bên (2Z) |
| Loại Chắc Dầu | Liên hệ | Mở | Không tiếp xúc |
| Tra mỡ sẵn | Mỡ (Có) | Không | Mỡ (Có) |
| Khe khe hướng kính | Bình thường | CN (Tiêu chuẩn) | CN (Tiêu chuẩn) |
| Khả năng làm kín | Rất tốt (chống bụi, nước, giữ mỡ tuyệt đối) | Kem (không dây, dễ nhiễm trùng) | Tốt (chắn bụi lớn, giữ mỡ, ma sát) |
| Khả năng chống ẩm/lỏng | Rất tốt | Kem | Trung bình |
| Nhu cầu bảo trì | Rất thấp (bôi trơn từ nhà, kín đáo) | Cao (cần bôi trơn bất kỳ) | Rất thấp (bôi trơn từ nhà) |
| Ưu điểm nổi bật | Bảo vệ tuyệt vời khỏi bụi bẩn, nước, hóa chất, tuổi thọ mỡ dài, ít bảo trì. | Tốc độ rất cao, ma sát cực thấp, linh hoạt trong công việc bôi trơn (cần hệ thống bôi trơn bên ngoài). | Tốc độ cao, ma sát thấp, hoạt động cô ái, ít bảo trì, chống bụi tốt. |
| Ứng dụng điển hình | Môi trường ẩm ướt, nhiều bụi, nông nghiệp, công nghiệp thực phẩm (nơi có nước), công trình. | Hộp số kín, xâu tốc độ rất cao trong môi trường sạch sẽ, hệ thống có bôi trơn trung tâm. | Động cơ điện, quạt công nghiệp, hộp số, máy công cụ (môi trường tiêu chuẩn, khô, có bụi lớn). |
9. Cách Phân Biệt Vòng Bi SKF 6002-2RSH Thật – Giả – Lời Khuyên Từ Chuyên Gia Mecsu
Thị trường hiện nay có rất nhiều hàng giả, hàng giả chất lượng, đặc biệt là với các sản phẩm vòng bi SKF chính hãng được ưa chuộng. Để đảm bảo bạn mua được vòng bi SKF 6002-2RSH chính hãng tại TP.HCM, Mecsu khuyến nghị kiểm tra các dấu hiệu sau:
a. Hãng dấu hiệu vòng bi SKF 6002-2RSH :
- Bao bì chất lượng cao: Sắc nét, màu xanh đặc trưng của SKF, sản phẩm thông tin rõ ràng, đầy đủ mã vạch/QR code và thông tin xuất xứ. Bạn sẽ tìm thấy công nghệ trong từng chi tiết.
- In ấn trên vòng bi sắc nét: Logo SKF, mã sản phẩm (6002-2RSH) và nhà sản xuất quốc gia được in hoặc khắc laser sắc nét, rõ ràng, không lem, không sai phông chữ, rất khó bị tẩy xóa.
- Mã QR/Bar code xác thực: Có thể quét bằng ứng dụng “SKF Authenticate” trên điện thoại di động thông minh để xác thực nguồn gốc và tính chính hãng của sản phẩm. Đây là công cụ hữu ích nhất của SKF để chống hàng giả.
- Giảm cao su hoàn thiện: Hai phun cao su được gắn chắc chắn, đồng đều, không có dấu hiệu co giật, rách hoặc móp. Chất liệu cao su mềm dẻo, đàn hồi tốt, không có mùi lạ.
- Cảm giác vận động mượt mà: Khi quay vòng bi bằng tay, bạn sẽ cảm nhận được tốc độ trôi nhanh nhất nhưng có khả năng hạn chế làm việc tiếp theo. Tuy nhiên, nó sẽ không có tiếng kêu lạ, không bị kẹt bất thường.
- Chứng từ đầy đủ: Nhà cung cấp uy tín sẽ cung cấp đầy đủ “CO” (chứng nhận xuất xứ) và “CQ” (chứng nhận chất lượng) từ nhà sản xuất, đảm bảo nguồn gốc và chất lượng sản phẩm.
b. Dấu hiệu của vòng bi SKF 6002-2RSH hàng giả/nhái:
- In ấn mờ nhạt, sai chính tả, phông chữ lạ, thiếu thông tin hoặc không chính xác trên cả bao bì và vòng bi.
- Bao bì thô, SKF màu trôi chuẩn, thiếu thông tin quan trọng hoặc có dấu hiệu làm lại.
- Phớt cao su hoàn toàn, bị rách, biến dạng, hoặc có chất liệu nguy hại (ví dụ: cứng, giòn, dễ nứt, có mùi cao su cháy), dễ bong tróc.
- Không có mã QR hoặc mã hóa không quét được hoặc quét ra thông tin không khớp với sản phẩm chính hãng.
- Khi quay tay có tiếng kêu lạo xạo, cảm giác giác, nặng hoặc quá trình (rơ) bất ngờ, làm gia công giá trị chính xác và vật liệu không đạt tiêu chuẩn.
- Giá bán rẻ không được mong đợi so với thị trường của các sản phẩm chính hãng – đây là dấu hiệu cảnh báo lớn nhất.

10. Giá Bán & Mô-ni Ý Mua Vòng Bi SKF 6002-2RSH Chính Hãng Tại TP.HCM
a.Giá vòng bi SKF 6002-2RSH (TP.Hồ Chí Minh) tại Mecsu: Giá: 73,267 đ/ Cái (đã có VAT) – Giá hợp lý, phù hợp với chất lượng sản phẩm chính hãng
Liên hệ để nhận báo giá tốt nhất (giá có thể thay đổi tùy thời điểm và số lượng) – Giá hợp lý, phù hợp với chất lượng sản phẩm chính hãng SKF tại thị trường vòng bi TP.HCM.
b. Gợi ý mua vòng bi chính hãng SKF uy tín
- Chọn nhà cung cấp uy tín tại TP.HCM: Ưu tiên đối tác có bằng chứng nhận từ SKF hoặc đơn vị lâu năm, được nhiều khách hàng tin tưởng và có danh tiếng trên thị trường cung cấp linh kiện cơ khí tại TP.HCM.
- Kiểm tra chứng từ đầy đủ: Luôn yêu cầu đầy đủ “CO” (chứng nhận xuất xứ) và “CQ” (chứng nhận chất lượng) để đảm bảo nguồn gốc và chất lượng của sản phẩm. Điều này giúp bạn tránh mua phải “vòng bi SKF giả” trên thị trường.
- 100% sản phẩm chính hãng: Đảm bảo nguồn gốc rõ ràng, đầy đủ chứng từ. Chúng tôi cam kết hoàn tiền 100% hoặc đổi trả nếu sản phẩm không thuộc loại công thức chính.
- Chính sách bảo hành minh bạch: Hỗ trợ đổi trả nếu nhà sản xuất gặp lỗi, mang lại sự an tâm tuyệt đối cho khách hàng.
- Hỗ trợ kỹ thuật chuyên sâu: Đội ngũ kỹ sư giàu kinh nghiệm sẵn sàng hỗ trợ bạn về kỹ thuật và lựa chọn sản phẩm phù hợp nhất cho mọi ứng dụng.
- Giá cả cạnh tranh: Đảm bảo giá tốt nhất đi kèm chất lượng, với chính sách chiết khấu hấp dẫn cho đơn hàng số lượng lớn, đặc biệt khi “mua vòng bi SKF số lượng lớn”.
MUA THÊM NHIỀU LOẠI VÒNG BI CHÍNH HÃNG KHÁC TẠI MECSU
11. Câu hỏi thường gặp về Vòng Bi SKF 6002-2RSH
a. Vòng bi SKF 6002-2RSH có cần bảo dưỡng, tra mỡ không?
Vòng bi SKF 6002-2RSH được mua sẵn mỡ từ nhà máy và có hai phun cao su (2RSH) tiếp tục giúp làm kín hoàn toàn và giữ mỡ bên trong. Trong hầu hết các ứng dụng thông thường, vòng bi này được xem là “bảo trì trọn đời” và không cần tái bôi trơn. Điều này giúp tiết kiệm thời gian và chi phí bảo trì đáng kể, ngay cả khi vòng bi hoạt động trong môi trường giải quyết, nhiều bụi nguy hiểm hoặc nước bắn.
b. Chữ “2RSH” trong mã SKF 6002-2RSH có ý nghĩa gì?
“2RSH” chỉ vòng bi có hai phun cao su NBR (cao su Nitrile Butadiene Rubber) ở cả hai phía. Đây là loại lo lắng tiếp xúc (con dấu tiếp xúc), môi trường xung quanh xung quanh, giúp làm túi cực kỳ hiệu quả bụi bụi, nước và giữ mỡ tối ưu.
c. Vòng bi SKF 6002-2RSH có hoạt động tốt trong môi trường bụi và nước không?
Có, đây là một trong những ưu tiên cao nhất của vòng bi SKF 6002-2RSH. Với băng cao su tiếp xúc, nó cung cấp khả năng làm kín vượt trội, ngăn chặn hiệu quả bụi bẩn, nước, hơi ẩm và các chất gây ô nhiễm nhiễm vi rút khác xâm nhập. Đây là giải pháp số lựa chọn lý tưởng cho các ứng dụng trong môi trường khắc nghiệt, nhiều bụi, ẩm ướt hoặc có nước bắn.
d. Làm sao biết vòng bi 6002-2RSH của tôi là hãng SKF chính hãng?
Kiểm tra bao bì (logo, mã QR rõ ràng), vòng bi có khắc lazer sắc nét, phun cao su nguyên vẹn và chắc chắn. Điều quan trọng nhất, hãy sử dụng ứng dụng SKF Authenticate để quét mã và kiểm tra trực tiếp từ SKF. Đây là cách chắc chắn nhất để phân biệt vòng bi SKF thực sự.
đ. Khi nào cần thay thế vòng bi 6002-2RSH?
Bạn nên thay thế vòng bi khi nhận được các dấu hiệu sau:
- Tiếng ồn bất thường: Tiếng kêu lạo xạo, rít, hoặc kêu khi vòng bi quay, báo hiệu bi hoặc khu vực mòn.
- Tăng nhiệt độ: Tăng vòng bi bất thường trong quá trình hoạt động, có thể tăng hoặc tải trong quá trình.
- Độ cao lớn: Thiết bị hoạt động có tốc độ tăng lên đáng kể, ảnh hưởng đến hiệu suất và có thể gây nguy hiểm cho các bộ phận khác.
- Biến dạng vật lý: Phớt cao su bị rách, nứt, cứng hoặc có dấu hiệu hư hại nguy hiểm, làm mất khả năng làm kín.
- Vòng bi bị khóa hoặc không được xóa.
Kinh nghiệm từ các kỹ sư Mecsu: Việc kiểm tra định kỳ bằng cách lắng nghe tiếng ồn hoặc cảm nhận mức độ rung có thể giúp phát hiện sớm các dấu hiệu cần thay thế, tránh nguy hại gây hại nghiêm trọng hơn cho toàn bộ hệ thống. Đừng ngần ngại liên hệ với chúng tôi để được hỗ trợ kỹ thuật về bảo trì vòng bi hoặc thay thế vòng bi.
f. Mua vòng bi SKF 6002-2RSH chính hãng, uy tín ở đâu tại TP.HCM?
Mua vòng bi SKF 6002-2RSH chính hãng và đảm bảo chất lượng tại TP.HCM, bạn hãy liên hệ ngay với Mecsu.
- Cam kết chất lượng: 100% sản phẩm có nguồn gốc rõ ràng, đầy đủ chứng từ CO, CQ. Chúng tôi cam kết hoàn tiền 100% hoặc đổi trả nếu sản phẩm không phải của công ty chính thức.
- Giá cả cạnh tranh: Đảm bảo giá tốt nhất đi kèm chất lượng, với chính sách chiết khấu hấp dẫn cho đơn hàng số lượng lớn, đặc biệt khi “mua vòng bi SKF số lượng lớn”.
- Tư vấn chuyên sâu: Đội ngũ kỹ sư giàu kinh nghiệm sẵn sàng hỗ trợ bạn về kỹ thuật và lựa chọn sản phẩm phù hợp nhất.
- Chính sách hậu mãi: Đảm bảo quyền lợi tối đa cho khách hàng với dịch vụ hỗ trợ nhanh chóng, tận tâm.
MUA THÊM NHIỀU LOẠI VÒNG BI CHÍNH HÃNG KHÁC TAI MECSU
12. Liên Hệ và Hỗ Trợ Tư Vấn Vòng Bi SKF
Nếu bạn có bất kỳ thắc mắc nào về vòng bi SKF 6002-2RSH hoặc cần tư vấn về giải pháp vòng bi cho ứng dụng cụ thể của mình, đừng ngần ngại liên hệ với đội ngũ chuyên gia của Mecsu. Chúng tôi luôn sẵn sàng hỗ trợ bạn tìm ra sản phẩm phù hợp và tối ưu nhất, đồng thời cung cấp những kiến thức về kỹ thuật bảo trì vòng bi mà bạn khó tìm thấy ở những nơi khác.
Địa chỉ: B28/I – B29/I Đường số 2B, KCN Vĩnh Lộc, P. Bình Hưng Hòa B, Q. Bình Tân, TP.HCM
Đường dây nóng: 1800 8137
Email: [email protected]
Trang web: mecsu.vn
13. Thông Tin Bổ sung & Kinh nghiệm Thực Tế Từ Mecsu
a. Kinh nghiệm Thực Tế & Câu Chuyện Thành Công
Tại Mecsu, chúng tôi tự hào là đối tác đáng tin cậy của nhiều doanh nghiệp trong việc cung cấp các giải pháp chất lượng cao vòng vòng. “Vòng bi SKF 6002-2RSH”, với khả năng làm kín vượt trội, độ bền cao và khả năng hoạt động đáng tin cậy trong môi trường khắc nghiệt, được ứng dụng trong nhiều dự án quan trọng của khách hàng chúng tôi đã có tại “TP.Hồ Chí Minh” và các đèn lân cận, mang lại hiệu ứng vượt trội và là chứng minh chất lượng sản phẩm cùng kinh nghiệm thực tế của Đội ngũ Mecsu:
- Ngành nông nghiệp: Chúng tôi đã cung cấp “SKF 6002-2RSH” cho các thiết bị nông nghiệp như máy kéo, máy rền, nơi vòng bi phải chịu điều kiện Bụi Bùn, bùn đất và nước thường xuyên. Khả năng làm kín của 2RSH đã giúp kéo dài đáng kể tuổi thọ vòng bi.
- Công nghiệp thực phẩm: Trong các dây chuyền sản xuất thực phẩm, nơi yêu cầu bảo vệ sinh cao và thiết bị thường xuyên được rửa bằng nước, vòng bi 2RSH đã chứng minh hiệu quả trong việc sảng khoái bạch huyết và duy trì hiệu suất.
- Thiết bị công nghệ: Trong máy trộn bê tông và các thiết bị xây dựng khác, nơi môi trường làm việc cực kỳ khắc nghiệt với nhiều bụi, cát và độ ẩm, vòng bi này đã giúp giảm thiểu thời gian ngừng máy và chi phí bảo trì.
b. Trích Dẫn Chuyên Gia
“SKF 6002-2RSH” là ứng dụng được lựa chọn hàng đầu cho những ứng dụng vòng bi phải đối mặt với môi trường khắc nghiệt nhất, bao gồm các chất tẩy rửa, nước và hơi ẩm. Khả năng làm kín tuyệt đối của massage 2RSH bảo dưỡng tuổi mỡ và vòng bi dài lâu, giảm thiểu đáng kể như nhu cầu bảo trì, mang lại hiệu quả kinh tế cao cho doanh nghiệp tại TP.HCM.”
— “Kỹ sư cơ khí Chuyên gia kỹ thuật Mecsu” (TP. Hồ Chí Minh) – Với hơn 10 năm kinh nghiệm trong lĩnh vực “bạc đạn công nghiệp”.
c. Tài Liệu Tham Khảo và Nghiên Cứu
Nội dung bài viết này được biên soạn dựa trên các tài liệu kỹ thuật chính quy và đáng tin cậy của SKF , cùng với kinh nghiệm thực tế chuyên sâu của đội ngũ kỹ sư Mecsu, đảm bảo tính chính xác, cập nhật và chuyên môn môn môn môn cao:
- Danh mục sản phẩm SKF (Danh mục sản phẩm SKF chính thức) – Nguồn dữ liệu kỹ thuật chi tiết nhất về “vòng bi SKF”.
- Tài liệu kỹ thuật SKF Explorer – Vòng bi ngành sâu (Thông tin chuyên sâu về “vòng bi cầu sâu SKF Explorer”) – Cung cấp cái nhìn toàn diện về thế hệ vòng bi bền bỉ này.
- Bảng dữ liệu kỹ thuật (Datasheet) chi tiết của SKF 6002-2RSH – Nguồn thông số kỹ thuật chính xác.
- Trải nghiệm thực tế và phản hồi từ các dự án khách hàng của Mecsu – “Dữ liệu độc nhất” được thu thập từ hơn 10 năm cung cấp “linh kiện cơ khí” và “giải pháp vòng bi” cho doanh nghiệp tại Việt Nam.
Biên soạn bởi: Đội ngũ kỹ sư Mecsu
Với hơn 10 năm kinh nghiệm chuyên sâu trong lĩnh vực và tư vấn giải pháp vòng bi, đội ngũ kỹ sư của Mecsu cam kết mang đến những thông tin chính xác, cập nhật và hữu ích nhất, giúp quý khách hàng đưa ra loại sản phẩm tối ưu cho mọi ứng dụng.
(Xem thêm thông tin về chúng tôi tại Website Mecsu )
Lưu ý: Hình ảnh sản phẩm có thể khác biệt so với sản phẩm thực tế của SKF. Vui lòng tham khảo thông số kỹ thuật chi tiết hoặc liên hệ Mecsu để có thông tin chính xác nhất về sản phẩm.



















Đánh giá
Chưa có đánh giá nào.