Mô tả sản phẩm
Thông tin CHUYÊN SÂU về Vòng Bi Cầu Rãnh Sâu SKF 6002-2ZNR (15x32x9) Nắp Chắn Thép (Hai Bên)
Mục Lục
- 1. Vòng Bi SKF 6002-2ZNR Gì? – Giải Thích Chuyên Sâu
- 2. Thông Số Kỹ Thuật Chi Tiết Của Vòng Bi Cầu SKF 6002-2ZNR
- 3. Cấu hình Chi Tiết Vòng Bi SKF 6002-2ZNR
- 4. Phân Tích Chuyên Sâu: Nắp Chắn Thép 2Z và Rãnh Đệm Vòng NR của SKF 6002-2ZNR
- 5. Ưu và nhược điểm của Vòng Bi SKF 6002-2ZNR
- 6. Ứng dụng Thực Tế của Vòng Bi SKF 6002-2ZNR
- 7. Hướng Dẫn Đặt và Tháo Tháo SKF 6002-2ZNR
- 8. So Sánh Vòng Bi 6002-2ZNR với Các Loại 6002 Khác
- 9. Cách Phân Biệt Vòng Bi SKF 6002-2ZNR Thật – Giả – Lời Khuyên Từ Chuyên Gia Mecsu
- Dấu hiệu của vòng bi SKF 6002-2ZNR hàng chính hãng
- Dấu hiệu của vòng bi SKF 6002-2ZNR hàng giả/nhái
- 10. Giá Bán & Mô-ni Ý Mua Vòng Bi SKF 6002-2ZNR Chính Hãng Tại TP.HCM
- 11. Câu hỏi thường gặp về Vòng Bi SKF 6002-2ZNR
- 12. Liên Hệ và Hỗ Trợ Tư Vấn Vòng Bi SKF
- 13. Thông Tin Bổ Sung & Kinh nghiệm Thực Tế Từ Mecsu
1. Vòng Bi SKF 6002-2ZNR Gì? – Giải Thích Chuyên Sâu
Vòng bi cầu rãnh sâu SKF sâu 6002-2ZNR là một loại vòng bi đặc biệt linh hoạt, có ma sát thấp, và được tối ưu hóa cho độ ồn và tốc độ chậm, cho phép đạt được tốc độ quay cao. Ổ bi này chịu tải kính hướng và lệch hướng cả hai hướng, dễ gắn và yêu cầu bảo trì ít hơn so với nhiều loại ổ bi khác. Mã “6002” chỉ kích thước với đường kính trong (d) 15mm, đường kính ngoài (D) 32mm chiều dày (B) 9mm.
Hậu tố “-2Z” biểu thị vòng bi này được trang bị dây thép hai bên được làm bằng thép ở cả hai bên. Sản phẩm này được cố định ở vòng ngoài và có khe nhỏ với vòng trong (làm kín không tiếp tục). Thiết kế này giúp bảo vệ vòng bi khỏi bụi bẩn lớn, giữ mỡ bôi trơn và cho phép hoạt động vòng bi ở tốc độ cao hơn nên các loại có cao su tiếp xúc, vì ma sát tạo ra ít hơn đáng kể. Làm kín tích hợp này làm tăng đáng kể tuổi thọ làm việc của ổ bi làm dưỡng chất bôi trơn bên trong ổ bi và phòng chống chất chiến xâm nhập.
Hậu tố “NR” (Snap Ring) biểu thị vòng có một vòng đệm và một vòng đệm (snap ring) được gắn sẵn vào khu vực bên ngoài vòng. Vòng đệm này giúp xác định vị trí vòng bi một cách chính xác theo chiều cao trong gối đỡ, loại bỏ nhu cầu sử dụng Sản phẩm hỗ trợ hoặc vai hỗ trợ phức hợp. Đơn giản hóa điều chỉnh này trong quá trình lắp đặt, giảm chi phí công giáp và tối ưu hóa không gian. Sự kết hợp giữa sản phẩm thép thép (2Z) và đệm vòng định vị (NR) làm cho SKF 6002-2ZNR trở thành sản phẩm được lựa chọn hiệu quả cho các ứng dụng Đòi hỏi khả năng sản xuất bụi cơ bản, tốc độ cao và đặc biệt là yêu cầu định vị phức tạp đơn giản, chính xác trong hỗ trợ.
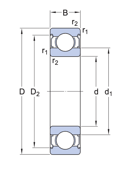
2. Thông Số Kỹ Thuật Chi Tiết Của Vòng Bi Cầu SKF 6002-2ZNR
d: Đường kính trong
D: Đường kính ngoài
B: Bề dày
C: Tải cơ sở dữ liệu danh sách
C0: Tải danh sách cơ sở dữ liệu tĩnh
| Thông số | Giá trị |
|---|---|
| Mã sản phẩm | 6002-2ZNR |
| Loại vòng bi | Vòng Bi Cầu Rãnh Sâu (Vòng Bi Rãnh Sâu) |
| Đường kính trong (d) | 15 mm |
| Đường kính ngoài (D) | 32 mm |
| Bề dày (B) | 9 mm |
| Tải cơ sở dữ liệu quan trọng (C) | 5,85 kN |
| Tải quan trọng cơ sở dữ liệu danh sách (C0) | 2,85 kN |
| Lớp hiệu suất SKF | SKF Explorer |
| Rãnh tra bi | Không có |
| Số dòng | 1 |
| Phương tiện để định vị, vòng ngoài của vòng bi | Vòng chặn (đã gắn kết) |
| Loại lỗ | Hình trụ |
| Vòng cách | Tấm kim loại |
| Kiểu gắn cặp | KHÔNG |
| Khe khe trong hướng kính | CN |
| Vật liệu, vòng bi | Thép chịu lực |
| Lớp mạ | Không có |
| Phớt chắc | Khiên ở cả hai bên |
| Loại Chắc Dầu | Không tiếp xúc |
| Tra mỡ sẵn chưa? | mỡ |
| Phương tiện để tái bôi trơn | Không có |
| Dấu vết carbon của sản phẩm được chỉ định để sản xuất | 0,114 kg CO2e |
| Trọng lượng sản phẩm | 0,0316 kg |
| Mã eClass | 23-05-08-01 |
| Mã UNSPSC | 31171504 |
3. Cấu hình Chi Tiết Vòng Bi SKF 6002-2ZNR
Vòng bi SKF 6002-2ZNR được cấu hình thành các bộ phận chính, mỗi bộ phận đóng vai trò quan trọng trong công việc đảm bảo hiệu suất hoạt động và độ bền:
Sơ đồ cấu hình tạo Vòng Bi Cầu Rãnh Sâu SKF 6002-2ZNR với dây thép đầu và vòng đệm:
- Vòng trong/ngoài: Được chế tạo từ thép chịu lực cao, cùng với khu vực Yên tĩnh, chịu tải chính.
- Bi cầu: Sản phẩm sản xuất từ thép siêu chính xác và được xử lý nhiệt đặc biệt để giảm độ cứng, tăng cường độ cứng và độ bền.
- Vòng cách: Thông thường được làm từ thép mạnh, có chức năng giữ các thành viên với nhau và hướng dẫn chuyển động của bi.
- Mũ thép (2Z): “2Z” chỉ ra rằng vòng bi có hai sản phẩm thép được làm từ thép ở cả hai phía. Các sản phẩm này được gắn vào bên ngoài vòng bên ngoài của vòng bi và tạo ra một khe hở rất nhỏ cho vòng trong. Đây là loại làm kín không tiếp xúc (con dấu không tiếp căng). Nó giúp bảo vệ vòng bi khỏi bụi bẩn và bôi trơn bên trong, đồng thời tạo ra ma sát cực kỳ thấp, cho phép vòng bi hoạt động ở tốc độ rất cao.
- Bộ đệm vòng và vòng đệm (NR): “NR” biểu thị vòng đệm có một số lượng khuyến khích gia công ở vòng ngoài của vòng đệm và một vòng đệm (vòng snap) được gắn sẵn trong khu vực này. Vòng đệm này cho phép định nghĩa vòng bi một cách chính xác theo chiều xẹp trong gối đỡ mà không cần các bộ phận giữ phức hợp khác như Mũ gối hỗ trợ hoặc vai gối đỡ được gia công trên vỏ. Điều này giúp đơn giản hóa thiết kế vỏ gối hỗ trợ, giảm chi phí gia công và tối ưu hóa không gian.
4. Phân Tích Chuyên Sâu: Nắp Chắn Thép 2Z và Rãnh Đệm Vòng NR của SKF 6002-2ZNR
Vòng bi SKF 6002-2ZNR kết hợp hai tính năng quan trọng là sản phẩm thép 2Z và vòng đệm NR chuyên ngành, tạo nên một sản phẩm chuyên biệt cho các điều kiện vận hành đòi tốc độ cao và ổn định trục đơn giản, hiệu quả.
Ký hiệu “2Z” – Hai sản phẩm thép không tiếp xúc:
- Chức năng chính: Cung cấp khả năng bảo vệ cơ bản cho vòng bi khỏi bụi bẩn lớn và giữ dầu bôi trơn bên trong, đồng thời cho phép hoạt động vòng tròn ở tốc độ rất cao.
- Đặc điểm nổi bật: Là loại sản phẩm “không tiếp xúc” (lá căng không tiếp xúc). Các sản phẩm thép được gắn vào vòng ngoài và có khe hở nhỏ trong vòng, không tạo ra sát thương trực tiếp.
- Ưu điểm vượt trội:
- Tốc độ giới hạn cao: Do không có ma sát tiếp xúc, vòng bi có thể đạt tốc độ hoạt động rất cao (thường cao hơn loại có phun cao su).
- Sinh nhiệt thấp: Ma sát cực dẫn đến sinh nhiệt ít, phù hợp cho các ứng dụng nhạy cảm với nhiệt độ.
- Bảo vệ lớn bụi: ngăn chặn các bụi bụi xâm nhập vào bên trong vòng bi.
- Giữ hiệu quả mỡ: Giúp giữ mỡ bôi trơn đã được cung cấp từ nhà máy, giảm thiểu nhu cầu bảo trì.
- Hạn chế:
- Khả năng thực hiện chế độ kín: Không thể ngăn chặn nước hoặc hơi xâm nhập hiệu quả như nứt cao tiếp theo. Không phù hợp với môi trường môi trường hoặc quá nhiều bụi.
- Chức năng chính: Đơn giản hóa công việc định vị vòng bi theo trục xẹp trong vỏ bọc mà không cần các chi tiết gia công phức hợp trên vỏ.
- Đặc điểm nổi bật: Vòng ngoài của bi có một hình được khuyên dùng và một vòng đệm (snap ring) được gắn sẵn trong khu vực này.
- Ưu điểm vượt trội:
- Định vị xẹp đơn giản: Vòng đệm phù hợp với khu vực gối, giúp định vị vòng bi chính xác theo trục xẹp mà không cần phải Sản phẩm gối, vai gối hỗ trợ hoặc các vòng đệm riêng.
- Tiết kiệm không gian: Giảm không gian lắp đặt cần thiết theo chiều trục, cho phép thiết kế hệ thống thu gọn hơn.
- Giảm chi phí gia công: Không cần gia công gối đỡ hoặc Sản phẩm phức tạp, tiết kiệm chi phí sản xuất.
- Lắp đặt và tháo dỡ một cách dễ dàng: Quá trình lắp đặt và hoàn thành sẽ nhanh chóng và thuận tiện hơn.
- Hạn chế:
- Không phù hợp để tải xuống sai sót theo hướng quá lớn: Mặc dù cung cấp định vị, bộ đệm vòng không được thiết kế để tải xuống sai sót theo hướng quá lớn.
- Ảnh hỗ trợ cho phần cứng tổng thể: Trong một số ứng dụng cực kỳ ôm phần cứng theo chiều trục, giải pháp đệm này có thể mang lại hiệu quả hơn nên vai trò giúp được gia công chắc chắn.
Sự kết hợp của 2Z và NR làm cho SKF 6002-2ZNR trở thành lựa chọn lý tưởng cho các ứng dụng nơi cần tốc độ cao, ma sát thấp, bảo vệ khỏi bụi Phúc lớn và yêu cầu định vị trục đơn giản, hiệu quả trong gói hỗ trợ.
5. Ưu và nhược điểm của Vòng Bi SKF 6002-2ZNR
Vòng bi SKF 6002-2ZNR được thiết kế để mang lại hiệu suất tốc độ cao, tốc độ chậm và khả năng trục trặc thuận lợi. Câu hỏi về mức độ ưu tiên của lựa chọn phải hiểu mức độ ưu tiên của nó.
Ưu điểm nổi bật:
- Tốc độ cao và ma sát: Hai sản phẩm thép dây 2Z là loại không tiếp xúc, giúp vòng bi hoạt động ở tốc độ rất cao và sinh nhiệt cực kỳ thấp làm ma sát không đáng kể. Điều này rất quan trọng đối với hiệu suất ứng dụng yêu cầu cao.
- Kết quả ổn định đơn giản và hiệu quả: Vòng đệm NR được lắp sẵn trên vòng ngoài cho phép định vị vòng bi chính xác theo đệm gối đỡ, loại bỏ nhu cầu gia công phức tạp hoặc sử dụng các chi tiết định vị bên ngoài, giúp tiết kiệm không gian và chi phí.
- Bảo vệ khỏi bụi bẩn lớn: Tấm thép giúp ngăn chặn các hạt bụi lớn và các vật thể lạ xâm nhập vào bên trong vòng bi.
- Giữ chất béo hiệu quả: Dầu bôi trơn đã được cung cấp sẵn từ nhà máy được bảo vệ tốt, giảm thiểu nhu cầu tái bôi trơn trong nhiều ứng dụng.
- Hoạt động nữ ái, ít rung động:Xin ma sát thấp và khả năng giữ mỡ tốt, vòng bi hoạt động mượt mà và nữ ái.
- Chịu tải đa hướng: Có khả năng chịu đựng tốt cả tải trọng tâm (tải hướng tâm) và hướng trục xuống (tải trọng trục) theo cả hai chiều.
- Hiệu suất SKF Explorer: Là một phần của dòng SKF Explorer, vòng bi này được tối ưu hóa để mang lại hiệu suất vượt trội và độ tin cậy cao.
Nhược điểm cần lưu ý:
- Khả năng hạn chế bụi và chất thải: Loại kính cường lực không tiếp xúc không thể ngăn chặn bụi, nước, hơi nước hoặc các chất độc hại khác như bong cao su tiếp xúc. Không phù hợp với môi trường môi trường hoặc quá nhiều bụi.
- Không phù hợp để tải xuống các trục trặc quá lớn: Mặc dù đã định nghĩa vị trí hỗ trợ cho bộ đệm NR, nhưng nó không được thiết kế để hạn chế tải xuống trục cực kỳ lớn.
- Giá thành có thể cao hơn: Vì vậy, với vòng bi không có dây thép hoặc không có vòng đệm, giá thành có thể cao hơn so với việc tích hợp nhiều tính năng.
6. Ứng dụng Thực Tế của Vòng Bi SKF 6002-2ZNR
Với kích thước (15x32x9mm), khả năng hoạt động ở tốc độ cao nhờ dây thép 2Z và tính năng định vị trượt lợi ích giúp ngành vòng đệm NR, vòng bi SKF 6002-2ZNR là lựa chọn lý tưởng cho các ứng dụng công nghiệp và dân dụng đòi hỏi hiệu suất cao, ma sát và lắp đặt đơn giản. Đây là loại phổ biến tại các khu công nghiệp ở TP. Hồ Chí Minh và khu vực lân cận:
- Động cơ điện: Trong các loại động cơ điện từ nhỏ đến trung bình, nơi cần vòng bi hoạt động ái ái, tốc độ cao và ít bảo trì.
- Quạt công nghiệp và hệ thống thông gió: Trong các quạt hút, quạt thổi trong môi trường khô khô, có bụi lớn nhưng không quá dư hoặc ẩm ướt.
- Máy phát điện: Trong các bộ phận quay của máy phát điện, nơi tốc độ quay cao là yếu tố quan trọng.
- Thiết bị văn phòng: Trong máy in, máy photocopy, máy tính tiền, nơi cần hoạt động mượt mà và bền bỉ.
- Hộp số và bộ truyền thông: Trong các hộp số, bộ truyền động trong môi trường tương thích sẽ được làm sạch.
- Thiết bị gia dụng: Trong máy hút bụi, máy rửa bát, máy sạch (trong các bộ phận không tiếp xúc trực tiếp với nước).
- Xe máy, ô tô: Trong các bộ phận như bánh xe, động cơ, hộp số (tùy thuộc vào yêu cầu môi trường cụ thể).
7. Hướng Dẫn Đặt và Tháo Tháo SKF 6002-2ZNR
Để đảm bảo tuổi thọ và hiệu suất tối ưu cho vòng bi SKF 6002-2ZNR, cách lắp đặt và tháo gỡ đúng cách là vô cùng quan trọng. luôn luôn thủ các nguyên tắc an toàn và kỹ thuật của các nhà sản xuất. Mecsu cung cấp hướng dẫn chi tiết dựa trên kinh nghiệm thực tế:
- Chuẩn bị: Đảm bảo môi trường làm việc sạch sẽ, khô ráo. Chuẩn bị đầy đủ các công cụ chuyên dụng như cảo, búa mềm, thiết bị gia nhiệt cảm ứng (nếu cần) và các công cụ phù hợp để vận hành vòng đệm. Luôn đeo dây bảo vệ và kính bảo hộ để đảm bảo an toàn. Kiểm tra khí cụ và gối phải sạch sẽ, không có lỗ hổng và bảo đảm sai dung dịch. Lưu ý quan trọng: Không nên rút dây thép 2Z vì vòng bi đã được sản xuất sẵn và tháo dỡ sản phẩm có thể gây hư hỏng hoặc ảnh hưởng đến khả năng làm kín và tuổi thọ của vòng bi.
- Lắp đặt:
- Phương pháp nhiệt (phổ biến nhất cho vòng bi lớn hoặc lắp đặt chính xác): Gia nhiệt vòng bi bằng thiết bị gia nhiệt chuyên dụng (ví dụ: máy gia nhiệt cảm ứng SKF) đến nhiệt độ khoảng 80-100°C. Điều này giúp vòng nở ra, dễ trượt vào trục mà không cần dùng lực quá lớn. Luôn hoạt động đều đặn và tập trung lên vòng khi gắn vào xẹp xuống.
- Phương pháp cơ khí (dùng cho kích thước nhỏ hơn hoặc khi không thể gia nhiệt): Sử dụng ống lót chuyên dụng và rèn mềm, lực lực đều lên vòng khi lắp vào trục. Tuyệt đối tránh tác động trực tiếp lên Sản phẩm thép hoặc các viên bi có thể gây nguy hiểm chết người cho Sản phẩm dây xích hoặc vòng bi.
- Đặt gối đỡ: Với vòng đệm có vòng đệm NR, bạn chỉ cần đệm đỡ vòng để đệm vòng phù hợp với khu vực gối đỡ. Điều chỉnh sai lầm định vị công việc đơn giản hóa này.
- Lưu ý: Đảm bảo vòng bi được gắn thẳng, không bị lệch hoặc kẹt.
- Gỡ bỏ:
- Sử dụng cả dụng cụ chuyên dụng (cảo cơ hoặc cả thủy lực) để xoay vòng một cách an toàn và không gây ra tình trạng gãy xương cho hoặc hỗ trợ gối. Tác dụng lực đều và đúng ở vòng trong (khi rút xẹp) hoặc vòng ngoài (khi rút gối).
- Để hỗ trợ lưu trữ NR đệm vòng, bạn có thể sử dụng công cụ thích hợp để nén vòng đệm hoặc đơn giản là các slide đệm vòng nếu thiết bị hỗ trợ được phép.
- Tránh dùng đập trực tiếp lên các sinh vật học hoặc các bộ phận khác có thể gây ra các biến dạng, hư hỏng. Việc này không chỉ làm hỏng vòng bi mà còn tiềm ẩn nguy hiểm.
- Người bảo vệ: Nếu không sử dụng ngay, hãy giữ vòng bi trong bao bì gốc của nhà sản xuất, ở nơi khô ráo, thoáng mát, tránh ánh nắng trực tiếp và các chất hóa học ăn mòn để ngăn chặn sét và bụi nguy hiểm xâm nhập.
8. So Sánh Vòng Bi 6002-2ZNR với Các Loại 6002 Khác
Việc hiểu rõ sự khác biệt giữa các loại vòng bi 6002 SKF sẽ giúp bạn lựa chọn sản phẩm phù hợp nhất cho ứng dụng của mình, tối ưu hóa hiệu suất và chi phí đầu tư:
| Tiêu chí | SKF 6002-2ZNR (2 Thép, NR) | SKF 6002 (Không chắc chắn, CN) | SKF 6002-2Z (2 Thép, CN) | SKF 6002-2RSH (2 Phớt cao su, CN) |
|---|---|---|---|---|
| Kích thước (dx D x B) | 15 x 32 x 9 mm | 15 x 32 x 9 mm | 15 x 32 x 9 mm | 15 x 32 x 9 mm |
| Tải cơ sở dữ liệu (C) | 5,85 kN | 5,85 kN | 5,85 kN | 5,85 kN |
| Tải cơ sở dữ liệu quan trọng (C0) | 2,85 kN | 2,85 kN | 2,85 kN | 2,85 kN |
| Tốc độ giới hạn (Giới hạn tốc độ) | Không cung cấp trực tiếp (cao thường xuyên) | 32 000 vòng/phút | 28 000 vòng/phút | 14 000 vòng/phút |
| Vòng cách | Tấm kim loại | Tấm kim loại | Tấm kim loại | Tấm kim loại |
| Phớt chắc | Khiên ở cả hai bên (2Z) | Không có | Khiên ở cả hai bên (2Z) | Niêm phong cả hai mặt (2RSH) |
| Loại Chắc Dầu | Không tiếp xúc | Mở | Không tiếp xúc | Liên hệ |
| Tra mỡ sẵn | Mỡ (Có) | Không | Mỡ (Có) | Mỡ (Có) |
| Khe khe hướng kính | CN (Tiêu chuẩn) | CN (Tiêu chuẩn) | CN (Tiêu chuẩn) | CN (Tiêu chuẩn) |
| Tính năng bên ngoài định vị vòng | Vòng chặn (NR) | Không có | Không có | Không có |
| Khả năng làm kín | Tốt (chắn bụi lớn, giữ mỡ) | Kem (không dây, dễ nhiễm trùng) | Tốt (chắn bụi lớn, giữ mỡ) | Rất tốt (chống bụi, nước, giữ mỡ tuyệt đối) |
| Khả năng chống ẩm/lỏng | Trung bình | Kem | Trung bình | Rất tốt |
| Nhu cầu bảo trì | Rất thấp (bôi trơn từ nhà) | Cao (cần bôi trơn bất kỳ) | Rất thấp (bôi trơn từ nhà) | Rất thấp (bôi trơn từ nhà, kín đáo) |
| Ưu điểm nổi bật | Tốc độ cao, ma sát, định nguy hiểm đơn giản, tiết kiệm không gian. | Tốc độ rất cao, ma sát cực thấp, linh hoạt trong công việc bôi trơn (cần hệ thống bôi trơn bên ngoài). | Tốc độ cao, ma sát thấp, hoạt động cô ái, ít bảo trì, chống bụi tốt. | Bảo vệ tuyệt vời khỏi bụi bẩn, nước, hóa chất, tuổi thọ mỡ dài, ít bảo trì. |
| Ứng dụng điển hình | Động cơ điện, quạt, hộp số (môi trường khô, có bụi lớn), thiết bị cần định vị sai lầm nhẹ nhàng. | Hộp số kín, xâu tốc độ rất cao trong môi trường sạch sẽ, hệ thống có bôi trơn trung tâm. | Động cơ điện, quạt công nghiệp, hộp số, máy công cụ (môi trường tiêu chuẩn, khô, có bụi lớn). | Môi trường ẩm ướt, nhiều bụi, nông nghiệp, công nghiệp thực phẩm (nơi có nước), công trình. |
9. Cách Phân Biệt Vòng Bi SKF 6002-2ZNR Thật – Giả – Lời Khuyên Từ Chuyên Gia Mecsu
Thị trường hiện nay có rất nhiều hàng giả, hàng giả chất lượng, đặc biệt là với các sản phẩm vòng bi SKF chính hãng được ưa chuộng. Để đảm bảo bạn mua được vòng bi SKF 6002-2ZNR chính hãng tại TP.HCM, Mecsu khuyến nghị kiểm tra các dấu hiệu sau:
a. Hãng dấu hiệu vòng bi SKF 6002-2ZNR :
- Bao bì chất lượng cao: Sắc nét, màu xanh đặc trưng của SKF, sản phẩm thông tin rõ ràng, đầy đủ mã vạch/QR code và thông tin xuất xứ. Bạn sẽ tìm thấy công nghệ trong từng chi tiết.
- In ấn trên vòng bi sắc nét: Logo SKF, sản phẩm mã hóa hóa (6002-2ZNR) và nhà sản xuất quốc gia được in hoặc khắc vết sắc nét bằng laser, rõ ràng, không lem, không sai phông chữ, rất khó bị tẩy xóa.
- Mã QR/Bar code xác thực: Có thể quét bằng ứng dụng “SKF Authenticate” trên điện thoại di động thông minh để xác thực nguồn gốc và tính chính hãng của sản phẩm. Đây là công cụ hữu ích nhất của SKF để chống hàng giả.
- Mũ thép và đệm vòng hoàn thiện: Hai sản phẩm thép chắc chắn được gắn chắc chắn, đồng đều, không có dấu hiệu cong, móp. NR buffer được gắn gọn gàng trong khu vực, không bị giới hạn hoặc bị biến đổi.
- Cảm giác vận động mượt mà: Khi quay vòng bi bằng tay, bạn sẽ cảm nhận được tốc độ trơn tru, nhẹ nhàng làm săn chắc dây thép không tiếp xúc. Vòng bi không có tiếng kêu lạ, không bị khóa bất thường.
- Chứng từ đầy đủ: Nhà cung cấp uy tín sẽ cung cấp đầy đủ “CO” (chứng nhận xuất xứ) và “CQ” (chứng nhận chất lượng) từ nhà sản xuất, đảm bảo nguồn gốc và chất lượng sản phẩm.
b. Dấu hiệu của vòng bi SKF 6002-2ZNR hàng giả/nhái:
- In ấn mờ nhạt, sai chính tả, phông chữ lạ, thiếu thông tin hoặc không chính xác trên cả bao bì và vòng bi.
- Bao bì thô, màu trôi chuẩn SKF, thiếu thông tin quan trọng hoặc có dấu hiệu làm lại.
- Mũ bảo hiểm thép được thiết kế hoàn thiện, dễ dàng bung ra hoặc có dấu hiệu, chất liệu thép an toàn. Bộ đệm vòng NR không được thực hiện, dễ bị bung hoặc sai kích thước.
- Không có mã QR hoặc mã hóa không quét được hoặc quét ra thông tin không khớp với sản phẩm chính hãng.
- Khi quay tay có tiếng kêu lạo xạo, cảm giác giác, nặng hoặc quá trình (rơ) bất thường, làm gia công giá trị chính xác và vật liệu không đạt tiêu chuẩn.
- Giá bán rẻ bất ngờ so với thị trường của các sản phẩm chính hãng – đây là dấu hiệu cảnh báo lớn nhất.

10. Giá Bán & Mô-ni Ý Mua Vòng Bi SKF 6002-2ZNR Chính Hãng Tại TP.HCM
a. Giá vòng bi SKF 6002-2ZNR (TP.Hồ Chí Minh) tại Mecsu: Giá: 117.914 đ/ Cái (đã có VAT) – Giá hợp lý, phù hợp với chất lượng sản phẩm chính hãng
Liên hệ để nhận báo giá tốt nhất (giá có thể thay đổi tùy thời điểm và số lượng) – Giá hợp lý, phù hợp với chất lượng sản phẩm chính hãng SKF tại thị trường vòng bi TP.HCM.
b. Gợi ý mua vòng bi chính hãng SKF uy tín
- Chọn nhà cung cấp uy tín tại TP.HCM: Ưu tiên đối tác có bằng chứng nhận từ SKF hoặc đơn vị lâu năm, được nhiều khách hàng tin tưởng và có danh tiếng trên thị trường cung cấp linh kiện cơ khí tại TP.HCM.
- Kiểm tra chứng từ đầy đủ: Luôn yêu cầu đầy đủ “CO” (chứng nhận xuất xứ) và “CQ” (chứng nhận chất lượng) để đảm bảo nguồn gốc và chất lượng của sản phẩm. Điều này giúp bạn tránh mua phải “vòng bi SKF giả” trên thị trường.
- 100% sản phẩm chính hãng: Đảm bảo nguồn gốc rõ ràng, đầy đủ chứng từ. Chúng tôi cam kết hoàn tiền 100% hoặc đổi trả nếu sản phẩm không thuộc loại công thức chính.
- Chính sách bảo hành minh bạch: Hỗ trợ đổi trả nếu nhà sản xuất gặp lỗi, mang lại sự an tâm tuyệt đối cho khách hàng.
- Hỗ trợ kỹ thuật chuyên sâu: Đội ngũ kỹ sư giàu kinh nghiệm sẵn sàng hỗ trợ bạn về kỹ thuật và lựa chọn sản phẩm phù hợp nhất cho mọi ứng dụng.
- Giá cả cạnh tranh: Đảm bảo giá tốt nhất đi kèm chất lượng, với chính sách chiết khấu hấp dẫn cho đơn hàng số lượng lớn, đặc biệt khi “mua vòng bi SKF số lượng lớn”.
MUA THÊM NHIỀU LOẠI VÒNG BI CHÍNH HÃNG KHÁC TẠI MECSU
11. Câu hỏi thường gặp về Vòng Bi SKF 6002-2ZNR
a. Vòng bi SKF 6002-2ZNR có cần bảo dưỡng, tra mỡ không?
Vòng bi SKF 6002-2ZNR được sản xuất từ nhà máy và có hai dây thép (2Z) giúp giữ mỡ bên trong. Trong hầu hết các ứng dụng thông thường, vòng bi này được xem là “bảo trì trọn đời” và không cần tái bôi trơn. Điều này giúp tiết kiệm thời gian và chi phí bảo trì đáng kể, đặc biệt trong các ứng dụng yêu cầu tốc độ cao và ít can thiệp.
b. Chữ “2ZNR” trong mã SKF 6002-2ZNR có ý nghĩa gì?
“2Z” chỉ có hai dây thép vòng ở cả hai mặt, là loại không tiếp xúc, giúp bảo vệ khỏi bụi lớn và cho phép tốc độ cao. “NR” (Snap Ring) biểu thị bộ đệm vòng có một bộ đệm vòng và một bộ đệm vòng được gắn sẵn ở bên ngoài vòng, giúp định vị chính xác vòng đệm theo chiều dọc trong gối đỡ.
c. Vòng bi SKF 6002-2ZNR có hoạt động tốt trong môi trường bụi và nước không?
Nắp đậy thép 2Z giúp bảo vệ tốt khỏi bụi bẩn lớn. Tuy nhiên, đây là loại không tiếp xúc, khả năng làm kín của nó với bụi, nước hoặc hơi ẩm sẽ không hiệu quả bằng cách sử dụng đệm cao su (RSH). Vì vậy, không phù hợp cho môi trường khô ráo, có bụi lớn, nhưng không lý tưởng cho môi trường ẩm hoặc quá nhiều bụi.
d. Làm sao biết vòng bi 6002-2ZNR của tôi là hãng SKF chính hãng?
Kiểm tra bao bì (logo, mã QR rõ ràng), vòng bi có khắc lazer sắc nét, Sản phẩm thép và đệm vòng nguyên và chắc chắn. Điều quan trọng nhất, hãy sử dụng ứng dụng SKF Authenticate để quét mã và kiểm tra trực tiếp từ SKF. Đây là cách chắc chắn nhất để phân biệt vòng bi SKF thật sự.
đ. Khi nào cần thay thế bi 6002-2ZNR?
Bạn nên thay thế vòng bi khi nhận được các dấu hiệu sau:
- Tiếng ồn bất thường: Tiếng kêu lạo xạo, rít, hoặc kêu khi vòng bi quay, báo hiệu bi hoặc khu vực mòn.
- Tăng nhiệt độ: Vòng bi tăng lên bất thường trong quá trình hoạt động, có thể tăng mỡ hoặc tải trong quá trình.
- Độ cao lớn: Thiết bị hoạt động có tốc độ tăng lên đáng kể, ảnh hưởng đến hiệu suất và có thể gây nguy hiểm cho các bộ phận khác.
- Chất liệu: Mũ thép được trang bị công, căng thẳng, hoặc có dấu hiệu tổn thương cao. Vòng đệm bị biến dạng hoặc bung ra.
- Vòng bi bị khóa hoặc không được xóa.
Kinh nghiệm từ các kỹ sư Mecsu: Kiểm tra định kỳ bằng cách lắng nghe tiếng ồn hoặc cảm nhận mức độ rung có thể giúp phát hiện sớm các dấu hiệu cần thay thế, tránh nguy hại gây hại nghiêm trọng hơn cho toàn hệ thống. Đừng ngần ngại liên hệ với chúng tôi để được hỗ trợ kỹ thuật về bảo trì vòng bi hoặc thay thế vòng bi.
f. Mua vòng bi SKF 6002-2ZNR chính hãng, uy tín ở đâu tại TP.HCM?
Mua vòng bi SKF 6002-2ZNR chính hãng và đảm bảo chất lượng tại TP.HCM, bạn hãy liên hệ ngay với Mecsu.
- Cam kết chất lượng: 100% sản phẩm có nguồn gốc rõ ràng, đầy đủ chứng từ CO, CQ. Chúng tôi cam kết hoàn tiền 100% hoặc đổi trả nếu sản phẩm không phải của công ty chính thức.
- Giá cả cạnh tranh: Đảm bảo giá tốt nhất đi kèm chất lượng, với chính sách chiết khấu hấp dẫn cho đơn hàng số lượng lớn, đặc biệt khi “mua vòng bi SKF số lượng lớn”.
- Tư vấn chuyên sâu: Đội ngũ kỹ sư giàu kinh nghiệm sẵn sàng hỗ trợ bạn về kỹ thuật và lựa chọn sản phẩm phù hợp nhất.
- Chính sách hậu mãi: Đảm bảo quyền lợi tối đa cho khách hàng với dịch vụ hỗ trợ nhanh chóng, tận tâm.
MUA THÊM NHIỀU LOẠI VÒNG BI CHÍNH HÃNG KHÁC TAI MECSU
12. Liên Hệ và Hỗ Trợ Tư Vấn Vòng Bi SKF
Nếu bạn có bất kỳ thắc mắc nào về vòng bi SKF 6002-2ZNR hoặc cần tư vấn về giải pháp vòng bi cho ứng dụng cụ thể của mình, đừng khuyến khích liên hệ với đội ngũ chuyên gia của Mecsu. Chúng tôi luôn sẵn sàng hỗ trợ bạn tìm ra sản phẩm phù hợp và tối ưu nhất, đồng thời cung cấp những kiến thức về kỹ thuật bảo trì vòng bi mà bạn khó tìm thấy ở những nơi khác.
Địa chỉ: B28/I – B29/I Đường số 2B, KCN Vĩnh Lộc, P. Bình Hưng Hòa B, Q. Bình Tân, TP.HCM
Đường dây nóng: 1800 8137
Email: [email protected]
Trang web: mecsu.vn
13. Thông Tin Bổ sung & Kinh nghiệm Thực Tế Từ Mecsu
a. Kinh nghiệm Thực Tế & Câu Chuyện Thành Công
Tại Mecsu, chúng tôi tự hào là đối tác đáng tin cậy của nhiều doanh nghiệp trong việc cung cấp các giải pháp chất lượng cao vòng vòng. “Vòng bi SKF 6002-2ZNR”, với khả năng hoạt động ở tốc độ cao, ma sát thấp và tính năng ổn định trục trặc, đã được ứng dụng trong nhiều dự án quan trọng của khách hàng chúng tôi tại “TP. Hồ Chí Minh” và các đèn lân cận, mang lại hiệu quả vượt trội và là minh chứng cho chất lượng sản phẩm cùng kinh nghiệm thực tế của đội ngũ Mecsu:
- Lĩnh vực sản xuất cơ khí và quạt: Chúng tôi đã cung cấp “SKF 6002-2ZNR” cho các nhà sản xuất cơ điện và quạt công nghiệp, giúp tối ưu hóa hiệu suất, giảm tiếng ồn và đơn giản hóa quy trình xây dựng vòng đệm năng lượng nhanh chóng.
- Thiết bị gia dụng và văn phòng: Trong các dây chuyền sản xuất máy tính, máy hút bụi, vòng bi này đã góp phần nâng cao độ bền và độ tin cậy của sản phẩm, đồng thời giúp các nhà sản xuất tiết kiệm chi phí lắp đặt.
- Công nghiệp ô tô và xe máy: Trong các bộ phận cần hoạt động trơn tru ở tốc độ cao và định vị chính xác, SKF 6002-2ZNR đã được sử dụng, mang lại sự ổn định cho hoạt động truyền hệ thống.
b. Trích Dẫn Chuyên Gia
““SKF 6002-2ZNR” là lựa chọn lý tưởng cho các nhà thiết kế và kỹ thuật muốn đạt hiệu suất tốc độ cao với đơn giản trong lắp đặt. Nắp bảo vệ 2Z mang lại khả năng chống bụi hiệu quả nhưng vẫn duy trì ma sát, trong khi tính toán vòng đệm NR thực sự giúp tối ưu hóa thiết bị đệm và tiết kiệm không gian. Đây là một giải pháp vòng bi thông minh cho các ứng dụng cần sự chính xác và hiệu quả tại TP.HCM.”
— “Kỹ sư cơ khí Chuyên gia kỹ thuật Mecsu” (TP. Hồ Chí Minh) – Với hơn 10 năm kinh nghiệm trong lĩnh vực “bạc đạn công nghiệp”.
c. Tài Liệu Tham Khảo và Nghiên Cứu
Nội dung bài viết này được biên soạn dựa trên các tài liệu kỹ thuật chính quy và đáng tin cậy của SKF , cùng với kinh nghiệm thực tế chuyên sâu của đội ngũ kỹ sư Mecsu, đảm bảo tính chính xác, cập nhật và chuyên môn môn môn cao:
- Danh mục sản phẩm SKF (Danh mục sản phẩm SKF chính thức) – Nguồn dữ liệu kỹ thuật chi tiết nhất về “vòng bi SKF”.
- Tài liệu kỹ thuật SKF Explorer – Vòng bi ngành sâu (Thông tin chuyên sâu về “vòng bi cầu sâu SKF Explorer”) – Cung cấp cái nhìn toàn diện về thế hệ vòng bi bền bỉ này.
- Bảng dữ liệu kỹ thuật (Datasheet) chi tiết của SKF 6002-2ZNR – Nguồn thông số kỹ thuật chính xác.
- Trải nghiệm thực tế và phản hồi từ các dự án khách hàng của Mecsu – “Dữ liệu độc nhất” được thu thập từ hơn 10 năm cung cấp “linh kiện cơ khí” và “giải pháp vòng bi” cho doanh nghiệp tại Việt Nam.
Biên soạn bởi: Đội ngũ kỹ sư Mecsu
Với hơn 10 năm kinh nghiệm chuyên sâu trong lĩnh vực và tư vấn giải pháp vòng bi, đội ngũ kỹ sư của Mecsu cam kết mang đến những thông tin chính xác, cập nhật và hữu ích nhất, giúp quý khách hàng đưa ra loại sản phẩm tối ưu cho mọi ứng dụng.
(Xem thêm thông tin về chúng tôi tại Website Mecsu )
Lưu ý: Hình ảnh sản phẩm có thể khác biệt so với sản phẩm thực tế của SKF. Vui lòng tham khảo thông số kỹ thuật chi tiết hoặc liên hệ Mecsu để có thông tin chính xác nhất về sản phẩm.



















Đánh giá
Chưa có đánh giá nào.