Mô tả sản phẩm
Thông tin CHUYÊN SÂU về Vòng Bi Cầu Rãnh Sâu SKF 6003-2RSH (17x35x10) Phớt Cao Su NBR Tiếp xúc (Hai Bên)
Mục Lục
- 1. Vòng Bi SKF 6003-2RSH Là Gì? – Giải Thích Chuyên Sâu
- 2. Thông Số Kỹ Thuật Chi Tiết Của Vòng Bi Cầu SKF 6003-2RSH
- 3. Cấu hình chi tiết Vòng Bi SKF 6003-2RSH
- 4. Phân Tích Chuyên Sâu: Ký Hiệu 2RSH của SKF 6003-2RSH
- 5. Ưu và nhược điểm của Vòng Bi SKF 6003-2RSH
- 6. Ứng dụng Thực Tế của Vòng Bi SKF 6003-2RSH
- 7. Hướng Dẫn Đặt và Tháo Tháo SKF 6003-2RSH
- 8. So Sánh Vòng Bi 6003-2RSH với Các Loại 6003 Khác
- 9. Cách Phân Biệt Vòng Bi SKF 6003-2RSH Thật – Giả – Lời Khuyên Từ Chuyên Gia Mecsu
- Dấu hiệu của vòng bi SKF 6003-2RSH hàng chính hãng
- Dấu hiệu của vòng bi SKF 6003-2RSH hàng giả/nhái
- 10. Giá Bán & Mô-ni Ý Mua Vòng Bi SKF 6003-2RSH Chính Hãng Tại TP.HCM
- 11. Câu hỏi thường gặp về Vòng Bi SKF 6003-2RSH
- 12. Liên Hệ và Hỗ Trợ Tư Vấn Vòng Bi SKF
- 13. Thông Tin Bổ Sung & Kinh nghiệm Thực Tế Từ Mecsu
1. Vòng Bi SKF 6003-2RSH Là Gì? – Giải Thích Chuyên Sâu
Vòng bi cầu rãnh sâu SKF 6003-2RSH là một loại vòng được thiết kế để cung cấp khả năng làm kín nổi và bảo vệ tối đa các loại ô nhiễm HIV. Mã “6003” chỉ định kích thước cơ sở với đường kính trong (d) 17mm, đường kính ngoài (D) 35mm và chiều dày (B) 10 mm.
Điểm khác biệt chính của sản phẩm này nằm ở hậu tố:
- “2RSH”: Biết vòng bi được trang bị hai dây dẫn bằng cao su NBR (cao su nitrile butadien) ở cả hai phía. Điều này tiếp tục căng thẳng trong vòng bi, tạo ra một hàng rào ngăn chặn hiệu quả cao để ngăn chặn bụi bẩn, nước và các chất gây ô nhiễm vi khuẩn vi khuẩn xâm nhập vào bên trong vòng bi. Đồng thời, phun cao su cũng giúp bôi trơn mỡ bên trong, đảm bảo tuổi thọ làm việc lâu dài và giảm nhu cầu bảo trì. Vòng bi này đã được lấy sẵn từ máy chủ.
SKF 6003-2RSH là lựa chọn lý tưởng cho các ứng dụng hoạt động trong môi trường khắc nghiệt, có nhiều bụi bẩn, độ ẩm cao hoặc có nguy cơ tiếp xúc với chất thải, nơi yêu cầu khả năng làm kín tối đa và bảo trì ở mức tối thiểu.
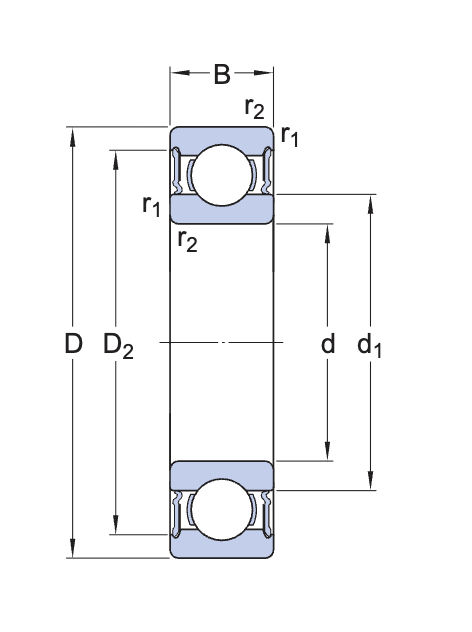
2. Thông Số Kỹ Thuật Chi Tiết Của Vòng Bi Cầu SKF 6003-2RSH
d: Đường kính trong
D: Đường kính ngoài
B: Bề dày
C: Tải cơ sở dữ liệu danh sách
C0: Tải danh sách cơ sở dữ liệu tĩnh
Pu: Giới hạn tải mệt mỏi
| Thông số | Giá trị |
|---|---|
| Mã sản phẩm | 6003-2RSH |
| Loại vòng bi | Vòng Bi Cầu Rãnh Sâu (Vòng Bi Rãnh Sâu) |
| Đường kính trong (d) | 17 mm |
| Đường kính ngoài (D) | 35 mm |
| Bề dày (B) | 10 mm |
| Tải cơ sở dữ liệu quan trọng (C) | 6,37 kN |
| Tải quan trọng cơ sở dữ liệu danh sách (C0) | 3,25 kN |
| Tốc độ tham chiếu | 50 000 vòng/phút |
| Tốc độ giới hạn | 13 000 vòng/phút |
| Vòng cách | Thép tấm (Sheet metal) |
| Phớt cao su hai bên (2RSH) | Phớt cao su hai bên (2RSH) |
| Loại Chắc Dầu | Tiếp xúc (Contact) |
| Khe khe trong hướng kính | CN (Tiêu chuẩn) |
| Thương hiệu | SKF |
| Hình dạng lỗ máy xúc | Trụ thẳng (Cylindrical) |
| Tra mỡ sẵn | Có (Trà mỡ sẵn đời) |
| Làm kín tích hợp | Có (tăng tuổi thọ công việc của ổ bi) |
| Ma sát | Trung bình (do tiếp xúc xúc) |
| Độ âm và rung động | Độ ồn và mức độ ưu tiên |
| Khả năng chịu tải | Chịu được tải kính và hướng trục theo cả hai hướng |
| Yêu cầu bảo trì | Rất thấp (bôi trơn sẵn đời) |
| Lớp hiệu suất SKF | SKF Explorer |
3. Cấu hình chi tiết Vòng Bi SKF 6003-2RSH
Vòng bi SKF 6003-2RSH được cấu hình thành các bộ phận chính, mỗi bộ phận đóng vai trò quan trọng trong công việc đảm bảo hiệu suất hoạt động và độ bền:
Sơ đồ tạo cấu hình Vòng Bi Cầu Rãnh SKF 6003-2RSH với cao su trống ở phía sau:
- Vòng trong/ngoài: Được chế tạo từ thép chịu lực cao, cùng với khu vực Yên tĩnh, chịu tải chính.
- Bi cầu: Sản phẩm sản xuất từ thép siêu chính xác và được xử lý nhiệt đặc biệt để giảm độ cứng, tăng cường độ cứng và độ bền.
- Vòng cách: Làm bằng thép tấm (Tấm kim loại), có chức năng giữ các thành viên bi cách đều nhau, đảm bảo vòng bi vận hành ái và ổn định.
- Phớt cao su (2RSH): Đây là đặc điểm nổi bật của loại vòng bi này. Hai lần được làm từ cao su Nitrile Butadiene Rubber (NBR) và được gắn chặt vào vòng bên ngoài, có môi trường căng tiếp giáp với lớn trên vòng trong. “2RSH” chỉ ra rằng vòng bi có hai rải cao su RSH ở cả hai bên. Các loại này cung cấp khả năng làm kín vượt trội, ngăn chặn hiệu quả bụi, nước, hơi ẩm và các chất gây ô nhiễm khác xâm nhập vào vòng bi. Đồng thời, chúng tôi giữ mỡ bôi trơn bên trong vòng bi, đảm bảo bôi trơn tối ưu trong suốt thời gian làm việc. Vòng bi này đã được lấy sẵn từ máy chủ.
- Khe CN (Tiêu chuẩn): Đây là khe hở trong tiêu chuẩn của vòng bi, phù hợp để hầu hết các ứng dụng thông thường.
4. Phân Tích Chuyên Sâu: Ký Hiệu 2RSH của SKF 6003-2RSH
Để thực sự hiểu được giá trị của vòng bi SKF 6003-2RSH, việc phân tích sâu hơn về yếu tố thì chốt: “ký hiệu 2RSH” là rất quan trọng.
Ký hiệu “2RSH” – Hải phun cao su NBR tiếp xúc:
- Chức năng chính: Cung cấp khả năng làm kín tối đa từ cả hai bên, bảo vệ vòng bi khỏi mọi loại ô nhiễm kiềm (bụi nguyên, nước, hơi ẩm, chất giảm) và giữ mỡ bôi trơn bên trong vòng bi.
- Đặc điểm nổi bật: Là loại thông “tiếp xúc” (Con dấu liên lạc). Điều này có nghĩa là môi phun cao su (RSH) tiếp xúc trực tiếp với ngành trên vòng trong vòng bi, tạo ra một rào cản vật lý cực kỳ hiệu quả. “2RSH” chỉ ra rằng vòng bi có hai thứ như vậy ở cả hai phía.
- Ưu điểm vượt trội:
- Bảo vệ ô nhiễm chất tuyệt vời: Giảm tiếp xúc mang lại khả năng giữ kín hơn chắc chắn với sản phẩm thép chắc chắn (Z). Nó ngăn chặn hiệu quả cả bụi, nước bắn, hơi ẩm và nhiều loại chất lỏng, kéo dài đáng kể tuổi thọ của vòng bi trong môi trường khắc nghiệt.
- Duy trì bôi trơn: Phớt cao su không chỉ ngăn chặn tế bào nhiễm nấm mà còn giữ mỡ bôi trơn bên trong vòng bi, đảm bảo bôi trơn đủ và hiệu quả dưỡng tuổi tuổi làm việc.
- Giảm bảo trì: Vòng bi 2RSH được tra mỡ sẵn từ nhà máy và có khả năng làm kín tốt, do đó gần như không cần bảo trì trong suốt tuổi thọ vận hành, tiết kiệm chi phí và thời gian.
- Hạn chế:
- Ma sát cao hơn: Làm căng tiếp xúc trực tiếp với vòng trong, sẽ có lượng ma sát nhất phát sinh. Điều này dẫn đến tốc độ giới hạn thấp hơn (13000 vòng/phút) nên vòng bi không trống hoặc có sản phẩm thép (Z).
- Sinh nhiệt: Ma sát từ nhiệt độ sinh nhiệt, cần được tính toán trong các ứng dụng có môi trường nhiệt độ cao.
Ký hiệu 2RSH làm cho SKF 6003-2RSH trở thành một giải pháp vòng bi cực kỳ đáng tin cậy cho môi trường khắc nghiệt, nơi ưu tiên hàng đầu là khả năng chống ô nhiễm và giảm thiểu bảo trì, ngay cả khi phải đánh đổi một chút về tốc độ tối đa.
5. Ưu và nhược điểm của Vòng Bi SKF 6003-2RSH
Vòng bi SKF 6003-2RSH là đơn vị lựa chọn phù hợp cho nhiều ứng dụng nhờ khả năng làm kín vượt trội, bảo trì tối thiểu và đặc tính vận hành đáng tin cậy. Tuy nhiên, cũng cần phải nhanh chóng các ưu tiên và điểm yếu của nó để lựa chọn phù hợp nhất.
Ưu điểm nổi bật:
- Khả năng làm kín vượt trội: Với băng keo cao su tiếp xúc (2RSH) ở cả hai phía, vòng bi được bảo vệ tối đa khỏi bụi bụi, nước, hơi ẩm và các chất gây ô nhiễm nhiễm virut, kéo dài kể chuyện làm việc trong môi trường nguy hiểm.
- Bôi trơn đời: Vòng bi được tra mỡ sẵn từ nhà máy và giúp giữ mỡ bên trong hiệu quả, giảm đáng kể hoặc loại bỏ hoàn toàn nhu cầu tái rửa rửa trong suốt tuổi thọ vận hành thông thường, tiết kiệm chi phí và thời gian bảo trì.
- Độ tin cậy cao: Khả năng bảo vệ ưu việt giúp hoạt động ổn định và đáng tin cậy hơn trong môi trường điều kiện bất lợi.
- Vận hành cô ái: Dù có ma sát từ xa, SKF vẫn thiết kế tối ưu hóa để đảm bảo độ ồn và rung động thấp.
Nhược điểm cần lưu ý:
- Tốc độ giới hạn thấp hơn: Do xúc giác tiếp xúc trực tiếp với vòng trong, ma sát phát sinh làm giảm tốc độ quay tối đa của vòng bi (tốc độ giới hạn 13000 vòng/phút) so với các loại không giáp hoặc có thép thép (Z).
- Sinh nhiệt: Ma sát từ Rỗng có thể tạo ra một lượng nhiệt nhỏ trong quá trình vận hành. Điều này cần được xem xét trong các ứng dụng có môi trường nhiệt độ rất cao hoặc không có giới hạn.
- Giá thành: Thường có giá cao hơn so với vòng bi không chắc chắn hoặc chỉ có sản phẩm thép làm chi phí vật liệu và công nghệ kỹ thuật.
6. Ứng dụng Thực Tế của Vòng Bi SKF 6003-2RSH
Với khả năng làm kín vượt trội, khả năng chống nhiễm độc tối đa và có thể được tra mỡ sẵn, vòng bi SKF 6003-2RSH là lựa chọn lý tưởng cho các ứng dụng công nghiệp hoạt động trong môi trường khắc nghiệt, có nhiều bụi bẩn, độ ẩm cao hoặc có nguy cơ xúc tiếp với chất tinh khiết, nơi ưu tiên hàng đầu là khả năng bảo vệ và giảm thiểu bảo trì:
- Máy nông nghiệp: Máy cày, máy cày, máy kéo, nơi vòng bi phải đối mặt với bụi, đất, nước và điều kiện làm việc khắc nghiệt.
- Máy xây dựng: Máy xúc, máy nén, xe trộn bê tông, nơi có nhiều bụi, bùn và điều kiện ẩm ướt.
- Thiết bị chế biến thực phẩm: Trong một số bộ phận máy móc cần khả năng chống nước và giữ vệ sinh tốt (thuộc về vật liệu độc và tiêu chuẩn bảo vệ sinh cụ).
- Công nghiệp khai thác mỏ: Băng tải, máy lọc sẵn sàng, nơi có bụi đau và mài mòn cao.
- Máy móc và thiết bị ngoài trời: Các thiết bị thường xuyên tiếp xúc với nước, hóa chất nhẹ hoặc hơi ẩm.
- Hệ thống tải băng: Trong các băng tải hoạt động ngoài trời hoặc trong môi trường bụi bẩn, nơi cần bảo vệ mức tối đa và giảm thiểu bảo trì.
7. Hướng Dẫn Đặt và Tháo Tháo SKF 6003-2RSH
Để đảm bảo tuổi thọ và hiệu suất tối ưu cho vòng bi SKF 6003-2RSH, cách lắp đặt và tháo gỡ đúng cách là vô cùng quan trọng. luôn luôn thủ các nguyên tắc an toàn và kỹ thuật của các nhà sản xuất. Mecsu cung cấp hướng dẫn chi tiết dựa trên kinh nghiệm thực tế:
- Chuẩn bị: Đảm bảo môi trường làm việc sạch sẽ, khô ráo. Chuẩn bị đầy đủ các dụng cụ chuyên dụng như ống lót, búa mềm, dụng cụ ép, máy gia nhiệt (nếu cần). Luôn đeo dây bảo vệ và kính bảo hộ để đảm bảo an toàn. Kiểm tra khí cụ và gối phải sạch sẽ, không có lỗ hổng và bảo đảm sai dung dịch. Lưu ý quan trọng: Vòng bi này được tra mỡ sẵn từ nhà máy và được thiết kế để hoạt động lâu đời mà không cần tái bôi trơn trong hầu hết các ứng dụng.
- Lắp đặt:
- Phương pháp cơ khí: Đối với vòng bi có kích thước này, việc sử dụng ống lót và búa (búa mềm) vẫn khả thi nếu tác dụng lực đều và đúng vào vòng trong (khi gắn lên trục) hoặc vòng ngoài (khi gắn vào gối hỗ trợ). Tuyệt đối không tác động trực tiếp lên phun cao su để tránh làm hỏng chúng.
- Phương pháp gia nhiệt: Đây là phương pháp tối ưu cho vòng bi có đường kính trong 17mm. Gia nhiệt vòng bi bằng thiết bị gia nhiệt chuyên dụng (ví dụ: SKF Induction Heater) đến nhiệt độ khoảng 80-100°C (không quá 120°C để tránh làm hỏng cao su). Vòng bi sẽ giãn nở, dễ dàng lắp vào trục mà không cần dùng lực lớn. Đảm bảo vòng lặp được đặt đúng vị trí trước khi ngừng hoạt động. Tuyệt đối không gia nhiệt bằng ngọn lửa trực tiếp.
- Lưu ý: Với vòng bi 2RSH, khả năng làm kín đã được tối ưu từ hai phía, giúp đơn giản hóa công việc lắp đặt mà không cần phải lo lắng về hướng.
- Gỡ bỏ:
- Sử dụng chuyên gia hỗ trợ (cảo cơ hoặc thủy lực cách phù hợp với vòng bi kích thước) để xoay vòng bi một cách an toàn và không gây hư hỏng cho xẹp hoặc gối hỗ trợ. Tác dụng lực đều và đúng ở vòng trong (khi rút xẹp) hoặc vòng ngoài (khi rút gối).
- Đối với các trường hợp khó khăn, có thể sử dụng phương pháp gia nhiệt vòng trong (nếu rút trục vít) hoặc vòng ngoài (nếu rút gối hỗ trợ) để giãn nở, giúp tháo gỡ dễ dàng hơn. Cần cẩn thận nhiệt độ để không làm hỏng các bộ phận xung quanh.
- Tránh dùng đập trực tiếp lên các sinh vật học hoặc các bộ phận khác có thể gây ra các biến dạng, hư hỏng. Việc này không chỉ làm hỏng vòng bi mà còn tiềm ẩn nguy hiểm.
- Người bảo vệ: Nếu không sử dụng ngay, hãy giữ vòng bi trong bao bì gốc của nhà sản xuất, ở nơi khô ráo, thoáng mát, tránh ánh nắng trực tiếp và các chất hóa học ăn mòn để hạn chế thiết lập sét và bụi nguy hiểm, đồng thời bảo vệ bảo vệ cao su lão hóa.
8. So Sánh Vòng Bi 6003-2RSH với Các Loại 6003 Khác
Việc hiểu rõ sự khác biệt giữa các loại vòng bi 6003 SKF sẽ giúp bạn lựa chọn sản phẩm phù hợp nhất cho ứng dụng của mình, tối ưu hóa hiệu suất và chi phí đầu tư. Bảng so sánh dưới đây tập trung vào các loại khác nhau giữa các loại keo, bôi trơn và khướt:
| Tiêu chí | SKF 6003-2RSH (17x35x10) | SKF 6003-Z/C3H (1 Nắp thép, C3H) | SKF 6003-2Z (2 Thép, CN) | SKF 6003-RSH/C3 (1 Phớt cao su, C3) | SKF 6003 (Mở, CN) |
|---|---|---|---|---|---|
| Chất liệu/Chắc chắn | Phớt cao su (NBR) – 2 bên (Tiếp xúc) | Mũ thép (Shield) – 1 bên (Không tiếp xúc) | Mũ thép (Shield) – 2 bên (Không tiếp xúc) | Phớt cao su NBR (RSH) – 1 bên (Tiếp xúc) | Không có leo/nào (Mở) |
| Khả năng làm kín | Vượt lên (ngăn bụi, nước, giữ mỡ tối đa) ở hai bên | Trung Bình (Rút bụi về một phía) | Tốt (chuỗi bụi lớn ở phía sau) | Vượt lên (ngăn bụi, nước, giữ mỡ tối đa) ở một bên | Siêu tiết kiệm (dễ bị bụi bẩn, mỡ máu) |
| Khe khe hướng kính | CN (Tiêu chuẩn) | C3H (Tiêu chuẩn lớn hơn, kích thước ổn định) | CN (Tiêu chuẩn) | C3 (Lớn hơn tiêu chuẩn) | CN (Tiêu chuẩn) |
| Tốc độ quay tối đa | 13 000 vòng/phút ( Giới hạn, thấp nhất) | 34 000 vòng/phút ( Giới hạn, cao) | 30 000 vòng/phút ( Giới hạn, cực cao) | 20 000 vòng/phút ( Giới hạn, trung bình) | 38 000 vòng/phút ( Giới hạn, cao nhất) |
| Khả năng chống ẩm/lỏng | Rất tốt (ở hai phía) | Kém (một khoảng, chỉ ngăn bụi lớn) | Trung bình (số lượng lớn bụi) | Rất tốt (ở một phía) | Rất kém |
| Tra mỡ sẵn | Có (Trà mỡ sẵn đời) | Không (Cần tra mỡ khi gắn) | Có (Trà mỡ có sẵn từ nhà máy) | Có (Trà mỡ có sẵn từ nhà máy) | Không (Cần bôi trơn liên tục) |
| Nhu cầu bảo trì | Rất thấp (bôi trơn đời sống trong môi trường bình thường) | Trung bình (cần bôi trơn và có thể định nghĩa) | Low (bôi trơn sẵn từ nhà) | Low (bôi trơn sẵn từ nhà) | Cao (cần bôi trơn bất kỳ hoặc bôi trơn liên tục từ bên ngoài hệ thống) |
| Độ âm / Rung động | Low (có thể cao hơn 2Z một chút do ma sát) | Thấp (do ma sát thấp) | Very low (làm ma sát) | Low (có thể cao hơn 2Z một chút do ma sát) | Thấp |
| Giá thành | Cao nhất | Trung bình cao (làm xử lý nhiệt đặc biệt) | Trung bình cao | Cao | Thấp nhất |
| Ứng dụng điển hình | Máy nông nghiệp, máy xây dựng, thiết bị chế biến thực phẩm, máy rửa xe, công nghiệp khai thác mỏ, nơi cần bảo vệ tối đa khỏi ô nhiễm ô nhiễm nhiễm (bụi, nước, hóa chất) và duy trì bôi trơn. | Động cơ điện, hộp số, máy công cụ, quạt công nghiệp trong môi trường tương đối nhưng có nhiệt độ cao hoặc có hệ thống bôi trơn tập trung, nơi cần tốc độ cao và ổn định kích thước ở nhiệt độ cao. | Động cơ điện, máy hút, quạt công nghiệp, máy công cụ, hộp số, nơi cần tốc độ cao, ma sát và môi trường tương đối sạch, được tra mỡ sẵn. | Máy xông hơi, máy nông nghiệp, thiết bị ngoài trời, thiết bị chế biến thực phẩm (chỉ khi phù hợp với vật liệu tài nguyên), nơi cần bảo vệ vượt trội khỏi nước, bụi từ một phía và thích ứng với thư giãn hoặc tải nặng. | Thiết bị cần tốc độ cực cao, môi trường rất sạch sẽ, có hệ thống bôi trơn bên ngoài hoặc các ứng dụng không mở rộng, nơi yêu cầu hiệu suất tối đa. |
9. Cách Phân Biệt Vòng Bi SKF 6003-2RSH Thật – Giả – Lời Khuyên Từ Chuyên Gia Mecsu
Thị trường hiện nay có rất nhiều hàng giả, hàng giả chất lượng, đặc biệt là với các sản phẩm vòng bi SKF chính hãng được ưa chuộng. Để đảm bảo bạn mua được vòng bi SKF 6003-2RSH chính hãng tại TP.HCM, Mecsu khuyến nghị kiểm tra các dấu hiệu sau:
a. Hãng dấu hiệu vòng bi SKF 6003-2RSH :
- Bao bì chất lượng cao: Sắc nét, màu xanh đặc trưng của SKF, sản phẩm thông tin rõ ràng, đầy đủ mã vạch/QR code và thông tin xuất xứ. Bạn sẽ tìm thấy công nghệ trong từng chi tiết.
- In ấn trên vòng bi sắc nét: Logo SKF, mã sản phẩm (6003-2RSH) và các nhà sản xuất quốc gia được in hoặc khắc laser sắc nét, rõ ràng, không lem, không sai phông chữ, rất khó bị tẩy xóa.
- Mã QR/Bar code xác thực: Có thể quét bằng ứng dụng “SKF Authenticate” trên điện thoại di động thông minh để xác thực nguồn gốc và tính chính hãng của sản phẩm. Đây là công cụ hữu ích nhất của SKF để chống hàng giả.
- Phớt cao su (2RSH) hoàn thiện: Phớt được gắn chắc chắn, không có khe hở, không bị rách, nứt hoặc biến dạng. Bên ngoài, không có dấu hiệu lão hóa sớm.
- Cảm giác vận động hành động mượt mà: Khi quay vòng bi bằng tay, bạn sẽ cảm nhận được tốc độ mượt mà, trơn tru, dù có một chút ma sát từ quay, nhưng không có tiếng kêu lạ hoặc cảm giác giác.
- Chứng từ đầy đủ: Nhà cung cấp uy tín sẽ cung cấp đầy đủ “CO” (chứng nhận xuất xứ) và “CQ” (chứng nhận chất lượng) từ nhà sản xuất, đảm bảo nguồn gốc và chất lượng sản phẩm.
b. Dấu hiệu của vòng bi SKF 6003-2RSH hàng giả/nhái:
- In ấn mờ nhạt, sai chính tả, phông chữ lạ, thiếu thông tin hoặc không chính xác trên cả bao bì và vòng bi.
- Bao bì thô, màu trôi chuẩn SKF, thiếu thông tin quan trọng hoặc có dấu hiệu làm lại.
- Phớt cao su có thể bị rách, rách, nứt hoặc chất liệu cao su chất lượng nguy hiểm, dễ bị lão hóa.
- Không có mã QR hoặc mã hóa không quét được hoặc quét ra thông tin không khớp với sản phẩm chính hãng.
- Khi quay tay có tiếng kêu lạo xạo, cảm giác giác, nặng, hoặc độ rơ bất thường làm gia công chính xác. Dọn dẹp bên trong có thể không hoặc không đủ.
- Giá bán rẻ bất ngờ so với thị trường của các sản phẩm chính hãng – đây là dấu hiệu cảnh báo lớn nhất.

10. Giá Bán & Mô-ni Ý Mua Vòng Bi SKF 6003-2RSH Chính Hãng Tại TP.HCM.
a.Giá vòng bi SKF 6003-2RSH (TP.Hồ Chí Minh) tại Mecsu: Giá: 92,729 đ/ Cái (đã có VAT) – Giá hợp lý, phù hợp với chất lượng sản phẩm chính hãng
Liên hệ để nhận báo giá tốt nhất (giá có thể thay đổi tùy thời điểm và số lượng) – Giá hợp lý, phù hợp với chất lượng sản phẩm chính hãng SKF tại thị trường vòng bi TP.HCM.
b. Gợi ý mua vòng bi chính hãng SKF uy tín
- Chọn nhà cung cấp uy tín tại TP.HCM: Ưu tiên đối tác có bằng chứng nhận từ SKF hoặc đơn vị lâu năm, được nhiều khách hàng tin tưởng và có danh tiếng trên thị trường cung cấp linh kiện cơ khí tại TP.HCM.
- Kiểm tra chứng từ đầy đủ: Luôn yêu cầu đầy đủ “CO” (chứng nhận xuất xứ) và “CQ” (chứng nhận chất lượng) để đảm bảo nguồn gốc và chất lượng của sản phẩm. Điều này giúp bạn tránh mua phải “vòng bi SKF giả” trên thị trường.
- 100% sản phẩm chính hãng: Đảm bảo nguồn gốc rõ ràng, đầy đủ chứng từ. Chúng tôi cam kết hoàn tiền 100% hoặc đổi trả nếu sản phẩm không thuộc loại công thức chính.
- Chính sách bảo hành minh bạch: Hỗ trợ đổi trả nếu nhà sản xuất gặp lỗi, mang lại sự an tâm tuyệt đối cho khách hàng.
- Hỗ trợ kỹ thuật chuyên sâu: Đội ngũ kỹ sư giàu kinh nghiệm sẵn sàng hỗ trợ bạn về kỹ thuật và lựa chọn sản phẩm phù hợp nhất cho mọi ứng dụng.
- Giá cả cạnh tranh: Đảm bảo giá tốt nhất đi kèm chất lượng, với chính sách chiết khấu hấp dẫn cho đơn hàng số lượng lớn, đặc biệt khi “mua vòng bi SKF số lượng lớn”.
MUA THÊM NHIỀU LOẠI VÒNG BI CHÍNH HÃNG KHÁC TẠI MECSU
11. Câu hỏi thường gặp về Vòng Bi SKF 6003-2RSH
a. Vòng bi SKF 6003-2RSH có cần bảo dưỡng, tra mỡ không?
Vòng bi SKF 6003-2RSH có hai quạt cao su (2RSH) ở cả hai bên và được mua mỡ sẵn từ nhà máy. Có khả năng làm kín vượt trội giúp giữ mỡ bên trong và ngăn chặn ô nhiễm nhiễm sắc tố, vòng bi này được thiết kế để hoạt động lâu đời mà không cần tái bôi trơn trong hầu hết các ứng dụng thông thường, giúp giảm thiểu đáng kể chi phí và thời gian bảo trì.
b. Chữ “2RSH” trong mã SKF 6003-2RSH có ý nghĩa gì?
- Chữ “2RSH” chỉ có hai tấm bằng cao su (NBR) ở cả hai phía, là loại dây tiếp xúc với vòng trong. Điều này mang lại khả năng làm kín chống bụi, nước, và các chất gây ô nhiễm ô nhiễm từ cả hai phía, đồng thời giữ dầu bôi trơn bôi ứng bên trong.
c. Vòng bi SKF 6003-2RSH có phải là vòng bi chịu nước không?
Có, với hai luồng cao su tiếp xúc (2RSH), vòng bi này có khả năng chống nước và hơi ẩm rất tốt. Phớt cao su tạo ra một rào cản hiệu quả, ngăn không cho nước xâm nhập vào bên trong vòng bi, giúp nó hoạt động đáng tin cậy trong môi trường ẩm hoặc có nước bắn.
d. Làm sao biết vòng bi 6003-2RSH của tôi là hãng SKF chính hãng?
Kiểm tra bao bì (logo, mã QR rõ ràng), vòng bi có khắc lazer sắc nét. Điều quan trọng nhất, hãy sử dụng ứng dụng SKF Authenticate để quét mã và kiểm tra trực tiếp từ SKF. Đây là cách chắc chắn nhất để phân biệt vòng bi SKF thật sự.
đ. Khi nào cần thay thế vòng bi 6003-2RSH?
Bạn nên thay thế vòng bi khi nhận được các dấu hiệu sau:
- Tiếng ồn bất thường: Tiếng kêu lạo xạo, rít, hoặc kêu khi vòng bi quay, báo hiệu bi hoặc khu vực mòn mòn.
- Tăng nhiệt độ: Vòng bi nóng lên bất thường trong quá trình hoạt động, có thể quá tải, hư hỏng bên trong hoặc tuổi thọ của mỡ bôi trơn đã hết.
- Độ cao lớn: Thiết bị hoạt động có tốc độ tăng lên đáng kể, ảnh hưởng đến hiệu suất và có thể gây nguy hiểm cho các bộ phận khác.
- Biến dạng vật lý: Phớt cao su bị rách, nứt, biến dạng, hoặc vòng bi bị mòn, mòn.
- Vòng bi bị khóa hoặc không được xóa.
Kinh nghiệm của các kỹ sư Mecsu: Mặc dù vòng bi 6003-2RSH được thiết kế để có tuổi thọ cao và ít bảo dưỡng, việc giám sát âm thanh và nhiệt độ vẫn rất quan trọng để phát hiện sớm các dấu hiệu cần thay thế, tránh gây tổn hại nghiêm trọng hơn cho toàn bộ hệ thống. Đặc biệt chú ý đến tình trạng thoáng mát của cao su, vì chúng là yếu tố quan trọng trong khả năng làm kín. Đừng ngần ngại liên hệ với chúng tôi để được hỗ trợ kỹ thuật về bảo trì vòng bi hoặc thay thế vòng bi.
f. Mua vòng bi SKF 6003-2RSH chính hãng, uy tín ở đâu tại TP.HCM?
Mua vòng bi SKF 6003-2RSH chính hãng và đảm bảo chất lượng tại TP.HCM, bạn hãy liên hệ ngay với Mecsu.
- Cam kết chất lượng: 100% sản phẩm có nguồn gốc rõ ràng, đầy đủ chứng từ CO, CQ. Chúng tôi cam kết hoàn tiền 100% hoặc đổi trả nếu sản phẩm không phải của công ty chính thức.
- Giá cả cạnh tranh: Đảm bảo giá tốt nhất đi kèm chất lượng, với chính sách chiết khấu hấp dẫn cho đơn hàng số lượng lớn, đặc biệt khi “mua vòng bi SKF số lượng lớn”.
- Tư vấn chuyên sâu: Đội ngũ kỹ sư giàu kinh nghiệm sẵn sàng hỗ trợ bạn về kỹ thuật và lựa chọn sản phẩm phù hợp nhất.
- Chính sách hậu mãi: Đảm bảo quyền lợi tối đa cho khách hàng với dịch vụ hỗ trợ nhanh chóng, tận tâm.
MUA THÊM NHIỀU LOẠI VÒNG BI CHÍNH HÃNG KHÁC TAI MECSU
12. Liên Hệ và Hỗ Trợ Tư Vấn Vòng Bi SKF
Nếu bạn có bất kỳ thắc mắc nào về vòng bi SKF 6003-2RSH hoặc cần tư vấn về giải pháp vòng bi cho ứng dụng cụ thể của mình, đừng khuyến khích liên hệ với đội ngũ chuyên gia của Mecsu. Chúng tôi luôn sẵn sàng hỗ trợ bạn tìm ra sản phẩm phù hợp và tối ưu nhất, đồng thời cung cấp những kiến thức về kỹ thuật bảo trì vòng bi mà bạn khó tìm thấy ở những nơi khác.
Địa chỉ: B28/I – B29/I Đường số 2B, KCN Vĩnh Lộc, P. Bình Hưng Hòa B, Q. Bình Tân, TP.HCM
Đường dây nóng: 1800 8137
Email: [email protected]
Trang web: mecsu.vn
13. Thông Tin Bổ sung & Kinh nghiệm Thực Tế Từ Mecsu
a. Kinh nghiệm Thực Tế & Câu Chuyện Thành Công
Tại Mecsu, chúng tôi tự hào là đối tác đáng tin cậy của nhiều doanh nghiệp trong việc cung cấp các giải pháp chất lượng cao vòng vòng. “Vòng bi SKF 6003-2RSH”, với khả năng làm kín vượt trội, tuổi thọ bôi trơn lâu dài và độ bền cao trong môi trường khắc nghiệt, được ứng dụng trong nhiều dự án quan trọng của khách hàng chúng tôi đã có tại “TP.Hồ Chí Minh” và các lân lân, mang lại hiệu quả vượt trội và là minh chứng cho chất lượng sản phẩm cùng kinh nghiệm thực tế của Nhóm ngũ Mecsu:
- Máy nông nghiệp: Cải thiện đáng kể tuổi thọ vòng bi trong môi trường bụi, ẩm và hôi, giảm thời gian chết máy.
- Máy xây dựng: Đảm bảo hoạt động liên tục của thiết bị trong điều kiện khắc phục, giảm thiểu chi phí bảo trì.
- Thiết bị công nghiệp chế độ biến đổi: Tăng cường độ tin cậy và bảo vệ trong một số ứng dụng đặc biệt (nơi vật liệu phù hợp).
- Công nghiệp khai thác thác thác và khoáng sản: Chống chịu hiệu quả các hạt mài mòn và ô nhiễm nhiễm khuẩn, kéo dài chu kỳ thay thế vòng bi.
- Thiết bị ngoài trời: Hoạt động bền bỉ dưới tác động của mưa, nắng và bụi bẩn.
b. Trích Dẫn Chuyên Gia
“SKF 6003-2RSH” là lựa chọn hàng đầu cho những môi trường an toàn, nơi ô nhiễm môi trường là giải pháp lớn nhất đối với vòng bi. Khả năng làm kín phản ánh cao su 2RSH không chỉ ức chế tinh và nước hiệu quả nhưng vẫn đảm bảo bôi trơn được giữ kín bên trong, mang lại tuổi thọ dài và giảm đáng kể cho nhu cầu bảo trì. Đây là giải pháp tối ưu cho hành động.”
— “Kỹ sư cơ khí Chuyên gia kỹ thuật Mecsu” (TP. Hồ Chí Minh) – Với hơn 10 năm kinh nghiệm trong lĩnh vực “bạc đạn công nghiệp”.
c. Tài Liệu Tham Khảo và Nghiên Cứu
Nội dung bài viết này được biên soạn dựa trên các tài liệu kỹ thuật chính quy và đáng tin cậy của SKF , cùng với kinh nghiệm thực tế chuyên sâu của đội ngũ kỹ sư Mecsu, đảm bảo tính chính xác, cập nhật và chuyên môn môn môn cao:
- Danh mục sản phẩm SKF (Danh mục sản phẩm SKF chính thức) – Nguồn dữ liệu kỹ thuật chi tiết nhất về “vòng bi SKF”.
- Tài liệu kỹ thuật SKF Explorer – Vòng bi ngành sâu (Thông tin chuyên sâu về “vòng bi cầu sâu SKF Explorer”) – Cung cấp cái nhìn toàn diện về thế hệ vòng bi bền bỉ này.
- Bảng dữ liệu kỹ thuật (Datasheet) chi tiết của SKF 6003-2RSH và các ký hiệu hậu tố của SKF (đặc biệt là về loại keo và bôi trơn) – Nguồn thông số kỹ thuật chính xác.
- Trải nghiệm thực tế và phản hồi từ các dự án khách hàng của Mecsu – “Dữ liệu độc nhất” được thu thập từ hơn 10 năm cung cấp “linh kiện cơ khí” và “giải pháp vòng bi” cho doanh nghiệp tại Việt Nam.
Biên soạn bởi: Đội ngũ kỹ sư Mecsu
Với hơn 10 năm kinh nghiệm chuyên sâu trong lĩnh vực và tư vấn giải pháp vòng bi, đội ngũ kỹ sư của Mecsu cam kết mang đến những thông tin chính xác, cập nhật và hữu ích nhất, giúp quý khách hàng đưa ra loại sản phẩm tối ưu cho mọi ứng dụng.
(Xem thêm thông tin về chúng tôi tại Website Mecsu )
Lưu ý: Hình ảnh sản phẩm có thể khác biệt so với sản phẩm thực tế của SKF. Vui lòng tham khảo thông số kỹ thuật chi tiết hoặc liên hệ Mecsu để có thông tin chính xác nhất về sản phẩm.


















Đánh giá
Chưa có đánh giá nào.