Mô tả sản phẩm
Thông tin CHUYÊN SÂU về Vòng Bi Cầu Rãnh Sâu SKF 6003-2RSH/C3 (17x35x10) Phốt Cao Su NBR Tiếp Tiến (Hai Bên)
Mục Lục
- 1. Vòng Bi SKF 6003-2RSH/C3 Là Gì? – Giải Thích Chuyên Sâu
- 2. Thông Số Kỹ Thuật Chi Tiết Của Vòng Bi Cầu SKF 6003-2RSH/C3
- 3. Cấu hình Chi Tiết Vòng Bi SKF 6003-2RSH/C3
- 4. Phân Tích Chuyên Sâu: Phớt Cao Su 2RSH và Khe Hở C3 của SKF 6003-2RSH/C3
- 5. Ưu và nhược điểm của Vòng Bi SKF 6003-2RSH/C3
- 6. Ứng dụng Thực Tế của Vòng Bi SKF 6003-2RSH/C3
- 7. Hướng Dẫn Đặt và Tháo Tháo SKF 6003-2RSH/C3
- 8. So Sánh Vòng Bi 6003-2RSH/C3 with Các Loại 6003 Other
- 9. Cách Phân Biệt Vòng Bi SKF 6003-2RSH/C3 Thật – Giả – Lời Khuyên Từ Chuyên Gia Mecsu
- Dấu hiệu của vòng bi SKF 6003-2RSH/C3 hàng chính hãng
- Dấu hiệu của vòng bi SKF 6003-2RSH/C3 hàng giả/nhái
- 10. Giá Bán & Mô-ni Ý Mua Vòng Bi SKF 6003-2RSH/C3 Chính Hãng Tại TP.HCM
- 11. Câu hỏi thường gặp về Vòng Bi SKF 6003-2RSH/C3
- 12. Liên Hệ và Hỗ Trợ Tư Vấn Vòng Bi SKF
- 13. Thông Tin Bổ Sung & Kinh nghiệm Thực Tế Từ Mecsu
1. Vòng Bi SKF 6003-2RSH/C3 Là Gì? – Giải Thích Chuyên Sâu
Vòng bi cầu rãnh sâuSKF 6003-2RSH/C3 là một loại vòng bi đặc biệt linh hoạt, có ma sát thấp, và được tối ưu hóa cho độ ồn và tốc độ chậm, cho phép đạt được tốc độ quay cao. Ổ bi này chịu tải kính hướng và lệch hướng cả hai hướng, dễ gắn và yêu cầu bảo trì ít hơn so với nhiều loại ổ bi khác. Mã “6003” chỉ kích thước với đường kính trong (d) 17mm, đường kính ngoài (D) 35mm chiều dày (B) 10mm.
Hậu tố “-2RSH” biểu tượng vòng bi này được trang bị hai dây dẫn từ cao su Nitrile Butadiene Rubber (NBR) ở cả hai bên. “RSH” là ký hiệu của SKF cho lửa cao su có môi trường xung quanh xúc (phớt tiếp xúc) với khu vực vòng trong vòng bi. Thiết kế căng thẳng này tạo ra một công việc cực kỳ hiệu quả, giúp ngăn chặn gần như hoàn toàn bụi bẩn, nước, và các chất gây ô nhiễm nhiễm trùng xâm nhập vào bên trong vòng bi từ cả hai phía. Đồng thời, nó giữ mỡ bôi trơn đã được cung cấp từ nhà máy một cách tối ưu, kéo dài đáng kể tuổi thọ vòng bi. Làm kín tích hợp này làm tăng đáng kể tuổi thọ làm việc của ổ bi làm dưỡng chất bôi trơn bên trong ổ bi và phòng chống chất chiến xâm nhập.
Hậu tố “/C3” biểu thị vòng này có khe hở trong kính hướng lớn hơn tiêu chuẩn (CN). Khe C3 cung cấp một không gian lớn hơn giữa các cuộn và cuộn khu vực. Điều đặc biệt có lợi trong các ứng dụng có sự thay đổi nhiệt độ đáng kể, nơi giải nhiệt độ dốc hoặc gối hỗ trợ có thể làm giảm khe hở bên trong vòng bi. Khe C3 giúp duy trì hoạt động mượt mà, giảm nhiệt độ và kéo dài thời gian sử dụng trong khi chịu được mức tải cao hoặc biến đổi nhiệt độ. Sự kết hợp giữa khả năng làm kín vượt trội (2RSH) và khe hở bên trong lớn hơn (C3) làm cho SKF 6003-2RSH/C3 trở thành thành lựa chọn lý tưởng cho các ứng dụng đòi hỏi độ bền cao, hoạt động ổn định trong môi trường khắc nghiệt và điều kiện nhiệt độ không ổn định.
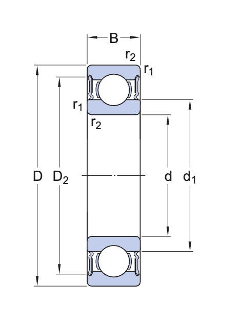
2. Thông Số Kỹ Thuật Chi Tiết Của Vòng Bi Cầu SKF 6003-2RSH/C3
d: Đường kính trong
D: Đường kính ngoài
B: Bề dày
C: Tải cơ sở dữ liệu danh sách
C0: Tải danh sách cơ sở dữ liệu tĩnh
| Thông số | Giá trị |
|---|---|
| Mã sản phẩm | 6003-2RSH/C3 |
| Loại vòng bi | Vòng Bi Cầu Rãnh Sâu (Vòng Bi Rãnh Sâu) |
| Đường kính trong (d) | 17 mm |
| Đường kính ngoài (D) | 35 mm |
| Bề dày (B) | 10 mm |
| Tải cơ sở dữ liệu quan trọng (C) | 6,37 kN |
| Tải quan trọng cơ sở dữ liệu danh sách (C0) | 3,25 kN |
| Tốc độ tham chiếu | 45 000 vòng/phút |
| Tốc độ giới hạn | 13 000 vòng/phút |
| Lớp hiệu suất SKF | SKF Explorer |
| Rãnh tra bi | Không có |
| Số dòng | 1 |
| Phương tiện để định vị, vòng ngoài của vòng bi | Không có |
| Loại lỗ | Hình trụ |
| Vòng cách | Tấm kim loại |
| Kiểu gắn cặp | KHÔNG |
| Khe khe trong hướng kính | C3 |
| Vật liệu, vòng bi | Thép chịu lực |
| Lớp mạ | Không có |
| Phớt chắc | Niêm phong cả hai mặt |
| Loại Chắc Dầu | Liên hệ |
| Tra mỡ sẵn chưa? | mỡ |
| Phương tiện để tái bôi trơn | Không có |
| Dấu vết carbon của sản phẩm được chỉ định để sản xuất | 0,141 kg CO2e |
| Trọng lượng sản phẩm | 0,0392 kg |
| Mã eClass | 23-05-08-01 |
| Mã UNSPSC | 31171504 |
3. Cấu hình Chi Tiết Vòng Bi SKF 6003-2RSH/C3
Vòng bi SKF 6003-2RSH/C3 được cấu hình từ các bộ phận chính, mỗi bộ phận đóng vai trò quan trọng trong công việc đảm bảo hiệu suất hoạt động và độ bền:
Sơ đồ cấu hình tạo Vòng Bi Cầu Rãnh Sâu SKF 6003-2RSH/C3 với phun cao su hai đầu:
- Vòng trong/ngoài: Được chế tạo từ thép chịu lực cao, cùng với khu vực Yên tĩnh, chịu tải chính.
- Bi cầu: Sản phẩm sản xuất từ thép siêu chính xác và được xử lý nhiệt đặc biệt để giảm độ cứng, tăng cường độ cứng và độ bền.
- Vòng cách: Thông thường được làm từ thép mạnh, có chức năng giữ các thành viên với nhau và hướng dẫn chuyển động của bi.
- Phớt cao su (2RSH): “2RSH” chỉ ra rằng vòng bi có sợi cáp quang làm từ cao su Nitrile Butadiene Rubber (NBR) ở cả hai phía. Loại này có môi trường xung quanh trực tiếp (con dấu tiếp xúc) với ngành trong vòng bi. Thiết kế căng thẳng này tạo ra một lớp làm cực kỳ hiệu quả, gần như kín hoàn toàn, ức chế mạnh mẽ bụi da, nước, hơi ẩm, và các chất gây ô nhiễm khác xâm nhập vào bên trong vòng bi từ cả hai phía. Đồng thời, nó giữ mỡ bôi trơn đã được cung cấp sẵn từ nhà máy một cách tối ưu, giúp kéo dài tuổi thọ của mỡ và vòng bi.
- Khe C3: Đây là khe hở hướng kính trong lớn hơn tiêu chuẩn (CN). Khen ngợi lớn hơn điều này giúp bù đắp cho sự giãn nở nhiệt của các bộ phận vòng bi và sai lầm trong quá trình hoạt động, đặc biệt ở nhiệt độ cao hoặc khi có chênh lệch nhiệt độ đáng kể giữa vòng trong và vòng ngoài. Nó đảm bảo vòng bi không bị kẹt, giảm nhiệt độ và kéo dài tuổi thọ trong điều kiện khắc nghiệt.
4. Phân Tích Chuyên Sâu: Phớt Cao Su 2RSH và Khe Hở C3 của SKF 6003-2RSH/C3
Vòng bi SKF 6003-2RSH/C3 kết hợp hai tính năng quan trọng là làm kín 2RSH và khe hở bên trong C3, tạo nên một sản phẩm chuyên dụng để giải quyết vấn đề hoạt động.
Ký hiệu “2RSH” – Hải phun cao su NBR tiếp xúc hoàn toàn:
- Chức năng chính: Cung cấp khả năng vượt trội cho vòng bi từ cả hai phía, ngăn chặn để bụi bẩn, nước và các chất gây ô nhiễm nhiễm độc xâm nhập, đồng thời giữ mỡ bôi trơn bên trong một cách tối ưu.
- Đặc điểm nổi bật: Là loại rào cản tiếp xúc, môi trường cao su tiếp xúc trực tiếp và liên tục với lớn trên vòng trong.
- Ưu điểm vượt trội:
- Khả năng làm kín tối ưu: Bảo vệ cao nhất chống lại bụi bẩn, nước bắn, hơi dưỡng, bụi quý và các hạt lạ. Lý tưởng cho môi trường khắc nghiệt.
- Giữ mỡ cực kỳ hiệu quả: Kéo dài tuổi thọ của mỡ và giảm thiểu nhu cầu tái bôi trơn.
- Tuổi thọ vòng bi dài hơn: Làm ít nhiễm trùng, vòng bi hoạt động bền hơn.
- Hạn chế:
- Tốc độ giới hạn thấp hơn: Ma sát từ băng tiếp xúc làm giảm tốc độ giới hạn (13.000 vòng/phút) so với các loại không khí hoặc sản phẩm thép (2Z).
- Sinh nhiệt cao hơn: Ma sát cao hơn có thể dẫn đến sinh nhiệt nhiều hơn.
Ký hiệu “/C3” – Khe cắm hướng kính lớn hơn tiêu chuẩn:
- Chức năng chính: Cung cấp một khoảng trống lớn hơn giữa các bi và khu vực cuộn khi bi ở trạng thái không tải. Điều này giúp vòng bi hoạt động hiệu quả trong điều kiện nhiệt độ cao hoặc có sự giãn nở nhiệt đáng kể của các bộ phận liên quan.
- Đặc điểm nổi bật: Khe hở “C3” lớn hơn khe hở “CN” (tiêu chuẩn) và nhỏ hơn “C4”.
- Ưu điểm vượt trội:
- Bù đắp hoàng tôn: Cho phép giảm bớt và hỗ trợ giãn nở khi nhiệt độ tăng lên mà không làm vòng bi bị kiềm chế hoặc tạo ra phản ứng quá trình. Điều đặc biệt quan trọng trong các ứng dụng có khả năng thay đổi nhiệt độ lớn hoặc khi vòng bi tạo ra mức nhiệt độ đáng kể.
- Giảm sinh nhiệt: Khi có giãn nở nhiệt, khe C3 giúp duy trì sự bố trí tải đồng đều và giảm ma sát, từ đó giảm sinh nhiệt trong quá trình hoạt động.
- Tăng tuổi thọ: Giảm tình trạng giảm dần gây ra ứng dụng và mòn sớm, kéo dài tuổi thọ bi.
- Khả năng đảm bảo tốc độ giảm: Khe lớn hơn cũng có thể mang lại lợi ích nhỏ trong việc hấp thụ tốc độ.
- Hạn chế:
- Độ chính xác xác định thấp hơn: Trong các ứng dụng yêu cầu độ chính xác xác định vị trí cực cao ở nhiệt độ ổn định, giới hạn lớn hơn có thể là một nhược điểm nhỏ.
5. Ưu và nhược điểm của Vòng Bi SKF 6003-2RSH/C3
Vòng bi SKF 6003-2RSH/C3 được thiết kế để mang lại khả năng đạt được mức tối ưu và hiệu suất ổn định trong biến đổi nhiệt độ. Câu hỏi về mức độ ưu tiên của lựa chọn phải hiểu mức độ ưu tiên của nó.
Ưu điểm nổi bật:
- Khả năng làm kín cao su 2RSH tiếp xúc trực tiếp, tạo lớp bảo vệ kín bụi bụi, nước, hơi ẩm và các chất gây ô nhiễm bụi bụi, đảm bảo hoạt động bền bỉ trong môi trường khắc nghiệt.
- Tuổi thọ mỡ và vòng bi dài: Dầu bôi trơn được bảo vệ tối ưu, không bị nhiễm trùng, kéo dài đáng kể tuổi thọ của mỡ và toàn bộ vòng bi. Vòng bi được bôi mỡ sẵn và không yêu cầu tái bôi trơn trong hầu hết các ứng dụng.
- Hiệu suất ổn định trong điều kiện nhiệt độ cao/biến động: Khe dừng C3 giúp bồi đắp cho sự giãn nở nhiệt của các bộ phận, Giải phóng tình trạng kiềm vòng bi, giảm sinh nhiệt và duy trì hoạt động mượt mà, kéo dài tuổi thọ ngay cả khi nhiệt độ vận hành cao hoặc thay đổi xung đột.
- Bảo trì cực kỳ thấp: Nhờ khả năng làm kín và lượng mỡ được bảo vệ tốt, vòng bi yêu cầu bảo trì rất ít.
- Chịu tải đa hướng: Có khả năng chịu đựng tốt cả tải trọng tâm (tải hướng tâm) và hướng trục xuống (tải trọng trục) theo cả hai chiều.
- Hiệu suất SKF Explorer: Là một phần của dòng SKF Explorer, vòng bi này được tối ưu hóa để mang lại hiệu suất vượt trội và độ tin cậy cao.
Nhược điểm cần lưu ý:
- Tốc độ giới hạn thấp hơn: Do ma sát môi trường xúc trực tiếp, tốc độ giới hạn của SKF 6003-2RSH/C3 là 13.000 vòng/phút, thấp hơn đáng kể vì vậy với các loại vòng bi không có cực hoặc có dây thép (2Z). Không phù hợp với tốc độ cực cao của ứng dụng.
- Sinh nhiệt cao hơn: Ma sát từ nhiệt có thể dẫn đến nhiệt sinh học nhiều hơn trong quá trình hoạt động, mặc dù dù khe hở C3 giúp kiểm soát phần nào ảnh hưởng này.
- Độ chính xác định vị trục: Trong một số ứng dụng yêu cầu độ chính xác cực cao ở nhiệt độ ổn định, khe C3 có thể là một yếu tố cần cân nhắc.
- Giá thành có thể cao hơn: Do tính năng làm kín vượt trội và hạn chế độ sâu chuyên sâu, giá thành có thể cao hơn các loại vòng tiêu chuẩn.
6. Ứng dụng Thực Tế của Vòng Bi SKF 6003-2RSH/C3
Với kích thước (17x35x10mm), khả năng làm kín (2RSH) và khe hở bên trong lớn hơn (C3), SKF 6003-2RSH/C3 là giải pháp pháp lựa chọn lý tưởng cho các ứng dụng công nghiệp và dân dụng hoạt động trong môi trường giải quyết, có nhiều bụi, nước và đặc biệt là khi có sự thay đổi nhiệt độ đáng kể. Đây là loại phổ biến tại các khu công nghiệp ở TP. Hồ Chí Minh và khu vực lân cận:
- Máy móc nông nghiệp: Trong máy cày, máy cày, máy phun nước nông nghiệp, nơi vòng hai thường xuyên tiếp xúc với đất, bụi, nước và bùn, đồng thời chịu tải trọng và nhiệt động làm hoạt động liên tục.
- Thiết bị công nghệ: Trong máy trộn bê tông, máy xúc, xe ép, nơi môi trường làm việc cực kỳ khắc nghiệt, nhiều bụi, đá, nước và nhiệt độ cao làm ma sát. Khe hở C3 giúp bù đắp phóng điện.
- Quạt công nghiệp và hệ thống thông gió: Đặc biệt là quạt hút bụi, quạt thông gió nhà vườn, nơi không khí có thể chứa nhiều rắn hoặc hơi ẩm và động cơ có thể sinh nhiệt lớn.
- Băng tải và vận chuyển hệ thống: Trong các hệ thống băng tải hoạt động ngoài trời, trong môi trường nhiều bụi hoặc ẩm ướt, và có thể chịu được tải trọng lớn, sinh nhiệt.
- Máy phát điện và động cơ điện lớn: Trong các động cơ hoặc máy phát điện sinh nhiệt đáng kể, khe hở C3 giúp duy trì hoạt động ổn định và kéo dài tuổi thọ vòng bi.
- Công nghiệp thép và luyện kim: Trong các thiết bị chịu nhiệt độ cao và môi trường bụi bẩn.
- Máy rửa, máy sấy công nghiệp: Trong các thiết bị tiếp xúc thường xuyên xuyên với nước và hóa chất tẩy rửa, đồng thời có thể sinh nhiệt cao.
7. Hướng Dẫn Đặt và Tháo Tháo SKF 6003-2RSH/C3
Để đảm bảo tuổi thọ và hiệu suất tối ưu cho vòng bi SKF 6003-2RSH/C3, việc lắp đặt và tháo gỡ đúng cách là vô cùng quan trọng. luôn luôn thủ các nguyên tắc an toàn và kỹ thuật của các nhà sản xuất. Mecsu cung cấp hướng dẫn chi tiết dựa trên kinh nghiệm thực tế:
- Chuẩn bị: Đảm bảo môi trường làm việc sạch sẽ, khô ráo. Chuẩn bị đầy đủ các công cụ chuyên dụng như cảo, búa mềm, thiết bị gia nhiệt cảm ứng (nếu cần). Luôn đeo dây bảo vệ và kính bảo hộ để đảm bảo an toàn. Kiểm tra khí cụ và gối phải sạch sẽ, không có lỗ hổng và bảo đảm sai dung dịch. Lưu ý quan trọng: Không nên bỏ đi vòng cao su 2RSH vì vòng bi đã có sẵn chất béo và chất thải có thể gây hư hỏng hoặc ảnh hưởng đến khả năng làm kín và tuổi thọ của vòng bi.
- Lắp đặt:
- Phương pháp nhiệt (phổ biến nhất cho vòng bi lớn hoặc lắp đặt chính xác): Gia nhiệt vòng bi bằng thiết bị gia nhiệt chuyên dụng (ví dụ: máy gia nhiệt cảm ứng SKF) đến nhiệt độ khoảng 80-100°C. Điều này giúp vòng nở ra, dễ trượt vào trục mà không cần dùng lực quá lớn. Luôn hoạt động đều đặn và tập trung lên vòng khi gắn vào xẹp xuống.
- Phương pháp cơ khí (dùng cho kích thước nhỏ hơn hoặc khi không thể gia nhiệt): Sử dụng ống lót chuyên dụng và rèn mềm, lực lực đều lên vòng khi lắp vào trục. Tuyệt đối tránh hoạt động trực tiếp lên phun cao su hoặc các thành viên vì có thể gây nguy hiểm cho nguy hiểm cho hoặc vòng bi.
- Lưu ý: Đảm bảo vòng bi được gắn thẳng, không bị lệch hoặc kẹt. Với vòng bi 2RSH/C3, khả năng kín giúp giảm thiểu nguy cơ nhiễm trùng cơ bản trong quá trình cài đặt. Khe hở C3 cũng giúp việc lắp đặt trên trục có độ vừa khít trở nên dễ dàng hơn.
- Gỡ bỏ:
- Sử dụng cả dụng cụ chuyên dụng (cảo cơ hoặc cả thủy lực) để xoay vòng một cách an toàn và không gây ra tình trạng gãy xương cho hoặc hỗ trợ gối. Tác dụng lực đều và đúng ở vòng trong (khi rút xẹp) hoặc vòng ngoài (khi rút gối).
- Tránh dùng đập trực tiếp lên các sinh vật học hoặc các bộ phận khác có thể gây ra các biến dạng, hư hỏng. Việc này không chỉ làm hỏng vòng bi mà còn tiềm ẩn nguy hiểm.
- Người bảo vệ: Nếu không sử dụng ngay, hãy giữ vòng bi trong bao bì gốc của nhà sản xuất, ở nơi khô ráo, thoáng mát, tránh ánh nắng trực tiếp và các chất hóa học ăn mòn để ngăn chặn sét và bụi nguy hiểm xâm nhập.
8. So Sánh Vòng Bi 6003-2RSH/C3 with Các Loại 6003 Other
Việc hiểu rõ sự khác biệt giữa các loại vòng bi 6003 SKF sẽ giúp bạn lựa chọn sản phẩm phù hợp nhất cho ứng dụng của mình, tối ưu hóa hiệu suất và chi phí đầu tư:
| Tiêu chí | SKF 6003-2RSH/C3 (2 Phớt cao su, C3) | SKF 6003 (Không chắc chắn, CN) | SKF 6003-2Z/C3 (2 Thép, C3) | SKF 6003-2RSH (2 Phớt cao su, CN) |
|---|---|---|---|---|
| Kích thước (dx D x B) | 17 x 35 x 10 mm | 17 x 35 x 10 mm | 17 x 35 x 10 mm | 17 x 35 x 10 mm |
| Tải cơ sở dữ liệu (C) | 6,37 kN | 6,37 kN | 6,37 kN | 6,37 kN |
| Tải cơ sở dữ liệu quan trọng (C0) | 3,25 kN | 3,25 kN | 3,25 kN | 3,25 kN |
| Tốc độ giới hạn (Giới hạn tốc độ) | 13 000 vòng/phút | 28 000 vòng/phút | 26 000 vòng/phút | 13 000 vòng/phút |
| Tham chiếu Speed (Tốc độ tham chiếu) | 45 000 vòng/phút | 45 000 vòng/phút | 45 000 vòng/phút | 45 000 vòng/phút |
| Vòng cách | Tấm kim loại | Tấm kim loại | Tấm kim loại | Tấm kim loại |
| Phớt chắc | Niêm phong cả hai mặt (2RSH) | Không có | Khiên ở cả hai bên (2Z) | Niêm phong cả hai mặt (2RSH) |
| Loại Chắc Dầu | Liên hệ | Mở | Không tiếp xúc | Liên hệ |
| Tra mỡ sẵn | Mỡ (Có) | Không | Mỡ (Có) | Mỡ (Có) |
| Khe khe hướng kính | C3 (Lớn hơn tiêu chuẩn) | CN (Tiêu chuẩn) | C3 (Lớn hơn tiêu chuẩn) | CN (Tiêu chuẩn) |
| Khả năng làm kín | Rất tốt (chống bụi, nước, giữ mỡ tuyệt đối) | Kem (không dây, dễ nhiễm trùng) | Tốt (chắn bụi lớn, giữ mỡ, ma sát) | Rất tốt (chống bụi, nước, giữ mỡ tuyệt đối) |
| Khả năng chống ẩm/lỏng | Rất tốt | Kem | Trung bình | Rất tốt |
| Nhu cầu bảo trì | Rất thấp (bôi trơn từ nhà, kín đáo) | Cao (cần bôi trơn bất kỳ) | Rất thấp (bôi trơn từ nhà) | Rất thấp (bôi trơn từ nhà, kín đáo) |
| Ưu điểm nổi bật | Bảo vệ tuyệt vời khỏi bụi bẩn, nước, tuổi thọ mỡ dài, hoạt động tốt ở nhiệt độ cao/biến động. | Tốc độ rất cao, ma sát cực thấp, linh hoạt trong công việc bôi trơn (cần hệ thống bôi trơn bên ngoài). | Tốc độ cao, ma sát thấp, hoạt động cô ái, ít bảo trì, khe hở C3 bù giãn nở nhiệt tốt. | Bảo vệ tuyệt vời khỏi bụi bẩn, nước, hóa chất, tuổi thọ mỡ dài. |
| Ứng dụng điển hình | Môi trường ẩm ướt, nhiều bụi, nông nghiệp, công nghiệp thực phẩm (nơi có nước), công trình, ứng dụng có nhiệt độ biến động. | Hộp số kín, xâu tốc độ rất cao trong môi trường sạch sẽ, hệ thống có bôi trơn trung tâm. | Động cơ điện, quạt công nghiệp, hộp số, máy công cụ (môi trường tiêu chuẩn, khô, có bụi lớn), ứng dụng có nhiệt độ biến động. | Môi trường ẩm ướt, nhiều bụi nông, nông nghiệp, công nghiệp thực phẩm (nơi có nước). |
9. Cách Phân Biệt Vòng Bi SKF 6003-2RSH/C3 Thật – Giả – Lời Khuyên Từ Chuyên Gia Mecsu
Thị trường hiện nay có rất nhiều hàng giả, hàng giả chất lượng, đặc biệt là với các sản phẩm vòng bi SKF chính hãng được ưa chuộng. Để đảm bảo bạn mua được vòng bi SKF 6003-2RSH/C3 chính hãng tại TP.HCM, Mecsu khuyến nghị kiểm tra các dấu hiệu sau:
a. Hãng dấu hiệu vòng bi SKF 6003-2RSH/C3 :
- Bao bì chất lượng cao: Sắc nét, màu xanh đặc trưng của SKF, sản phẩm thông tin rõ ràng, đầy đủ mã vạch/QR code và thông tin xuất xứ. Bạn sẽ tìm thấy công nghệ trong từng chi tiết.
- In ấn trên vòng bi sắc nét: Logo SKF, sản phẩm mã hóa hóa (6003-2RSH/C3) và các sản phẩm quốc gia sản xuất được in hoặc khắc laser sắc nét, rõ ràng, không lem, không sai phông chữ, rất khó bị tẩy xóa.
- Mã QR/Bar code xác thực: Có thể quét bằng ứng dụng “SKF Authenticate” trên điện thoại di động thông minh để xác thực nguồn gốc và tính chính hãng của sản phẩm. Đây là công cụ hữu ích nhất của SKF để chống hàng giả.
- Giảm cao su hoàn thiện: Hai phun cao su được gắn chắc chắn, đồng đều, không có dấu hiệu co giật, rách hoặc móp. Chất liệu cao su mềm dẻo, đàn hồi tốt, không có mùi lạ.
- Cảm giác vận động mượt mà: Khi quay vòng bi bằng tay, bạn sẽ cảm nhận được tốc độ trôi nhanh nhất nhưng có khả năng hạn chế làm xung tiếp xúc. Tuy nhiên, nó sẽ không có tiếng kêu lạ, không bị kẹt bất thường.
- Chứng từ đầy đủ: Nhà cung cấp uy tín sẽ cung cấp đầy đủ “CO” (chứng nhận xuất xứ) và “CQ” (chứng nhận chất lượng) từ nhà sản xuất, đảm bảo nguồn gốc và chất lượng sản phẩm.
b. Dấu hiệu của vòng bi SKF 6003-2RSH/C3 hàng giả/nhái:
- In ấn mờ nhạt, sai chính tả, phông chữ lạ, thiếu thông tin hoặc không chính xác trên cả bao bì và vòng bi.
- Bao bì thô, màu trôi chuẩn SKF, thiếu thông tin quan trọng hoặc có dấu hiệu làm lại.
- Phớt cao su hoàn toàn, bị rách, biến dạng, hoặc có chất liệu nguy hại (ví dụ: cứng, giòn, dễ nứt, có mùi cao su cháy), dễ bong tróc.
- Không có mã QR hoặc mã hóa không quét được hoặc quét ra thông tin không khớp với sản phẩm chính hãng.
- Khi quay tay có tiếng kêu lạo xạo, cảm giác giác, nặng hoặc quá trình (rơ) bất thường, làm gia công giá trị chính xác và vật liệu không đạt tiêu chuẩn.
- Giá bán rẻ bất ngờ so với thị trường của các sản phẩm chính hãng – đây là dấu hiệu cảnh báo lớn nhất.

10. Giá Bán & Môni Ý Mua Vòng Bi SKF 6003-2RSH/C3 Chính Hãng Tại TP.HCM
a. Giá vòng bi SKF 6003-2RSH/C3(TP.Hồ Chí Minh) tại Mecsu: Giá: 92.729 đ/ Cái (đã có VAT) – Giá hợp lý, phù hợp với chất lượng sản phẩm chính hãng
Liên hệ để nhận báo giá tốt nhất (giá có thể thay đổi tùy thời điểm và số lượng) – Giá hợp lý, phù hợp với chất lượng sản phẩm chính hãng SKF tại thị trường vòng bi TP.HCM.
b. Gợi ý mua vòng bi chính hãng SKF uy tín
- Chọn nhà cung cấp uy tín tại TP.HCM: Ưu tiên đối tác có bằng chứng nhận từ SKF hoặc đơn vị lâu năm, được nhiều khách hàng tin tưởng và có danh tiếng trên thị trường cung cấp linh kiện cơ khí tại TP.HCM.
- Kiểm tra chứng từ đầy đủ: Luôn yêu cầu đầy đủ “CO” (chứng nhận xuất xứ) và “CQ” (chứng nhận chất lượng) để đảm bảo nguồn gốc và chất lượng của sản phẩm. Điều này giúp bạn tránh mua phải “vòng bi SKF giả” trên thị trường.
- 100% sản phẩm chính hãng: Đảm bảo nguồn gốc rõ ràng, đầy đủ chứng từ. Chúng tôi cam kết hoàn tiền 100% hoặc đổi trả nếu sản phẩm không thuộc loại công thức chính.
- Chính sách bảo hành minh bạch: Hỗ trợ đổi trả nếu nhà sản xuất gặp lỗi, mang lại sự an tâm tuyệt đối cho khách hàng.
- Hỗ trợ kỹ thuật chuyên sâu: Đội ngũ kỹ sư giàu kinh nghiệm sẵn sàng hỗ trợ bạn về kỹ thuật và lựa chọn sản phẩm phù hợp nhất cho mọi ứng dụng.
- Giá cả cạnh tranh: Đảm bảo giá tốt nhất đi kèm chất lượng, với chính sách chiết khấu hấp dẫn cho đơn hàng số lượng lớn, đặc biệt khi “mua vòng bi SKF số lượng lớn”.
MUA THÊM NHIỀU LOẠI VÒNG BI CHÍNH HÃNG KHÁC TẠI MECSU
11. Câu hỏi thường gặp về Vòng Bi SKF 6003-2RSH/C3
a. Vòng bi SKF 6003-2RSH/C3 có cần bảo dưỡng, tra mỡ không?
Vòng bi SKF 6003-2RSH/C3 được sản xuất sẵn mỡ từ nhà máy và có an toàn cao su (2RSH) tiếp xúc giúp làm kín hoàn toàn và giữ mỡ bên trong. Trong hầu hết các ứng dụng thông thường, vòng bi này được xem là “bảo trì trọn đời” và không cần tái bôi trơn. Điều này giúp tiết kiệm thời gian và chi phí bảo trì đáng kể, ngay cả khi vòng bi hoạt động trong môi trường giải quyết, nhiều bụi nguy hiểm hoặc nước bắn.
b. Chữ “2RSH/C3” trong mã SKF 6003-2RSH/C3 có ý nghĩa gì?
“2RSH” chỉ vòng bi có hai mòn cao su NBR (cao su Nitrile Butadiene Rubber) ở cả hai phía, có môi trường xung quanh xung trực tiếp, giúp làm kín cực kỳ hiệu quả. “/C3” biểu tượng hướng kính hiển thị trong vòng lớn hơn tiêu chuẩn (CN). Khe C3 giúp vòng bi hoạt động ổn định hơn trong điều kiện nhiệt độ cao hoặc có sự giãn nở nhiệt đáng kể của các bộ phận liên quan.
c. Vòng bi SKF 6003-2RSH/C3 có hoạt động tốt trong môi trường Bụi và nước không?
Có, đây là một trong những ưu tiên nhất của vòng bi SKF 6003-2RSH/C3. Với băng cao su tiếp xúc, nó cung cấp khả năng làm kín vượt trội, ngăn chặn hiệu quả bụi bẩn, nước, hơi ẩm và các chất gây ô nhiễm vi rút khác xâm nhập. Kết quả cuối cùng là khe hở C3, đặc biệt phù hợp cho các ứng dụng trong môi trường khắc nghiệt, nhiều bụi, ẩm hoặc có nước bắn, đồng thời chịu tải nặng và biến đổi nhiệt độ.
d. Làm sao biết vòng bi 6003-2RSH/C3 của tôi là hãng SKF chính hãng?
Kiểm tra bao bì (logo, mã QR rõ ràng), vòng bi có khắc lazer sắc nét, phun cao su nguyên vẹn và chắc chắn. Điều quan trọng nhất, hãy sử dụng ứng dụng SKF Authenticate để quét mã và kiểm tra trực tiếp từ SKF. Đây là cách chắc chắn nhất để phân biệt vòng bi SKF thật sự.
đ. Khi nào cần thay thế vòng bi 6003-2RSH/C3?
Bạn nên thay thế vòng bi khi nhận được các dấu hiệu sau:
- Tiếng ồn bất thường: Tiếng kêu lạo xạo, rít, hoặc kêu khi vòng bi quay, báo hiệu bi hoặc khu vực mòn.
- Tăng nhiệt độ: Vòng bi tăng lên bất thường trong quá trình hoạt động, có thể tăng mỡ hoặc tải trong quá trình.
- Độ cao lớn: Thiết bị hoạt động có tốc độ tăng lên đáng kể, ảnh hưởng đến hiệu suất và có thể gây nguy hiểm cho các bộ phận khác.
- Biến dạng vật lý: Phớt cao su bị rách, nứt, cứng hoặc có dấu hiệu hư hỏng nguy hiểm, làm mất khả năng làm kín.
- Vòng bi bị khóa hoặc không được xóa.
Kinh nghiệm từ các kỹ sư Mecsu: Việc kiểm tra định kỳ bằng cách lắng nghe tiếng ồn hoặc cảm nhận mức độ rung có thể giúp phát hiện sớm các dấu hiệu cần thay thế, tránh nguy hại gây hại nghiêm trọng hơn cho toàn bộ hệ thống. Đừng ngần ngại liên hệ với chúng tôi để được hỗ trợ kỹ thuật về bảo trì vòng bi hoặc thay thế vòng bi.
f. Mua vòng bi SKF 6003-2RSH/C3 chính hãng, uy tín ở đâu tại TP.HCM?
Mua vòng bi SKF 6003-2RSH/C3 chính hãng và đảm bảo chất lượng tại TP.HCM, bạn hãy liên hệ ngay với Mecsu.
- Cam kết chất lượng: 100% sản phẩm có nguồn gốc rõ ràng, đầy đủ chứng từ CO, CQ. Chúng tôi cam kết hoàn tiền 100% hoặc đổi trả nếu sản phẩm không phải của công ty chính thức.
- Giá cả cạnh tranh: Đảm bảo giá tốt nhất đi kèm chất lượng, với chính sách chiết khấu hấp dẫn cho đơn hàng số lượng lớn, đặc biệt khi “mua vòng bi SKF số lượng lớn”.
- Tư vấn chuyên sâu: Đội ngũ kỹ sư giàu kinh nghiệm sẵn sàng hỗ trợ bạn về kỹ thuật và lựa chọn sản phẩm phù hợp nhất.
- Chính sách hậu mãi: Đảm bảo quyền lợi tối đa cho khách hàng với dịch vụ hỗ trợ nhanh chóng, tận tâm.
MUA THÊM NHIỀU LOẠI VÒNG BI CHÍNH HÃNG KHÁC TAI MECSU
12. Liên Hệ và Hỗ Trợ Tư Vấn Vòng Bi SKF
Nếu bạn có bất kỳ thắc mắc nào về vòng bi SKF 6003-2RSH/C3 hoặc cần tư vấn về giải pháp vòng bi cho ứng dụng cụ thể của mình, đừng ngần ngại liên hệ với đội ngũ chuyên gia của Mecsu. Chúng tôi luôn sẵn sàng hỗ trợ bạn tìm ra sản phẩm phù hợp và tối ưu nhất, đồng thời cung cấp những kiến thức về kỹ thuật bảo trì vòng bi mà bạn khó tìm thấy ở những nơi khác.
Địa chỉ: B28/I – B29/I Đường số 2B, KCN Vĩnh Lộc, P. Bình Hưng Hòa B, Q. Bình Tân, TP.HCM
Đường dây nóng: 1800 8137
Email: [email protected]
Trang web: mecsu.vn
13. Thông Tin Bổ sung & Kinh nghiệm Thực Tế Từ Mecsu
Một. Kinh nghiệm Thực Tế & Câu Chuyện Thành Công
Tại Mecsu, chúng tôi tự hào là đối tác đáng tin cậy của nhiều doanh nghiệp trong việc cung cấp các giải pháp chất lượng cao vòng vòng. “Vòng bi SKF 6003-2RSH/C3”, với khả năng làm kín vượt trội, độ bền cao và khả năng hoạt động đáng tin cậy trong môi trường khắc nghiệt và điều kiện nhiệt độ biến đổi, đã được ứng dụng trong nhiều dự án quan trọng của khách hàng chúng tôi tại “TP. Hồ Chí Minh” và các đèn huỳnh quang, mang lại hiệu quả vượt trội và là minh chứng cho chất lượng sản phẩm cùng kinh nghiệm thực tế của đội ngũ Mecsu:
- Ngành nông nghiệp và xây dựng: Chúng tôi đã cung cấp “SKF 6003-2RSH/C3” cho các thiết bị như máy kéo, máy trộn bê tông, nơi vòng bi phải đảm bảo điều kiện bụi bẩn, bùn đất, nước và thay đổi nhiệt độ lớn. Sự kết hợp giữa khả năng làm kín và khe hở C3 đã giúp kéo dài tuổi thọ vòng bi và giảm thiểu sự cố.
- Công nghiệp thép và sản phẩm gạch: Trong các nhà có môi trường làm việc nóng và bụi, vòng bi này đã chứng tỏ hiệu quả trong việc duy trì hoạt động ổn định của thiết bị, giảm thiểu chi phí bảo trì.
- Động cơ công nghiệp và máy phát điện: Đối với các động cơ lớn sinh nhiệt cao, khe hở C3 của vòng bi đã giúp kiểm soát giãn nở nhiệt, đảm bảo hiệu suất và tuổi thọ động.
c. Trích Dẫn Chuyên Gia
“SKF 6003-2RSH/C3” là một giải pháp vòng hai an toàn cho các ứng dụng Đòi hỏi cao về khả năng chống kiềm và chịu nhiệt. Khe C3 là yếu tố thì giúp vòng bi này duy trì hiệu ổn định và tồn tại bền bỉ ngay trong những điều kiện điều hành khắc nghiệt nhất, nơi nhiệt độ có thể gây căng thẳng thẳng thắn kể. Đây là một lựa chọn tuyệt vời để tối ưu hóa thời gian động và giảm chi phí bảo trì cho các nhà máy tại TP.HCM.”
— “Kỹ sư cơ khí Chuyên gia kỹ thuật Mecsu” (TP. Hồ Chí Minh) – Với hơn 10 năm kinh nghiệm trong lĩnh vực “bạc đạn công nghiệp”.
c. Tài Liệu Tham Khảo và Nghiên Cứu
Nội dung bài viết này được biên soạn dựa trên các tài liệu kỹ thuật chính quy và đáng tin cậy của SKF , cùng với kinh nghiệm thực tế chuyên sâu của đội ngũ kỹ sư Mecsu, đảm bảo tính chính xác, cập nhật và chuyên môn môn môn cao:
- Danh mục sản phẩm SKF (Danh mục sản phẩm SKF chính thức) – Nguồn dữ liệu kỹ thuật chi tiết nhất về “vòng bi SKF”.
- Tài liệu kỹ thuật SKF Explorer – Vòng bi ngành sâu (Thông tin chuyên sâu về “vòng bi cầu sâu SKF Explorer”) – Cung cấp cái nhìn toàn diện về thế hệ vòng bi bền bỉ này.
- Bảng dữ liệu kỹ thuật (Datasheet) chi tiết của SKF 6003-2RSH/C3 – Nguồn thông số kỹ thuật chính xác.
- Trải nghiệm thực tế và phản hồi từ các dự án khách hàng của Mecsu – “Dữ liệu độc nhất” được thu thập từ hơn 10 năm cung cấp “linh kiện cơ khí” và “giải pháp vòng bi” cho doanh nghiệp tại Việt Nam.
Biên soạn bởi: Đội ngũ kỹ sư Mecsu
Với hơn 10 năm kinh nghiệm chuyên sâu trong lĩnh vực và tư vấn giải pháp vòng bi, đội ngũ kỹ sư của Mecsu cam kết mang đến những thông tin chính xác, cập nhật và hữu ích nhất, giúp quý khách hàng đưa ra loại sản phẩm tối ưu cho mọi ứng dụng.
(Xem thêm thông tin về chúng tôi tại Website Mecsu )
Lưu ý: Hình ảnh sản phẩm có thể khác biệt so với sản phẩm thực tế của SKF. Vui lòng tham khảo thông số kỹ thuật chi tiết hoặc liên hệ Mecsu để có thông tin chính xác nhất về sản phẩm.


















Đánh giá
Chưa có đánh giá nào.