Mô tả sản phẩm
Thông tin CHUYÊN SÂU về Vòng Bi Cầu Rãnh Sâu SKF 6004-2Z/C3 (20x42x12) Nắp Thép (Hai Bên)
Mục Lục
- 1. Vòng Bi SKF 6004-2Z/C3 Là Gì? – Giải Thích Chuyên Sâu
- 2. Thông Số Kỹ Thuật Chi Tiết Của Vòng Bi Cầu SKF 6004-2Z/C3
- 3. Cấu hình chi tiết Vòng Bi SKF 6004-2Z/C3
- 4. Phân Tích Chuyên Sâu: Nắp Chắn Thép 2Z và Khe Hở C3 của SKF 6004-2Z/C3
- 5. Ưu và nhược điểm của Vòng Bi SKF 6004-2Z/C3
- 6. Ứng dụng Thực Tế của Vòng Bi SKF 6004-2Z/C3
- 7. Hướng dẫn cài đặt và gỡ bỏ SKF 6004-2Z/C3
- 8. So Sánh Vòng Bi 6004-2Z/C3 with Các Loại 6004 Khác
- 9. Cách Phân Biệt Vòng Bi SKF 6004-2Z/C3 Thật – Giả – Lời Khuyên Từ Chuyên Gia Mecsu
- Dấu hiệu của vòng bi SKF 6004-2Z/C3 hàng chính hãng
- Dấu hiệu của vòng bi SKF 6004-2Z/C3 hàng giả/nhái
- 10. Giá Bán & Moni Ý Mua Vòng Bi SKF 6004-2Z/C3 Chính Hãng Tại TP.HCM
- 11. Câu hỏi thường gặp về Vòng Bi SKF 6004-2Z/C3
- 12. Liên Hệ và Hỗ Trợ Tư Vấn Vòng Bi SKF
- 13. Thông Tin Bổ Sung & Kinh nghiệm Thực Tế Từ Mecsu
1. Vòng Bi SKF 6004-2Z/C3 Là Gì? – Giải Thích Chuyên Sâu
Vòng bi cầu rãnh sâu SKF 6004-2Z/C3 là một loại linh hoạt vòng đặc biệt, có ma sát thấp, và được tối ưu hóa cho độ ồn và tốc độ chậm, cho phép đạt được tốc độ quay cao. Ổ bi này chịu tải kính hướng và lệch hướng cả hai hướng, dễ gắn và yêu cầu bảo trì ít hơn so với nhiều loại ổ bi khác. Mã “6004” chỉ kích thước với đường kính trong (d) 20mm, đường kính ngoài (D) 42mm chiều dày (B) 12 mm.
Hậu tố “-2Z” biểu thị vòng bi này được trang bị dây thép hai bên được làm bằng thép ở cả hai bên. Sản phẩm này được cố định ở vòng ngoài và có khe nhỏ với vòng trong (làm kín không tiếp tục). Thiết kế này giúp bảo vệ vòng bi khỏi bụi bẩn lớn, giữ mỡ bôi trơn và cho phép hoạt động vòng bi ở tốc độ cao hơn nên các loại có cao su tiếp xúc, vì ma sát tạo ra ít hơn đáng kể. Làm kín tích hợp này làm tăng đáng kể tuổi thọ làm việc của ổ bi làm dưỡng chất bôi trơn bên trong ổ bi và phòng chống chất chiến xâm nhập.
Hậu tố “/C3” biểu thị vòng này có khe hở trong kính hướng lớn hơn tiêu chuẩn (CN). Khe C3 cung cấp một không gian lớn hơn giữa các cuộn và cuộn khu vực. Điều đặc biệt có lợi trong các ứng dụng có sự thay đổi nhiệt độ đáng kể, nơi giải nhiệt độ dốc hoặc gối hỗ trợ có thể làm giảm khe hở bên trong vòng bi. Khe C3 giúp duy trì hoạt động mượt mà, giảm nhiệt độ và kéo dài thời gian sử dụng trong khi chịu được mức tải cao hoặc biến đổi nhiệt độ. Sự kết hợp giữa khả năng sạc cơ bản (2Z) và khe hở bên trong lớn hơn (C3) làm cho SKF 6004-2Z/C3 trở thành chất lượng lựa chọn hiệu quả cho các ứng dụng Yêu cầu tốc độ cao, ma sát và đặc biệt là yêu cầu hoạt động ổn định trong điều kiện nhiệt độ không ổn định.
2. Thông Số Kỹ Thuật Chi Tiết Của Vòng Bi Cầu SKF 6004-2Z/C3
d: Đường kính trong
D: Đường kính ngoài
B: Bề dày
C: Tải cơ sở dữ liệu danh sách
C0: Tải danh sách cơ sở dữ liệu tĩnh
| Thông số | Giá trị |
|---|---|
| Mã sản phẩm | 6004-2Z/C3 |
| Loại vòng bi | Vòng Bi Cầu Rãnh Sâu (Vòng Bi Rãnh Sâu) |
| Đường kính trong (d) | 20 mm |
| Đường kính ngoài (D) | 42 mm |
| Bề dày (B) | 12 mm |
| Tải cơ sở dữ liệu quan trọng (C) | 9,95 kN |
| Tải quan trọng cơ sở dữ liệu danh sách (C0) | 5 kN |
| Tốc độ tham chiếu | 38 000 vòng/phút |
| Tốc độ giới hạn | 19 000 vòng/phút |
| Lớp hiệu suất SKF | SKF Explorer |
| Rãnh tra bi | Không có |
| Số dòng | 1 |
| Phương tiện để định vị, vòng ngoài của vòng bi | Không có |
| Loại lỗ | Hình trụ |
| Vòng cách | Tấm kim loại |
| Kiểu gắn cặp | KHÔNG |
| Khe khe trong hướng kính | C3 |
| Vật liệu, vòng bi | Thép chịu lực |
| Lớp mạ | Không có |
| Phớt chắc | Khiên ở cả hai bên |
| Loại Chắc Dầu | Không tiếp xúc |
| Tra mỡ sẵn chưa? | mỡ |
| Phương tiện để tái bôi trơn | Không có |
| Dấu vết carbon của sản phẩm được chỉ định để sản xuất | 0,246 kg CO2e |
| Trọng lượng sản phẩm | 0,0684 kg |
| Mã eClass | 23-05-08-01 |
| Mã UNSPSC | 31171504 |
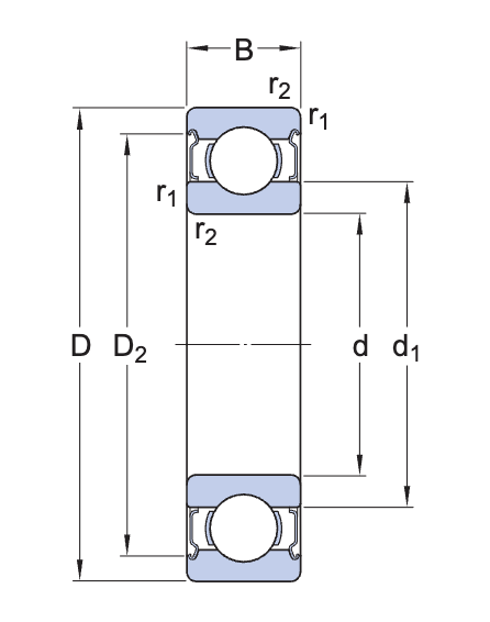
3. Cấu hình chi tiết Vòng Bi SKF 6004-2Z/C3
Vòng bi SKF 6004-2Z/C3 được cấu hình từ các bộ phận chính, mỗi bộ phận đóng vai trò quan trọng trong công việc đảm bảo hiệu suất hoạt động và độ bền:
Sơ đồ cấu hình Vòng Bi Cầu Rãnh Sâu SKF 6004-2Z/C3 với dây thép hai đầu:
- Vòng trong/ngoài: Được chế tạo từ thép chịu lực cao, cùng với khu vực Yên tĩnh, chịu tải chính.
- Bi cầu: Sản phẩm sản xuất từ thép siêu chính xác và được xử lý nhiệt đặc biệt để giảm độ cứng, tăng cường độ cứng và độ bền.
- Vòng cách: Thông thường được làm từ thép mạnh, có chức năng giữ các thành viên với nhau và hướng dẫn chuyển động của bi.
- Mũ thép (2Z): “2Z” chỉ ra rằng vòng bi có hai sản phẩm thép được làm từ thép ở cả hai bên. Các sản phẩm này được gắn vào bên ngoài vòng bên ngoài của vòng bi và tạo ra một khe hở rất nhỏ cho vòng trong. Đây là loại làm kín không tiếp xúc (tấm chắn không tiếp xúc). Nó giúp bảo vệ vòng bi khỏi bụi bẩn và bôi trơn bên trong, đồng thời tạo ra ma sát cực kỳ thấp, cho phép vòng bi hoạt động ở tốc độ rất cao.
- Khe C3: Đây là khe hở hướng kính trong lớn hơn tiêu chuẩn (CN). Khen ngợi lớn hơn điều này giúp bù đắp cho sự giãn nở nhiệt của các bộ phận vòng bi và sai lầm trong quá trình hoạt động, đặc biệt ở nhiệt độ cao hoặc khi có chênh lệch nhiệt độ đáng kể giữa vòng trong và vòng ngoài. Nó đảm bảo vòng bi không bị kẹt, giảm nhiệt độ và kéo dài tuổi thọ trong điều kiện khắc nghiệt.
4. Phân Tích Chuyên Sâu: Nắp Chắn Thép 2Z và Khe Hở C3 của SKF 6004-2Z/C3
Vòng bi SKF 6004-2Z/C3 kết hợp hai tính năng quan trọng là Sản phẩm thép 2Z và khe hở bên trong C3, tạo nên một sản phẩm chuyên biệt cho các điều kiện vận hành Đòi hỏi tốc độ cao và hoạt động ổn định trong môi trường biến đổi nhiệt độ.
Ký hiệu “2Z” – Hai sản phẩm thép không tiếp xúc:
- Chức năng chính: Cung cấp khả năng bảo vệ cơ bản cho vòng bi khỏi bụi bẩn lớn và giữ dầu bôi trơn bên trong, đồng thời cho phép hoạt động vòng tròn ở tốc độ rất cao.
- Đặc điểm nổi bật: Là loại sản phẩm “không tiếp xúc” (lá căng không tiếp xúc). Các sản phẩm thép được gắn vào vòng ngoài và có khe hở nhỏ trong vòng, không tạo ra sát thương trực tiếp.
- Ưu điểm vượt trội:
- Tốc độ giới hạn cao: Không có ma sát tiếp theo, vòng bi có thể đạt tốc độ hoạt động cao (19.000 vòng/phút), phù hợp cho các ứng dụng yêu cầu hiệu suất cao.
- Sinh nhiệt thấp: Ma sát cực đoan đến sinh nhiệt ít hơn so với nhiệt độ cao su, phù hợp cho các ứng dụng cảm biến nhiệt độ.
- Bảo vệ lớn bụi: ngăn chặn các bụi bụi xâm nhập vào bên trong vòng bi.
- Giữ hiệu quả mỡ: Giúp giữ mỡ bôi trơn đã được cung cấp từ nhà máy, giảm thiểu nhu cầu bảo trì.
- Hạn chế:
- Khả năng thực hiện chế độ kín: Không thể ngăn chặn nước hoặc hơi xâm nhập hiệu quả như nứt cao tiếp theo. Không phù hợp với môi trường môi trường hoặc quá nhiều bụi.
- Chức năng chính: Cung cấp một khoảng trống lớn hơn giữa các bi và khu vực cuộn khi bi ở trạng thái không tải. Điều này giúp vòng bi hoạt động hiệu quả trong điều kiện nhiệt độ cao hoặc có sự giãn nở nhiệt đáng kể của các bộ phận liên quan.
- Đặc điểm nổi bật: Khe hở “C3” lớn hơn khe hở “CN” (tiêu chuẩn) và nhỏ hơn “C4”.
- Ưu điểm vượt trội:
- Bù đắp hoàng tôn: Cho phép giảm bớt và hỗ trợ giãn nở khi nhiệt độ tăng lên mà không làm vòng bi bị kiềm chế hoặc tạo ra phản ứng quá trình. Điều đặc biệt quan trọng trong các ứng dụng có khả năng thay đổi nhiệt độ lớn hoặc khi vòng bi tạo ra mức nhiệt độ đáng kể.
- Giảm sinh nhiệt: Khi có giãn nở nhiệt, khe C3 giúp duy trì sự bố trí tải đồng đều và giảm ma sát, từ đó giảm sinh nhiệt trong quá trình hoạt động.
- Tăng tuổi thọ: Giảm tình trạng giảm dần gây ra ứng dụng và mòn sớm, kéo dài tuổi thọ bi.
- Khả năng đảm bảo tốc độ giảm: Khe lớn hơn cũng có thể mang lại lợi ích nhỏ trong việc hấp thụ tốc độ.
- Hạn chế:
- Độ chính xác xác định thấp hơn: Trong các ứng dụng yêu cầu độ chính xác xác định vị trí cực cao ở nhiệt độ ổn định, giới hạn lớn hơn có thể là một nhược điểm nhỏ.
Sự kết hợp của 2Z và C3 làm cho SKF 6004-2Z/C3 trở thành lựa chọn lý tưởng cho các ứng dụng nơi cần tốc độ cao, ma sát thấp, bảo vệ Bụi Bụi lớn và đặc biệt là yêu cầu hoạt động ổn định và bền bỉ trong môi trường có nhiệt độ biến đổi hoặc nhiệt độ sinh học cao.
5. Ưu và nhược điểm của Vòng Bi SKF 6004-2Z/C3
Vòng bi SKF 6004-2Z/C3 được thiết kế để mang lại hiệu suất cao, tốc độ chậm và khả năng hoạt động ổn định trong quá trình thay đổi nhiệt độ điều kiện. Câu hỏi về mức độ ưu tiên của lựa chọn phải hiểu mức độ ưu tiên của nó.
Ưu điểm nổi bật:
- Tốc độ cao và ma sát: Hai sản phẩm thép dây 2Z là loại không tiếp xúc, giúp vòng bi hoạt động ở tốc độ cao (19.000 vòng/phút) và sinh nhiệt cực kỳ thấp do ma sát không đáng kể. Điều này rất quan trọng đối với hiệu suất yêu cầu cao của ứng dụng.
- Hiệu suất ổn định trong điều kiện nhiệt độ cao/biến động: Khe dừng C3 giúp bồi đắp cho sự giãn nở nhiệt của các bộ phận, Giải phóng tình trạng kiềm vòng bi, giảm sinh nhiệt và duy trì hoạt động mượt mà, kéo dài tuổi thọ ngay cả khi nhiệt độ vận hành cao hoặc thay đổi xung đột.
- Bảo vệ khỏi bụi bẩn lớn: Tấm thép giúp ngăn chặn các hạt bụi lớn và các vật thể lạ xâm nhập vào bên trong vòng bi.
- Giữ chất béo hiệu quả: Dầu bôi trơn đã được cung cấp sẵn từ nhà máy được bảo vệ tốt, giảm thiểu nhu cầu tái bôi trơn trong nhiều ứng dụng.
- Hoạt động nữ ái, ít rung động:Xin ma sát thấp và khả năng giữ mỡ tốt, vòng bi hoạt động mượt mà và nữ ái.
- Chịu tải đa hướng: Có khả năng chịu đựng tốt cả tải trọng tâm (tải hướng tâm) và hướng trục xuống (tải trọng trục) theo cả hai chiều.
- Hiệu suất SKF Explorer: Là một phần của dòng SKF Explorer, vòng bi này được tối ưu hóa để mang lại hiệu suất vượt trội và độ tin cậy cao.
Nhược điểm cần lưu ý:
- Khả năng hạn chế bụi và chất thải: Loại kính cường lực không tiếp xúc không thể ngăn chặn bụi, nước, hơi nước hoặc các chất độc hại khác như bong cao su tiếp xúc. Không phù hợp với môi trường môi trường hoặc quá nhiều bụi.
- Giá thành có thể cao hơn: So với vòng bi không có dây xích, giá thành có thể cao hơn việc tích hợp nhiều tính năng và khe hở đặc biệt.
6. Ứng dụng Thực Tế của Vòng Bi SKF 6004-2Z/C3
Với kích thước (20x42x12mm), khả năng hoạt động ở tốc độ cao giúp sản phẩm thép 2Z và khe C3 giúp hoạt động ổn định trong điều kiện nhiệt độ biến động, vòng bi SKF 6004-2Z/C3 là lựa chọn lý tưởng cho các ứng dụng công nghiệp và dân dụng đòi hỏi hiệu suất cao, ma sát và đặc biệt là khi có sự thay đổi nhiệt độ đáng kể. Đây là loại phổ biến tại các khu công nghiệp ở TP. Hồ Chí Minh và khu vực lân cận:
- Động cơ điện: Trong các loại động cơ điện từ nhỏ đến trung bình, nơi cần vòng bi hoạt động ái tình, tốc độ cao và ít bảo trì, đồng thời phải chịu nhiệt độ tăng cao trong quá trình vận hành.
- Quạt công nghiệp và hệ thống thông gió: Trong các quạt hút, quạt thổi trong môi trường khô ráo, có bụi lớn và nơi động cơ có thể sinh nhiệt đáng kể.
- Máy phát điện: Trong các bộ phận quay của máy phát điện, nơi tốc độ quay cao và khả năng chịu nhiệt là yếu tố quan trọng.
- Thiết bị văn phòng: Trong máy in, máy photocopy, máy tính tiền, nơi cần hoạt động mượt mà và bền bỉ trong thời gian dài và có thể biến đổi nhiệt độ.
- Hộp số và bộ truyền động: Trong các hộp số, bộ truyền động hoạt động trong môi trường tương đối sạch sẽ và có thể sinh nhiệt.
- Thiết bị gia dụng: Trong máy hút bụi, máy rửa bát, máy giặt (trong các bộ phận không tiếp xúc trực tiếp với nước nhưng có thể sinh nhiệt).
- Xe máy, ô tô: Trong các bộ phận như bánh xe, động cơ, hộp số (tùy thuộc vào yêu cầu môi trường cụ thể và điều kiện nhiệt độ).
7. Hướng dẫn cài đặt và gỡ bỏ SKF 6004-2Z/C3
Để đảm bảo tuổi thọ và hiệu suất tối ưu cho vòng bi SKF 6004-2Z/C3, việc lắp đặt và giải quyết cách loại bỏ đúng tiện ích là vô cùng quan trọng. luôn luôn thủ các nguyên tắc an toàn và kỹ thuật của các nhà sản xuất. Mecsu cung cấp hướng dẫn chi tiết dựa trên kinh nghiệm thực tế:
- Chuẩn bị: Đảm bảo môi trường làm việc sạch sẽ, khô ráo. Chuẩn bị đầy đủ các công cụ chuyên dụng như cảo, búa mềm, thiết bị gia nhiệt cảm ứng (nếu cần). Luôn đeo dây bảo vệ và kính bảo hộ để đảm bảo an toàn. Kiểm tra khí cụ và gối phải sạch sẽ, không có lỗ hổng và bảo đảm sai dung dịch. Lưu ý quan trọng: Không nên rút dây thép 2Z vì vòng bi đã được sản xuất sẵn và tháo dỡ sản phẩm có thể gây hư hỏng hoặc ảnh hưởng đến khả năng làm kín và tuổi thọ của vòng bi.
- Lắp đặt:
- Phương pháp nhiệt (phổ biến nhất cho vòng bi lớn hoặc lắp đặt chính xác): Gia nhiệt vòng bi bằng thiết bị gia nhiệt chuyên dụng (ví dụ: máy gia nhiệt cảm ứng SKF) đến nhiệt độ khoảng 80-100°C. Điều này giúp vòng nở ra, dễ trượt vào trục mà không cần dùng lực quá lớn. Luôn hoạt động đều đặn và tập trung lên vòng khi gắn vào xẹp xuống.
- Phương pháp cơ khí (dùng cho kích thước nhỏ hơn hoặc khi không thể gia nhiệt): Sử dụng ống lót chuyên dụng và rèn mềm, lực lực đều lên vòng khi lắp vào trục. Tuyệt đối tránh tác động trực tiếp lên Sản phẩm thép hoặc các viên bi có thể gây nguy hiểm chết người cho Sản phẩm dây xích hoặc vòng bi.
- Lưu ý: Đảm bảo vòng bi được gắn thẳng, không bị lệch hoặc kẹt. Với khe hở C3, việc lắp đặt trên trục phẳng có độ vừa khít sẽ dễ dàng hơn, và vòng bi sẽ không có khoảng trống để giãn nở khi hoạt động.
- Gỡ bỏ:
- Sử dụng cả dụng cụ chuyên dụng (cảo cơ hoặc cả thủy lực) để xoay vòng một cách an toàn và không gây ra tình trạng gãy xương cho hoặc hỗ trợ gối. Tác dụng lực đều và đúng ở vòng trong (khi rút xẹp) hoặc vòng ngoài (khi rút gối).
- Tránh dùng đập trực tiếp lên các sinh vật học hoặc các bộ phận khác có thể gây ra các biến dạng, hư hỏng. Việc này không chỉ làm hỏng vòng bi mà còn tiềm ẩn nguy hiểm.
- Người bảo vệ: Nếu không sử dụng ngay, hãy giữ vòng bi trong bao bì gốc của nhà sản xuất, ở nơi khô ráo, thoáng mát, tránh ánh nắng trực tiếp và các chất hóa học ăn mòn để ngăn chặn sét và bụi nguy hiểm xâm nhập.
8. So Sánh Vòng Bi 6004-2Z/C3 with Các Loại 6004 Khác
Việc hiểu rõ sự khác biệt giữa các loại vòng bi 6004 SKF sẽ giúp bạn lựa chọn sản phẩm phù hợp nhất cho ứng dụng của mình, tối ưu hóa hiệu suất và chi phí đầu tư:
| Tiêu chí | SKF 6004-2Z/C3 (2 Thép, C3) | SKF 6004 (Không chắc chắn, CN) | SKF 6004-2RSH/C3 (2 Phớt cao su, C3) | SKF 6004-2Z (2 Thép, CN) |
|---|---|---|---|---|
| Kích thước (dx D x B) | 20 x 42 x 12 mm | 20 x 42 x 12 mm | 20 x 42 x 12 mm | 20 x 42 x 12 mm |
| Tải cơ sở dữ liệu (C) | 9,95 kN | 9,95 kN | 9,95 kN | 9,95 kN |
| Tải cơ sở dữ liệu quan trọng (C0) | 5 kN | 5 kN | 5 kN | 5 kN |
| Tốc độ giới hạn (Giới hạn tốc độ) | 19 000 vòng/phút | 24 000 vòng/phút | 11 000 vòng/phút | 22 000 vòng/phút |
| Tham chiếu Speed (Tốc độ tham chiếu) | 38 000 vòng/phút | 38 000 vòng/phút | 38 000 vòng/phút | 38 000 vòng/phút |
| Vòng cách | Tấm kim loại | Tấm kim loại | Tấm kim loại | Tấm kim loại |
| Phớt chắc | Khiên ở cả hai bên (2Z) | Không có | Niêm phong cả hai mặt (2RSH) | Khiên ở cả hai bên (2Z) |
| Loại Chắc Dầu | Không tiếp xúc | Mở | Liên hệ | Không tiếp xúc |
| Tra mỡ sẵn | Mỡ (Có) | Không | Mỡ (Có) | Mỡ (Có) |
| Khe khe hướng kính | C3 (Lớn hơn tiêu chuẩn) | CN (Tiêu chuẩn) | C3 (Lớn hơn tiêu chuẩn) | CN (Tiêu chuẩn) |
| Khả năng làm kín | Tốt (chắn bụi lớn, giữ mỡ) | Kem (không dây, dễ nhiễm trùng) | Rất tốt (chống bụi, nước, giữ mỡ tuyệt đối) | Tốt (chắn bụi lớn, giữ mỡ, ma sát) |
| Khả năng chống ẩm/lỏng | Trung bình | Kem | Rất tốt | Trung bình |
| Nhu cầu bảo trì | Rất thấp (bôi trơn từ nhà) | Cao (cần bôi trơn bất kỳ) | Rất thấp (bôi trơn từ nhà, kín đáo) | Rất thấp (bôi trơn từ nhà) |
| Ưu điểm nổi bật | Tốc độ cao, ma sát thấp, hoạt động cô ái, ít bảo trì, khe hở C3 bù giãn nở nhiệt tốt. | Tốc độ rất cao, ma sát cực thấp, linh hoạt trong công việc bôi trơn (cần hệ thống bôi trơn bên ngoài). | Bảo vệ tuyệt vời khỏi bụi bẩn, nước, tuổi thọ mỡ dài, hoạt động tốt ở nhiệt độ cao/biến động. | Tốc độ cao, ma sát thấp, hoạt động cô ái, ít bảo trì, chống bụi tốt. |
| Ứng dụng điển hình | Động cơ điện, quạt công nghiệp, hộp số, máy công cụ (môi trường tiêu chuẩn, khô, có bụi lớn), ứng dụng có nhiệt độ biến động. | Hộp số kín, xâu tốc độ rất cao trong môi trường sạch sẽ, hệ thống có bôi trơn trung tâm. | Môi trường ẩm ướt, nhiều bụi, nông nghiệp, công nghiệp thực phẩm (nơi có nước), công trình, ứng dụng có nhiệt độ biến động. | Động cơ điện, quạt công nghiệp, hộp số, máy công cụ (môi trường tiêu chuẩn, khô, có bụi lớn). |
9. Cách Phân Biệt Vòng Bi SKF 6004-2Z/C3 Thật – Giả – Lời Khuyên Từ Chuyên Gia Mecsu
Thị trường hiện nay có rất nhiều hàng giả, hàng giả chất lượng, đặc biệt là với các sản phẩm vòng bi SKF chính hãng được ưa chuộng. Để đảm bảo bạn mua được vòng bi SKF 6004-2Z/C3 chính hãng tại TP.HCM, Mecsu khuyến nghị kiểm tra các dấu hiệu sau:
a. Dấu hiệu của hãng bi SKF 6004-2Z/C3 :
- Bao bì chất lượng cao: Sắc nét, màu xanh đặc trưng của SKF, sản phẩm thông tin rõ ràng, đầy đủ mã vạch/QR code và thông tin xuất xứ. Bạn sẽ tìm thấy công nghệ trong từng chi tiết.
- In ấn trên vòng bi sắc nét: Logo SKF, sản phẩm mã hóa (6004-2Z/C3) và sản phẩm quốc gia được sản xuất hoặc khắc vết sắc nét bằng laser, rõ ràng, không lem, không sai phông chữ, rất khó bị tẩy xóa.
- Mã QR/Bar code xác thực: Có thể quét bằng ứng dụng “SKF Authenticate” trên điện thoại di động thông minh để xác thực nguồn gốc và tính chính hãng của sản phẩm. Đây là công cụ hữu ích nhất của SKF để chống hàng giả.
- Mũ bảo hiểm thép hoàn thiện: Hai loại thép chắc chắn được gắn chắc chắn, đồng đều, không có dấu hiệu cong, móp.
- Cảm giác vận động mượt mà: Khi quay vòng bi bằng tay, bạn sẽ cảm nhận được tốc độ trơn tru, nhẹ nhàng làm săn chắc dây thép không tiếp xúc. Vòng bi không có tiếng kêu lạ, không bị khóa bất thường.
- Chứng từ đầy đủ: Nhà cung cấp uy tín sẽ cung cấp đầy đủ “CO” (chứng nhận xuất xứ) và “CQ” (chứng nhận chất lượng) từ nhà sản xuất, đảm bảo nguồn gốc và chất lượng sản phẩm.
b. Dấu hiệu của vòng bi SKF 6004-2Z/C3 hàng giả/nhái:
- In ấn mờ nhạt, sai chính tả, phông chữ lạ, thiếu thông tin hoặc không chính xác trên cả bao bì và vòng bi.
- Bao bì thô, màu trôi chuẩn SKF, thiếu thông tin quan trọng hoặc có dấu hiệu làm lại.
- Mũ bảo hiểm thép được thiết kế hoàn thiện, dễ dàng bung ra hoặc có dấu hiệu, chất liệu thép an toàn.
- Không có mã QR hoặc mã hóa không quét được hoặc quét ra thông tin không khớp với sản phẩm chính hãng.
- Khi quay tay có tiếng kêu lạo xạo, cảm giác giác, nặng hoặc quá trình (rơ) bất thường, làm gia công giá trị chính xác và vật liệu không đạt tiêu chuẩn.
- Giá bán rẻ bất ngờ so với thị trường của các sản phẩm chính hãng – đây là dấu hiệu cảnh báo lớn nhất.

10. Giá Bán & Moni Ý Mua Vòng Bi SKF 6004-2Z/C3 Chính Hãng Tại TP.HCM
a. Giá vòng bi SKF 6004-2Z/C3(TP.Hồ Chí Minh) tại Mecsu: Giá: 81.281 đ/ Cái (đã có VAT) – Giá hợp lý, phù hợp với chất lượng sản phẩm chính hãng
Liên hệ để nhận báo giá tốt nhất (giá có thể thay đổi tùy thời điểm và số lượng) – Giá hợp lý, phù hợp với chất lượng sản phẩm chính hãng SKF tại thị trường vòng bi TP.HCM.
b. Gợi ý mua vòng bi chính hãng SKF uy tín
- Chọn nhà cung cấp uy tín tại TP.HCM: Ưu tiên đối tác có bằng chứng nhận từ SKF hoặc đơn vị lâu năm, được nhiều khách hàng tin tưởng và có danh tiếng trên thị trường cung cấp linh kiện cơ khí tại TP.HCM.
- Kiểm tra chứng từ đầy đủ: Luôn yêu cầu đầy đủ “CO” (chứng nhận xuất xứ) và “CQ” (chứng nhận chất lượng) để đảm bảo nguồn gốc và chất lượng của sản phẩm. Điều này giúp bạn tránh mua phải “vòng bi SKF giả” trên thị trường.
- 100% sản phẩm chính hãng: Đảm bảo nguồn gốc rõ ràng, đầy đủ chứng từ. Chúng tôi cam kết hoàn tiền 100% hoặc đổi trả nếu sản phẩm không thuộc loại công thức chính.
- Chính sách bảo hành minh bạch: Hỗ trợ đổi trả nếu nhà sản xuất gặp lỗi, mang lại sự an tâm tuyệt đối cho khách hàng.
- Hỗ trợ kỹ thuật chuyên sâu: Đội ngũ kỹ sư giàu kinh nghiệm sẵn sàng hỗ trợ bạn về kỹ thuật và lựa chọn sản phẩm phù hợp nhất cho mọi ứng dụng.
- Giá cả cạnh tranh: Đảm bảo giá tốt nhất đi kèm chất lượng, với chính sách chiết khấu hấp dẫn cho đơn hàng số lượng lớn, đặc biệt khi “mua vòng bi SKF số lượng lớn”.
MUA THÊM NHIỀU LOẠI VÒNG BI CHÍNH HÃNG KHÁC TẠI MECSU
11. Câu hỏi thường gặp về Vòng Bi SKF 6004-2Z/C3
a. Vòng bi SKF 6004-2Z/C3 có cần bảo dưỡng, tra mỡ không?
Vòng bi SKF 6004-2Z/C3 được sản xuất sẵn từ nhà máy và có hai dây thép (2Z) giúp giữ mỡ bên trong. Trong hầu hết các ứng dụng thông thường, vòng bi này được xem là “bảo trì trọn đời” và không cần tái bôi trơn. Điều này giúp tiết kiệm thời gian và chi phí bảo trì đáng kể, đặc biệt trong các ứng dụng yêu cầu tốc độ cao và ít can thiệp.
b. Chữ “2Z/C3” trong mã SKF 6004-2Z/C3 có ý nghĩa gì?
“2Z” chỉ có hai dây thép vòng ở cả hai mặt, là loại không tiếp xúc, giúp bảo vệ khỏi bụi lớn và cho phép tốc độ cao. “/C3” biểu tượng hướng kính hiển thị trong vòng lớn hơn tiêu chuẩn (CN). Khe C3 giúp vòng bi hoạt động ổn định hơn trong điều kiện nhiệt độ cao hoặc có sự giãn nở nhiệt đáng kể của các bộ phận liên quan.
c. Vòng bi SKF 6004-2Z/C3 có hoạt động tốt trong môi trường Bụi và nước không?
Nắp đậy thép 2Z giúp bảo vệ tốt khỏi bụi bẩn lớn. Tuy nhiên, đây là loại không tiếp xúc, khả năng làm kín của nó với bụi, nước hoặc hơi ẩm sẽ không hiệu quả bằng cách sử dụng đệm cao su (RSH). Vì vậy, không phù hợp cho môi trường khô ráo, có bụi lớn, nhưng không lý tưởng cho môi trường ẩm hoặc quá nhiều bụi. Tuy nhiên, khe hở C3 giúp nó chịu đựng được sự giãn nở trong môi trường có nhiệt độ biến đổi.
d. Làm sao biết vòng bi 6004-2Z/C3 của tôi là hãng SKF chính hãng?
Kiểm tra bao bì (logo, mã QR rõ ràng), vòng bi có khắc lazer sắc nét, Sản phẩm thép toàn bộ và chắc chắn. Điều quan trọng nhất, hãy sử dụng ứng dụng SKF Authenticate để quét mã và kiểm tra trực tiếp từ SKF. Đây là cách chắc chắn nhất để phân biệt vòng bi SKF thật sự.
đ. Khi nào cần thay thế vòng bi 6004-2Z/C3?
Bạn nên thay thế vòng bi khi nhận được các dấu hiệu sau:
- Tiếng ồn bất thường: Tiếng kêu lạo xạo, rít, hoặc kêu khi vòng bi quay, báo hiệu bi hoặc khu vực mòn.
- Tăng nhiệt độ: Vòng bi tăng lên bất thường trong quá trình hoạt động, có thể tăng mỡ hoặc tải trong quá trình.
- Độ cao lớn: Thiết bị hoạt động có tốc độ tăng lên đáng kể, ảnh hưởng đến hiệu suất và có thể gây nguy hiểm cho các bộ phận khác.
- Chất liệu: Mũ thép được trang bị công, căng thẳng, hoặc có dấu hiệu tổn thương cao.
- Vòng bi bị khóa hoặc không được xóa.
Kinh nghiệm từ các kỹ sư Mecsu: Kiểm tra định kỳ bằng cách lắng nghe tiếng ồn hoặc cảm nhận mức độ rung có thể giúp phát hiện sớm các dấu hiệu cần thay thế, tránh nguy hại gây hại nghiêm trọng hơn cho toàn hệ thống. Đừng ngần ngại liên hệ với chúng tôi để được hỗ trợ kỹ thuật về bảo trì vòng bi hoặc thay thế vòng bi.
f. Mua vòng bi SKF 6004-2Z/C3 chính hãng, uy tín ở đâu tại TP.HCM?
Mua vòng bi SKF 6004-2Z/C3 chính hãng và đảm bảo chất lượng tại TP.HCM, bạn hãy liên hệ ngay với Mecsu.
- Cam kết chất lượng: 100% sản phẩm có nguồn gốc rõ ràng, đầy đủ chứng từ CO, CQ. Chúng tôi cam kết hoàn tiền 100% hoặc đổi trả nếu sản phẩm không thuộc loại công thức chính.
- Giá cả cạnh tranh: Đảm bảo giá tốt nhất đi kèm chất lượng, với chính sách chiết khấu hấp dẫn cho đơn hàng số lượng lớn, đặc biệt khi “mua vòng bi SKF số lượng lớn”.
- Tư vấn chuyên sâu: Đội ngũ kỹ sư giàu kinh nghiệm sẵn sàng hỗ trợ bạn về kỹ thuật và lựa chọn sản phẩm phù hợp nhất.
- Chính sách hậu mãi: Đảm bảo quyền lợi tối đa cho khách hàng với dịch vụ hỗ trợ nhanh chóng, tận tâm.
MUA THÊM NHIỀU LOẠI VÒNG BI CHÍNH HÃNG KHÁC TAI MECSU
12. Liên Hệ và Hỗ Trợ Tư Vấn Vòng Bi SKF
Nếu bạn có bất kỳ thắc mắc nào về vòng bi SKF 6004-2Z/C3 hoặc cần tư vấn về giải pháp vòng bi cho ứng dụng cụ thể của mình, đừng ngần ngại liên hệ với đội ngũ chuyên gia của Mecsu. Chúng tôi luôn sẵn sàng hỗ trợ bạn tìm ra các sản phẩm phù hợp và tối ưu nhất, đồng thời cung cấp những kiến thức về kỹ thuật bảo trì vòng bi mà bạn khó tìm thấy ở những nơi khác.
Địa chỉ: B28/I – B29/I Đường số 2B, KCN Vĩnh Lộc, P. Bình Hưng Hòa B, Q. Bình Tân, TP.HCM
Đường dây nóng: 1800 8137
Email: [email protected]
Trang web: mecsu.vn
13. Thông Tin Bổ Sung & Kinh nghiệm Thực Tế Từ Mecsu
a. Kinh nghiệm Thực Tế & Câu Chuyện Thành Công
Tại Mecsu, chúng tôi tự hào là đối tác đáng tin cậy của nhiều doanh nghiệp trong việc cung cấp các giải pháp chất lượng vòng cao. “Vòng bi SKF 6004-2Z/C3”, với khả năng hoạt động ở tốc độ cao, ma sát thấp và khả năng hoạt động ổn định trong điều kiện nhiệt độ biến đổi, đã được ứng dụng trong nhiều dự án quan trọng của khách hàng chúng tôi tại “TP. Hồ Chí Minh” và đèn lân cận, mang lại hiệu quả vượt trội và là chứng chỉ cho sản phẩm cùng kinh nghiệm thực tế của đội ngũ Mecsu:
- Lĩnh vực sản xuất cơ khí và quạt: Chúng tôi đã cung cấp “SKF 6004-2Z/C3” cho các nhà sản xuất cơ điện và quạt công nghiệp, đặc biệt là những nơi có gia tăng nhiệt độ trong quá trình hoạt động. Khe C3 đã giúp giảm thiểu hiệu suất nhiệt và duy trì hiệu suất hoạt động.
- Hệ thống công cụ máy tính: Trong các công cụ máy móc cần độ chính xác và tốc độ quay cao, đồng thời có thể sinh nhiệt để thực hiện khảo sát hoặc quá trình gia công, vòng bi này có thể chọn độ bền và độ tin cậy cao.
- Thiết bị gia dụng và văn phòng: Trong các máy sản xuất dây xích, máy hút bụi, vòng bi này đã góp phần nâng cao độ bền và độ tin cậy của sản phẩm, đặc biệt ở những bộ phận chịu nhiệt độ cao.
b. Trích Dẫn Chuyên Gia
“SKF 6004-2Z/C3” là một giải pháp đòi hỏi sự cân bằng cho các ứng dụng giữa tốc độ cao và khả năng chịu nhiệt. 2Z duy trì ma sát thấp, trong khi khe nứt C3 là yếu tố sau giúp vòng bi này hoạt động ổn định và bền bỉ trong những điều kiện có đo nhiệt. Đây là lựa chọn thông minh tối ưu hóa hiệu suất và tuổi thọ cho các hệ thống máy tính tại TP.HCM, nơi nhiệt độ có thể là một biểu thức lớn.”
— “Kỹ sư cơ khí Chuyên gia kỹ thuật Mecsu” (TP. Hồ Chí Minh) – Với hơn 10 năm kinh nghiệm trong lĩnh vực “bạc đạn công nghiệp”.
c. Tài Liệu Tham Khảo và Nghiên Cứu
Nội dung bài viết này được biên soạn dựa trên các tài liệu kỹ thuật chính quy và đáng tin cậy của SKF , cùng với kinh nghiệm thực tế chuyên sâu của đội ngũ kỹ sư Mecsu, đảm bảo tính chính xác, cập nhật và chuyên môn môn môn cao:
- Danh mục sản phẩm SKF (Danh mục sản phẩm SKF chính thức) – Nguồn dữ liệu kỹ thuật chi tiết nhất về “vòng bi SKF”.
- Tài liệu kỹ thuật SKF Explorer – Vòng bi ngành sâu (Thông tin chuyên sâu về “vòng bi cầu sâu SKF Explorer”) – Cung cấp cái nhìn toàn diện về thế hệ vòng bi bền bỉ này.
- Bảng dữ liệu kỹ thuật (Datasheet) chi tiết của SKF 6004-2Z/C3 – Nguồn thông số kỹ thuật chính xác.
- Trải nghiệm thực tế và phản hồi từ các dự án khách hàng của Mecsu – “Dữ liệu độc nhất” được thu thập từ hơn 10 năm cung cấp “linh kiện cơ khí” và “giải pháp vòng bi” cho doanh nghiệp tại Việt Nam.
Biên soạn bởi: Đội ngũ kỹ sư Mecsu
Với hơn 10 năm kinh nghiệm chuyên sâu trong lĩnh vực và tư vấn giải pháp vòng bi, đội ngũ kỹ sư của Mecsu cam kết mang đến những thông tin chính xác, cập nhật và hữu ích nhất, giúp quý khách hàng đưa ra loại sản phẩm tối ưu cho mọi ứng dụng.
(Xem thêm thông tin về chúng tôi tại Website Mecsu )
Lưu ý: Hình ảnh sản phẩm có thể khác biệt so với sản phẩm thực tế của SKF. Vui lòng tham khảo thông số kỹ thuật chi tiết hoặc liên hệ Mecsu để có thông tin chính xác nhất về sản phẩm.


















Đánh giá
Chưa có đánh giá nào.