Mô tả sản phẩm
Thông tin CHUYÊN SÂU về Vòng Bi Cầu Rãnh Sâu SKF 6007-2RS1 (35x62x14) Phớt Cao Su NBR Tiếp xúc (Hai Bên)
Mục Lục
- 1. Vòng Bi SKF 6007-2RS1 Là Gì? – Giải Thích Chuyên Sâu
- 2. Thông Số Kỹ Thuật Chi Tiết Của Vòng Bi Cầu SKF 6007-2RS1
- 3. Cấu hình Chi Tiết Vòng Bi SKF 6007-2RS1
- 4. Phân Tích Chuyên Sâu: Ký Hiệu 2RS1 của SKF 6007-2RS1
- 5. Ưu và nhược điểm của Vòng Bi SKF 6007-2RS1
- 6. Ứng dụng Thực Tế của Vòng Bi SKF 6007-2RS1
- 7. Hướng Dẫn Đặt và Tháo Tháo SKF 6007-2RS1
- 8. So Sánh Vòng Bi 6007-2RS1 với Các Loại 6007 Khác
- 9. Cách Phân Biệt Vòng Bi SKF 6007-2RS1 Thật – Giả – Lời Khuyên Từ Chuyên Gia Mecsu
- Dấu hiệu của vòng bi SKF 6007-2RS1 hàng chính hãng
- Dấu hiệu của vòng bi SKF 6007-2RS1 hàng giả/nhái
- 10. Giá Bán & Mơi Ý Mua Vòng Bi SKF 6007-2RS1 Chính Hãng Tại TP.HCM
- 11. Câu hỏi thường gặp về Vòng Bi SKF 6007-2RS1
- 12. Liên Hệ và Hỗ Trợ Tư Vấn Vòng Bi SKF
- 13. Thông Tin Bổ Sung & Kinh nghiệm Thực Tế Từ Mecsu
1. Vòng Bi SKF 6007-2RS1 Là Gì? – Giải Thích Chuyên Sâu
Vòng bi cầu rãnh sâu SKF 6007-2RS1 là một loại vòng bi được thiết kế đặc biệt để mang lại hiệu suất làm việc kín nổi trong môi trường khắc nghiệt, nơi có nhiều bụi bẩn, nước và các chất gây ô nhiễm nhiễm bẩn. Mã “6007” chỉ định kích thước cơ sở cho đường kính trong (d) 35mm, đường kính ngoài (D) 62mm và chiều dày (B) 14mm.
Điểm khác biệt chính của sản phẩm này nằm ở hậu tố:
- “2RS1”: Cho biết vòng bi được trang bị hai phun cao su Cao su Nitrile Butadiene (NBR) ở cả hai bên. Đây là thiết kế để tiếp tục căng thẳng với vai trong vòng, tạo ra một hàng rào chắn, ngăn chặn tác hại xâm nhập của bụi bẩn, nước, hơi ẩm và các loại gây ô nhiễm nhiễm khuẩn khác bên trong chất vòng bi. Đồng thời, chúng tôi giúp giữ chất béo bôi trơn chất lượng cao bên trong, kéo dài tuổi thọ của vòng bi. Vòng bi này thường được mua sẵn từ nhà máy và không cần bôi trơn trong suốt tuổi thọ sử dụng dưới điều kiện bình thường.
SKF 6007-2RS1 là một số lựa chọn lý tưởng cho các ứng dụng trong môi trường công nghiệp nặng, thương mại, ẩm ướt hoặc có nguy cơ nhiễm trùng cao, nơi cần bảo vệ tối đa, tuổi thọ dài và yêu cầu bảo trì tối thiểu.
2. Thông Số Kỹ Thuật Chi Tiết Của Vòng Bi Cầu SKF 6007-2RS1
d: Đường kính trong
D: Đường kính ngoài
B: Bề dày
C: Tải danh sách cơ sở dữ liệu
C0: Tải tĩnh cơ sở dữ liệu danh sách
Pu: Giới hạn tải mệt mỏi
| Thông số | Giá trị |
|---|---|
| Mã sản phẩm | 6007-2RS1 |
| Loại vòng bi | Vòng Bi Cầu Rãnh Sâu (Vòng Bi Rãnh Sâu) |
| Đường kính trong (d) | 35 mm |
| Đường kính ngoài (D) | 62 mm |
| Bề dày (B) | 14 mm |
| Tải quan trọng cơ sở dữ liệu (C) | 16,8 kN |
| Tải danh sách cơ sở dữ liệu quan trọng (C0) | 10,2 kN |
| Tốc độ tham chiếu | Không có (vì có xúc tiếp) |
| Tốc độ giới hạn | 7 000 vòng/phút |
| Vòng cách | Thép tấm (Sheet metal) |
| Phớt cao su NBR bên (2RS1) | Phớt cao su NBR bên (2RS1) |
| Loại Chắc Dầu | Tiếp xúc (Contact) |
| Khe khe trong hướng kính | CN (Tiêu chuẩn) |
| Thương hiệu | SKF |
| Hình dạng lỗ máy xúc | Trụ thẳng (Cylindrical) |
| Tra mỡ sẵn | Có (Trà mỡ có sẵn từ nhà máy) |
| Làm kín tích hợp | Có (tăng tuổi thọ công việc của ổ bi) |
| Ma sát | Trung bình (cao hơn loại Z làm xúc tiếp) |
| Độ âm và rung động | Xấu (tốt hơn trong môi trường khắc nghiệt) |
| Khả năng chịu tải | Chịu được tải kính và hướng trục theo cả hai hướng |
| Yêu cầu bảo trì | Rất thấp (bôi trơn đời sống trong môi trường bình thường) |
| Lớp hiệu suất SKF | SKF Explorer |
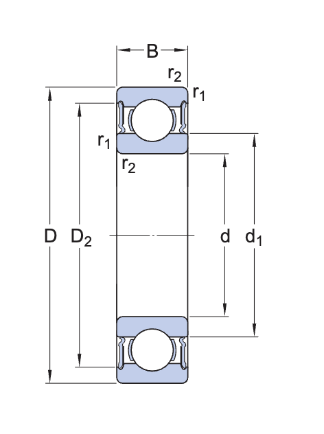
3. Cấu hình Chi Tiết Vòng Bi SKF 6007-2RS1
Vòng bi SKF 6007-2RS1 được cấu hình thành các bộ phận chính, mỗi bộ phận đóng vai trò quan trọng trong công việc đảm bảo hiệu suất hoạt động ở mức độ và tính bền vững:
Sơ đồ tạo vòng Bi Cầu Rãnh Sâu SKF 6007-2RS1 với khoảng trống cao ở phía sau:
- Vòng trong/ngoài: Được chế tạo từ thép chịu lực cao, cùng với khu vực Yên tĩnh, chịu tải chính.
- Bi cầu: Sản phẩm sản xuất từ thép siêu chính xác và được xử lý nhiệt đặc biệt để giảm độ cứng, tăng cường độ cứng và độ bền.
- Vòng cách: Làm bằng thép tấm (Tấm kim loại), có chức năng giữ các thành viên bi cách đều nhau, đảm bảo vòng bi vận hành ái và ổn định.
- Reớt cao su NBR (2RS1): Đây là dạng đặc biệt được nhận dạng của loại vòng bi này. Được làm từ cao su Nitrile Butadiene Rubber (NBR), gắn chặt vào vòng bên ngoài và tiếp xúc trực tiếp với vai của vòng trong. “2RS1” chỉ ra rằng vòng bi có hai cảm giác xúc giác tiếp theo như vậy ở cả hai bên. Phớt này cung cấp khả năng làm kín vượt trội, ngăn chặn tác hại xâm nhập của bụi, nước, hơi ẩm và các chất gây ô nhiễm nhiễm độc khác bên trong vòng bi. Đồng thời, chúng tôi giúp giữ lại mỡ bôi trơn bên trong, kéo dài đáng kể tuổi thọ của vòng bi. Vòng bi này được sản xuất sẵn từ nhà máy và thường không cần tái bôi trơn trong suốt thời gian sử dụng.
- Khe CN (Tiêu chuẩn): Đây là khe hở trong tiêu chuẩn của vòng bi, phù hợp để hầu hết các ứng dụng thông thường.
4. Phân Tích Chuyên Sâu: Ký Hiệu 2RS1 của SKF 6007-2RS1
Để thực sự hiểu được giá trị của vòng bi SKF 6007-2RS1, việc phân tích sâu hơn về yếu tố thì chốt: “ký hiệu 2RS1” là rất quan trọng.
Ký hiệu “2RS1” – Hải tải cao su tiếp xúc:
- Chức năng chính: Cung cấp khả năng vượt trội từ cả hai phía, bảo vệ vòng bi bụi, nước, hơi ẩm và dưỡng mỡ bôi trơn một cách hiệu quả nhất.
- Đặc điểm nổi bật: Là loại thông “tiếp xúc” (Con dấu liên lạc). Điều này có nghĩa là lửa cao su có một môi trường xung quanh xung quanh căng thẳng với một ngành trên vòng trong vòng bi, tạo ra một rào cản kín khít. Đây là loại rỗ được cải tiến để tối ưu hóa hiệu suất làm việc kín.
- Ưu điểm vượt trội: Đặc tính tiếp xúc được tối ưu hóa, khả năng ngăn chặn tế bào độc độc (đặc biệt là chất thải và bụi) của loại này là cực kỳ hiệu quả, giúp kéo dài vòng bi đáng kể trong môi trường giải quyết. Phớt cũng giúp giữ mỡ bôi trơn tối đa, giảm thiểu nhu cầu bảo trì theo thời gian. Vòng bi này được tra mỡ sẵn từ nhà máy và thường được coi là “bôi trơn đời” trong các điều kiện vận hành bình thường.
- Chế độ: Do có chất liệu căng thẳng tiếp theo, băng cao su sẽ tạo ra một lượng ma sát nhỏ, làm giảm tốc độ giới hạn của vòng bi nên với các loại không dây hoặc dây thép không tiếp xúc. Điều này cũng có thể gây ra một chút nhiệt độ và tiếng ồn cho loại 2Z ở tốc độ cực cao.
Ký hiệu 2RS1 làm cho SKF 6007-2RS1 trở thành một giải pháp vòng bi cực kỳ hiệu quả, phù hợp cho các ứng dụng trong môi trường thương mại, ẩm thực, hoặc có nguy cơ nhiễm cao, nơi có khả năng bảo vệ tối đa và tuổi thọ dài là ưu tiên hàng đầu, đồng thời giảm thiểu đáng kể như yêu cầu bảo trì.
5. Ưu và nhược điểm của Vòng Bi SKF 6007-2RS1
Vòng bi SKF 6007-2RS1 là loại thuốc ưu tiên có nhiều ứng dụng nhờ khả năng bảo vệ tối đa nhiễm HIV, độ bền cao và đặc tính vận hành ít bảo trì. Tuy nhiên, cũng cần cân nhắc các ưu và nhược điểm của nó để lựa chọn phù hợp nhất.
Ưu điểm nổi bật:
- Bảo vệ vượt trội khỏi ô nhiễm nhiễm trùng nhiễm trùng nhiễm trùng: Với hai dặm cao su tiếp (2RS1) ở cả hai phía, vòng bi được bảo vệ cực kỳ hiệu quả từ bụi bụi, nước, hơi ẩm, hóa chất keo và các loại chất gây ô nhiễm nhiễm độc khác, ngay cả trong môi trường chết. Khả năng làm kín của RS1 thường được ưu tiên hóa hơn so với các loại Rỗng RS khác của SKF.
- Giữ mỡ bôi trơn tối đa: Giảm tiếp xúc giúp giữ mỡ bôi trơn chất lượng cao bên trong vòng bi rất tốt, hạn chế rỉ sét và kéo dài tuổi thọ của mỡ, từ đó kéo dài tuổi thọ làm việc của vòng bi.
- Bảo trì cực thấp: Vòng bi được tra mỡ sẵn từ nhà máy và massage giúp giảm đáng kể hoặc loại bỏ hoàn toàn nhu cầu bôi trơn trong suốt tuổi thọ sử dụng, tiết kiệm thời gian và chi phí bảo trì.
- Đáng tin cậy trong môi trường khắc nghiệt: Là lựa chọn lý tưởng cho các ứng dụng trong môi trường ẩm, dưỡng hoặc có nguy cơ nhiễm nấm cao.
- Tuổi thọ cao:đá khả năng làm kín hiệu quả và mỡ tốt, vòng bi có tuổi thọ hoạt động lâu hơn đáng kể so với các loại không có dây thép.
Nhược điểm cần lưu ý:
- Tốc độ giới hạn thấp hơn: Do dãi cao su tiếp xúc trực tiếp với vòng trong, tạo ra ma sát, nên tốc độ giới hạn của vòng bi 2RS1 chậm hơn so với loại không đục (Mở) hoặc loại sản phẩm thép không tiếp xúc (2Z).
- Sinh nhiệt và ma sát cao hơn: Ma sát từ lò hệ thống cao su có thể làm sinh nhiệt nhiều hơn một chút so với loại 2Z, đặc biệt ở tốc độ cao, mặc dù ở tốc độ giới hạn cho phép thì đây không phải là vấn đề đáng kể.
- Độ ồn có thể cao hơn một chút: Ma sát từ xa cũng có thể gây ra một chút tiếng ồn nên đối với các loại không tiếp cận, nhưng vẫn nằm trong giới hạn cho phép.
- Giá thành cao hơn: Do tính năng bảo vệ vượt trội và tuổi thọ dài, vòng bi 2RS1 thường có giá thành cao hơn so với loại không cường lực hoặc chỉ có dây thép.
6. Ứng dụng Thực Tế của Vòng Bi SKF 6007-2RS1
Với khả năng bảo vệ vượt trội khỏi ô nhiễm nhiễm sắc tố, độ bền cao và yêu cầu bảo trì tối thiểu, vòng bi SKF 6007-2RS1 là đơn vị trí tưởng cho các ứng dụng công nghiệp trong môi trường khắc nghiệt, nơi cần hoạt động ổn định và đáng tin cậy:
- Máy nông nghiệp: Trong máy cày, máy thằn lằn, máy kéo, nơi vòng quanh thường xuyên căng thẳng với đất, bụi, bùn, nước và hóa chất nông nghiệp.
- Máy xây dựng: Trong máy căng, máy nén, xe lu, nơi vòng bi phải chịu tải nặng và hoạt động trong môi trường Bụi nước, cát, sỏi và độ ẩm cao.
- Thiết bị chế độ thực phẩm và cách sử dụng: Trong các dây sản phẩm sản phẩm sản phẩm sản xuất có yêu cầu bảo vệ sinh cao, thường xuyên phải xịt nước hoa hoặc hóa chất tẩy rửa rửa mặt. Phớt NBR thường tương thích với nhiều chất hóa học làm sạch và nước.
- Công nghiệp khai thác thác thác thác mỏ và xi măng: Trọng băng tải, máy nghiền, nơi môi trường cực kỳ bụi và khắc sâu.
- Máy thổi và quạt công nghiệp: Đặc biệt là các loại căng và quạt hoạt động trong môi trường ẩm hoặc có chất lỏng/hơi ẩm.
- Hệ thống băng tải ngoài trời: Nơi cần khả năng chịu đựng thời gian giải quyết khó khăn (mưa, bụi, nhiệt độ biến động).
- Ứng dụng hàng hải: Trong các thiết bị tàu thủy, nơi tiếp xúc trực tiếp với nước biển và môi trường ẩm ướt.
7. Hướng Dẫn Đặt và Tháo Tháo SKF 6007-2RS1
Để đảm bảo tuổi thọ và hiệu suất tối ưu cho vòng bi SKF 6007-2RS1, cách lắp đặt và tháo gỡ đúng cách là vô cùng quan trọng. luôn thủ tục các nguyên tắc an toàn và kỹ thuật của các nhà sản xuất. Mecsu cung cấp hướng dẫn chi tiết dựa trên kinh nghiệm thực tế:
- Chuẩn bị: Đảm bảo môi trường làm việc sạch sẽ, khô ráo. Chuẩn bị đầy đủ các dụng cụ chuyên dụng như ống lót, búa mềm, dụng cụ ép, máy gia nhiệt (nếu cần). Luôn đeo dây bảo vệ và kính bảo hộ để đảm bảo an toàn. Kiểm tra dụng cụ và gối phải sạch sẽ, không có lỗ hổng và bảo đảm sai dịch vụ. Lưu ý quan trọng: Vòng bi này có thể được tra mỡ sẵn từ nhà và có kín khít, không cần tra thêm mỡ khi gắn vào hầu hết các ứng dụng. Tuyệt đối không cố gắng giảm giá từ vòng bi trừ khi có yêu cầu đặc biệt và được hướng dẫn bởi chuyên gia.
- Lắp đặt:
- Phương pháp cơ khí: Đối với vòng bi có kích thước này, việc sử dụng ống lót và búa (búa mềm) vẫn khả thi nếu tác dụng lực đều và đúng vào vòng trong (khi gắn lên trục) hoặc vòng ngoài (khi gắn vào gối hỗ trợ). Đảm bảo hoạt động không tăng cường độ cao su để tránh làm hỏng chúng.
- Phương pháp gia nhiệt: Đây là phương pháp tối ưu cho vòng bi có đường kính trong 35mm. Gia nhiệt vòng bi bằng thiết bị gia nhiệt chuyên dụng (ví dụ: SKF Induction Heater) đến nhiệt độ khoảng 80-100°C. Vòng bi sẽ giãn nở, dễ dàng lắp vào trục mà không cần dùng lực lớn. Đảm bảo vòng lặp được đặt đúng vị trí trước khi ngừng hoạt động. Tuyệt đối không gia nhiệt bằng ngọn lửa trực tiếp hoặc nhiệt độ quá cao. Lưu ý rằng Nhiệt độ cao có thể bị ảnh hưởng bởi nhiệt độ quá cao, nên cần kiểm soát nhiệt độ cẩn thận.
- Lưu ý: Với vòng bi 2RS1, được thiết kế để bảo vệ cả hai bên, giúp giảm thiểu nguy cơ nhiễm trùng từ mọi hướng và giảm nhu cầu bảo trì kể.
- Gỡ bỏ:
- Sử dụng công cụ hỗ trợ chuyên nghiệp (cảo cơ hoặc thủy lực phù hợp với kích thước vòng bi) để xoay vòng một cách an toàn và không gây hư hỏng cho xẹp hoặc gối hỗ trợ. Tác dụng lực đều và đúng ở vòng trong (khi rút xẹp) hoặc vòng ngoài (khi rút gối).
- Đối với các trường hợp khó khăn, có thể sử dụng phương pháp gia nhiệt vòng trong (nếu rút trục vít) hoặc vòng ngoài (nếu rút gối hỗ trợ) để giãn nở, giúp tháo gỡ dễ dàng hơn. Cần cẩn thận nhiệt độ để không làm hỏng cao su.
- Tránh dùng đập trực tiếp lên các sinh vật học hoặc các bộ phận khác có thể gây ra các dạng biến đổi, hư hỏng. Việc này không chỉ làm hỏng vòng bi mà còn tiềm ẩn nguy hiểm.
- Người bảo vệ: Nếu không sử dụng ngay, hãy giữ vòng bi trong bao bì gốc của nhà sản xuất, ở nơi khô ráo, thoáng mát, tránh ánh nắng trực tiếp và các chất hóa học ăn mòn để hạn chế sét và bụi nguy hiểm xâm nhập, đồng thời bảo vệ bảo vệ cao su thiệt hại.
8. So Sánh Vòng Bi 6007-2RS1 với Các Loại 6007 Khác
Việc hiểu rõ sự khác biệt giữa các loại vòng bi 6007 SKF sẽ giúp bạn lựa chọn sản phẩm phù hợp nhất để lựa chọn ứng dụng của mình, hiệu suất tối ưu hóa và chi phí đầu tư. Bảng so sánh dưới đây tập trung vào các loại khác nhau giữa các loại keo, bôi trơn và khướt:
| Tiêu chí | SKF 6007-2RS1 (2 Phớt cao su, CN) | SKF 6007-2Z (2 Thép, CN) | SKF 6007-RS1 (1 Phớt cao su, CN) | SKF 6007 (Mở, CN) |
|---|---|---|---|---|
| Chất liệu/Chắc chắn | Phớt cao su NBR – 2 Bên (Tiếp xúc) | Mũ thép (Shield) – 2 bên (Không tiếp xúc) | Phớt cao su NBR – 1 Bên (Tiếp xúc) | Không có leo/nào (Mở) |
| Khả năng làm kín | Vượt lên (ngăn bụi, nước, giữ mỡ tối đa) ở hai bên | Tốt (chuỗi bụi lớn ở phía sau) | Vượt lên (ngăn bụi, nước, giữ mỡ tối đa) ở một bên | Siêu tiết kiệm (dễ bị bụi bẩn, mỡ máu) |
| Khe khe hướng kính | CN (Tiêu chuẩn) | CN (Tiêu chuẩn) | CN (Tiêu chuẩn) | CN (Tiêu chuẩn) |
| Tốc độ quay tối đa | 7 000 vòng/phút ( Giới hạn, thấp nhất) | 13 000 vòng/phút ( Giới hạn, khá cao) | 13 000 vòng/phút ( Giới hạn, khá cao) | 22 000 vòng/phút ( Giới hạn, cao nhất) |
| Khả năng chống ẩm/lỏng | Rất tốt (ở hai phía) | Trung bình (số lượng lớn) | Rất tốt (ở một phía) | Rất kém |
| Tra mỡ sẵn | Có (Trà mỡ sẵn đời) | Có (Trà mỡ có sẵn từ nhà máy) | Có (Trà mỡ có sẵn từ nhà máy) | No (Cần bôi trơn liên tục) |
| Nhu cầu bảo trì | Rất thấp (bôi trơn đời sống trong môi trường bình thường) | Low (bôi trơn sẵn từ nhà) | Low (bôi trơn sẵn từ nhà) | Cao (cần bôi trơn bất kỳ hoặc bôi trơn liên tục từ bên ngoài hệ thống) |
| Độ âm / Rung động | Low (có thể cao hơn 2Z một chút do ma sát) | Very low (làm ma sát) | Low (có thể cao hơn 2Z một chút do ma sát) | Thấp |
| Giá thành | Cao nhất | Trung bình cao | Cao | Thấp nhất |
| Ứng dụng điển hình | Máy nông nghiệp, máy xây dựng, thiết bị chế biến thực phẩm, máy rửa xe, công nghiệp khai thác mỏ, nơi cần bảo vệ tối đa khỏi ô nhiễm ô nhiễm nhiễm trùng (bụi, nước, hóa chất) và duy trì bôi trơn. | Động cơ điện, máy hút, quạt công nghiệp, máy công cụ, hộp số, nơi cần tốc độ cao, ma sát và môi trường tương đối sạch, được tra mỡ sẵn. | Máy xông hơi, máy nông nghiệp, thiết bị ngoài trời, thiết bị chế biến thực phẩm (chỉ khi phù hợp với vật liệu tài nguyên), nơi cần bảo vệ vượt trội khỏi nước, bụi từ một phía và thích ứng với thư giãn hoặc tải nặng. | Thiết bị cần tốc độ cực cao, môi trường rất sạch sẽ, có hệ thống bôi trơn bên ngoài hoặc các ứng dụng không mở rộng, nơi yêu cầu hiệu suất tối đa. |
9. Cách Phân Biệt Vòng Bi SKF 6007-2RS1 Thật – Giả – Lời Khuyên Từ Chuyên Gia Mecsu
Thị trường hiện nay có rất nhiều hàng giả, hàng giả chất lượng, đặc biệt là với các sản phẩm vòng bi SKF chính hãng được ưa chuộng. Để đảm bảo bạn mua được vòng bi SKF 6007-2RS1 chính hãng tại TP.HCM, Mecsu khuyến nghị kiểm tra các dấu hiệu sau:
a. Hãng dấu hiệu vòng bi SKF 6007-2RS1 :
- Bao bì chất lượng cao: Sắc nét, màu xanh đặc trưng của SKF, sản phẩm thông tin rõ ràng, đầy đủ mã vạch/QR code và thông tin xuất xứ. Bạn sẽ tìm thấy công nghệ trong từng chi tiết.
- In ấn trên vòng bi sắc nét: Logo SKF, mã sản phẩm (6007-2RS1) và các nhà sản xuất quốc gia được in hoặc khắc laser sắc nét, rõ ràng, không lem, không sai phông chữ, rất khó bị tẩy xóa.
- Mã QR/Bar code xác thực: Có thể quét bằng ứng dụng “SKF Authenticate” trên điện thoại di động thông minh để xác thực nguồn gốc và tính chính hãng của sản phẩm. Đây là công cụ hữu ích nhất của SKF để chống hàng giả.
- Cải thiện tiến trình (2RS1) hoàn thiện: Giảm khả năng cài đặt chắc chắn, không có sự mong đợi, không bị đóng gói hoặc biến dạng. Chất liệu cao su mềm dẻo, đàn hồi tốt và bền bỉ.
- Cảm giác vận hành mượt mà: Khi quay vòng bi bằng tay, bạn sẽ cảm nhận được tốc độ mượt mà, trôi tru, giảm đau và ồn ào. Không có tiếng kêu lạ hoặc cảm giác giác.
- Chứng từ đầy đủ: Nhà cung cấp uy tín sẽ cung cấp đầy đủ “CO” (chứng nhận xuất xứ) và “CQ” (chứng nhận chất lượng) từ nhà sản xuất, đảm bảo nguồn gốc và chất lượng sản phẩm.
b. Dấu hiệu của vòng bi SKF 6007-2RS1 hàng giả/nhái:
- In ấn mờ nhạt, sai chính tả, phông chữ lạ, thiếu thông tin hoặc không chính xác trên cả bao bì và vòng bi.
- Bao bì thô, SKF màu trôi chuẩn, thiếu thông tin quan trọng hoặc có dấu hiệu làm lại.
- Phớt cao su có thể bị cứng, giòn, nứt, gắn liền, hoặc có mùi cao su khó chịu.
- Không có mã QR hoặc mã hóa không quét được hoặc quét ra thông tin không khớp với sản phẩm chính hãng.
- Khi quay tay có tiếng kêu lạo xạo, cảm giác giác, nặng, hoặc độ rơ bất thường làm gia công chính xác.
- Giá bán rẻ không được mong đợi so với thị trường của các sản phẩm chính hãng – đây là dấu hiệu cảnh báo lớn nhất.

10. Giá Bán & Mơi Ý Mua Vòng Bi SKF 6007-2RS1 Chính Hãng Tại TP.HCM
a. Giá vòng bi SKF 6007-2RS1(TP.Hồ Chí Minh) tại Mecsu: Giá: 198.050 đ/ Cái (đã có VAT) – Giá hợp lý, phù hợp với chất lượng sản phẩm chính hãng
Liên hệ để nhận báo giá tốt nhất (giá có thể thay đổi tùy thời điểm và số lượng) – Giá hợp lý, phù hợp với chất lượng sản phẩm chính hãng SKF tại thị trường vòng bi TP.HCM.
b. Gợi ý mua vòng bi chính hãng SKF uy tín
- Chọn nhà cung cấp uy tín tại TP.HCM: Ưu tiên đối tác có bằng chứng nhận từ SKF hoặc đơn vị lâu năm, được nhiều khách hàng tin tưởng và có danh tiếng trên thị trường cung cấp linh kiện cơ khí tại TP.HCM.
- Kiểm tra chứng từ đầy đủ: Luôn yêu cầu đầy đủ “CO” (chứng nhận xuất xứ) và “CQ” (chứng nhận chất lượng) để đảm bảo nguồn gốc và chất lượng của sản phẩm. Điều này giúp bạn tránh mua phải “vòng bi SKF giả” trên thị trường.
- 100% sản phẩm chính hãng: Đảm bảo nguồn gốc rõ ràng, đầy đủ chứng từ. Chúng tôi cam kết hoàn tiền 100% hoặc đổi trả nếu sản phẩm không thuộc loại công thức chính.
- Chính sách bảo hành minh bạch: Hỗ trợ đổi trả nếu nhà sản xuất gặp lỗi, mang lại sự an tâm tuyệt đối cho khách hàng.
- Hỗ trợ kỹ thuật chuyên sâu: Đội ngũ kỹ sư giàu kinh nghiệm sẵn sàng hỗ trợ bạn về kỹ thuật và lựa chọn sản phẩm phù hợp nhất cho mọi ứng dụng.
- Giá cả cạnh tranh: Đảm bảo giá tốt nhất đi kèm chất lượng, với chính sách chiết khấu hấp dẫn cho đơn hàng số lượng lớn, đặc biệt khi “mua vòng bi SKF số lượng lớn”.
MUA THÊM NHIỀU LOẠI VÒNG BI CHÍNH HÃNG KHÁC TẠI MECSU
11. Câu hỏi thường gặp về Vòng Bi SKF 6007-2RS1
a. Vòng bi SKF 6007-2RS1 có cần bảo dưỡng, tra mỡ không?
Vòng bi SKF 6007-2RS1 có hai mão cao su (2RS1) ở cả hai phía và được tra mỡ sẵn từ nhà máy (bôi trơn suốt đời). Do đó, trong hầu hết các ứng dụng thông thường, vòng bi này không cần bảo dưỡng hay tra mỡ định kỳ, giúp giảm thiểu chi phí và thời gian bảo trì đáng kể.
b. Chữ “2RS1” trong mã SKF 6007-2RS1 có ý nghĩa gì?
- Chữ “2RS1” chỉ vòng bi có hai phun cao su Cao su Nitrile Butadiene (NBR) ở cả hai phía, là loại đất tiếp xúc với vòng trong. Đây là loại rỗ được cải tiến để tối ưu hóa hiệu suất làm kín, mang lại khả năng ngăn chặn, nước, hơi ẩm và các chất gây ô nhiễm vượt trội.
c. Vòng bi SKF 6007-2RS1 có phải là vòng bi chịu nước tuyệt đối không?
Vòng bi 6007-2RS1 có khả năng làm kín rất tốt chống nước và bụi giúp thoát cao su tiếp xúc. Tuy nhiên, không có vòng bi nào là “chịu nước tuyệt đối” trong mọi điều kiện. Trong các ứng dụng ngập nước hoàn toàn hoặc áp dụng cao, có thể cần các giải pháp bổ sung kín. Phớt RS1 giúp bảo vệ tối đa trong môi trường ẩm ướt, bắn tóe nước, nhưng vẫn cần xem xét thiết kế tổng thể của hệ thống.
d. Làm sao biết vòng bi 6007-2RS1 của tôi là hãng SKF chính hãng?
Kiểm tra bao bì (logo, mã QR rõ ràng), vòng bi có khắc lazer sắc nét. Điều quan trọng nhất, hãy sử dụng ứng dụng SKF Authenticate để quét mã và kiểm tra trực tiếp từ SKF. Đây là cách chắc chắn nhất để phân biệt vòng bi SKF thật.
đ. Khi nào cần thay thế vòng bi 6007-2RS1?
Bạn nên thay thế vòng bi khi nhận được các dấu hiệu sau:
- Tiếng ồn bất thường: Tiếng kêu lạo xạo, rít, hoặc kêu khi vòng bi quay, báo hiệu bi hoặc rãnh bị mòn.
- Tăng nhiệt độ: Vòng bi nóng lên bất thường trong quá trình hoạt động, có thể quá tải, hư hỏng bên trong hoặc tuổi thọ của mỡ bôi trơn đã hết.
- Độ cao lớn: Thiết bị hoạt động có mức độ tăng lên đáng kể, ảnh hưởng đến hiệu suất và có thể gây nguy hiểm cho các bộ phận khác.
- Biến dạng vật lý: Phớt cao su bị nứt, rách, hoặc vòng bi bị mòn, giảm nghiêm trọng.
- Vòng bi bị khóa hoặc không được xóa.
Kinh nghiệm của các kỹ sư Mecsu: Mặc dù vòng bi 6007-2RS1 được tra mỡ sẵn và ít cần bảo dưỡng, công việc giám sát bất kỳ độ ồn và nhiệt độ nào vẫn rất quan trọng để phát hiện sớm các dấu hiệu cần thay thế, tránh gây tổn hại nghiêm trọng hơn cho toàn bộ hệ thống. Đừng ngần ngại liên hệ với chúng tôi để được hỗ trợ kỹ thuật về bảo trì vòng bi hoặc thay thế vòng bi.
f. Mua vòng bi SKF 6007-2RS1 chính hãng, uy tín ở đâu tại TP.HCM?
Mua vòng bi SKF 6007-2RS1 chính hãng và đảm bảo chất lượng tại TP.HCM, bạn hãy liên hệ ngay với Mecsu.
- Cam kết chất lượng: 100% sản phẩm có nguồn gốc rõ ràng, đầy đủ chứng từ CO, CQ. Chúng tôi cam kết hoàn tiền 100% hoặc đổi trả nếu sản phẩm không phải của công ty chính thức.
- Giá cả cạnh tranh: Đảm bảo giá tốt nhất đi kèm chất lượng, với chính sách chiết khấu hấp dẫn cho đơn hàng số lượng lớn, đặc biệt khi “mua vòng bi SKF số lượng lớn”.
- Tư vấn chuyên sâu: Đội ngũ kỹ sư giàu kinh nghiệm sẵn sàng hỗ trợ bạn về kỹ thuật và lựa chọn sản phẩm phù hợp nhất.
- Chính sách hậu mãi: Đảm bảo quyền lợi tối đa cho khách hàng với dịch vụ hỗ trợ nhanh chóng, tận tâm.
MUA THÊM NHIỀU LOẠI VÒNG BI CHÍNH HÃNG KHÁC TAI MECSU
12. Liên Hệ và Hỗ Trợ Tư Vấn Vòng Bi SKF
Nếu bạn có bất kỳ thắc mắc nào về vòng bi SKF 6007-2RS1 hoặc cần tư vấn về giải pháp vòng bi cho ứng dụng cụ thể của mình, đừng ngần ngại liên hệ với đội ngũ chuyên gia của Mecsu. Chúng tôi luôn sẵn sàng hỗ trợ bạn tìm ra sản phẩm phù hợp và tối ưu nhất, đồng thời cung cấp những kiến thức về kỹ thuật bảo trì vòng bi mà bạn khó tìm thấy ở những nơi khác.
Địa chỉ: B28/I – B29/I Đường số 2B, KCN Vĩnh Lộc, P. Bình Hưng Hòa B, Q. Bình Tân, TP.HCM
Đường dây nóng: 1800 8137
Email: [email protected]
Trang web: mecsu.vn
13. Thông Tin Bổ sung & Kinh nghiệm Thực Tế Từ Mecsu
a. Kinh nghiệm Thực Tế & Câu Chuyện Thành Công
Tại Mecsu, chúng tôi tự hào là đối tác đáng tin cậy của nhiều doanh nghiệp trong việc cung cấp các giải pháp chất lượng vòng cao. “Vòng bi SKF 6007-2RS1”, với khả năng bảo vệ tối ưu khỏi ô nhiễm ánh sáng, độ bền cao và được ứng dụng trong nhiều dự án quan trọng của khách hàng chúng tôi tại “TP. Hồ Chí Minh” và các loại lân lân, mang lại hiệu ứng vượt trội và là minh chứng cho chất lượng sản phẩm cùng kinh nghiệm thực tế của Nhóm ngũ sắc Mecsu:
- Công nghiệp nông nghiệp: Trong máy móc nông nghiệp, thiết bị làm đất, nơi vòng bi phải đối mặt với bụi, bùn và độ ẩm cao.
- Công ty xây dựng: Trong các thiết bị nặng như máy xúc, máy nén, cần cẩu, nơi vòng bi chịu tải lớn và môi trường cực kỳ khắc nghiệt.
- Ngành thực phẩm và đồ họa: Trong các sản phẩm dây chuyền cần vệ sinh thường xuyên sử dụng nước và hóa chất, nơi khả năng làm kín của bệ cao su là rất quan trọng.
- Công ty khai thác thác và xử lý vật liệu: Trong băng tải, máy sẵn sàng lọc, nơi môi trường chứa nhiều bụi mòn cao.
b. Trích Dẫn Chuyên Gia
““SKF 6007-2RS1” là giải pháp hàng đầu cho môi trường hoạt động khắc nghiệt, đòi hỏi khả năng làm kín vượt trội. Công việc được trang bị cảm cao su tiếp xúc giúp loại bỏ gần như hoàn toàn các yếu tố gây ô nhiễm từ bên ngoài, từ đó kéo dài tuổi thọ bi một cách đáng kể và giảm thiểu nhu cầu bảo trì.”
— “Kỹ sư cơ khí Chuyên gia kỹ thuật Mecsu” (TP. Hồ Chí Minh) – Với hơn 10 năm kinh nghiệm trong lĩnh vực “bạc đạn công nghiệp”.
c. Tài Liệu Tham Khảo và Nghiên Cứu
Nội dung bài viết này được biên soạn dựa trên các tài liệu kỹ thuật chính quy và đáng tin cậy của SKF , cùng với kinh nghiệm thực tế chuyên sâu của đội ngũ kỹ sư Mecsu, đảm bảo tính chính xác, cập nhật và chuyên môn môn môn cao:
- Danh mục sản phẩm SKF (Danh mục sản phẩm SKF chính thức) – Nguồn dữ liệu kỹ thuật chi tiết nhất về “vòng bi SKF”.
- Tài liệu kỹ thuật SKF Explorer – Vòng bi ngành sâu (Thông tin chuyên sâu về “vòng bi cầu sâu SKF Explorer”) – Cung cấp cái nhìn toàn diện về thế hệ vòng bi bền bỉ này.
- Bảng dữ liệu kỹ thuật (Datasheet) chi tiết của SKF 6007-2RS1 và các ký hiệu hậu tố của SKF – Nguồn thông số kỹ thuật chính xác.
- Trải nghiệm thực tế và phản hồi từ các dự án khách hàng của Mecsu – “Dữ liệu độc nhất” được thu thập từ hơn 10 năm cung cấp “linh kiện cơ khí” và “giải pháp vòng bi” cho doanh nghiệp tại Việt Nam.
Biên soạn bởi: Đội ngũ kỹ sư Mecsu
Với hơn 10 năm kinh nghiệm chuyên sâu trong lĩnh vực và tư vấn giải pháp vòng bi, đội ngũ kỹ sư của Mecsu cam kết mang đến những thông tin chính xác, cập nhật và hữu ích nhất, giúp quý khách hàng đưa ra loại sản phẩm tối ưu cho mọi ứng dụng.
(Xem thêm thông tin về chúng tôi tại Website Mecsu )
Lưu ý: Hình ảnh sản phẩm có thể khác biệt so với sản phẩm thực tế của SKF. Vui lòng tham khảo thông số kỹ thuật chi tiết hoặc liên hệ Mecsu để có thông tin chính xác nhất về sản phẩm.



















Đánh giá
Chưa có đánh giá nào.