Mô tả sản phẩm
Thông tin CHUYÊN SÂU về Vòng Bi Cầu Rãnh Sâu SKF 6007-2RS1/C3 (35x62x14) Phốt Cao Su NBR Tiếp Tiến (Hai Bên)
Mục Lục
- 1. Vòng Bi SKF 6007-2RS1/C3 Là Gì? – Giải Thích Chuyên Sâu
- 2. Thông Số Kỹ Thuật Chi Tiết Của Vòng Bi Cầu SKF 6007-2RS1/C3
- 3. Cấu hình Chi Tiết Vòng Bi SKF 6007-2RS1/C3
- 4. Phân Tích Chuyên Sâu: Phớt Cao Su 2RS1 và Khe Hở C3 của SKF 6007-2RS1/C3
- 5. Ưu và nhược điểm của Vòng Bi SKF 6007-2RS1/C3
- 6. Ứng dụng Thực Tế của Vòng Bi SKF 6007-2RS1/C3
- 7. Hướng dẫn cài đặt và gỡ bỏ SKF 6007-2RS1/C3
- 8. So Sánh Vòng Bi 6007-2RS1/C3 with Các Loại 6007 Khác
- 9. Cách Phân Biệt Vòng Bi SKF 6007-2RS1/C3 Thật – Giả – Lời Khuyên Từ Chuyên Gia Mecsu
- Dấu hiệu của vòng bi SKF 6007-2RS1/C3 hàng chính hãng
- Dấu hiệu của vòng bi SKF 6007-2RS1/C3 hàng giả/nhái
- 10. Giá Bán & Moni Ý Mua Vòng Bi SKF 6007-2RS1/C3 Chính Hãng Tại TP.HCM
- 11. Câu hỏi thường gặp về Vòng Bi SKF 6007-2RS1/C3
- 12. Liên Hệ và Hỗ Trợ Tư Vấn Vòng Bi SKF
- 13. Thông Tin Bổ Sung & Kinh nghiệm Thực Tế Từ Mecsu
1. Vòng Bi SKF 6007-2RS1/C3 Là Gì? – Giải Thích Chuyên Sâu
Vòng bi cầu rãnh sâu SKF 6007-2RS1/C3 là một loại hoạt động đặc biệt vòng bi, có độ sát và được tối ưu hóa cho độ ồn và độ thấp. Ổ bi này chịu tải kính hướng và lệch hướng cả hai hướng, dễ gắn và yêu cầu bảo trì ít hơn so với nhiều loại ổ bi khác. Mã “6007” chỉ kích thước với đường kính trong (d) 35mm, đường kính ngoài (D) 62mm chiều dày (B) 14mm.
Hậu tố “-2RS1” biểu tượng vòng bi này được trang bị hai phun cao su NBR (Cao su Nitrile Butadiene) tiếp xúc ở cả hai mặt. Cái này được gắn vào khu vực bên ngoài và tiếp xúc trực tiếp với vai của vòng trong. Thiết kế này cung cấp khả năng làm kín rất hiệu quả, ngăn chặn gần như hoàn toàn bụi thương, nước và các chất gây ô nhiễm nhiễm độc xâm nhập vào bên trong vòng bi, đồng thời giữ dầu bôi trơn tối ưu, kéo dài đáng kể tuổi thọ của vòng bi. Tuy nhiên, do có ma sát tiếp xúc, tốc độ giới hạn của loại này sẽ thấp hơn so với các loại dây thép không tiếp xúc.
Hậu tố “/C3” biểu thị vòng này có khe hở trong kính hướng lớn hơn tiêu chuẩn (CN). Khe C3 cung cấp một không gian lớn hơn giữa các cuộn và cuộn khu vực. Điều đặc biệt có lợi trong các ứng dụng có sự thay đổi nhiệt độ đáng kể, nơi giải nhiệt độ dốc hoặc gối hỗ trợ có thể làm giảm khe hở bên trong vòng bi. Khe C3 giúp duy trì hoạt động mượt mà, giảm nhiệt độ và kéo dài thời gian sử dụng trong khi chịu được mức tải cao hoặc biến đổi nhiệt độ. Sự kết hợp giữa khả năng làm kín vượt trội (2RS1) và khe hở bên trong lớn hơn (C3) làm cho SKF 6007-2RS1/C3 trở thành thành phẩm lựa chọn lý tưởng cho các ứng dụng hoạt động trong môi trường khắc nghiệt, ẩm ướt, nhiều bụi bẩn và đặc biệt là khi có sự thay đổi nhiệt độ đáng kể.
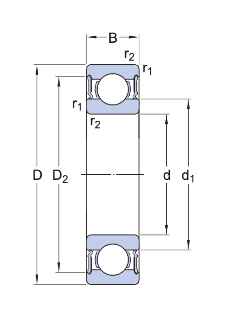
2. Thông Số Kỹ Thuật Chi Tiết Của Vòng Bi Cầu SKF 6007-2RS1/C3
d: Đường kính trong
D: Đường kính ngoài
B: Bề dày
C: Tải cơ sở dữ liệu danh sách
C0: Tải danh sách cơ sở dữ liệu tĩnh
| Thông số | Giá trị |
|---|---|
| Mã sản phẩm | 6007-2RS1/C3 |
| Loại vòng bi | Vòng Bi Cầu Rãnh Sâu (Vòng Bi Rãnh Sâu) |
| Đường kính trong (d) | 35 mm |
| Đường kính ngoài (D) | 62 mm |
| Bề dày (B) | 14 mm |
| Tải cơ sở dữ liệu quan trọng (C) | 16,8 kN |
| Tải quan trọng cơ sở dữ liệu danh sách (C0) | 10,2 kN |
| Tốc độ giới hạn | 7 000 vòng/phút |
| Lớp hiệu suất SKF | SKF Explorer |
| Rãnh tra bi | Không có |
| Số dòng | 1 |
| Phương tiện để định vị, vòng ngoài của vòng bi | Không có |
| Loại lỗ | Hình trụ |
| Vòng cách | Tấm kim loại |
| Kiểu gắn cặp | KHÔNG |
| Khe khe trong hướng kính | C3 |
| Vật liệu, vòng bi | Thép chịu lực |
| Lớp mạ | Không có |
| Phớt chắc | Niêm phong cả hai mặt |
| Loại Chắc Dầu | Liên hệ |
| Tra mỡ sẵn chưa? | mỡ |
| Phương tiện để tái bôi trơn | Không có |
| Dấu vết carbon của sản phẩm được chỉ định để sản xuất | 0,554 kg CO2e |
| Trọng lượng sản phẩm | 0,154 kg |
| Mã eClass | 23-05-08-01 |
| Mã UNSPSC | 31171504 |
3. Cấu hình Chi Tiết Vòng Bi SKF 6007-2RS1/C3
Vòng bi SKF 6007-2RS1/C3 được cấu hình từ các bộ phận chính, mỗi bộ phận đóng vai trò quan trọng trong công việc đảm bảo hiệu suất hoạt động và độ bền:
Sơ đồ cấu hình tạo Vòng Bi Cầu Rãnh Sâu SKF 6007-2RS1/C3 với phun cao su hai đầu:
- Vòng trong/ngoài: Được chế tạo từ thép chịu lực cao, cùng với khu vực Yên tĩnh, chịu tải chính.
- Bi cầu: Sản phẩm sản xuất từ thép siêu chính xác và được xử lý nhiệt đặc biệt để giảm độ cứng, tăng cường độ cứng và độ bền.
- Vòng cách: Thông thường được làm từ thép mạnh, có chức năng giữ các thành viên với nhau và hướng dẫn chuyển động của bi.
- Phớt cao su (2RS1): “2RS1” chỉ ra rằng vòng bi có hai lớp rải từ cao su NBR (Cao su Nitrile Butadiene) ở cả hai phía. Loại này được gia cố bằng thép và tiếp xúc trực tiếp với vai trò của vòng trong (làm sạch tiếp xúc). Thiết kế này mang lại khả năng làm kín vượt trội, ngăn chặn hiệu quả bụi bẩn, nước, hơi ẩm và các chất gây ô nhiễm nhiễm độc độc xâm nhập vào bên trong vòng bi. Đồng thời, nó giúp giữ mỡ bôi trơn đã được cung cấp từ nhà máy bên trong, kéo dài tuổi thọ làm việc của vòng bi. Tuy nhiên, sự căng thẳng tiếp theo sẽ làm giảm tốc độ giới hạn nên đối với các loại thép thép.
- Khe C3: Đây là khe hở hướng kính trong lớn hơn tiêu chuẩn (CN). Khen ngợi lớn hơn điều này giúp bù đắp cho sự giãn nở nhiệt của các bộ phận vòng bi và sai lầm trong quá trình hoạt động, đặc biệt ở nhiệt độ cao hoặc khi có chênh lệch nhiệt độ đáng kể giữa vòng trong và vòng ngoài. Nó đảm bảo vòng bi không bị kẹt, giảm nhiệt độ và kéo dài tuổi thọ trong điều kiện khắc nghiệt.
4. Phân Tích Chuyên Sâu: Phớt Cao Su 2RS1 và Khe Hở C3 của SKF 6007-2RS1/C3
Vòng bi SKF 6007-2RS1/C3 kết hợp hai tính năng quan trọng là sản phẩm cao su 2RS1 và khe bên trong C3, tạo ra một sản phẩm chuyên dụng cho các điều kiện điều hành khắc nghiệt, đặc biệt là trong môi trường ẩm ướt, nhiều bụi bẩn và có sự thay đổi nhiệt độ.
Ký hiệu “2RS1” – Hải nạp cao su tiếp xúc:
- Chức năng chính: Cung cấp khả năng làm kín nổi, bảo vệ vòng bi khỏi mọi loại chất gây ô nhiễm nhiễm trùng (bụi nêm, nước dưỡng ẩm) và dưỡng dầu bôi trơn trong tối ưu.
- Đặc điểm nổi bật: Là loại đá tiếp xúc, được làm từ cao su NBR và có cốt thép gia cường. Phớt này tiếp xúc trực tiếp với chuyên ngành trong vòng bi.
- Ưu điểm vượt trội:
- Làm kín tuyệt vời: ngăn chặn hiệu quả gần như 100% các chất gây ô nhiễm nhiễm độc xâm nhập vào bên trong vòng bi, ngay cả trong môi trường rất ẩm, ẩm ướt hoặc có nhiều chất độc.
- Giữ mỡ tối ưu: Giúp dưỡng mỡ bôi trơn được cung cấp từ nhà máy trong vòng bi một cách hiệu quả, kéo dài tuổi thọ mỡ và giảm thiểu nhu cầu tái bôi trơn thơm.
- Tuổi thọ cao trong môi trường khắc nghiệt: Cung cấp khả năng làm kín vượt trội, vòng bi có thể hoạt động bền bỉ trong môi trường điều kiện mà vòng bi hoặc có thép thép khó đáp ứng.
- Hạn chế:
- Tốc độ giới hạn thấp hơn: Do có ma sát tiếp xúc, áp cao su sẽ tạo ra nhiệt và giới hạn tốc độ quay của vòng bi (7.000 vòng/phút), thấp hơn đáng kể so với các loại sản phẩm thép hoặc không thoáng khí.
- Sinh nhiệt: Ma sát từ máy phun có thể làm tăng nhiệt độ hoạt động của vòng bi một chút.
- Chức năng chính: Cung cấp một khoảng trống lớn hơn giữa các bi và khu vực cuộn khi bi ở trạng thái không tải. Điều này giúp vòng bi hoạt động hiệu quả trong điều kiện nhiệt độ cao hoặc có sự giãn nở nhiệt đáng kể của các bộ phận liên quan.
- Đặc điểm nổi bật: Khe hở “C3” lớn hơn khe hở “CN” (tiêu chuẩn) và nhỏ hơn “C4”.
- Ưu điểm vượt trội:
- Bù đắp hoàng tôn: Cho phép giảm bớt và hỗ trợ giãn nở khi nhiệt độ tăng lên mà không làm vòng bi bị kiềm chế hoặc tạo ra phản ứng quá trình. Điều đặc biệt quan trọng trong các ứng dụng có khả năng thay đổi nhiệt độ lớn hoặc khi vòng bi tạo ra nhiệt độ đáng kể (ví dụ: do ma sát ngay).
- Giảm sinh nhiệt: Khi có giãn nở nhiệt, khe C3 giúp duy trì sự bố trí tải đồng đều và giảm ma sát, từ đó giảm sinh nhiệt trong quá trình hoạt động.
- Tăng tuổi thọ: Giảm tình trạng giảm dần gây ra ứng dụng và mòn sớm, kéo dài tuổi thọ bi.
- Khả năng đảm bảo tốc độ giảm: Khe lớn hơn cũng có thể mang lại lợi ích nhỏ trong việc hấp thụ tốc độ.
- Hạn chế:
- Độ chính xác xác định thấp hơn: Trong các ứng dụng yêu cầu độ chính xác xác định vị trí cực cao ở nhiệt độ ổn định, giới hạn lớn hơn có thể là một nhược điểm nhỏ.
Sự kết hợp của 2RS1 và C3 làm cho SKF 6007-2RS1/C3 trở thành lựa chọn lý tưởng cho các ứng dụng trong môi trường khắc nghiệt, ẩm ẩm, nhiều bụi bụi và đặc biệt là khi có sự biến đổi nhiệt độ, dù phải chấp nhận tốc độ giới hạn thấp hơn nên các loại không có cảm xúc tiếp theo.
5. Ưu và nhược điểm của Vòng Bi SKF 6007-2RS1/C3
Vòng bi SKF 6007-2RS1/C3 được thiết kế để hoạt động hiệu quả trong điều kiện môi trường khắc nghiệt và biến đổi nhiệt độ, với khả năng làm kín và bền bỉ. Câu hỏi về mức độ ưu tiên của lựa chọn phải hiểu mức độ ưu tiên của nó.
Ưu điểm nổi bật:
- Khả năng làm kín vượt trội: Giảm cao su 2RS1 tiếp xúc trực tiếp với vòng trong, cung cấp khả năng làm kín gần như hoàn hảo. Nó ngăn chặn phản ứng bụi, nước, hơi ẩm, hóa chất nhẹ và các chất gây ô nhiễm khác xâm nhập vào vòng bi. Điều này làm cho nó lý tưởng cho các ứng dụng trong môi trường Thương mại, ẩm ướt hoặc có chất lỏng.
- Giữ mỡ tối ưu và kéo dài tuổi thọ mỡ: Phớt kín giúp giữ mỡ bôi trơn đã được cung cấp từ nhà máy trong vòng bi một cách cực kỳ hiệu quả, giảm thiểu rò rỉ và kéo dài thơm kể tuổi mỡ, từ đó giảm nhu cầu bảo trì và tồn tại dư thừa.
- Hoạt động ổn định trong điều kiện nhiệt độ cao/biến động: Khe dừng C3 là một lợi thế lớn, giúp bồi đắp cho sự giãn nở nhiệt của các bộ phận, giải phóng tình trạng kiềm vòng bi, giảm sinh nhiệt và duy trì hoạt động mượt mà, kéo dài tuổi thọ ngay cả khi nhiệt độ hoạt động cao hoặc thay đổi xung đột.
- Bỉm bền và đáng tin cậy: Cung cấp khả năng bảo vệ an toàn và khe tối ưu, vòng bi có tuổi thọ cao ngay cả trong những điều kiện vận hành khó khăn.
- Chịu tải đa hướng: Có khả năng chịu đựng tốt cả tải trọng tâm (tải hướng tâm) và hướng trục xuống (tải trọng trục) theo cả hai chiều.
- SKF Explorer Performance: Là một thành phần của dòng SKF Explorer, vòng này được tối ưu hóa để mang lại hiệu suất và độ tin cậy cao.
Nhược điểm cần lưu ý:
- Tốc độ giới hạn thấp hơn: Do áp lực cao su tiếp xúc tạo ra ma sát, tốc độ giới hạn của vòng bi 6007-2RS1/C3 chỉ là 7.000 vòng/phút, thấp hơn đáng kể so với loại có dây thép (2Z) hoặc không có nứt. Điều này cần được xem xét kỹ năng trong các ứng dụng tốc độ cực cao.
- Sinh nhiệt: Ma sát từ phun cao su có thể làm tăng nhiệt độ hoạt động của vòng bi một chút. Tuy nhiên, khe hở C3 giúp giảm thiểu hoạt động này.
- Giá thành có thể cao hơn: Vì vậy, với vòng bi không có xi măng hoặc chỉ có sản phẩm thép, giá thành có thể cao hơn tính năng làm kín tràn và khe đặc biệt.
6. Ứng dụng Thực Tế của Vòng Bi SKF 6007-2RS1/C3
Với kích thước (35x62x14mm), khả năng làm kín bằng keo cao su 2RS1 và khe hở C3 giúp hoạt động ổn định trong điều kiện nhiệt độ biến đổi, vòng bi SKF 6007-2RS1/C3 là lựa chọn lý tưởng cho các ứng dụng công nghiệp và dân dụng đòi hỏi sự bảo vệ tối đa môi trường khắc phục. Đây là loại phổ biến tại các khu công nghiệp ở TP. Hồ Chí Minh và khu vực lân cận:
- Máy bơm công nghiệp: Trong các hệ thống bơm nước, hóa chất, nơi thường xuyên đi lại căng thẳng với môi trường ẩm thực hoặc có khả năng được bắn nước, Bụi Thương.
- Hộp số trong môi trường khắc nghiệt: Trong số hộp của máy móc nông nghiệp, máy xây dựng, xe công trình, nơi có nhiều bụi bẩn, bùn đất và độ ẩm cao.
- Thiết bị chế độ biến thực phẩm và đồ họa: Trong các máy móc cần bảo vệ sinh hoạt thường xuyên bằng nước, nơi yêu cầu khả năng chống nước và chất độc xâm nhập.
- Quạt công nghiệp và hệ thống thông gió: Trong các quạt hoạt động trong môi trường ẩm hoặc có nhiều hạt bụi.
- Xe máy, ô tô: Trong các bộ phận như bánh xe, hệ thống truyền động, nơi yêu cầu khả năng chống nước, bụi và bùn đất tốt.
- Máy rửa và thiết bị gia dụng khác: Trong các bộ phận cần chống nước và hoạt động bền bỉ trong môi trường gia đình.
- Máy móc nông nghiệp: Máy cày, máy cày, máy xới đất, nơi hoạt động trong điều kiện đất đai, bùn và nước.
7. Hướng dẫn cài đặt và gỡ bỏ SKF 6007-2RS1/C3
Để đảm bảo tuổi thọ và hiệu suất tối ưu cho vòng bi SKF 6007-2RS1/C3, việc lắp đặt và tháo dỡ là cách vô cùng quan trọng. luôn luôn thủ các nguyên tắc an toàn và kỹ thuật của các nhà sản xuất. Mecsu cung cấp hướng dẫn chi tiết dựa trên kinh nghiệm thực tế:
- Chuẩn bị: Đảm bảo môi trường làm việc sạch sẽ, khô ráo. Chuẩn bị đầy đủ các công cụ chuyên dụng như cảo, búa mềm, thiết bị gia nhiệt cảm ứng (nếu cần). Luôn đeo dây bảo vệ và kính bảo hộ để đảm bảo an toàn. Kiểm tra khí cụ và gối phải sạch sẽ, không có lỗ hổng và bảo đảm sai dung dịch. Lưu ý quan trọng: Không tháo vòng bi cao su 2RS1 vì bi vòng đã có sẵn chất béo và việc vứt bỏ có thể gây hư hỏng hoặc ảnh hưởng đến khả năng làm kín và tuổi thọ của vòng bi.
- Lắp đặt:
- Phương pháp nhiệt (phổ biến nhất cho vòng bi lớn hoặc lắp đặt chính xác): Gia nhiệt vòng bi bằng thiết bị gia nhiệt chuyên dụng (ví dụ: máy gia nhiệt cảm ứng SKF) đến nhiệt độ khoảng 80-100°C. Điều này giúp vòng nở ra, dễ trượt vào trục mà không cần dùng lực quá lớn. Luôn hoạt động đều đặn và tập trung lên vòng khi gắn vào xẹp xuống.
- Phương pháp cơ khí (dùng cho kích thước nhỏ hơn hoặc khi không thể gia nhiệt): Sử dụng ống lót chuyên dụng và rèn mềm, lực lực đều lên vòng khi lắp vào trục. Tuyệt đối tránh hoạt động trực tiếp lên phun cao su hoặc các thành viên vì có thể gây nguy hiểm cho nguy hiểm cho hoặc vòng bi.
- Lưu ý: Đảm bảo vòng bi được gắn thẳng, không bị lệch hoặc kẹt. Với khe hở C3, việc lắp đặt trên trục khuỷu có độ vừa khít sẽ dễ dàng hơn, và vòng bi sẽ không có gian để giãn nở khi hoạt động, đặc biệt quan trọng khi phun cao su tạo ra nhiệt độ.
- Gỡ bỏ:
- Sử dụng cả dụng cụ chuyên dụng (cảo cơ hoặc cả thủy lực) để xoay vòng một cách an toàn và không gây ra tình trạng gãy xương cho hoặc hỗ trợ gối. Tác dụng lực đều và đúng ở vòng trong (khi rút xẹp) hoặc vòng ngoài (khi rút gối).
- Tránh dùng đập trực tiếp lên các sinh vật học hoặc các bộ phận khác có thể gây ra các biến dạng, hư hỏng. Việc này không chỉ làm hỏng vòng bi mà còn tiềm ẩn nguy hiểm.
- Người bảo vệ: Nếu không sử dụng ngay, hãy giữ vòng bi trong bao bì gốc của nhà sản xuất, ở nơi khô ráo, thoáng mát, tránh ánh nắng trực tiếp và các chất hóa học ăn mòn để ngăn chặn sét và bụi nguy hiểm xâm nhập.
8. So Sánh Vòng Bi 6007-2RS1/C3 with Các Loại 6007 Khác
Hiểu rõ sự khác biệt giữa các loại vòng bi 6007 SKF sẽ giúp bạn lựa chọn sản phẩm phù hợp nhất cho ứng dụng của mình, tối ưu hóa hiệu suất và chi phí đầu tư:
| Tiêu chí | SKF 6007-2RS1/C3 (2 Phớt cao su, C3) | SKF 6007 (Không màu, CN) | SKF 6007-2Z (2 Thép, CN) | SKF 6007-2RS1 (2 Phớt cao su, CN) |
|---|---|---|---|---|
| Kích thước (dx D x B) | 35 x 62 x 14 mm | 35 x 62 x 14 mm | 35 x 62 x 14 mm | 35 x 62 x 14 mm |
| Tải cơ sở dữ liệu (C) | 16,8 kN | 16,8 kN | 16,8 kN | 16,8 kN |
| Tải cơ sở dữ liệu quan trọng (C0) | 10,2 kN | 10,2 kN | 10,2 kN | 10,2 kN |
| Tốc độ giới hạn (Giới hạn tốc độ) | 7 000 vòng/phút | 14 000 vòng/phút | 14 000 vòng/phút | 7 000 vòng/phút |
| Vòng cách | Tấm kim loại | Tấm kim loại | Tấm kim loại | Tấm kim loại |
| Phớt chắc | Niêm phong cả hai mặt (2RS1) | Không có | Khiên ở cả hai bên (2Z) | Niêm phong cả hai mặt (2RS1) |
| Loại Chắc Dầu | Liên hệ | Mở | Không tiếp xúc | Liên hệ |
| Tra mỡ sẵn | Mỡ (Có) | Không | Mỡ (Có) | Mỡ (Có) |
| Khe khe hướng kính | C3 (Lớn hơn tiêu chuẩn) | CN (Tiêu chuẩn) | CN (Tiêu chuẩn) | CN (Tiêu chuẩn) |
| Khả năng làm kín | Rất tốt (chống bụi, nước, giữ mỡ tuyệt đối) | Kem (không dây, dễ nhiễm trùng) | Tốt (chắn bụi lớn, giữ mỡ, ma sát) | Rất tốt (chống bụi, nước, giữ mỡ tuyệt đối) |
| Khả năng chống ẩm/lỏng | Rất tốt | Kem | Trung bình | Rất tốt |
| Nhu cầu bảo trì | Rất thấp (bôi trơn từ nhà) | Cao (cần bôi trơn bất kỳ) | Rất thấp (bôi trơn từ nhà) | Rất thấp (bôi trơn từ nhà) |
| Ưu điểm nổi bật | Làm cho tuyệt vời, bảo vệ môi trường giải quyết, tuổi thọ mỡ dài, khe hở C3 bù thư giãn nhiệt tốt. | Tốc độ rất cao, ma sát cực thấp, linh hoạt trong công việc bôi trơn (cần hệ thống bôi trơn bên ngoài). | Tốc độ cao, ma sát thấp, hoạt động cô ái, ít bảo trì, chống bụi tốt. | Làm cho tuyệt vời, bảo vệ môi trường khắc nghiệt, tuổi thọ mỡ dài. |
| Ứng dụng điển hình | Máy cày, máy nông nghiệp, máy xây dựng, thiết bị chế độ thực phẩm (môi trường ẩm ướt, bụi bẩn, nhiệt độ biến động). | Hộp số kín, xâu tốc độ rất cao trong môi trường sạch sẽ, hệ thống có bôi trơn trung tâm. | Động cơ điện, quạt công nghiệp, hộp số (môi trường tiêu chuẩn, khô ráo, có bụi lớn). | Máy bơm, máy nông nghiệp, máy xây dựng, thiết bị chế độ thực phẩm (môi trường ẩm ướt, nhiều bụi bẩn). |
9. Cách Phân Biệt Vòng Bi SKF 6007-2RS1/C3 Thật – Giả – Lời Khuyên Từ Chuyên Gia Mecsu
Thị trường hiện nay có rất nhiều hàng giả, hàng giả chất lượng, đặc biệt là với các sản phẩm vòng bi SKF chính hãng được ưa chuộng. Để đảm bảo bạn mua được vòng bi SKF 6007-2RS1/C3 chính hãng tại TP.HCM, Mecsu khuyến nghị kiểm tra các dấu hiệu sau:
a. Hãng dấu hiệu vòng bi 6007-2RS1/C3 :
- Bao bì chất lượng cao: Sắc nét, màu xanh đặc trưng của SKF, sản phẩm thông tin rõ ràng, đầy đủ mã vạch/QR code và thông tin xuất xứ. Bạn sẽ tìm thấy công nghệ trong từng chi tiết.
- In ấn trên vòng bi sắc nét: Logo SKF, sản phẩm mã hóa hóa (6007-2RS1/C3) và các sản phẩm quốc gia sản xuất được in hoặc khắc laser sắc nét, rõ ràng, không lem, không sai phông chữ, rất khó bị tẩy xóa.
- Mã QR/Bar code xác thực: Có thể quét bằng ứng dụng “SKF Authenticate” trên điện thoại di động thông minh để xác thực nguồn gốc và tính chính hãng của sản phẩm. Đây là công cụ hữu ích nhất của SKF để chống hàng giả.
- Loại bỏ cao su chất lượng: Loại bỏ cao su NBR được gắn chắc chắn, đồng đều, không có dấu bong tróc, vết nứt hoặc biến dạng. Bề mặt còn nguyên, màu sắc đồng nhất.
- Cảm giác vận hành mượt mà: Khi quay vòng bi bằng tay, bạn sẽ cảm nhận được tốc độ trơn tru nhất (dù có ma sát từ sợi tiếp theo), không có tiếng kêu lạ, không bị kẹt bất ngờ.
- Chứng từ đầy đủ: Nhà cung cấp uy tín sẽ cung cấp đầy đủ “CO” (chứng nhận xuất xứ) và “CQ” (chứng nhận chất lượng) từ nhà sản xuất, đảm bảo nguồn gốc và chất lượng sản phẩm.
b. Dấu hiệu của vòng bi SKF 6007-2RS1/C3 hàng giả/nhái:
- In ấn mờ nhạt, sai chính tả, phông chữ lạ, thiếu thông tin hoặc không chính xác trên cả bao bì và vòng bi.
- Bao bì thô, màu trôi chuẩn SKF, thiếu thông tin quan trọng hoặc có dấu hiệu làm lại.
- Phớt cao su hoàn thiện, dễ bung, có vết nứt, biến dạng, vật liệu thô, màu sắc đều không.
- Không có mã QR hoặc mã hóa không quét được hoặc quét ra thông tin không khớp với sản phẩm chính hãng.
- Khi quay tay có tiếng kêu lạo xạo, cảm giác giác, nặng hoặc quá trình (rơ) bất thường, làm gia công giá trị chính xác và vật liệu không đạt tiêu chuẩn.
- Giá bán rẻ bất ngờ so với thị trường của các sản phẩm chính hãng – đây là dấu hiệu cảnh báo lớn nhất.

10. Giá Bán & Moni Ý Mua Vòng Bi SKF 6007-2RS1/C3 Chính Hãng Tại TP.HCM
a. Giá vòng bi SKF SKF 6007-2RS1/C3(TP.Hồ Chí Minh) tại Mecsu: Giá: 198.050 đ/ Cái (đã có VAT) – Giá hợp lý, phù hợp với chất lượng sản phẩm chính hãng
Liên hệ để nhận báo giá tốt nhất (giá có thể thay đổi tùy thời điểm và số lượng) – Giá hợp lý, phù hợp với chất lượng sản phẩm chính hãng SKF tại thị trường vòng bi TP.HCM.
b. Gợi ý mua vòng bi chính hãng SKF uy tín
- Chọn nhà cung cấp uy tín tại TP.HCM: Ưu tiên đối tác có bằng chứng nhận từ SKF hoặc đơn vị lâu năm, được nhiều khách hàng tin tưởng và có danh tiếng trên thị trường cung cấp linh kiện cơ khí tại TP.HCM.
- Kiểm tra chứng từ đầy đủ: Luôn yêu cầu đầy đủ “CO” (chứng nhận xuất xứ) và “CQ” (chứng nhận chất lượng) để đảm bảo nguồn gốc và chất lượng của sản phẩm. Điều này giúp bạn tránh mua phải “vòng bi SKF giả” trên thị trường.
- 100% sản phẩm chính hãng: Đảm bảo nguồn gốc rõ ràng, đầy đủ chứng từ. Chúng tôi cam kết hoàn tiền 100% hoặc đổi trả nếu sản phẩm không thuộc loại công thức chính.
- Chính sách bảo hành minh bạch: Hỗ trợ đổi trả nếu nhà sản xuất gặp lỗi, mang lại sự an tâm tuyệt đối cho khách hàng.
- Hỗ trợ kỹ thuật chuyên sâu: Đội ngũ kỹ sư giàu kinh nghiệm sẵn sàng hỗ trợ bạn về kỹ thuật và lựa chọn sản phẩm phù hợp nhất cho mọi ứng dụng.
- Giá cả cạnh tranh: Đảm bảo giá tốt nhất đi kèm chất lượng, với chính sách chiết khấu hấp dẫn cho đơn hàng số lượng lớn, đặc biệt khi “mua vòng bi SKF số lượng lớn”.
MUA THÊM NHIỀU LOẠI VÒNG BI CHÍNH HÃNG KHÁC TẠI MECSU
11. Câu hỏi thường gặp về Vòng Bi SKF 6007-2RS1/C3
a. Vòng bi SKF 6007-2RS1/C3 có cần bảo dưỡng, tra mỡ không?
Vòng bi SKF 6007-2RS1/C3 được tra mỡ sẵn từ nhà máy và có lông ro cao su (2RS1) giúp giữ mỡ bên trong cực kỳ hiệu quả. Trong hầu hết các ứng dụng thông thường, vòng bi này được xem là “bảo trì trọn đời” và không cần tái bôi trơn. Điều này giúp tiết kiệm thời gian và chi phí bảo trì đáng kể, đặc biệt trong các ứng dụng trong môi trường giải quyết.
b. Chữ “2RS1/C3” trong mã SKF 6007-2RS1/C3 có ý nghĩa gì?
“2RS1” chỉ vòng bi có hai mươi cao su NBR căng thẳng ở cả hai phía, cung cấp khả năng làm kín bụi, nước và giữ mỡ. “/C3” biểu tượng hướng kính hiển thị trong vòng lớn hơn tiêu chuẩn (CN). Khe C3 giúp vòng bi hoạt động ổn định hơn trong điều kiện nhiệt độ cao hoặc có sự giãn nở nhiệt đáng kể của các bộ phận liên quan.
c. Vòng bi SKF 6007-2RS1/C3 có hoạt động tốt trong môi trường Bụi và nước không?
CÓ. Phớt cao su 2RS1 được thiết kế để làm kín tiếp xúc, mang lại khả năng bảo vệ tuyệt vời chống bụi bụi, nước, hơi ẩm và các chất gây ô nhiễm nhiễm độc khác. Đây là loại vòng bi lý tưởng cho các ứng dụng trong môi trường thương mại, ẩm ướt hoặc có nguy cơ tiếp xúc với chất kiệt. Đồng thời, khe C3 giúp nó hoạt động ổn định ngay cả khi có nhiệt độ biến đổi trong môi trường đó.
d. Làm sao biết vòng bi 6007-2RS1/C3 của tôi là hãng SKF chính hãng?
Kiểm tra bao bì (logo, mã QR rõ ràng), vòng bi có khắc lazer sắc nét, phun cao su nguyên vẹn và chắc chắn. Điều quan trọng nhất, hãy sử dụng ứng dụng SKF Authenticate để quét mã và kiểm tra trực tiếp từ SKF. Đây là cách chắc chắn nhất để phân biệt vòng bi SKF thật sự.
đ. Khi nào cần thay thế vòng bi 6007-2RS1/C3?
Bạn nên thay thế vòng bi khi nhận được các dấu hiệu sau:
- Tiếng ồn bất thường: Tiếng kêu lạo xạo, rít, hoặc kêu khi vòng bi quay, báo hiệu bi hoặc khu vực mòn.
- Tăng nhiệt độ: Vòng bi tăng nóng bất thường trong quá trình hoạt động, có thể tăng mỡ hoặc tải quá trình năng lượng (dù có khe C3, nhiệt độ vẫn có thể tăng nếu có vấn đề).
- Độ cao lớn: Thiết bị hoạt động có tốc độ tăng lên đáng kể, ảnh hưởng đến hiệu suất và có thể gây nguy hiểm cho các bộ phận khác.
- Biến dạng vật lý: Cắt cao su bị nứt, rách, biến dạng hoặc có dấu hiệu rỉ sét.
- Vòng bi bị khóa hoặc không được xóa.
Kinh nghiệm từ các kỹ sư Mecsu: Việc kiểm tra định kỳ bằng cách lắng nghe tiếng ồn hoặc cảm nhận mức độ rung có thể giúp phát hiện sớm các dấu hiệu cần thay thế, tránh nguy hại gây hại nghiêm trọng hơn cho toàn bộ hệ thống. Đừng ngần ngại liên hệ với chúng tôi để được hỗ trợ kỹ thuật về bảo trì vòng bi hoặc thay thế vòng bi.
f. Mua vòng bi SKF 6007-2RS1/C3 chính hãng, uy tín ở đâu tại TP.HCM?
Mua vòng bi SKF 6007-2RS1/C3 chính hãng và đảm bảo chất lượng tại TP.HCM, bạn hãy liên hệ ngay với Mecsu.
- Cam kết chất lượng: 100% sản phẩm có nguồn gốc rõ ràng, đầy đủ chứng từ CO, CQ. Chúng tôi cam kết hoàn tiền 100% hoặc đổi trả nếu sản phẩm không phải của công ty chính thức.
- Giá cả cạnh tranh: Đảm bảo giá tốt nhất đi kèm chất lượng, với chính sách chiết khấu hấp dẫn cho đơn hàng số lượng lớn, đặc biệt khi “mua vòng bi SKF số lượng lớn”.
- Tư vấn chuyên sâu: Đội ngũ kỹ sư giàu kinh nghiệm sẵn sàng hỗ trợ bạn về kỹ thuật và lựa chọn sản phẩm phù hợp nhất.
- Chính sách hậu mãi: Đảm bảo quyền lợi tối đa cho khách hàng với dịch vụ hỗ trợ nhanh chóng, tận tâm.
MUA THÊM NHIỀU LOẠI VÒNG BI CHÍNH HÃNG KHÁC TAI MECSU
12. Liên Hệ và Hỗ Trợ Tư Vấn Vòng Bi SKF
Nếu bạn có bất kỳ thắc mắc nào về vòng bi SKF 6007-2RS1/C3 hoặc cần tư vấn về giải pháp vòng bi cho ứng dụng cụ thể của mình, đừng ngần ngại liên hệ với đội ngũ chuyên gia của Mecsu. Chúng tôi luôn sẵn sàng hỗ trợ bạn tìm ra sản phẩm phù hợp và tối ưu nhất, đồng thời cung cấp những kiến thức về kỹ thuật bảo trì vòng bi mà bạn khó tìm thấy ở những nơi khác.
Địa chỉ: B28/I – B29/I Đường số 2B, KCN Vĩnh Lộc, P. Bình Hưng Hòa B, Q. Bình Tân, TP.HCM
Đường dây nóng: 1800 8137
Email: [email protected]
Trang web: mecsu.vn
13. Thông Tin Bổ sung & Kinh nghiệm Thực Tế Từ Mecsu
a. Kinh nghiệm Thực Tế & Câu Chuyện Thành Công
Tại Mecsu, chúng tôi tự hào là đối tác đáng tin cậy của nhiều doanh nghiệp trong việc cung cấp các giải pháp chất lượng cao vòng vòng. “Vòng bi SKF 6007-2RS1/C3”, với khả năng làm kín vượt trội và khả năng hoạt động ổn định trong điều kiện nhiệt độ biến động, được ứng dụng trong nhiều dự án quan trọng của khách hàng chúng tôi đã tại “TP. Hồ Chí Minh” và các đèn lân cận, mang lại hiệu quả vượt trội và là chứng minh chất lượng sản phẩm cùng kinh nghiệm thực tế của Đội ngũ Mecsu:
- Ngành nông nghiệp và xây dựng: Chúng tôi đã cung cấp “SKF 6007-2RS1/C3” cho các loại máy móc hoạt động trong môi trường đầy bụi bẩn, đất bùn và độ ẩm cao như máy cày, máy thư giãn, máy xúc. Phớt cao su 2RS1 đã giúp bảo vệ vòng bi khỏi các tác nhân gây hại, kéo dài tuổi thọ thiết bị.
- Ngành chế biến thực phẩm và đồ đồ: Trong các dây chuyền sản xuất cần vệ sinh thường xuyên sử dụng nước, vòng bi này đã chứng tỏ khả năng chống nước và giữ sản phẩm mỡ hiệu, đảm bảo an toàn vệ sinh thực phẩm và giảm thiểu thời gian sử dụng máy.
- Lĩnh vực sản xuất và quạt công nghiệp: Trong các hệ thống tiền nước, hóa chất hoặc quạt hoạt động trong môi trường ẩm ướt, vòng bi này đã giúp duy trì hoạt động liên tục và ổn định, ngay cả khi có nhiệt độ biến đổi.
c. Trích Dẫn Chuyên Gia
“SKF 6007-2RS1/C3” là một lựa chọn tối ưu cho những môi trường khắc nghiệt, nơi vòng bi phải đối mặt với Bụi chăm sóc, nước và nhiệt độ biến động. Phớt cao su 2RS1 cung cấp khả năng bảo vệ gần như tuyệt đối, trong khi C3 bảo vệ vòng hoạt động an toàn và bền bỉ. Đây là giải pháp hiệu suất và thời gian dành cho hệ thống máy móc trong điều kiện khó khăn tại TP.HCM.”
— “Kỹ sư cơ khí Chuyên gia kỹ thuật Mecsu” (TP. Hồ Chí Minh) – Với hơn 10 năm kinh nghiệm trong lĩnh vực “bạc đạn công nghiệp”.
c. Tài Liệu Tham Khảo và Nghiên Cứu
Nội dung bài viết này được biên soạn dựa trên các tài liệu kỹ thuật chính quy và đáng tin cậy của SKF , cùng với kinh nghiệm thực tế chuyên sâu của đội ngũ kỹ sư Mecsu, đảm bảo tính chính xác, cập nhật và chuyên môn môn môn cao:
- Danh mục sản phẩm SKF (Danh mục sản phẩm SKF chính thức) – Nguồn dữ liệu kỹ thuật chi tiết nhất về “vòng bi SKF”.
- Tài liệu kỹ thuật SKF Explorer – Vòng bi ngành sâu (Thông tin chuyên sâu về “vòng bi cầu sâu SKF Explorer”) – Cung cấp cái nhìn toàn diện về thế hệ vòng bi bền bỉ này.
- Bảng dữ liệu kỹ thuật (Datasheet) chi tiết của SKF 6007-2RS1/C3 – Nguồn thông số kỹ thuật chính xác.
- Trải nghiệm thực tế và phản hồi từ các dự án khách hàng của Mecsu – “Dữ liệu độc nhất” được thu thập từ hơn 10 năm cung cấp “linh kiện cơ khí” và “giải pháp vòng bi” cho doanh nghiệp tại Việt Nam.
Biên soạn bởi: Đội ngũ kỹ sư Mecsu
Với hơn 10 năm kinh nghiệm chuyên sâu trong lĩnh vực và tư vấn giải pháp vòng bi, đội ngũ kỹ sư của Mecsu cam kết mang đến những thông tin chính xác, cập nhật và hữu ích nhất, giúp quý khách hàng đưa ra loại sản phẩm tối ưu cho mọi ứng dụng.
(Xem thêm thông tin về chúng tôi tại Website Mecsu )
Lưu ý: Hình ảnh sản phẩm có thể khác biệt so với sản phẩm thực tế của SKF. Vui lòng tham khảo thông số kỹ thuật chi tiết hoặc liên hệ Mecsu để có thông tin chính xác nhất về sản phẩm.



















Đánh giá
Chưa có đánh giá nào.