Mô tả sản phẩm
Thông tin CHUYÊN SÂU về Vòng Bi Cầu Rãnh Sâu SKF 6007-RS1 (35x62x14) Phớt Cao Su NBR Tiếp xúc (Một Bên)
Mục Lục
- 1. Vòng Bi SKF 6007-RS1 Là Gì? – Giải Thích Chuyên Sâu
- 2. Thông Số Kỹ Thuật Chi Tiết Của Vòng Bi Cầu SKF 6007-RS1
- 3. Cấu hình Chi Tiết Vòng Bi SKF 6007-RS1
- 4. Phân Tích Chuyên Sâu: Ký Hiệu RS1 của SKF 6007-RS1
- 5. Ưu và nhược điểm của Vòng Bi SKF 6007-RS1
- 6. Ứng dụng Thực Tế của Vòng Bi SKF 6007-RS1
- 7. Hướng dẫn cài đặt và gỡ bỏ SKF 6007-RS1
- 8. So Sánh Vòng Bi 6007-RS1 với Các Loại 6007 Khác
- 9. Cách Phân Biệt Vòng Bi SKF 6007-RS1 Thật – Giả – Lời Khuyên Từ Chuyên Gia Mecsu
- .Dấu hiệu của vòng bi SKF 6007-RS1 hàng chính hãng
- Dấu hiệu của vòng bi SKF 6007-RS1 hàng giả/nhái
- 10. Giá Bán & Mô-ni Ý Mua Vòng Bi SKF 6007-RS1 Chính Hãng Tại TP.HCM
- 11. Câu hỏi thường gặp về Vòng Bi SKF 6007-RS1
- 12. Liên Hệ và Hỗ Trợ Tư Vấn Vòng Bi SKF
- 13. Thông Tin Bổ Sung & Kinh nghiệm Thực Tế Từ Mecsu
1. Vòng Bi SKF 6007-RS1 Là Gì? – Giải Thích Chuyên Sâu
Vòng bi cầu rãnh sâu SKF 6007-RS1 là một loại vòng bi được thiết kế đặc biệt với khả năng thực hiện hiệu quả kín từ một phía, khi ở phía sau còn lại để hạn chế. Mã “6007” chỉ định kích thước cơ sở cho đường kính trong (d) 35mm, đường kính ngoài (D) 62mm và chiều dày (B) 14mm.
Điểm khác biệt chính của sản phẩm này nằm ở hậu tố:
- “RS1”: Cho biết vòng bi được trang bị một máy phun cao su Nitrile Butadiene Rubber (NBR) ở một bên. Phương pháp giảm thiểu này được thiết kế để tiếp tục căng thẳng với vai trong vòng, tạo ra một hàng rào chắn khí, ngăn chặn tác hại xâm nhập của bụi bụi, nước, hơi ẩm và các loại gây ô nhiễm từ phía trước chất bảo vệ. Đồng thời, giúp giữ lại chất béo bôi trơn chất lượng cao bên trong, kéo dài tuổi thọ của vòng bi. Phần còn lại của vòng bi không có lỗi, cho phép dễ dàng bôi trơn từ bên ngoài không thoáng hoặc sử dụng trong hệ thống bôi trơn bên ngoài. Lưu ý rằng thông tin cơ bản cho sản phẩm này có “Chất bôi trơn: Không”, điều này ngụ ý rằng vòng bi được cung cấp không có sẵn chất béo và cần được bôi trơn trong quá trình lắp đặt. Điều này khác biệt so với các biến thể 2RS1 hay 2Z thường được tra mỡ sẵn.
SKF 6007-RS1 là lựa chọn linh hoạt cho các ứng dụng nơi cần có khả năng bảo vệ ô nhiễm từ một phía, đồng thời cho phép truy cập để tái sinh bôi trơn hoặc kết nối với hệ thống bôi trơn tập trung từ phía còn lại. Loại này đặc biệt hữu ích khi vòng bi được lắp đặt ở vị trí tiếp giáp với môi trường Giảm đau và phương tiện tiện ích lại cần được bôi trơn liên tục hoặc thường xuyên.
2. Thông Số Kỹ Thuật Chi Tiết Của Vòng Bi Cầu SKF 6007-RS1
d: Đường kính trong
D: Đường kính ngoài
B: Bề dày
C: Tải cơ sở dữ liệu danh sách
C0: Tải danh sách cơ sở dữ liệu tĩnh
Pu: Giới hạn tải mệt mỏi
| Thông số | Giá trị |
|---|---|
| Mã sản phẩm | 6007-RS1 |
| Loại vòng bi | Vòng Bi Cầu Rãnh Sâu (Vòng Bi Rãnh Sâu) |
| Đường kính trong (d) | 35 mm |
| Đường kính ngoài (D) | 62 mm |
| Bề dày (B) | 14 mm |
| Tải cơ sở dữ liệu quan trọng (C) | 16,8 kN |
| Tải quan trọng cơ sở dữ liệu danh sách (C0) | 10,2 kN |
| Tốc độ tham chiếu | Không có (vì có xúc tiếp) |
| Tốc độ giới hạn | 7 000 vòng/phút |
| Vòng cách | Thép tấm (Sheet metal) |
| Reớt cao su NBR one side (RS1) | Reớt cao su NBR one side (RS1) |
| Loại Chắc Dầu | Tiếp xúc (Contact) |
| Khe khe trong hướng kính | CN (Tiêu chuẩn) |
| Thương hiệu | SKF |
| Hình dạng lỗ máy xúc | Trụ thẳng (Cylindrical) |
| Tra mỡ sẵn | No (Cần bôi trơn trong quá trình lắp đặt) |
| Làm kín tích hợp | Có (từ một phía, tăng tuổi thọ làm việc của ổ bi) |
| Ma sát | Trung bình (cao hơn loại Z làm xúc tiếp) |
| Độ âm và rung động | Giảm (tốt hơn trong môi trường khắc nghiệt từ một phía) |
| Khả năng chịu tải | Chịu được tải kính và hướng trục theo cả hai hướng |
| Yêu cầu bảo trì | Trung bình (cần bôi trơn và có thể định nghĩa) |
| Lớp hiệu suất SKF | SKF Explorer |
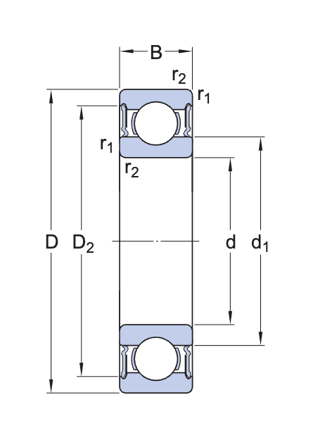
3. Cấu hình Chi Tiết Vòng Bi SKF 6007-RS1
Vòng bi SKF 6007-RS1 được cấu hình từ các bộ phận chính, mỗi bộ phận đóng vai trò quan trọng trong công việc đảm bảo hiệu suất hoạt động và độ bền:
Sơ đồ tạo cấu hình Vòng Bi Cầu Rãnh SKF 6007-RS1 với một phía trống:
- Vòng trong/ngoài: Được chế tạo từ thép chịu lực cao, cùng với khu vực Yên tĩnh, chịu tải chính.
- Bi cầu: Sản phẩm sản xuất từ thép siêu chính xác và được xử lý nhiệt đặc biệt để giảm độ cứng, tăng cường độ cứng và độ bền.
- Vòng cách: Làm bằng thép tấm (Tấm kim loại), có chức năng giữ các thành viên bi cách đều nhau, đảm bảo vòng bi vận hành ái và ổn định.
- Reớt cao su NBR (RS1): Đây là dạng đặc biệt nhận dạng của loại vòng bi này. Một lần được làm từ cao su Nitrile Butadiene Rubber (NBR), Gắn chặt vào vòng bên ngoài và tiếp xúc trực tiếp với vai của vòng trong. “RS1” chỉ ra rằng vòng bi có một cảm xúc tiếp theo như vậy ở một bên. Phương pháp này cung cấp khả năng làm kín vượt trội, ngăn chặn tác hại xâm nhập của bụi, nước, hơi ẩm và các chất gây ô nhiễm nhiễm ô từ phía được bảo vệ. Đồng thời, nó giúp giữ lại mỡ bôi trơn bên trong (nếu được bôi mỡ). Phía còn lại của vòng bi không có lỗ, cho phép dễ dàng bôi trơn từ bên ngoài không thoáng hoặc sử dụng trong hệ thống bôi trơn bên ngoài. Lưu ý rằng thông tin cơ bản cho sản phẩm này có “Chất bôi trơn: Không”, điều này ngụ ý rằng vòng bi được cung cấp không có sẵn chất béo và cần được bôi trơn trong quá trình lắp đặt.
- Khe CN (Tiêu chuẩn): Đây là khe hở trong tiêu chuẩn của vòng bi, phù hợp để hầu hết các ứng dụng thông thường.
4. Phân Tích Chuyên Sâu: Ký Hiệu RS1 của SKF 6007-RS1
Để thực sự hiểu được giá trị của vòng bi SKF 6007-RS1, việc phân tích sâu hơn về yếu tố thì chốt: “ký hiệu RS1” là rất quan trọng.
Ký hiệu “RS1” – Một phun cao su tiếp xúc:
- Chức năng chính: Cung cấp khả năng vượt trội từ một phía, bảo vệ vòng bi bụi, nước, hơi ẩm và bôi trơn bằng một cách hiệu quả nhất từ phía đó. Còn lại mở để có thể xóa hoặc cho phép thoát nhiệt/dư.
- Đặc điểm nổi bật: Là loại thông “tiếp xúc” (Con dấu liên lạc). Điều này có nghĩa là lửa cao su có một môi trường xung quanh xung quanh căng thẳng với một ngành trên vòng trong vòng bi, tạo ra một rào cản kín khít. Đây là loại rỗ được cải tiến để tối ưu hóa hiệu suất làm việc kín.
- Ưu điểm vượt trội: Đặc tính tiếp xúc được tối ưu hóa, khả năng ngăn chặn tế bào độc độc (đặc biệt là chất thải và bụi bụi) của loại bụi này là cực kỳ hiệu quả từ phía được bảo vệ, giúp kéo dài tuổi thọ vòng bi đáng kể trong môi trường giải quyết từ phía trước. Phớt cũng giúp giữ mỡ bôi trơn tối đa từ phía được bảo vệ. Với một bên không có lỗ, vòng bi này cho phép bôi trơn dễ dàng hoặc kết nối với hệ thống bôi trơn tập trung, giúp kéo dài tuổi thọ hoạt động trong những ứng dụng cần tái bôi trơn.
- Chế độ: Do có chất liệu căng thẳng tiếp theo, băng cao su sẽ tạo ra một lượng ma sát nhỏ, làm giảm tốc độ giới hạn của vòng bi nên với các loại không dây hoặc dây thép không tiếp xúc. Chỉ có một mã, phía còn lại của vòng bi dễ bị nhiễm trùng nhiễm trùng nếu không được bảo vệ bởi thiết kế máy tính hoặc hệ thống làm kín bên ngoài. Thông tin cơ bản chỉ ra rằng sản phẩm này không thể được tra mỡ sẵn (“Dầu bôi trơn: Không”), điều này Đòi hỏi việc bôi trơn ban đầu khi lắp đặt, khác biệt là các loại sản phẩm có thể có hai tầng thường được tra mỡ sẵn sàng đời.
Ký hiệu RS1 làm cho SKF 6007-RS1 trở thành một giải pháp vòng bi linh hoạt, phù hợp cho các ứng dụng cần bảo vệ ô nhiễm ô nhiễm từ một phía và khả năng tái sinh bôi trơn từ phía còn lại, hoặc trong các thiết kế máy nơi một phía sau của bi được bảo vệ bởi vỏ máy.5. Ưu và nhược điểm của Vòng Bi SKF 6007-RS1
Vòng bi SKF 6007-RS1 là loại ưu tiên có nhiều ứng dụng giúp khả năng bảo vệ ô nhiễm từ một phía, khả năng tái sinh tẩy bóng và đặc tính vận hành linh hoạt. Tuy nhiên, cũng cần cân nhắc các ưu và nhược điểm của nó để lựa chọn phù hợp nhất.
Ưu điểm nổi bật:
- Bảo vệ hiệu quả khỏi ô nhiễm từ một phía: Với một bình an thần cao su tiếp (RS1), vòng bi được bảo vệ cực kỳ hiệu quả từ Bụi bụi, nước, hơi ẩm, hóa chất keo và các loại chất gây ô nhiễm khác từ phía được bảo vệ.
- Khả năng tái sinh bôi trơn: Phỉa không có keo cho phép dễ dàng tái bôi trơn thủ công hoặc kết nối với hệ thống bôi trơn tập trung, giúp kéo dài tuổi thọ của vòng bi, đặc biệt trong các ứng dụng tải nặng hoặc nhiệt độ cao.
- Linh hoạt trong ứng dụng: Lý tưởng cho các trường hợp hợp là một mặt tiếp xúc với môi trường Khu vực còn lại cần được bảo trì hoặc ở trong môi trường sạch hơn.
- Giữ mỡ bôi trơn tốt từ phía có rận: Giảm tiếp xúc giúp giữ mỡ bôi trơn chất cao bên trong vòng bi rất tốt ở phía trước, giải phóng rỉ rỉ.
- Tuổi thọ cao: Tình nguyện khả năng làm kín hiệu quả (từ một phương tiện) và khả năng tái sinh bôi trơn, vòng bi có thể đạt được tuổi thọ hoạt động lâu hơn trong các ứng dụng cụ thể.
Nhược điểm cần lưu ý:
- Các ô nhiễm dễ dàng từ phía bên không có rỗ: Phía còn lại của vòng bi hoàn toàn mở, dễ dàng sử dụng bụi bẩn, nước và các chất gây ô nhiễm khác xâm nhập vi trùng nếu không được bảo vệ bởi các thiết kế của máy hoặc các tấm biện pháp làm kín sung bên ngoài.
- Tốc độ giới hạn thấp hơn: Do dãi cao su tiếp xúc trực tiếp với vòng trong, tạo ra ma sát, nên tăng tốc độ giới hạn của vòng bi RS1 chậm hơn so với loại không kiệt (Mở) hoặc loại dây thép không tiếp xúc (2Z).
- Sinh nhiệt và ma sát cao hơn: Ma sát từ phun cao su có thể làm sinh nhiệt nhiều hơn một chút so với loại 2Z.
- Yêu cầu bôi trơn ban đầu: Thông tin cơ bản chỉ ra rằng loại này không thể có sẵn chất béo. Do đó, cần phải bôi trơn hợp lý trong quá trình lắp đặt.
- Yêu cầu bảo trì: Cần có kế hoạch bôi trơn bất kể bên nào, khác với loại 2RS1 thường được coi là bôi trơn suốt đời.
6. Ứng dụng Thực Tế của Vòng Bi SKF 6007-RS1
Với khả năng bảo vệ ô nhiễm lây nhiễm từ một phía và tính linh hoạt trong công việc bôi trơn, vòng bi SKF 6007-RS1 là lựa chọn phù hợp cho các ứng dụng công nghiệp trong môi trường có một điều kiện tiếp theo là Bụi bẩn hoặc chất thải, trong khi phía sau cần được bảo trì hoặc kết nối với hệ thống bôi trơn:
- Máy thổi và quạt: Đặc biệt là các loại căng và quạt hoạt động trong môi trường ẩm thực, hoặc có chất lỏng/hơi ẩm, nơi một bên của vòng bi đối diện với môi trường khắc nghiệt và phía sau được che chắn hoặc có thể tái bôi trơn.
- Máy nông nghiệp: Trong máy cày, máy rỗ, máy kéo, nơi một con đường vòng thường xuyên tiếp xúc với đất, bụi, bùn, nước và hóa chất nông nghiệp, trong khi phía còn lại có thể dễ dàng được bảo dưỡng.
- Máy xây dựng: Trong máy căng, máy nén, xe lu, nơi một vòng bi phải chịu tải nặng và hoạt động trong môi trường bụi rậm, cát, sỏi và độ ẩm cao.
- Hệ thống băng tải: Đặc biệt là băng tải ngoài trời hoặc trong môi trường Bụi Thương, nơi một phía của vòng bi cần được bảo vệ tối đa khỏi ô nhiễm tế bào nhiễm sắc thể và phía sau có thể được tiếp tục để bôi trơn.
- Ứng dụng cần tái bôi trơn: Trong các hệ thống nơi vòng bi chịu tải nặng hoặc nhiệt độ cao, cần được bôi trơn mọi lúc từ phía không có móng để kéo dài tuổi thọ.
7. Hướng dẫn cài đặt và gỡ bỏ SKF 6007-RS1
Để đảm bảo tuổi thọ và hiệu suất tối ưu cho vòng bi SKF 6007-RS1, cách lắp đặt và gỡ bỏ chính xác là vô cùng quan trọng. luôn luôn thủ các nguyên tắc an toàn và kỹ thuật của các nhà sản xuất. Mecsu cung cấp hướng dẫn chi tiết dựa trên kinh nghiệm thực tế:
- Chuẩn bị: Đảm bảo môi trường làm việc sạch sẽ, khô ráo. Chuẩn bị đầy đủ các dụng cụ chuyên dụng như ống lót, búa mềm, dụng cụ ép, máy gia nhiệt (nếu cần). Luôn đeo dây bảo vệ và kính bảo hộ để đảm bảo an toàn. Kiểm tra khí cụ và gối phải sạch sẽ, không có lỗ hổng và bảo đảm sai dung dịch. Lưu ý quan trọng: Thông tin cơ bản cho vòng bi này không được tra mỡ sẵn (“Chất bôi trơn: Không”), do đó bạn cần bôi trơn phù hợp trong quá trình lắp đặt. Tuyệt đối không cố gắng giảm giá từ vòng bi trừ khi có yêu cầu đặc biệt và được hướng dẫn bởi chuyên gia.
- Lắp đặt:
- Hướng gắn: cực điều kỳ quan trọng là gắn vòng bi sao cho quạt có quạt (RS1) quay về phía môi trường có nhiều bụi bẩn, nước hoặc chất gây ô nhiễm nhiễm trùng, và phía mở bờ về phía môi trường sạch hơn hoặc dễ tiếp cận để bôi trơn.
- Phương pháp cơ khí: Đối với vòng bi có kích thước này, việc sử dụng ống lót và búa (búa mềm) vẫn khả thi nếu tác dụng lực đều và đúng vào vòng trong (khi gắn lên trục) hoặc vòng ngoài (khi gắn vào gối đỡ). Đảm bảo hoạt động không tăng cường độ cao su để tránh làm hỏng chúng.
- Phương pháp gia nhiệt: Đây là phương pháp tối ưu cho vòng bi có đường kính trong 35mm. Gia nhiệt vòng bi bằng thiết bị gia nhiệt chuyên dụng (ví dụ: SKF Induction Heater) đến nhiệt độ khoảng 80-100°C. Vòng bi sẽ giãn nở, dễ dàng lắp vào trục mà không cần dùng lực lớn. Đảm bảo vòng lặp được đặt đúng vị trí trước khi ngừng hoạt động. Tuyệt đối không gia nhiệt bằng ngọn lửa trực tiếp hoặc nhiệt độ quá cao. Lưu ý rằng Nhiệt độ cao có thể bị ảnh hưởng bởi nhiệt độ quá cao, nên cần kiểm soát nhiệt độ cẩn thận.
- Bôi trơn: Vì thông tin cơ bản cho vòng bi này không có sẵn, hãy bôi trơn dầu hoặc dầu phù hợp theo khuyến nghị của các nhà sản xuất hoặc ứng dụng cụ thể trước hoặc trong quá trình lắp đặt. Đảm bảo chất béo được phân bố đều đặn.
- Gỡ bỏ:
- Sử dụng chuyên gia hỗ trợ (cảo cơ hoặc thủy lực cách phù hợp với vòng bi kích thước) để xoay vòng bi một cách an toàn và không gây hư hỏng cho xẹp hoặc gối hỗ trợ. Tác dụng lực đều và đúng ở vòng trong (khi rút xẹp) hoặc vòng ngoài (khi rút gối).
- Đối với các trường hợp khó khăn, có thể sử dụng phương pháp gia nhiệt vòng trong (nếu rút trục vít) hoặc vòng ngoài (nếu rút gối hỗ trợ) để giãn nở, giúp tháo gỡ dễ dàng hơn. Cần cẩn thận nhiệt độ để không làm hỏng cao su.
- Tránh dùng đập trực tiếp lên các sinh vật học hoặc các bộ phận khác có thể gây ra các biến dạng, hư hỏng. Việc này không chỉ làm hỏng vòng bi mà còn tiềm ẩn nguy hiểm.
- Người bảo vệ: Nếu không sử dụng ngay, hãy giữ vòng bi trong bao bì gốc của nhà sản xuất, ở nơi khô ráo, thoáng mát, tránh ánh nắng trực tiếp và các chất hóa học ăn mòn để hạn chế sét và bụi nguy hiểm xâm nhập, đồng thời bảo vệ bảo vệ cao su thiệt hại.
8. So Sánh Vòng Bi 6007-RS1 với Các Loại 6007 Khác
Việc hiểu rõ sự khác biệt giữa các loại vòng bi 6007 SKF sẽ giúp bạn lựa chọn sản phẩm phù hợp nhất để lựa chọn ứng dụng của mình, hiệu suất tối ưu hóa và chi phí đầu tư. Bảng so sánh dưới đây tập trung vào các loại khác nhau giữa các loại keo, bôi trơn và khướt:
| Tiêu chí | SKF 6007-RS1 (1 Phớt cao su, CN) | SKF 6007-2RS1 (2 Phớt cao su, CN) | SKF 6007-2Z (2 Thép, CN) | SKF 6007 (Mở, CN) |
|---|---|---|---|---|
| Chất liệu/Chắc chắn | Phớt cao su NBR – 1 Bên (Tiếp xúc) | Phớt cao su NBR – 2 Bên (Tiếp xúc) | Mũ thép (Shield) – 2 bên (Không tiếp xúc) | Không có leo/nào (Mở) |
| Khả năng làm kín | Vượt lên (ngăn bụi, nước, giữ mỡ tối đa) ở một bên | Vượt lên (ngăn bụi, nước, giữ mỡ tối đa) ở hai bên | Tốt (chuỗi bụi lớn ở phía sau) | Siêu tiết kiệm (dễ bị bụi bẩn, mỡ máu) |
| Khe khe hướng kính | CN (Tiêu chuẩn) | CN (Tiêu chuẩn) | CN (Tiêu chuẩn) | CN (Tiêu chuẩn) |
| Tốc độ quay tối đa | 7 000 vòng/phút ( Giới hạn, thấp nhất) | 7 000 vòng/phút ( Giới hạn, thấp nhất) | 12 000 vòng/phút ( Giới hạn, khá cao) | 22 000 vòng/phút ( Giới hạn, cao nhất) |
| Khả năng chống ẩm/lỏng | Rất tốt (ở một phía) | Rất tốt (ở hai phía) | Trung bình (số lượng lớn bụi) | Rất kém |
| Tra mỡ sẵn | Không (Cần bôi trơn khi lắp) | Có (Trà mỡ sẵn đời) | Có (Trà mỡ có sẵn từ nhà máy) | Không (Cần bôi trơn liên tục) |
| Nhu cầu bảo trì | Trung bình (cần bôi trơn và có thể định nghĩa) | Rất thấp (bôi trơn đời sống trong môi trường bình thường) | Low (bôi trơn sẵn từ nhà) | Cao (cần bôi trơn bất kỳ hoặc bôi trơn liên tục từ bên ngoài hệ thống) |
| Độ âm / Rung động | Low (có thể cao hơn 2Z một chút do ma sát) | Low (có thể cao hơn 2Z một chút do ma sát) | Very low (làm ma sát) | Thấp |
| Giá thành | Trung bình | Cao nhất | Trung bình cao | Thấp nhất |
| Ứng dụng điển hình | Máy xông hơi, máy nông nghiệp, thiết bị ngoài trời, thiết bị chế biến thực phẩm (chỉ khi phù hợp với vật liệu tài nguyên), nơi cần bảo vệ vượt trội khỏi nước, bụi từ một phía và thích ứng với thư giãn hoặc tải nặng. | Máy nông nghiệp, máy xây dựng, thiết bị chế biến thực phẩm, máy rửa xe, công nghiệp khai thác mỏ, nơi cần bảo vệ tối đa khỏi ô nhiễm ô nhiễm nhiễm (bụi, nước, hóa chất) và duy trì bôi trơn. | Động cơ điện, máy hút, quạt công nghiệp, máy công cụ, hộp số, nơi cần tốc độ cao, ma sát và môi trường tương đối sạch, được tra mỡ sẵn. | Thiết bị cần tốc độ cực cao, môi trường rất sạch sẽ, có hệ thống bôi trơn bên ngoài hoặc các ứng dụng không mở rộng, nơi yêu cầu hiệu suất tối đa. |
9. Cách Phân Biệt Vòng Bi SKF 6007-RS1 Thật – Giả – Lời Khuyên Từ Chuyên Gia Mecsu
Thị trường hiện nay có rất nhiều hàng giả, hàng giả chất lượng, đặc biệt là với các sản phẩm vòng bi SKF chính hãng được ưa chuộng. Để đảm bảo bạn mua được vòng bi SKF 6007-RS1 chính hãng tại TP.HCM, Mecsu khuyến nghị kiểm tra các dấu hiệu sau:
a. Dấu hiệu vòng bi SKF 6007-RS1 chính hãng:
- Bao bì chất lượng cao: Sắc nét, màu xanh đặc trưng của SKF, sản phẩm thông tin rõ ràng, đầy đủ mã vạch/QR code và thông tin xuất xứ. Bạn sẽ tìm thấy công nghệ trong từng chi tiết.
- In ấn trên vòng bi sắc nét: Logo SKF, sản phẩm mã hóa hóa (6007-RS1) và các nhà sản xuất quốc gia được in hoặc khắc vết sắc nét bằng laser, rõ ràng, không lem, không sai phông chữ, rất khó bị tẩy xóa.
- Mã QR/Bar code xác thực: Có thể quét bằng ứng dụng “SKF Authenticate” trên điện thoại di động thông minh để xác thực nguồn gốc và tính chính hãng của sản phẩm. Đây là công cụ hữu ích nhất của SKF để chống hàng giả.
- Phớt cao su (RS1) hoàn thiện: Phớt được lắp đặt chắc chắn, không có khe hở bất ngờ, không bị dập hoặc biến đổi. Chất liệu cao su mềm dẻo, đàn hồi tốt và bền bỉ.
- Cảm giác giác vận hành hành động mượt mà: Khi quay vòng bi bằng tay, bạn sẽ cảm nhận được tốc độ mượt mà, trơn tru, ít ma sát và ồn ào (tiết kiệm rằng loại RS1 không được tra mỡ sẵn, nên cảm giác có thể khác biệt so với các loại có mỡ sẵn). Không có tiếng kêu lạ hoặc cảm giác giác.
- Chứng từ đầy đủ: Nhà cung cấp uy tín sẽ cung cấp đầy đủ “CO” (chứng nhận xuất xứ) và “CQ” (chứng nhận chất lượng) từ nhà sản xuất, đảm bảo nguồn gốc và chất lượng sản phẩm.
b. Dấu hiệu của vòng bi SKF 6007-RS1 hàng giả/nhái:
- In ấn mờ nhạt, sai chính tả, phông chữ lạ, thiếu thông tin hoặc không chính xác trên cả bao bì và vòng bi.
- Bao bì thô, màu trôi chuẩn SKF, thiếu thông tin quan trọng hoặc có dấu hiệu làm lại.
- Phớt cao su có thể bị cứng, giòn, nứt, gắn liền, hoặc có mùi cao su khó chịu.
- Không có mã QR hoặc mã hóa không quét được hoặc quét ra thông tin không khớp với sản phẩm chính hãng.
- Khi quay tay có tiếng kêu lạo xạo, cảm giác giác, nặng, hoặc độ rơ bất thường làm gia công chính xác.
- Giá bán rẻ bất ngờ so với thị trường của các sản phẩm chính hãng – đây là dấu hiệu cảnh báo lớn nhất.

10. Giá Bán & Mô-ni Ý Mua Vòng Bi SKF 6007-RS1 Chính Hãng Tại TP.HCM
a. Giá vòng bi SKF 6007-RS1(TP.Hồ Chí Minh) tại Mecsu: Giá: 170.575 đ/ Cái (đã có VAT) – Giá hợp lý, phù hợp với chất lượng sản phẩm chính hãng
Liên hệ để nhận báo giá tốt nhất (giá có thể thay đổi tùy thời điểm và số lượng) – Giá hợp lý, phù hợp với chất lượng sản phẩm chính hãng SKF tại thị trường vòng bi TP.HCM.
b. Gợi ý mua vòng bi chính hãng SKF uy tín
- Chọn nhà cung cấp uy tín tại TP.HCM: Ưu tiên đối tác có bằng chứng nhận từ SKF hoặc đơn vị lâu năm, được nhiều khách hàng tin tưởng và có danh tiếng trên thị trường cung cấp linh kiện cơ khí tại TP.HCM.
- Kiểm tra chứng từ đầy đủ: Luôn yêu cầu đầy đủ “CO” (chứng nhận xuất xứ) và “CQ” (chứng nhận chất lượng) để đảm bảo nguồn gốc và chất lượng của sản phẩm. Điều này giúp bạn tránh mua phải “vòng bi SKF giả” trên thị trường.
- 100% sản phẩm chính hãng: Đảm bảo nguồn gốc rõ ràng, đầy đủ chứng từ. Chúng tôi cam kết hoàn tiền 100% hoặc đổi trả nếu sản phẩm không thuộc loại công thức chính.
- Chính sách bảo hành minh bạch: Hỗ trợ đổi trả nếu nhà sản xuất gặp lỗi, mang lại sự an tâm tuyệt đối cho khách hàng.
- Hỗ trợ kỹ thuật chuyên sâu: Đội ngũ kỹ sư giàu kinh nghiệm sẵn sàng hỗ trợ bạn về kỹ thuật và lựa chọn sản phẩm phù hợp nhất cho mọi ứng dụng.
- Giá cả cạnh tranh: Đảm bảo giá tốt nhất đi kèm chất lượng, với chính sách chiết khấu hấp dẫn cho đơn hàng số lượng lớn, đặc biệt khi “mua vòng bi SKF số lượng lớn”.
MUA THÊM NHIỀU LOẠI VÒNG BI CHÍNH HÃNG KHÁC TẠI MECSU
11. Câu hỏi thường gặp về Vòng Bi SKF 6007-RS1
a. Vòng bi SKF 6007-RS1 có cần bảo dưỡng, tra mỡ không?
Vòng bi SKF 6007-RS1 có vòi cao su (RS1) ở một bên và phía sau vẫn mở. Theo thông tin cơ bản, vòng bi này không thể được cung cấp mỡ từ nhà máy (“Dầu bôi trơn: Không”). Do đó, bạn cần bôi trơn sự hợp lý trong quá trình cài đặt và có kế hoạch bôi trơn bất kỳ tùy chọn nào phụ thuộc vào điều kiện vận hành và loại mỡ/dầu sử dụng. Có mã hóa hóa giúp giữ mỡ và kiềm ô nhiễm từ phía sau, nhưng phía mở cần được bảo vệ và bôi trơn đúng cách.
b. Chữ “RS1” trong mã SKF 6007-RS1 có ý nghĩa gì?
- Chữ “RS1” chỉ có một vòng cao su Nitrile Butadiene Rubber (NBR) ở một bên, là loại vật liệu tiếp giáp với vòng trong. Đây là loại rỗ được cải tiến để tối ưu hóa hiệu suất làm kín, mang lại khả năng ngăn chặn, nước, hơi ẩm và các chất gây ô nhiễm ô nhiễm khác vượt trội từ phía có bụi.
c. Vòng bi SKF 6007-RS1 có phải là vòng bi chịu nước tuyệt đối không?
Vòng bi 6007-RS1 có khả năng làm kín rất tốt chống nước và bụi giúp thoát cao su tiếp xúc ở một phía. Tuy nhiên, phía bên kia vẫn hoàn toàn mở, không được bảo vệ khỏi môi trường bên ngoài. Làm được điều đó thì nó không phải là “chịu nước tuyệt đối”. Trong các ứng dụng có nước bắn trực tiếp hoặc môi trường ẩm ướt, cần đảm bảo mở được bảo vệ bởi thiết kế máy hoặc các biện pháp làm kín sung sung. Reớt RS1 giúp bảo vệ tối đa từ một hướng dẫn.
d. Làm sao biết vòng bi 6007-RS1 của tôi là hãng SKF chính hãng?
Kiểm tra bao bì (logo, mã QR rõ ràng), vòng bi có khắc lazer sắc nét. Điều quan trọng nhất, hãy sử dụng ứng dụng SKF Authenticate để quét mã và kiểm tra trực tiếp từ SKF. Đây là cách chắc chắn nhất để phân biệt vòng bi SKF thật sự.
đ. Khi nào cần thay thế vòng bi 6007-RS1?
Bạn nên thay thế vòng bi khi nhận được các dấu hiệu sau:
- Tiếng ồn bất thường: Tiếng kêu lạo xạo, rít, hoặc kêu khi vòng bi quay, báo hiệu bi hoặc khu vực mòn.
- Tăng nhiệt độ: Vòng bi nóng lên bất thường trong quá trình hoạt động, có thể quá tải, hư hỏng bên trong hoặc làm mỡ bôi trơn bị suy giảm chất lượng.
- Độ cao lớn: Thiết bị hoạt động có tốc độ tăng lên đáng kể, ảnh hưởng đến hiệu suất và có thể gây nguy hiểm cho các bộ phận khác.
- Biến dạng vật lý: Phớt cao su bị nứt, rách hoặc vòng bi bị mòn, giảm nguy cơ.
- Vòng bi bị khóa hoặc không được xóa.
Kinh nghiệm từ các kỹ sư Mecsu: Với loại vòng bi RS1 không được tra mỡ sẵn, việc bôi trơn ban đầu đúng cách và bổ sung lịch trình tái bôi trơn kỳ kỳ là cực kỳ quan trọng để đạt được tuổi thọ tối ưu. Hãy giám sát bất kỳ mức độ ồn và nhiệt độ nào để phát hiện sớm các dấu hiệu cần thiết, tránh gây nguy hiểm gây hại cho toàn bộ hệ thống. Đừng ngần ngại liên hệ với chúng tôi để được hỗ trợ kỹ thuật về bảo trì vòng bi hoặc thay thế vòng bi.
f. Mua vòng bi SKF 6007-RS1 chính hãng, uy tín ở đâu tại TP.HCM?
Mua vòng bi SKF 6007-RS1 chính hãng và đảm bảo chất lượng tại TP.HCM, bạn hãy liên hệ ngay với Mecsu.
- Cam kết chất lượng: 100% sản phẩm có nguồn gốc rõ ràng, đầy đủ chứng từ CO, CQ. Chúng tôi cam kết hoàn tiền 100% hoặc đổi trả nếu sản phẩm không thuộc loại công thức chính.
- Giá cả cạnh tranh: Đảm bảo giá tốt nhất đi kèm chất lượng, với chính sách chiết khấu hấp dẫn cho đơn hàng số lượng lớn, đặc biệt khi “mua vòng bi SKF số lượng lớn”.
- Tư vấn chuyên sâu: Đội ngũ kỹ sư giàu kinh nghiệm sẵn sàng hỗ trợ bạn về kỹ thuật và lựa chọn sản phẩm phù hợp nhất.
- Chính sách hậu mãi: Đảm bảo quyền lợi tối đa cho khách hàng với dịch vụ hỗ trợ nhanh chóng, tận tâm.
MUA THÊM NHIỀU LOẠI VÒNG BI CHÍNH HÃNG KHÁC TAI MECSU
12. Liên Hệ và Hỗ Trợ Tư Vấn Vòng Bi SKF
Nếu bạn có bất kỳ thắc mắc nào về vòng bi SKF 6007-RS1 hoặc cần tư vấn về giải pháp vòng bi cho ứng dụng cụ thể của mình, đừng ngần ngại liên hệ với đội ngũ chuyên gia của Mecsu. Chúng tôi luôn sẵn sàng hỗ trợ bạn tìm ra các sản phẩm phù hợp và tối ưu nhất, đồng thời cung cấp những kiến thức về kỹ thuật bảo trì vòng bi mà bạn khó tìm thấy ở những nơi khác.
Địa chỉ: B28/I – B29/I Đường số 2B, KCN Vĩnh Lộc, P. Bình Hưng Hòa B, Q. Bình Tân, TP.HCM
Đường dây nóng: 1800 8137
Email: [email protected]
Trang web: mecsu.vn
13. Thông Tin Bổ Sung & Kinh nghiệm Thực Tế Từ Mecsu
a. Kinh nghiệm Thực Tế & Câu Chuyện Thành Công
Tại Mecsu, chúng tôi tự hào là đối tác đáng tin cậy của nhiều doanh nghiệp trong việc cung cấp các giải pháp chất lượng vòng cao. “Vòng bi SKF 6007-RS1”, với khả năng bảo vệ từ một phương tiện tiện ích và tính linh hoạt trong công việc đã được ứng dụng trong nhiều dự án quan trọng của khách hàng chúng tôi tại “TP. Hồ Chí Minh” và các lân lân cận, mang lại hiệu quả vượt trội và là minh chứng cho sản phẩm chất lượng cùng kinh nghiệm thực tế của Đội ngũ Mecsu:
- Hệ thống băng tải: Trong các ứng dụng, nơi một mặt của vòng bi tiếp xúc với môi trường Bụi và mặt vẫn có thể được tiếp cận để bôi trơn bất cứ lúc nào.
- Máy móc nông nghiệp và xây dựng: Trong một số bộ phận cần bảo vệ chống lại yếu tố môi trường từ một hướng, và phía còn lại cho phép bảo trì dễ dàng.
- Ứng dụng dưỡng và quạt: Khi một bên của vòng bi cần được bảo vệ khỏi chất lỏng hoặc hơi ẩm, khi còn lại ở khu vực khô hoặc có hệ thống bôi trơn.
b. Trích Dẫn Chuyên Gia
““SKF 6007-RS1” là giải pháp lý tưởng khi bạn cần kết hợp giữa khả năng tạo hiệu quả kín từ một phía và khả năng bôi trơn hoạt động từ phía bên kia. Việc hiểu rõ môi trường gắn giá đỡ và hướng dẫn là chìa khóa để tối đa hóa hiệu suất hóa học và tuổi thọ của loại vòng bi này.”
— “Kỹ sư cơ khí Chuyên gia kỹ thuật Mecsu” (TP. Hồ Chí Minh) – Với hơn 10 năm kinh nghiệm trong lĩnh vực “bạc đạn công nghiệp”.
c. Tài Liệu Tham Khảo và Nghiên Cứu
Nội dung bài viết này được biên soạn dựa trên các tài liệu kỹ thuật chính quy và đáng tin cậy của SKF , cùng với kinh nghiệm thực tế chuyên sâu của đội ngũ kỹ sư Mecsu, đảm bảo tính chính xác, cập nhật và chuyên môn môn môn môn cao:
- Danh mục sản phẩm SKF (Danh mục sản phẩm SKF chính thức) – Nguồn dữ liệu kỹ thuật chi tiết nhất về “vòng bi SKF”.
- Tài liệu kỹ thuật SKF Explorer – Vòng bi ngành sâu (Thông tin chuyên sâu về “vòng bi cầu sâu SKF Explorer”) – Cung cấp cái nhìn toàn diện về thế hệ vòng bi bền bỉ này.
- Bảng dữ liệu kỹ thuật (Datasheet) chi tiết của SKF 6007-RS1 và các ký hiệu hậu tố của SKF – Nguồn thông số kỹ thuật chính xác.
- Trải nghiệm thực tế và phản hồi từ các dự án khách hàng của Mecsu – “Dữ liệu độc nhất” được thu thập từ hơn 10 năm cung cấp “linh kiện cơ khí” và “giải pháp vòng bi” cho doanh nghiệp tại Việt Nam.
Biên soạn bởi: Đội ngũ kỹ sư Mecsu
Với hơn 10 năm kinh nghiệm chuyên sâu trong lĩnh vực và tư vấn giải pháp vòng bi, đội ngũ kỹ sư của Mecsu cam kết mang đến những thông tin chính xác, cập nhật và hữu ích nhất, giúp quý khách hàng đưa ra loại sản phẩm tối ưu cho mọi ứng dụng.
(Xem thêm thông tin về chúng tôi tại Website Mecsu )
Lưu ý: Hình ảnh sản phẩm có thể khác biệt so với sản phẩm thực tế của SKF. Vui lòng tham khảo thông số kỹ thuật chi tiết hoặc liên hệ Mecsu để có thông tin chính xác nhất về sản phẩm.


















Đánh giá
Chưa có đánh giá nào.