Mô tả sản phẩm
Vòng bi SKF 6201-2RSH/C3: Thông tin chuyên sâu
1. Vòng bi SKF 6201-2RSH/C3 là gì?
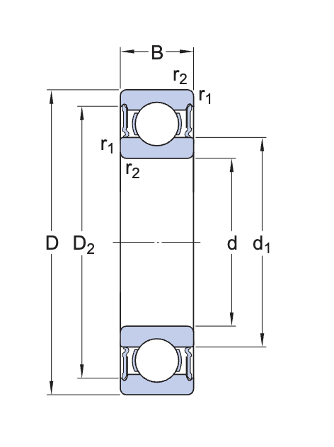
Vòng bi cầu rãnh sâu SKF 6201-2RSH/C3 là một loại vòng bi đa năng thuộc dòng SKF Explorer, được thiết kế để mang lại hiệu suất cao trong các ứng dụng yêu cầu độ bền, độ kín cao và khả năng vận hành ổn định trong môi trường bụi hoặc môi trường, đặc biệt trong điều kiện nhiệt độ hoặc rung động cao. Mã “6201” biểu thị kích thước tiêu chuẩn: đường kính trong 12 mm, đường kính ngoài 32mm và dày 10 mm. Hậu tố “-2RSH” chỉ ra rằng vòng bi được trang bị băng cao su tiếp xúc (con dấu tiếp xúc) làm từ cao su Nitrile Butadiene (NBR) ở cả hai phía, cung cấp khả năng bảo vệ cao khỏi Bụi bẩn, nước và giữ dầu bôi hiệu quả. Hậu tố “C3” biểu thị khe hở hướng kính lớn hơn tiêu chuẩn (CN), giúp vòng bi phù hợp với các ứng dụng có giãn nở nhiệt hoặc rung động. Vòng bi này được sử dụng rộng rãi trong các ứng dụng như động cơ điện, máy móc nghiệp nghiệp nhẹ nhàng và thiết bị gia dụng trong môi trường khắc nghiệt.
Giảm cao su 2RSH và khe hở C3
Phớt 2RSH của SKF là loại cảm xúc tiếp theo được làm từ cao su NBR, được gắn ở cả hai mặt của vòng bi, mang lại khả năng chống bụi, nước và các loại tạp chất khác tốt hơn so với chất liệu thép thép (2Z). Khe C3 (lớn hơn tiêu chuẩn) cho phép bi hoạt động ổn định trong các điều kiện có nhiệt độ hoặc rung động, ví dụ như trong cơ điện lớn hoặc máy móc công nghiệp hoạt động ở nhiệt độ thay đổi. Tuy nhiên, làm mát tiếp xúc trực tiếp với vòng trong, vòng bi có ma sát cao hơn và tốc độ quay giới hạn thấp hơn so với các loại dây thép.
2. Đặc điểm nổi bật
|
Đặc điểm |
Mô tả chi tiết |
|
Khả năng làm kín |
Phớt cao su tiếp xúc (2RSH) ở cả hai bên giúp bảo vệ vòng bi khỏi bụi bẩn, nước và các chất tạp chất, đồng thời giữ dầu bôi trơn bên trong, kéo dài tuổi thọ vòng bi. |
|
Khe khe C3 |
Khe hướng kính lớn hơn (C3) giúp vòng bi hoạt động ổn định trong điều kiện nhiệt độ giãn nở hoặc rung động cao, phù hợp với môi trường nhiệt độ thay đổi. |
|
Vận hành ổn định |
Được tối ưu hóa để vận hành mượt mà ở tốc độ trung bình (tốc độ giới hạn 15.000 vòng/phút), phù hợp cho các ứng dụng yêu cầu độ bền trong môi trường khắc nghiệt. |
|
Bảo trì thấp |
Được tra mỡ sẵn, bôi cao su giữ hiệu quả, giảm nhu cầu bảo dưỡng định kỳ. |
|
Không chịu tải hoạt động |
Có khả năng chịu đựng được cả việc tải kính hướng và lệch từ phía hai bên, mang lại hoạt động linh hoạt trong thiết kế. |
|
Độ tin cậy cao |
Thuộc tính SKF Explorer, đảm bảo chất lượng vượt trội và hiệu suất ổn định trong các điều kiện hoạt động khác nhau. |
3. Thông số kỹ thuật
|
Thông số |
Giá trị |
|
Mã sản phẩm |
6201-2RSH/C3 |
|
Mã đặt hàng (MPN) |
SKF-6201-2RSH/C3 |
|
Loại vòng bi |
Vòng bi cầu chuyên ngành sâu (Deep Groove Ball Bearing) |
|
Phân loại đặc biệt |
Tiêu chuẩn |
|
Đroad kính trong (d) |
12 mm |
|
Đường kính ngoài (D) |
32 mm |
|
Bề dày (B) |
10 mm |
|
Tải cơ sở dữ liệu danh sách (C) |
7,28 kN |
|
Tải quan trọng cơ sở dữ liệu danh sách (C0) |
3,10 kN |
|
Giới hạn tải tuổi |
0,132 kN |
|
Tốc độ giới hạn |
15.000 vòng/phút |
|
Tốc độ tham khảo |
Không áp dụng (làm tấm tiếp xúc) |
|
Thế hệ khả năng làm việc cao của SKF |
SKF Explorer |
|
Rãnh tra bi |
Không có |
|
Số dòng |
1 |
|
Phương tiện để định vị, vòng ngoài của vòng bi |
Không có |
|
Loại lỗ |
Hình trụ (trục thẳng) |
|
Vòng cách |
Thép tấm |
|
Kiểu gắn cặp |
Không |
|
Khe khe trong hướng kính |
C3 (lớn hơn tiêu chuẩn) |
|
Vật liệu, vòng bi |
Thép vòng bi |
|
Lớp mạ |
Không có |
|
Nắp chắn |
Phớt cao su NBR tiếp xúc cả hai bên (2RSH) |
|
Loại Chắc Dầu |
Tiếp xúc (contact seal) |
|
Tra mỡ sẵn chưa? |
Đã tra mỡ sẵn |
|
Phương tiện để tái bôi trơn |
Không có |
|
Trọng lượng sản phẩm |
~0,037 kg (ước tính) |
|
Mã eClass |
23-05-08-01 |
|
Mã UNSPSC |
31171504 |
4. Cấu tạo chi tiết
Vòng bi SKF 6201-2RSH/C3 được cấu hình từ các bộ phận chính, mỗi bộ phận đóng vai trò quan trọng trong công việc đảm bảo hiệu suất:
- Vòng trong & vòng ngoài: Được chế tạo từ thép chịu lực cao cấp, có ngành cuộn được gia công tinh thần, là nơi bi lăn và chịu tải trọng.
- Bi cầu (con lăn): Các bi thép siêu chính xác, được xử lý bằng nhiệt độ đặc biệt để tối ưu hóa độ cứng và khả năng chịu mài mòn, giúp chuyển đổi ma sát trượt thành ma sát, giảm thiểu khả năng thoát ra.
- Bể bi (vòng cách – lồng): từ thép đánh (tấm kim loại), có chức năng giữ các thành viên đều nhau và định vị chúng trong khu vực lăn, đảm bảo bi không và chạm nhau, giúp đỡ vòng bi hành động ái và ổn định.
- Phớt cao su (2RSH): Hai phun cao su Nitrile Butadiene (NBR) được gắn chặt vào khu vực bên ngoài, tiếp xúc với vòng trong, giúp bảo vệ vòng bi khỏi Bụi bẩn, nước và các chất tạp chất, đồng thời giữ dầu mỡ bên trong hiệu quả.
5. Ưu và nhược điểm
Vòng bi SKF 6201-2RSH/C3 được thiết kế để đáp ứng các ứng dụng yêu cầu độ kín cao và khả năng vận hành ổn định trong môi trường Bụi hoặc ẩm ướt, đặc biệt trong điều kiện giãn nhiệt hoặc rung động cao. Câu hỏi về mức độ ưu tiên phải xác định được mức độ ưu tiên.
Ưu điểm nổi bật
- Khả năng làm kín vượt trội: Phớt cao su tiếp xúc (2RSH) cung cấp khả năng chống bụi, nước và các chất đệm hiệu quả, lý tưởng cho môi trường khắc nghiệt.
- Khe C3: Khe dừng hướng kính lớn hơn (C3) giúp ổn định vòng hoạt động trong điều kiện nhiệt độ hoặc rung động cao, phù hợp với môi trường thay đổi nhiệt độ.
- Bảo trì thấp: Được tra mỡ sẵn và phun cao su giữ hiệu quả mỡ, giảm nhu cầu bảo dưỡng định kỳ.
- Vận hành ổn định: Thiết kế chính xác và chất lượng của SKF Explorer đảm bảo hoạt động mượt mà, ít rung động và tiếng ồn trong môi trường bụi/ẩm.
- Chịu tải linh hoạt: Khả năng chịu đựng cả tải hướng tâm và tải trục dọc từ hai bên.
- Độ tin cậy cao: Sản phẩm của SKF, thương hiệu hàng đầu thế giới về vòng bi, đảm bảo chất lượng vượt trội.
Nhược điểm
- Tốc độ quay giới hạn: Giảm tốc độ tiếp tục tạo ra ma sát lớn hơn, dẫn đến tốc độ giới hạn thấp hơn (15.000 r/min) so với sản phẩm dây thép (2Z) hoặc vòng bi.
- Không phù hợp với nhiệt độ cực cao: Phớt cao su có giới hạn nhiệt độ thấp hơn so với sản phẩm thép, không khuyến khích sử dụng trong môi trường nhiệt độ quá 100°C.
- Chi phí ban đầu: Giá thành cao hơn so với vòng bi hoặc các loại dây thép làm thiết kế sâu và khe C3.
- Không thể tái bôi trơn dễ dàng: Giảm cao su cố gắng tạo việc tra mỡ sung khó khăn hơn so với vòng bi hoặc có số (Z).
6. Ứng dụng thực tế
Ưu đãi kích thước nhỏ gọn, khả năng làm kín, khe hở C3 và độ bền cao, vòng bi SKF 6201-2RSH/C3 được ứng dụng rộng rãi trong nhiều lĩnh vực:
- Động cơ điện lớn: Phù hợp cho các động cơ điện trong môi trường bụi hoặc thực phẩm với tốc độ thay đổi nhiệt độ, như trong công nghiệp hoặc thiết bị gia dụng.
- Máy móc công nghiệp nhẹ nhàng: Được sử dụng trong các hệ thống tải nhỏ, máy đóng gói hoặc thiết bị sản xuất trong môi trường có bụi, độ ẩm hoặc rung động.
- Thiết bị gia dụng: Sử dụng trong quạt điện, máy giặt, máy hút bụi hoặc các thiết bị gia dụng yêu cầu độ kín cao và ít bảo trì.
- Ứng dụng ô tô và xe máy: Được sử dụng trong các bộ phận như bánh xe, hệ thống truyền động phụ hoặc các chi tiết nhỏ trong môi trường ngoài trời với nhiệt độ thay đổi.
- Máy nông nghiệp: Phù hợp cho các thiết bị nông nghiệp nhẹ nhàng hoạt động trong môi trường bụi bẩn hoặc ẩm ướt, đặc biệt trong điều kiện rung động.
7. Cài đặt và gỡ bỏ hướng dẫn
Để đảm bảo mức độ ưu tiên của vòng bi SKF 6201-2RSH/C3, công việc lắp đặt và gỡ bỏ kỹ thuật là rất quan trọng. Luôn tham khảo tài liệu kỹ thuật của SKF và thực hiện cẩn thận các bước sau:
a. Chuẩn bị chung
- Giữ vòng bi trong bao bì gốc, vận động dọn dẹp và gắn/áo trong môi trường.
- Căng thẳng bảo vệ và chịu nhiệt phù hợp.
- Bảo vệ, bảo vệ, gối và các bộ phận tiếp theo khác sẽ không bị hỏng và không có kích thước chính xác.
- Không rút mão cao su (2RSH) hoặc rửa chất bảo quản nếu không cần thiết (6201-2RSH/C3 thường đã tra mỡ đời).
- Tuân thủ các quy định an toàn lao động, đặc biệt khi làm việc với vật nặng, công cụ và nhiệt độ.
b. Lắp đặt
- Luôn bôi một lớp dầu nhẹ lên bề mặt tiếp xúc. Lực gắn phải hoạt động đúng trên vòng cần gắn (vòng trong khi gắn vào trục, vòng ngoài khi gắn vào gối hỗ trợ). Có thể sử dụng phương pháp nhiệt (gia nhiệt bảo vệ/vòng bi đến 80-90°C) hoặc phương pháp cơ khí (sử dụng dụng cụ gắn chuyên dụng như bộ công cụ gắn vòng bi, ống lót) để bảo vệ vòng bi được gắn góc vuông và không bị biến dạng.
- Tấm đệm bảo vệ (gia nhiệt/cơ khí): Gia nhiệt bảo vệ hoặc sử dụng công cụ hỗ trợ vòng ngoài. Đảm bảo các tiêu đề được đưa ra trong vòng.
- Độ cứng tăng (gia nhiệt/cơ khí): Gia nhiệt vòng bi (không quá 80°C) hoặc sử dụng dụng cụ tăng sức mạnh trong vòng. Đảm bảo tiêu đề cạnh trượt vòng.
- Lưu ý quan trọng: Tránh gia nhiệt quá nhanh hoặc quá cao, không dùng lửa trần. Không bao giờ hoạt động tăng cường su hoặc bi.
c. Gỡ
- Thực hiện việc gỡ bỏ trong môi trường sạch sẽ. Ưu tiên sử dụng tất cả các ứng dụng chuyên dụng để hỗ trợ xẹp hoặc hỗ trợ gối. Cần phải thực hiện thao tác vòng trong khi tháo vít hoặc vòng ngoài khi tháo gối đỡ.
- Tháo rời (cơ khí): Sử dụng cảo phù hợp, bám vào vòng trong hoặc khu vực giáp giáp. Tránh làm hỏng bề mặt của tấm gắn.
- Tháo giáp giáp (cơ khí): Sử dụng cảo hoặc sừng và ống lót/đục (với vòng bi nhỏ) tác lực lên vòng ngoài.
- Lưu ý quan trọng: Không sử dụng kéo lên con lăn hoặc phun cao su ITA. Nếu muốn tái sử dụng vòng bi, không đập trực tiếp và không để tạo lực truyền qua con lăn.
d. Khuyến nghị chung sau mount/áo
- Vòng bi 6201-2RSH/C3 thường không cần bảo dưỡng hay tra mỡ bổ sung làm đã được tra mỡ đời.
- Nếu vòng bi cần tái sử dụng, làm sạch, khô và bảo vệ chống ăn mòn bằng mỡ/dầu/chất bảo quản sau khi thu hồi.
- Xử lý các bộ phận vòng bi không cần thiết và bôi trơn theo môi trường định nghĩa.
8. So sánh SKF 6201-2RSH/C3 với 6201-2RSH và 6201-2Z
Việc hiểu rõ sự khác biệt giữa các loại vòng bi 6201 sẽ giúp bạn lựa chọn sản phẩm phù hợp nhất cho ứng dụng của mình:
|
Tiêu chí |
SKF 6201-2RSH/C3 (Phớt cao su, C3) |
SKF 6201-2RSH (Phớt cao su, CN) |
SKF 6201-2Z (Nắp thép, CN) |
|
Chất liệu thân |
Cao su Nitrile Butadiene (NBR) |
Cao su Nitrile Butadiene (NBR) |
Thép dập (Shield) |
|
Khả năng làm kín |
Rất tốt (chống bụi, nước, giữ mỡ hiệu quả) – thư giãn tiếp xúc |
Rất tốt (chống bụi, nước, giữ mỡ hiệu quả) – thư giãn tiếp xúc |
Tốt (chắn bụi, giữ mỡ, gần hơn 2RSH với chất thải) – không tiếp xúc |
|
Tốc độ quay tối đa |
~15.000 r/min (giới hạn bởi ma sát) |
~15.000 r/min (giới hạn bởi ma sát) |
~24.000 r/min (giới hạn), 45.000 r/min (tham khảo) |
|
Khe khe hướng kính |
C3 (lớn hơn tiêu chuẩn) |
CN (tiêu chuẩn) |
CN (tiêu chuẩn) |
|
Khả năng chống ẩm |
Tuyệt vời |
Tuyệt vời |
Trung bình |
|
Nhu cầu bảo trì |
Low (bôi trơn sẵn, đóng gói) |
Low (bôi trơn sẵn, đóng gói) |
Trung bình (bôi trơn sẵn, kín) |
|
Ứng dụng nhiệt độ |
Phù hợp với việc mở rộng, rung động cao |
Phù hợp với nhiệt độ ổn định |
Phù hợp với nhiệt độ cao hơn (>100°C) |
|
Độ âm / Rung động |
Thấp (được tối ưu) |
Thấp |
Thấp |
|
Giá thành |
Cao hơn 2Z và loại mở |
Cao hơn 2Z và loại mở |
Trung bình |
|
Ứng dụng điển hình |
Động cơ nhỏ, thiết bị gia dụng, máy móc công nghiệp nhẹ nhàng trong môi trường ẩm/bụi, nhiệt độ thay đổi |
Động cơ nhỏ, thiết bị gia dụng, máy móc công nghiệp nhẹ trong môi trường ẩm/bụi |
Động cơ điện, quạt, máy móc cần tốc độ cao trong môi trường khô ráo |
9. Phân biệt hàng thật – giả
Thị trường hiện nay có rất nhiều hàng giả, hàng nhái chất lượng. Để đảm bảo bạn mua được vòng bi SKF 6201-2RSH/C3 chính hãng, Mecsu khuyến khích các dấu hiệu sau:
a. Dấu hiệu của bi SKF 6201-2RSH/C3 chính hãng
- Bao bì: Hộp hoặc bao bì sản phẩm sắc nét, tiêu chuẩn SKF màu xanh, thông tin rõ ràng, không mờ. Có đầy đủ mã vạch, mã QR code và sản phẩm thông tin (mã, kích thước, xuất xứ).
- In ấn trên vòng bi: Logo SKF, mã sản phẩm (6201-2RSH/C3) và nước sản xuất (ví dụ: THỤY ĐIỂN, ĐỨC, PHÁP) được in hoặc khắc lazer rõ ràng, sắc nét, không bị lem, tẩy xóa hoặc sai chữ chữ. Chữ SKF thường được giải quyết rất tinh tế và khó làm giả.
- Mã QR/mã vạch: Có thể sử dụng ứng dụng SKF Authenticate (miễn phí trên App Store/Google Play) để quét mã QR hoặc mã vạch trên bao bì để kiểm tra tính xác thực của sản phẩm. Đây là cách kiểm tra đáng tin cậy nhất.
- Phớt cao su (2RSH): Phớt cao su có mức độ hoàn thiện cao, màu sắc đồng nhất, chắc chắn, không rách, biến dạng hoặc hoàn thiện.
- Cảm giác điều khiển hành động: Vòng bi chính hãng khi quay bằng tay sẽ có cảm giác mượt mà, không có tiếng lạ, trượt hoặc khóa.
- Chứng từ: Yêu cầu nhà cung cấp cung cấp đầy đủ chứng từ chứng nhận xuất xứ (CO) và chứng nhận chất lượng (CQ) của sản phẩm.
b. Dấu hiệu của vòng bi SKF 6201-2RSH/C3 hàng giả/nhái
- In ấn trên vòng tròn, không đều, sai chính tả hoặc sử dụng phông chữ khác.
- Bao bì thô, màu sắc trôi chuẩn, thông tin mờ, thiếu hoặc sai.
- Giảm cao su đậm, không đồng đều, hoặc có dấu hiệu rách, biến dạng.
- Không có mã QR code hoặc mã QR code không thể quét được trên ứng dụng SKF Authenticate.
- Khi quay bằng tay có tiếng kêu lạ, cảm giác giác hoặc quá trâu.
- Giá bán thấp không được mong đợi đối với thị trường chung.

10. Giá bán 72.122 đ/ Cái (đã có VAT) – Giá hợp lý, phù hợp với chất lượng sản phẩm chính hãng & tip ý mua hàng
Giá vòng bi SKF 6201-2RSH/C3 chính hãng thường dao động trong khoảng 65.000 – 110.000 VNĐ/chiếc tại thị trường Việt Nam, tùy thuộc vào số lượng mua, nhà cung cấp và thời điểm. Lưu ý rằng giá trị này có thể chênh lệch nếu có các chương trình ưu đãi hoặc biến động trên trường.
Để đảm bảo mua được vòng bi SKF 6201-2RSH/C3 chất lượng cao, chính hãng và giá trị chính xác, bạn nên:
- Kiểm tra chứng từ: Yêu cầu cung cấp đầy đủ giấy tờ chứng minh nguồn gốc xuất xứ (CO) và chất lượng sản phẩm (CQ).
MUA THÊM NHIỀU LOẠI VÒNG BI CHÍNH HÃNG KHÁC TẠI MECSU
11. Câu hỏi thường gặp về vòng bi SKF 6201-2RSH/C3
a. Vòng bi SKF 6201-2RSH/C3 có cần bảo dưỡng, tra mỡ không?
Không, vòng bi SKF 6201-2RSH/C3 được mua sẵn tại nhà máy và có mút cao su tiếp xúc ở cả hai bên. Trong hầu hết các thông tin ứng dụng thông thường, bạn không cần phải tra mỡ định kỳ. Phớt cao su giúp giữ mỡ bên trong và ngăn bụi thương, nước xâm nhập, giảm nhu cầu bảo trì. Chỉ khi hoạt động trong môi trường khắc nghiệt (tải lớn, nhiệt độ cao) hoặc có dấu hiệu hư hỏng, bạn mới cần kiểm tra và thay thế.
b. Chữ “2RSH/C3” trong mã SKF 6201-2RSH/C3 có ý nghĩa gì?
- “2RSH” là hậu tố của SKF, chỉ ra rằng vòng bi được trang bị hai tấm cao su tiếp xúc (con dấu tiếp xúc) ở cả hai phía. “RSH” là ký hiệu của phun cao su Nitrile Butadiene (NBR), giúp bảo vệ vòng bi khỏi bụi bẩn, nước và các chất tạp chất, đồng thời giữ dầu bôi trơn hiệu quả.
- “C3” chỉ định hướng kính lớn hơn tiêu chuẩn (CN), giúp ổn định vòng hoạt động trong các điều kiện có giãn nở nhiệt hoặc rung động cao.
c. Vòng bi SKF 6201-2RSH/C3 có chịu được nhiệt độ cao không?
Vòng bi SKF 6201-2RSH/C3 hoạt động tốt trong khoảng nhiệt độ từ -30°C đến 100°C, thấp hơn so với Sản phẩm dây thép (2Z) có giới hạn của cực cao su. Khe hở C3 giúp vòng bi phù hợp với các ứng dụng có giãn nhiệt hoặc nhiệt độ thay đổi. Nếu sử dụng trong môi trường nhiệt độ cực cao hoặc hóa chất khắc nghiệt, bạn nên cân nhắc sử dụng vòng bi (6201) hoặc vòng bi có sản phẩm thép thép (6201-2Z) với mỡ bôi trơn chuyên chịu nhiệt.
d. Làm thế nào để biết vòng bi 6201-2RSH/C3 của tôi là hãng SKF chính hãng?
Để đảm bảo mua vòng bi chính hãng SKF 6201-2RSH/C3, bạn nên:
- Kiểm tra bao bì: Bao bì hãng SKF chính hãng có logo rõ ràng, mã vạch, mã QR và thông tin sản phẩm đầy đủ, sắc nét, không mờ mờ.
- Kiểm tra sản phẩm: Vòng bi SKF chính hãng có độ hoàn thiện cao, khắc laser rõ ràng, sắc nét trên vòng bi (SKF, mã sản phẩm, nước sản xuất).
- Cảm nhận trực quan: Vòng bi chính hãng quay mượt mà, không có tiếng kêu lạ, không có bất kỳ mức độ bất thường nào.
- Sử dụng ứng dụng SKF Authenticate: SKF có ứng dụng di động cho phép bạn quét mã QR hoặc mã vạch để kiểm tra tính xác thực của sản phẩm.
đ. Khi nào cần thay thế vòng bi 6201-2RSH/C3?
Bạn nên thay thế vòng bi khi nhận được các dấu hiệu sau:
- Tiếng kêu bất ngờ: Tiếng kêu lạo xạo, rít, hoặc kêu khi vòng bi quay.
- Tăng nhiệt độ: Vòng bi tăng lên bất thường trong quá trình hoạt động.
- Độ lớn: Thiết bị hoạt động có mức tăng đáng kể.
- Rò rỉ mỡ: Kích thước có thể rò rỉ nếu cao su bị hỏng hoặc vòng bi quá nhiệt.
- Vòng bi bị khóa hoặc không được xóa.
- Biến dạng vật lý: Phớt cao su bị rách, biến dạng hoặc vòng bi bị ăn mòn. Kinh nghiệm từ các kỹ sư Mecsu: Việc kiểm tra định kỳ bằng cách lắng nghe tiếng ồn hoặc cảm nhận mức độ rung có thể giúp phát hiện sớm các dấu hiệu cần thay thế, tránh nguy hại gây hại nghiêm trọng hơn cho toàn bộ hệ thống.
f. Mua vòng bi SKF 6201-2RSH/C3 chính hãng, uy tín ở đâu?
Mua vòng bi SKF 6201-2RSH/C3 chính hãng và đảm bảo chất lượng, bạn hãy liên hệ ngay với Mecsu.
- Cam kết chất lượng: 100% sản phẩm có nguồn gốc rõ ràng, đầy đủ chứng từ CO, CQ. Chúng tôi cam kết hoàn tiền 100% hoặc đổi trả nếu sản phẩm không phải của công ty chính thức.
- Giá cả cạnh tranh: Đảm bảo giá tốt nhất đi kèm chất lượng, với chính sách chiết khấu hấp dẫn cho đơn hàng số lượng lớn.
- Tư vấn chuyên sâu: Đội ngũ kỹ sư giàu kinh nghiệm sẵn sàng hỗ trợ bạn về kỹ thuật và lựa chọn sản phẩm phù hợp nhất.
- Chính sách hậu mãi: Đảm bảo quyền lợi tối đa cho khách hàng với dịch vụ hỗ trợ nhanh chóng, tận tâm.
12. Liên hệ và hỗ trợ
Nếu bạn có bất kỳ thắc mắc nào về vòng bi SKF 6201-2RSH/C3 hoặc cần tư vấn về giải pháp vòng bi cho ứng dụng cụ thể của mình, đừng ngần ngại liên hệ với đội ngũ chuyên gia của Mecsu. Chúng tôi luôn sẵn sàng hỗ trợ bạn tìm kiếm sản phẩm phù hợp và tối ưu nhất.
CÔNG TY CP MECSU
- Địa chỉ: B28/I – B29/I, Đường số 2B, KCN Vĩnh Lộc, P. Bình Hưng Hòa B, Q. Bình Tân, TP.HCM
- Đường dây nóng: 1800 8137
- Email: [email protected]
- Trang web: mecsu.vn
Khám phá thêm các sản phẩm vòng bi SKF chính hãng khác!
13. Thông tin bổ sung
a. Kinh nghiệm thực tế & câu chuyện thành công
Tại Mecsu, chúng tôi tự hào là đối tác đáng tin cậy của nhiều doanh nghiệp trong việc cung cấp các giải pháp chất lượng cao vòng vòng. Vòng bi SKF 6201-2RSH/C3 đã và đang được ứng dụng rộng rãi trong các dự án của khách hàng, mang lại hiệu quả vượt trội:
- Ngành sản xuất thiết bị gia dụng: Chúng tôi đã cung cấp SKF 6201-2RSH/C3 cho một nhà sản xuất máy móc tại TP.HCM. Giảm cao su 2RSH và khe hở C3 giúp vòng hoạt động ổn định trong môi trường ẩm ướt với nhiệt độ thay đổi, kéo dài tuổi thọ sản phẩm thêm 30%.
- Máy móc công nghiệp nhẹ nhàng: Một sản phẩm sản xuất băng tải nhỏ đã sử dụng SKF 6201-2RSH/C3, tận dụng khả năng chống bụi, nước và khe hở C3 để đảm bảo vận hành ổn định trong môi trường sản phẩm sản xuất có độ ẩm và rung động.
- Ứng dụng xe máy: SKF 6201-2RSH/C3 được sử dụng trong các bộ phận bánh xe của xe máy, mang lại độ bền cao và hiệu suất ổn định trong điều kiện ngoài trời với nhiệt độ thay đổi.
b. Trích dẫn chuyên gia
“SKF 6201-2RSH/C3 là sự lựa chọn lý tưởng cho các ứng dụng trong môi trường bụi hoặc ẩm ướt với giãn cách nhiệt hoặc rung động. Giảm cao su tiếp xúc 2RSH và khe hở C3 mang lại hiệu quả vượt trội, giảm thiểu bảo trì và kéo dài tuổi thọ thiết bị trong các điều kiện khắc phục.”
— Kỹ sư cơ điện, Chuyên gia kỹ thuật Mecsu (TP. Hồ Chí Minh)
c. Tài liệu tham khảo và nghiên cứu
Nội dung bài viết này được biên soạn dựa trên các tài liệu kỹ thuật chính quy và đáng tin cậy của SKF, cùng với kinh nghiệm thực tế của Đội ngũ kỹ sư Mecsu:
- Danh mục sản phẩm SKF (Danh mục sản phẩm SKF chính thức)
- Tài liệu kỹ thuật SKF Explorer – Vòng Bi Rãnh Sâu (Thông tin chuyên sâu về vòng bi cầu ngành sâu SKF Explorer)
- Bảng dữ liệu kỹ thuật (Datasheet) chi tiết của SKF 6201-2RSH và thông tin về khe C3
- Trải nghiệm thực tế và phản hồi từ dự án khách hàng của Mecsu.

















Đánh giá
Chưa có đánh giá nào.