Mô tả sản phẩm
Thông tin CHUYÊN SÂU về Vòng Bi Cầu Rãnh Sâu SKF 6205 (25x52x15) Không Sản phẩm
Mục Lục
- 1. Vòng Bi SKF 6205 Là Gì? – Giải Thích Chuyên Sâu
- 2. Thông Số Kỹ Thuật Chi Tiết Của Vòng Bi Cầu SKF 6205
- 3. Cấu hình Chi Tiết Vòng Bi SKF 6205
- 4. Phân tích chuyên sâu: Thiết kế không sản phẩm của SKF 6205
- 5. Ưu và nhược điểm của Vòng Bi SKF 6205
- 6. Ứng dụng Thực Tế của Vòng Bi SKF 6205
- 7. Hướng dẫn cài đặt và gỡ bỏ SKF 6205
- 8. So Sánh Vòng Bi 6205 với Các Loại 6205 Khác
- 9. Cách Phân Biệt Vòng Bi SKF 6205 Thật – Giả – Lời Khuyên Từ Chuyên Gia Mecsu
- 10. Giá Bán & Moni Ý Mua Vòng Bi SKF 6205 Chính Hãng Tại TP.HCM
- 11. Câu hỏi thường gặp về Vòng Bi SKF 6205
- 12. Liên Hệ và Hỗ Trợ Tư Vấn Vòng Bi SKF
- 13. Thông Tin Bổ Sung & Kinh nghiệm Thực Tế Từ Mecsu
1. Vòng Bi SKF 6205 Là Gì? – Giải Thích Chuyên Sâu
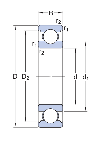
Vòng bi cầu rãnh sâu SKF 6205 là một trong những sản phẩm chủ lực của SKF, được thiết kế cho các ứng dụng có độ tin cậy và hiệu suất cao được yêu cầu. Mã “6205” chỉ định kích thước cơ sở cho đường kính trong (d) 25mm, đường kính ngoài (D) 52mm và chiều dày (B) 15mm.
Vòng bi SKF 6205 là loại không sản phẩm (mở), không có cấp tốc, giúp tối ưu hóa tốc độ quay và phù hợp với các hệ thống có cơ chế bôi trơn riêng. Thiết kế này cho phép bạn dễ dàng tra mỡ hoặc bôi trơn bất kỳ, phù hợp với các ứng dụng yêu cầu tốc độ cao và khả năng chịu tải tốt. Vòng bi không có sản phẩm phù hợp trong môi trường sạch sẽ hoặc có hệ thống bôi trơn liên tục, nơi không cần bảo vệ bụi hoặc chất tạp chất. Khe hướng tâm tiêu chuẩn (CN) giúp ổn định vòng bi hoạt động trong điều kiện nhiệt độ bình thường và các ứng dụng không có yêu cầu đặc biệt về giãn nở nhiệt.
2. Thông số Kỹ Thuật Chi Tiết của Vòng Bi Cầu SKF 6205
D: Đường kính ngoài
B: Bề dày
C: Tải cơ sở dữ liệu danh sách
C0: Tải danh sách cơ sở dữ liệu tĩnh
Pu: Giới hạn tải mệt mỏi
| Thông số | Giá trị |
|---|---|
| Mã sản phẩm | 6205 |
| Loại vòng bi | Vòng Bi Cầu Rãnh Sâu (Vòng Bi Rãnh Sâu) |
| Đường kính trong (d) | 25 mm |
| Đường kính ngoài (D) | 52 mm |
| Bề dày (B) | 15 mm |
| Tải cơ sở dữ liệu danh sách (C) | 14,8 kN |
| Tải quan trọng cơ sở dữ liệu danh sách (C0) | 7,8 kN |
| Giới hạn tải mệt mỏi (Pu) | 0,335 kN |
| Tốc độ tham chiếu | 28 000 vòng/phút |
| Tốc độ giới hạn | 18 000 vòng/phút |
| Thế hệ khả năng làm việc cao của SKF | SKF Explorer |
| Rãnh tra bi | Không có |
| Số dòng | 1 |
| Phương tiện để định vị, vòng ngoài của vòng bi | Không có |
| Loại lỗ | Hình trụ |
| Vòng cách | Thép tấm (Sheet metal) |
| Kiểu gắn cặp | Không |
| Khe khe trong hướng kính | CN (Tiêu chuẩn) |
| Vật liệu, vòng bi | Thép vòng bi |
| Lớp mạ | Không có |
| Phớt chắc | No (Mở) |
| Loại Chắc Dầu | Không có |
| Tra mỡ sẵn chưa? | Không (Yêu cầu bôi trơn từ bên ngoài hệ thống) |
| Phương tiện để tái bôi trơn | Có (Dễ dàng tra mỡ hoặc dầu từ hệ thống bên ngoài) |
| Dấu vết carbon của sản phẩm được chỉ định để sản xuất | 0,68 kg CO2e |
| Trọng lượng sản phẩm | 0,128 kg |
| Mã eClass | 23-05-08-01 |
| Mã UNSPSC | 31171504 |
3. Cấu hình Chi Tiết Vòng Bi SKF 6205
Vòng bi SKF 6205 được cấu thành từ các bộ phận chính, mỗi bộ phận đóng vai trò quan trọng trong công việc đảm bảo hiệu suất hoạt động và độ bền:
Sơ đồ tạo vòng Bi Cầu Rãnh Sâu SKF 6205 không Sản phẩm:
- Vòng trong/ngoài: Được chế tạo từ thép chịu lực cao, cùng với khu vực Yên tĩnh, chịu tải chính.
- Bi cầu: Sản phẩm sản xuất từ thép siêu chính xác và được xử lý nhiệt đặc biệt để giảm độ cứng, tăng cường độ cứng và độ bền.
- Vòng cách: Làm bằng thép mạnh, có chức năng giữ các thành viên đều nhau, đảm bảo vòng bi hành động nữ ái và ổn định.
4. Phân tích chuyên sâu: Thiết kế không sản phẩm của SKF 6205
Để thực sự hiểu được giá trị của vòng bi SKF 6205, việc phân tích sâu hơn về thiết kế không sản phẩm là rất quan trọng.
Thiết kế không có sản phẩm (mở):
- Chức năng chính: Thiết kế không cho phép hoạt động trong vòng lặp với tốc độ cao nhờ giảm mức tối đa tối thiểu. Vòng bi không có bột hoặc đẳng cấp, giúp dễ dàng tra mỡ hoặc bôi trơn từ hệ thống bên ngoài.
- Đặc điểm nổi bật: Thiết kế mở giúp nhiệt độ tốt hơn và phù hợp với các hệ thống có cơ chế bôi trơn liên tục hoặc định kỳ, như trong hộp số hoặc các ứng dụng có hệ thống dầu bôi trơn tuần hoàn.
- Ưu điểm vượt trội:xinh không có dây thép, vòng bi 6205 có tốc độ quay tối đa cao (lên đến 18 000 r/min), phù hợp cho các ứng dụng đòi hỏi hiệu suất cao như cơ điện hoặc máy công cụ. Thiết kế này cũng cho phép bảo trì dễ dàng hơn, bởi vì người dùng có thể kiểm tra và tra mỡ/dầu bôi trơn bất kỳ thời điểm nào mà không cần phải rút dây thép.
- Phương pháp: Do không có dây dẫn, vòng bi dễ bị ảnh hưởng bởi bụi bẩn, chất thương hoặc chất thải từ môi trường bên ngoài, Đòi hỏi phải hoạt động trong môi trường sạch sẽ hoặc có hệ thống bảo vệ và bôi trơn đầy đủ
Khe hở trong kính hướng “CN” (Thông thường):
- Ý nghĩa: “CN” là cách viết tắt của “Giải phóng mặt bằng bình thường” (khe giãn tiêu chuẩn), có nghĩa là khe hở hướng tâm của vòng bi phù hợp với các ứng dụng thông thường, không yêu cầu giãn nhiệt lớn.
- Tầm quan trọng: CN đảm bảo ổn định hoạt động trong điều kiện nhiệt độ bình thường và tải tiêu chuẩn quan trọng, phù hợp với các ứng dụng không có yêu cầu đặc biệt về nhiệt độ hoặc dung tích lắp đặt sai.
- Lựa chọn phù hợp: Thiết kế không sản xuất phù hợp với khe hở CN giúp SKF 6205 trở thành giải pháp tối ưu cho các máy móc hoạt động ở tốc độ cao, trong môi trường sạch sẽ hoặc có hệ thống bôi trơn đầy đủ, đồng thời yêu cầu bảo trì định kỳ để duy trì hiệu suất.
Thiết kế không sản phẩm của SKF 6205 giúp tối ưu hóa tốc độ quay và khả năng nhiệt, lý tưởng cho các ứng dụng yêu cầu hiệu suất cao và có hệ thống tẩy rửa sạch, nhưng cần được sử dụng trong môi trường sạch sẽ để tránh tổn hại cho Bụi Bẩn.
5. Ưu và nhược điểm của Vòng Bi SKF 6205
Vòng bi SKF 6205 được sử dụng rộng rãi nhờ hiệu suất và độ bền vượt trội. Tuy nhiên, yêu cầu về mức độ ưu tiên phải hiểu được mức độ ưu tiên của nó.
Ưu điểm nổi bật:
- Tuổi thọ cao và độ bền vượt trội: Thuộc thế hệ “SKF Explorer”, 6205 mang lại hiệu suất làm việc bền bỉ và tuổi thọ kéo dài, ngay cả trong điều kiện khắc nghiệt. Đây là lợi thế cạnh tranh lớn so với các sản phẩm gốc chưa rõ nguồn gốc.
- Vận hành hành động và hiệu quả năng lượng: Thiết kế không giúp giảm ma sát tối đa, từ đó hạn chế chế độ sinh nhiệt và tiết kiệm năng lượng, hiệu quả đặc biệt ở tốc độ cao.
- Khả năng chịu tải đa hướng: Có khả năng đảm bảo tốt tải trọng tâm hướng (tải trọng hướng tâm) và hướng xọc xọc (tải xọc trục) theo cả hai chiều, mang lại linh hoạt trong thiết kế máy móc.
- Dễ dàng bảo trì: Thiết kế mở cho phép kiểm tra và tra mỡ/dầu bôi trơn định kỳ, giúp kéo dài tuổi thọ vòng bi trong hệ thống có cơ chế bôi trơn bóng.
- Độ tin cậy cao của thương hiệu hàng đầu: SKF là nhà sản xuất vòng bi hàng đầu thế giới, đảm bảo chất lượng và độ tin cậy vượt trội cho sản phẩm 6205.
- Tốc độ quay cao: Với giới hạn tốc độ tăng lên đến 18 000 r/min, vòng bi này phù hợp cho các ứng dụng Yêu cầu hiệu suất cao và tốc độ quay lớn.
Nhược điểm cần lưu ý:
- Khả năng chống bụi và chất thải độc hại: Không có vách chắn hoặc phun, vòng bi dễ bị ảnh hưởng bởi bụi bẩn, chất thải hoặc chất thải, yêu cầu sử dụng trong môi trường sạch sẽ hoặc có hệ thống bảo vệ đầy đủ.
- Yêu cầu bảo trì thường xuyên: Vòng bi không được bôi mỡ sẵn và cần hệ thống bôi trơn bên ngoài hoặc tra mỡ/dầu định kỳ để duy trì hiệu suất.
- Giá thành: Mức giá của vòng bi SKF 6205 có thể cao hơn so với các sản phẩm từ thương hiệu nổi tiếng. Tuy nhiên, đây là sản phẩm đầu tư xứng đáng cho độ bền và hiệu suất dài hạn.
6. Ứng dụng Thực Tế của Vòng Bi SKF 6205
Với kích thước tiêu chuẩn, khả năng chịu tải tốt, tốc độ quay cao và thiết kế không sản phẩm, vòng bi SKF 6205 được ứng dụng rộng rãi trong nhiều lĩnh vực công nghiệp và dân dụng tại TP. Hồ Chí Minh và các khu công nghiệp lân cận, đặc biệt là những nơi yêu cầu tốc độ cao và có hệ thống bôi trơn đầy đủ:
- Động cơ điện công suất nhỏ và trung bình: Là đơn vị lựa chọn lý tưởng cho các động cơ hoạt động liên tục, Đòi hỏi tốc độ cao và khả năng tản nhiệt tốt.
- Hộp số và hệ thống truyền động: Đảm bảo hiệu quả truyền động và giảm thiểu tối thiểu thất bại trong các ứng dụng có hệ thống bôi dầu tuần hoàn.
- Máy công cụ, máy gia công kim loại: Chịu tải trọng và tốc độ cao trong quá trình gia công, cắt gọt, nơi cần lò nhiệt tốt.
- Hướng dẫn công nghiệp nhỏ: Đảm bảo vận hành mượt mà trong hệ thống bơm có cơ chế bôi trơn riêng.
- Máy phát điện: Duy trì hoạt động ổn định và đáng tin cậy trong các tổ máy phát điện nhỏ.
- Ứng dụng trong ngành nông nghiệp và xây dựng: Phù hợp cho các thiết bị nhỏ yêu cầu tốc độ cao và có hệ thống bôi trơn đầy đủ
- Băng tải và vận hành hệ thống: Đảm bảo hoạt động trơn tru cho băng tải trong môi trường sạch sẽ hoặc có hệ thống bôi trơn đầy đủ.
7. Hướng dẫn cài đặt và gỡ bỏ SKF 6205
Để đảm bảo tuổi thọ và hiệu suất tối ưu cho vòng bi SKF 6205, cách lắp đặt và loại bỏ chính xác là vô cùng quan trọng. luôn thủ tục các nguyên tắc an toàn và kỹ thuật của các nhà sản xuất. Mecsu cung cấp hướng dẫn chi tiết dựa trên kinh nghiệm thực tế:
- Chuẩn bị: Đảm bảo môi trường làm việc sạch sẽ, khô ráo, không có bụi bẩn. Chuẩn bị đầy đủ các công cụ chuyên dụng như cảo, búa mềm, thiết bị gia nhiệt cảm ứng. Luôn đeo dây bảo vệ và kính bảo hộ để đảm bảo an toàn. Kiểm tra dụng cụ và gối phải sạch sẽ, không có lỗi và đảm bảo sai dịch vụ.
- Lắp đặt:
- Phương pháp nhiệt (phổ biến nhất cho vòng bi): Gia nhiệt vòng bi bằng thiết bị gia nhiệt chuyên dụng (ví dụ: máy gia nhiệt cảm ứng SKF) đến nhiệt độ khoảng 80-100°C (không vượt quá 120°C). Điều này giúp vòng nở ra, dễ trượt vào trục mà không cần dùng lực quá lớn. Luôn hoạt động đều đặn và tập trung lên vòng khi gắn vào xẹp xuống.
- Phương pháp cơ khí (dùng cho kích thước nhỏ): Sử dụng ống lót chuyên dụng và búa mềm, tác dụng lực đều lên vòng khi lắp vào trục. Tuyệt đối tránh hoạt động trực tiếp lên các thành viên vì có thể gây nguy hiểm cho mạng tính toán.
- Lưu ý: Đảm bảo vòng bi được gắn thẳng, không bị lệch hoặc kẹt.
- Gỡ bỏ:
- Sử dụng các công cụ hỗ trợ chuyên nghiệp (cảo cơ hoặc cả thủy lực) để xoay vòng một cách an toàn và không gây hư hỏng ống hỗ trợ kính hoặc gối. Tác dụng lực đều và đúng ở vòng trong (khi rút xẹp) hoặc vòng ngoài (khi rút gối).
- Tránh dùng đập trực tiếp lên các sinh vật học hoặc các bộ phận khác có thể gây ra các dạng biến đổi, hư hỏng. Việc này không chỉ làm hỏng vòng bi mà còn tiềm ẩn nguy hiểm.
- Người bảo vệ: Nếu không sử dụng ngay, hãy giữ vòng bi trong bao bì gốc của nhà sản xuất, ở nơi khô ráo, thoáng mát, tránh ánh nắng trực tiếp và các chất hóa học ăn mòn rỉ sét và bụi nguy hiểm xâm nhập.
8. So Sánh Vòng Bi 6205 với Các Loại 6205 Khác
Biết rõ sự khác biệt giữa các loại vòng bi 6205 SKF sẽ giúp bạn lựa chọn sản phẩm phù hợp nhất cho ứng dụng của mình, tối ưu hóa hiệu suất và chi phí đầu tư
| Tiêu chí | SKF 6205 (Không sản phẩm, khe CN) | SKF 6205-Z (Nắp thép 1 đầu, khe hở CN) | SKF 6205-2Z |
|---|---|---|---|
| Chất liệu/Chắc chắn | No leo/bắp đặt | Thép dập (Shield) – 1 bên | Thép dập (Shield) – 2 bên |
| Khả năng làm kín | Kém (dễ bị mủ, mủ) | Tốt (chắn bụi lớn, giữ mỡ, gần hơn loại sơn cao su với chất độc) – Sản phẩm cáp không tiếp xúc | Rất tốt (chắn bụi lớn, giữ mỡ tối ưu) – Căng dây không tiếp căng |
| Khe khe hướng kính | CN (Tiêu chuẩn) | CN (Tiêu chuẩn) | CN (Tiêu chuẩn) |
| Tốc độ quay tối đa | 18 000 vòng/phút | 17 000 vòng/phút | 15 000 vòng/phút |
| Khả năng chống ẩm/lỏng | Rất kém | Trung bình | Trung bình (tốt hơn Z, nhưng kém hơn 2RSH) |
| Nhu cầu bảo trì | Cao (cần bảo trì, tra mỡ định kỳ hoặc bôi trơn liên tục) | Trung bình (có thể cần tra mỡ bất kỳ tùy chọn ứng dụng nào) | Rất thấp (bôi trơn sẵn từ nhà máy, kín đáo) |
| Độ âm / Rung động | Thấp | Thấp | Thấp |
| Giá thành | Thấp nhất | Trung bình | Cao nhất (làm 2 Bước) |
| Ứng dụng điển hình | Hộp số, ứng dụng có hệ thống bôi trơn riêng biệt, môi trường sạch, tốc độ cao. | Động cơ điện, quạt, máy móc cần tốc độ cao, môi trường có bụi khô, cần định hướng dây cáp. | Động cơ điện, quạt, máy móc cần tốc độ cao, môi trường khô ráo, cần bảo vệ và ít bảo trì. |
9. Cách Phân Biệt Vòng Bi SKF 6205 Thật – Giả Lời Khuyên Từ Chuyên Gia Mecsu
Thị trường hiện nay có rất nhiều hàng giả, hàng giả chất lượng, đặc biệt là với các sản phẩm vòng bi SKF chính hãng được ưa chuộng. Để đảm bảo bạn mua được vòng bi SKF 6205 chính hãng tại TP.HCM, Mecsu khuyến nghị kiểm tra các dấu hiệu sau:
Một. Dấu vết vòng bi SKF 6205 chính hãng:
- Bao bì chất lượng cao: Sắc nét, màu xanh đặc trưng của SKF, sản phẩm thông tin rõ ràng, đầy đủ mã vạch/QR code và thông tin xuất xứ. Bạn sẽ tìm thấy công nghệ trong từng chi tiết.
- In ấn trên vòng bi sắc nét: Logo SKF, mã sản phẩm (6205) và các sản phẩm quốc gia được sản xuất hoặc khắc laser sắc nét, rõ ràng, không lem, không sai phông chữ, rất khó bị tẩy xóa.
- Mã QR/Bar code xác thực: Có thể quét bằng ứng dụng “SKF Authenticate” trên điện thoại di động thông minh để xác thực nguồn gốc và tính chính hãng của sản phẩm. Đây là công cụ hữu ích nhất của SKF để chống hàng giả.
- Bề mặt hoàn thiện: Vòng bi có chiều dày, không có dấu hiệu rỉ, ba qua hoặc dấu vết. Các bộ phận như vòng trong, vòng ngoài và bi được gia công chính xác.
- Cảm giác giác giác giác giác giác giác vận động mượt mà: Khi quay vòng bi bằng tay, bạn sẽ cảm nhận được sự mượt mà, không có tiếng kêu lạ, không bị rơ (độ hoàn hảo).
- Chứng từ đầy đủ: Nhà cung cấp uy tín sẽ cung cấp đầy đủ “CO” (chứng nhận xuất xứ) và “CQ” (chứng nhận chất lượng) từ nhà sản xuất, đảm bảo nguồn gốc và chất lượng sản phẩm.
b. Dấu hiệu của vòng bi SKF 6205 hàng giả/nhái:
- In ấn mờ nhạt, sai chính tả, phông chữ lạ, thiếu thông tin hoặc không chính xác trên cả bao bì và vòng bi.
- Bao bì thô, tiêu chuẩn trôi màu SKF, thiếu thông tin quan trọng hoặc có dấu hiệu làm lại.
- Giá trị chất lượng nằm ngoài vòng lặp, có dấu hiệu, ba thông tin hoặc sơ đồ sơ đồ.
- Không có mã QR hoặc mã hóa không quét được hoặc quét ra thông tin không khớp với sản phẩm chính hãng.
- Khi quay tay có tiếng kêu lạ xạ, cảm giác giác giác, nặng hoặc quá trơn (rơ) làm gia công chính xác.
- Giá bán rẻ bất ngờ so với thị trường của các hãng sản phẩm chính – đây là dấu hiệu cảnh báo lớn nhất
10. Giá Bán & Moni Ý Mua Vòng Bi SKF 6205 Chính Hãng Tại TP.HCM
a. Giá vòng bi SKF 6205 (TP.Hồ Chí Minh) tại Mecsu: 89,294 đ/ Cái (đã có VAT) – Giá hợp lý, phù hợp với chất lượng sản phẩm chính hãng
Liên hệ để nhận báo giá tốt nhất (giá có thể thay đổi tùy thời điểm và số lượng) – Giá hợp lý, phù hợp với chất lượng sản phẩm chính hãng SKF tại thị trường vòng bi TP.HCM.
b. Gợi ý mua vòng bi chính hãng SKF uy tín
- Chọn nhà cung cấp uy tín tại TP.HCM: Ưu tiên đối tác có bằng chứng nhận từ SKF hoặc đơn vị lâu năm, được nhiều khách hàng tin tưởng và có danh tiếng trên thị trường cung cấp linh kiện cơ khí tại TP.HCM.
- Kiểm tra chứng từ đầy đủ: Luôn yêu cầu đầy đủ “CO” (chứng nhận xuất xứ) và “CQ” (chứng nhận chất lượng) để đảm bảo nguồn gốc và chất lượng của sản phẩm. Điều này giúp bạn tránh mua phải “vòng bi SKF giả” trên thị trường.
- 100% sản phẩm chính hãng: Đảm bảo nguồn gốc rõ ràng, đầy đủ chứng từ. Chúng tôi cam kết hoàn tiền 100% hoặc đổi trả nếu sản phẩm không phải của công ty chính thức.
- Chính sách bảo hành minh bạch: Hỗ trợ đổi trả nếu nhà sản xuất gặp lỗi, mang lại sự an tâm tuyệt đối cho khách hàng.
- Hỗ trợ kỹ thuật chuyên sâu: Đội ngũ kỹ sư giàu kinh nghiệm sẵn sàng hỗ trợ bạn về kỹ thuật và lựa chọn sản phẩm phù hợp nhất cho mọi ứng dụng.
- Giá cả cạnh tranh: Đảm bảo giá tốt nhất đi kèm chất lượng, với chính sách chiết khấu hấp dẫn cho đơn hàng số lượng lớn, đặc biệt khi “mua vòng bi SKF số lượng lớn”.
MUA THÊM NHIỀU LOẠI VÒNG BI CHÍNH HÃNG KHÁC TẠI MECSU
11. Câu hỏi thường gặp về Vòng Bi SKF 6205
a. Vòng bi SKF 6205 có cần bảo dưỡng, tra mỡ không?
Vòng bi SKF 6205 không được sản xuất mỡ từ nhà máy và là loại không sản, yêu cầu bôi trơn từ hệ thống bên ngoài hoặc tra mỡ/dầu định kỳ. Trong các ứng dụng có hệ thống bôi trơn liên tục, vòng bi có thể hoạt động ổn định mà không cần bảo trì thường xuyên. Tuy nhiên, trong môi trường không có hệ thống bôi trơn, cần tra mỡ định kỳ để duy trì hiệu suất và tuổi thọ.
b. Thiết kế không sản xuất trong mã SKF 6205 có ý nghĩa gì?
- Thiết kế không sản xuất (mở) giúp giảm ma sát tối đa, cho phép hoạt động vòng bi ở tốc độ cao (lên đến 18 000 r/min) và tản nhiệt tốt hơn.
- Thiết kế này phù hợp với các ứng dụng có hệ thống bôi trơn riêng biệt hoặc môi trường sạch sẽ, nơi không cần bảo vệ chống bụi hoặc chất tạp chất
c. Vòng bi SKF 6205 có phải là vòng bi chịu nhiệt không?
Với khe hở CN (tiêu chuẩn), vòng bi SKF 6205 phù hợp cho các ứng dụng ở nhiệt độ bình thường. Đối với các ứng dụng yêu cầu nhiệt độ cao (ví dụ trên 150°C), bạn cần tham khảo các loại vòng bi chuyên dụng chịu nhiệt hoặc sử dụng mỡ bôi trơn chịu nhiệt độ cao đặc thù. Hãy liên hệ với Mecsu để được tư vấn giải pháp vòng bi chịu nhiệt phù hợp.
d. Làm sao biết vòng bi 6205 của tôi là hàng chính hãng SKF?
Kiểm tra bao bì (logo, mã QR rõ ràng), vòng bi có khắc lazer sắc nét, quay mượt. Điều quan trọng nhất, hãy sử dụng ứng dụng SKF Authenticate để quét mã và kiểm tra trực tiếp từ SKF. Đây là cách chắc chắn nhất để phân biệt vòng bi SKF thật giả.e. Khi nào cần thay thế vòng bi 6205?
Bạn nên thay thế vòng bi khi nhận được các dấu hiệu sau:
- Tiếng ồn bất thường: Tiếng kêu lạo xạo, rít, hoặc kêu khi vòng bi quay, báo hiệu bi hoặc rãnh bị mòn.
- Tăng nhiệt độ: Vòng tăng nhiệt bất thường trong quá trình hoạt động, có thể thiếu bôi trơn hoặc tải quá trình.
- Độ cao lớn: Thiết bị hoạt động có mức độ tăng lên đáng kể, ảnh hưởng đến hiệu suất và có thể gây nguy hiểm cho các bộ phận khác.
- Biến dạng vật lý: Vòng bi bị ăn mòn, móp méo hoặc có dấu hiệu hư hại nguy hiểm.
- Vòng bi bị khóa hoặc không được xóa.
Kinh nghiệm từ các kỹ sư Mecsu: Việc kiểm tra định kỳ bằng cách lắng nghe tiếng ồn hoặc cảm nhận mức độ rung có thể giúp phát hiện sớm các dấu hiệu cần thay thế, tránh nguy hại gây hại nghiêm trọng hơn cho toàn bộ hệ thống. Đừng ngần ngại liên hệ với chúng tôi để được hỗ trợ kỹ thuật về bảo trì vòng bi hoặc thay thế vòng bi.
f. Mua vòng bi SKF 6205 chính hãng, uy tín ở đâu tại TP.HCM?
Mua vòng bi SKF 6205 chính hãng và đảm bảo chất lượng tại TP.HCM, bạn hãy liên hệ ngay với Mecsu. Chúng tôi tự hào là nhà cung cấp uy tín các sản phẩm SKF chính hãng tại Việt Nam.
- Cam kết chất lượng: 100% sản phẩm có nguồn gốc rõ ràng, đầy đủ chứng từ CO, CQ. Chúng tôi cam kết hoàn tiền 100% hoặc đổi trả nếu sản phẩm không phải của công ty chính thức.
- Giá cả cạnh tranh: Đảm bảo giá tốt nhất đi kèm chất lượng, với chính sách chiết khấu hấp dẫn cho đơn hàng số lượng lớn.
- Tư vấn chuyên sâu: Đội ngũ kỹ sư giàu kinh nghiệm sẵn sàng hỗ trợ bạn về kỹ thuật và lựa chọn sản phẩm phù hợp nhất.
- Chính sách hậu mãi: Đảm bảo quyền lợi tối đa cho khách hàng với dịch vụ hỗ trợ nhanh chóng, tận tâm.
12. Liên Hệ và Hỗ Trợ Tư Vấn Vòng Bi SKF
Nếu bạn có bất kỳ thắc mắc nào về vòng bi SKF 6205 hoặc cần tư vấn về giải pháp vòng bi cho ứng dụng cụ thể của mình, đừng ngần ngại liên hệ với đội ngũ chuyên gia của Mecsu. Chúng tôi luôn sẵn lòng hỗ trợ bạn tìm ra sản phẩm phù hợp và tối ưu nhất, đồng thời cung cấp những kiến thức về kỹ thuật bảo trì vòng bi mà bạn khó tìm thấy ở những nơi khác Địa chỉ: B28/I – B29/I Đường số 2B, KCN Vĩnh Lộc, P. Bình Hưng Hòa B, Q. Bình Tân, TP.HCM
Đường dây nóng: 1800 8137
Email: [email protected]
Trang web: mecsu.vn
13. Thông Tin Bổ sung & Kinh nghiệm Thực Tế Từ Mecsu
a. Kinh nghiệm Thực Tế & Câu Chuyện Thành Công
Tại Mecsu, chúng tôi tự hào là đối tác đáng tin cậy của nhiều doanh nghiệp trong việc cung cấp các giải pháp chất lượng cao vòng vòng. Vòng bi SKF 6205, với đặc tính tải tốt và khả năng hoạt động ở tốc độ cao, đã được ứng dụng trong nhiều dự án quan trọng của khách hàng chúng tôi tại TP. Hồ Chí Minh và các tỉnh lân cận, mang lại hiệu quả vượt trội và là chứng minh chất lượng sản phẩm
b. Kinh nghiệm Thực Tế & Câu Chuyện Thành Công
Tại Mecsu, chúng tôi tự hào là đối tác đáng tin cậy của nhiều doanh nghiệp trong việc cung cấp các giải pháp chất lượng cao vòng vòng. “Vòng bi SKF 6205”, với đặc tính chịu tải tốt và khả năng hoạt động ở tốc độ cao, đã được ứng dụng trong nhiều dự án quan trọng của khách hàng tôi tại “TP. Hồ Chí Minh” và các tỉnh lân cận, mang lại hiệu quả vượt trội và là minh chứng kinh nghiệm cho sản phẩm chất lượng cùng trải nghiệm thực tế của Đội ngũ huyền thoại Mecsu:
- Ngành sản xuất cơ khí: Chúng tôi đã cung cấp “SKF 6205” cho một nhà sản xuất cơ khí tại Bình Dương. Hỗ trợ khả năng vận động eo ái, bền bỉ và tốc độ quay cao, vòng bi này đã góp phần đáng kể vào việc nâng cao hiệu suất và độ tin cậy của động cơ, đặc biệt trong các ứng dụng có hệ thống bôi trơn dầu tuần hoàn.
- Lĩnh vực hộp số công nghiệp: SKF 6205 được lựa chọn cho các loại ứng dụng hộp số cần tốc độ cao và tản nhiệt tốt. Độ tin cậy vượt trội của “vòng bi SKF chính hãng” đã giúp hệ thống truyền động hoạt động ổn định trong thời gian dài.
- Thiết bị chế biến nông sản: Một khách hàng chuyên sản xuất máy biến nông sản đã ứng dụng “vòng bi 6205” vào các bộ phận trục quay chính trong môi trường sạch sẽ. Khả năng chịu tải và tốc độ cao của vòng bi đã giúp máy móc hoạt động ổn định và kéo dài tuổi thọ.
c. Trích Dẫn Chuyên Gia
“SKF 6205” là một lựa chọn tuyệt vời cho các ứng dụng công nghiệp cần tốc độ quay cao và khả năng tản nhiệt tốt, đặc biệt trong các hệ thống có cơ chế bôi trơn. Thiết kế không mang lại lợi thế về ma sát, rất hợp lý cho những hệ thống mà tốc độ quay là yếu tố sau đó. Đây là giải pháp đáng tin cậy và hiệu quả cho nhiều loại máy móc trong môi trường hoặc có hệ thống bôi.”
— “Kỹ sư cơ khí Chuyên gia kỹ thuật Mecsu” (TP. Hồ Chí Minh) – Với hơn 10 năm kinh nghiệm trong lĩnh vực “bạc đạn công nghiệp”.
d. Tài Liệu Tham Khảo và Nghiên Cứu
Nội dung bài viết này được biên soạn dựa trên các tài liệu kỹ thuật chính quy và đáng tin cậy của SKF , cùng với kinh nghiệm thực tế chuyên sâu của đội ngũ kỹ sư Mecsu, đảm bảo tính chính xác, cập nhật và chuyên môn môn cao:
- Danh mục sản phẩm SKF (Danh mục sản phẩm SKF chính thức) – Nguồn dữ liệu kỹ thuật chi tiết nhất về “vòng bi SKF”.
- Tài liệu kỹ thuật SKF Explorer – Vòng bi rãnh sâu (Thông tin chuyên sâu về “vòng bi cầu sâu SKF Explorer”) – Cung cấp cái nhìn toàn diện về thế hệ vòng bi bền bỉ này.
- Bảng dữ liệu kỹ thuật (Datasheet) chi tiết của SKF 6205 – Nguồn thông số kỹ thuật chính xác.
- Trải nghiệm thực tế và phản hồi từ các dự án khách hàng của Mecsu – “Dữ liệu độc nhất” được thu thập từ hơn 10 năm cung cấp “linh kiện cơ khí” và “giải pháp vòng bi” cho doanh nghiệp tại Việt Nam.
Biên soạn bởi: Đội ngũ kỹ sư Mecsu
(Xem thêm thông tin về chúng tôi tại Website Mecsu )
Lưu ý: Hình ảnh sản phẩm có thể khác biệt so với sản phẩm thực tế của SKF. Vui lòng tham khảo thông số kỹ thuật chi tiết hoặc liên hệ Mecsu để có thông tin chính xác nhất về sản phẩm.



















Đánh giá
Chưa có đánh giá nào.