Mô tả sản phẩm
Thông tin CHUYÊN SÂU về Vòng Bi Cầu Rãnh Sâu SKF 6205-2RS1/C3HT (25x52x15) Phố Cao Su NBR Tiếp xúc (Hai Bên)
Mục Lục
- 1. Vòng Bi SKF 6205-2RS1/C3HT Là Gì? – Giải Thích Chuyên Sâu
- 2. Thông Số Kỹ Thuật Chi Tiết Của Vòng Bi Cầu SKF 6205-2RS1/C3HT
- 3. Cấu hình Chi Tiết Vòng Bi SKF 6205-2RS1/C3HT
- 4. Phân Tích Chuyên Sâu: Phốt Cao Su 2RS1 và Khe Hở C3HT của SKF 6205-2RS1/C3HT
- 5. Ưu và nhược điểm của Vòng Bi SKF 6205-2RS1/C3HT
- 6. Ứng dụng Thực Tế của Vòng Bi SKF 6205-2RS1/C3HT
- 7. Hướng dẫn cài đặt và gỡ bỏ SKF 6205-2RS1/C3HT
- 8. So Sánh Vòng Bi 6205-2RS1/C3HT với Các Loại 6205 Other
- 9. Cách Phân Biệt Vòng Bi SKF 6205-2RS1/C3HT Thật – Giả – Lời Khuyên Từ Chuyên Gia Mecsu
- 10. Giá Bán & Mô-ni Ý Mua Vòng Bi SKF 6205-2RS1/C3HT Chính Hãng Tại TP.HCM
- 11. Câu hỏi thường gặp về Vòng Bi SKF 6205-2RS1/C3HT
- 12. Liên Hệ và Hỗ Trợ Tư Vấn Vòng Bi SKF
- 13. Thông Tin Bổ Sung & Kinh nghiệm Thực Tế Từ Mecsu
1. Vòng Bi SKF 6205-2RS1/C3HT Là Gì? – Giải Thích Chuyên Sâu
Vòng bi cầu rãnh sâu SKF 6205-2RS1/C3HT là một sản phẩm cao cấp thuộc dòng SKF Food Line, được thiết kế đặc biệt để đáp ứng các tiêu chuẩn an toàn thực phẩm và hoạt động trong môi trường ăn mòn. Mã “6205” chỉ định kích thước cơ sở cho đường kính trong (d) 25mm, đường kính ngoài (D) 52mm và chiều dày (B) 15mm.
Hậu tố “-2RS1” biểu thị vòng bi được trang bị hai phốt cao su NBR (Cao su Nitrile Butadiene) tiếp xúc ở cả hai phía, đảm bảo khả năng làm kín vượt trội, ngăn chặn bụi bẩn, hơi thơm và các chất xâm nhập khác. Ký hiệu “/C3HT” cho biết vòng bi có khả năng hướng tâm lớn hơn tiêu chuẩn (C3) và được bôi trơn chịu nhiệt cao (HT) phù hợp với các ứng dụng trong môi trường nhiệt độ cao hoặc yêu cầu an toàn thực phẩm. Vòng bi này được làm từ thép không gỉ, thuộc dòng SKF Food Line (VP311), đáp ứng các tiêu chuẩn an toàn thực phẩm, tăng cường khả năng chống ăn mòn và hỗ trợ phát triển bền vững trong môi trường khắc nghiệt.
2. Thông số Kỹ Thuật Chi Tiết của Vòng Bi Cầu SKF 6205-2RS1/C3HT
D: Đường kính ngoài
B: Bề dày
C: Tải cơ sở dữ liệu danh sách
C0: Tải danh sách cơ sở dữ liệu tĩnh
Pu: Giới hạn tải mệt mỏi
| Thông số | Giá trị |
|---|---|
| Mã sản phẩm | 6205-2RS1/C3HT |
| Loại vòng bi | Vòng Bi Cầu Rãnh Sâu (Vòng Bi Rãnh Sâu) |
| Đường kính trong (d) | 25 mm |
| Đường kính ngoài (D) | 52 mm |
| Bề dày (B) | 15 mm |
| Tải cơ sở dữ liệu danh sách (C) | 11,7 kN |
| Tải quan trọng cơ sở dữ liệu danh sách (C0) | 7,65 kN |
| Giới hạn tải mệt mỏi (Pu) | 0,335 kN |
| Tốc độ tham chiếu | Không áp dụng |
| Tốc độ giới hạn | 8 500 vòng/phút |
| Thế hệ khả năng làm việc cao của SKF | Dòng thực phẩm SKF |
| Rãnh tra bi | Không có |
| Số dòng | 1 |
| Phương tiện để định vị, vòng ngoài của vòng bi | Không có |
| Loại lỗ | Hình trụ |
| Vòng cách | Thép tấm (Sheet metal) |
| Kiểu gắn cặp | Không |
| Khe khe trong hướng kính | C3 (Khe đóng lớn hơn tiêu chuẩn) |
| Vật liệu, vòng bi | Thép không gỉ |
| Lớp mạ | Không có |
| Phớt chắc | Phố cao su NBR tiếp xúc hai bên (2RS1) |
| Loại Chắc Dầu | Tiếp xúc (Contact) |
| Tra mỡ sẵn chưa? | Có (Mỡ cấp thực phẩm chịu nhiệt cao VP311) |
| Phương tiện để tái bôi trơn | Không có |
| Dấu vết carbon của sản phẩm được chỉ định để sản xuất | 0,45 kg CO2e |
| Trọng lượng sản phẩm | 0,125 kg |
| Mã eClass | 23-05-08-01 |
| Mã UNSPSC | 31171504 |
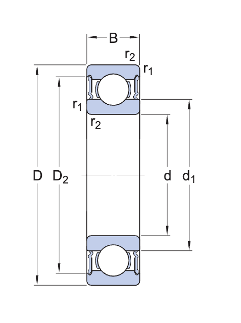
3. Cấu hình Chi Tiết Vòng Bi SKF 6205-2RS1/C3HT
Vòng bi SKF 6205-2RS1/C3HT được cấu hình từ các bộ phận chính, mỗi bộ phận đóng vai trò quan trọng trong công việc đảm bảo hiệu suất hoạt động và bền bỉ:Sơ đồ tạo vòng Bi Cầu Rãnh Sâu SKF 6205-2RS1/C3HT với phốt cao su hai đầu:
- Vòng trong/ngoài: Được chế tạo từ thép không gỉ, với công nghiệp lớn lo lắng, chịu tải chính và chống ăn mòn hiệu quả trong môi trường khắc nghiệt.
- Bi cầu: Sản phẩm sản xuất từ thép không gỉ siêu chính xác, được xử lý nhiệt đặc biệt để giảm ma sát, tăng cường độ cứng và độ bền.
- Vòng cách: Làm bằng thép mạnh, có chức năng giữ các thành viên đều nhau, đảm bảo vòng bi hành động nữ ái và ổn định.
- Phốt cao su NBR (2RS1): Gắn chặt vào vòng ngoài ở cả hai mặt, tiếp nối với vòng trong để tạo độ kín tối ưu, ngăn chặn bụi bẩn, hơi ẩm và các độc hại, đồng thời giữ chất bôi trơn cấp sản phẩm bên trong.
4. Phân Tích Chuyên Sâu: Phốt Cao Su 2RS1 và Khe Hở C3HT của SKF 6205-2RS1/C3HT
Để thực sự hiểu được giá trị của vòng bi SKF 6205-2RS1/C3HT, công việc phân tích sâu hơn về hai yếu tố thì chốt: phốt cao su “2RS1” và khe hở “C3HT” là rất quan trọng.
Phố cao su “2RS1” – Phố tiếp xúc hai bên:
- Chức năng chính: Phốt cao su NBR (2RS1) được thiết kế để làm kín tối ưu, ngăn chặn bụi da, hơi ẩm và các chất chiến thắng xâm nhập từ cả hai phía, đồng thời dưỡng dầu bôi trơn cấp thực phẩm hiệu quả.
- Đặc điểm nổi bật: Là loại phố tiếp xúc, phố cao su chạm vào vòng trong, tạo ra độ kín tuyệt đối, phù hợp cho môi trường ẩm ướt, bụi hoặc có nguy hiểm rửa cơ trôi.
- Ưu điểm vượt trội: Khả năng làm kín nổi, vòng bi 6205-2RS1/C3HT Lý tưởng cho các ứng dụng trong ngành thực phẩm, nơi yêu cầu bảo vệ sinh cao và khả năng chống mòn. Báo cáo 2RS1 bảo vệ vòng tròn khỏi các tác nhân bên ngoài, giảm nguy cơ hư hỏng và kéo dài tuổi thọ trong môi trường khắc nghiệt.
- Chế độ: Nguy cơ tiếp tục tạo ra ma sát lớn hơn so với sản phẩm thép không tiếp xúc (2Z), dẫn đến tốc độ quay tối đa thấp hơn (8 500 r/min). Điều này cần được cân bằng nhanh chóng khi chọn vòng bi để tăng tốc độ ứng dụng. Khe cắm trong hướng dẫn kính hiển thị vi “C3HT” (Khoảng trống lớn hơn bình thường, Dầu mỡ ở nhiệt độ cao):
- Ý nghĩa: “C3HT” chỉ định hướng tâm trí lớn hơn tiêu chuẩn (C3) và sử dụng mỡ bôi trơn chịu nhiệt cao (HT) cung cấp thực phẩm, phù hợp cho các ứng dụng trong môi trường nhiệt độ cao hoặc yêu cầu an toàn thực phẩm.
- Tầm quan trọng: Khe hở C3 được thiết kế đặc biệt cho các ứng dụng có giải pháp điều kiện như:
- Nhiệt độ cao: Khi vòng bi hoạt động ở nhiệt độ cao, các bộ phận kim loại sẽ giãn nở. Khe hở C3 bồi lấp cho sự giãn nở này, ngăn chặn hiện tượng tắc hoặc tăng ma sát.
- Thiết lập ép chặt: Trong trường hợp vòng bi được gắn chặt vào trụ hoặc hỗ trợ gối, đầu gối có thể được hạn chế. Khe cắm C3 đảm bảo vẫn còn đủ khoảng trống để vận hành trơn tru sau khi lắp đặt.
- Môi trường ăn mòn: Vật liệu thép không gỉ kết hợp với mỡ cấp thực phẩm (VP311) giúp vòng bi hoạt động ổn định trong môi trường có chất hóa học hoặc độ ẩm cao.
- Lựa chọn phù hợp: Sự kết hợp giữa phốt cao su 2RS1 và khe hở C3HT giúp SKF 6205-2RS1/C3HT trở thành giải pháp tối ưu cho các ứng dụng trong ngành thực phẩm, hóa chất hoặc môi trường khắc phục, nơi yêu cầu độ kín cao, khả năng chịu nhiệt và chống ăn mòn.
Sự kết hợp giữa cao su “2RS1” và khe “C3HT” giúp SKF 6205-2RS1/C3HT trở thành một giải pháp vòng bi cực kỳ linh hoạt và đáng tin cậy cho các máy móc cần độ tốt và chống ăn mòn, đặc biệt trong chuyên ngành thực phẩm và đồ họa chuyên ngành.
5. Ưu và nhược điểm của Vòng Bi SKF 6205-2RS1/C3HT
Vòng bi SKF 6205-2RS1/C3HT được sử dụng rộng rãi nhờ hiệu suất và độ bền vượt trội trong môi trường khắc nghiệt. Tuy nhiên, yêu cầu về lựa chọn tối ưu phải hiểu được ưu điểm nhược điểm của nó.Ưu điểm nổi bật:
- Tuổi thọ cao và độ bền vượt trội: Thuộc dòng SKF Food Line, 6205-2RS1/C3HT được làm từ thép không gỉ, mang lại khả năng chống ăn mòn nguy hiểm và tuổi thọ kéo dài trong môi trường khắc nghiệt.
- Đáp ứng tiêu chuẩn an toàn thực phẩm: Sử dụng mỡ bôi trơn cấp thực phẩm (VP311) và phốt cao su NBR, vòng bidẫn thủ các quy định an toàn thực phẩm, lý tưởng cho ngành thực phẩm và đồ họa.
- Khả năng làm tối ưu: Có khả năng bảo vệ vòng cao su tiếp theo 2RS1 khỏi bụi bẩn, hơi ẩm và chất dinh dưỡng, đảm bảo vận hành ổn định trong môi trường ẩm ướt hoặc có chất hóa học.
- Thích hợp cho môi trường nhiệt độ cao: Khe hở C3 và mỡ chịu nhiệt cao (HT) giúp vòng bi hoạt động ổn định trong các ứng dụng có nhiệt độ cao hoặc giãn nở nhiệt của trục và vỏ.
- Khả năng chịu tải đa hướng: Có khả năng đảm bảo tốt tải tâm hướng (tải trọng hướng tâm) và hướng xọc xọc (tải xọc trục) theo cả hai chiều, mang lại linh hoạt trong thiết kế máy móc.
- Độ tin cậy cao từ thương hiệu hàng đầu: SKF là nhà sản xuất vòng bi hàng đầu thế giới, đảm bảo chất lượng và độ tin cậy vượt trội cho sản phẩm 6205-2RS1/C3HT.
- Yêu cầu bảo trì thấp: Vòng bi được tra mỡ sẵn từ nhà máy và có phốt cao su giúp bôi trơn lâu hơn, đáng giảm như cầu bảo trì định kỳ nên với các loại vòng bi mở.
Nhược điểm cần lưu ý:
- Giới hạn tốc độ quay tiếp theo căng thẳng, vòng bi có tốc độ quay tối đa thấp hơn (8 500 r/min), nên với loại không sản xuất hoặc sản phẩm dây thép, không phù hợp cho các ứng dụng yêu cầu tốc độ cực cao.
- Không tái sinh bôi trơn: Vòng bi 2RS1 được tra mỡ sẵn và không có lỗi để tái bôi trơn. Khi mỡ bên trong bị suy giảm chất lượng, vòng bi cần được thay thế.
- Giá thành: Mức giá của vòng bi SKF 6205-2RS1/C3HT có thể cao hơn sản phẩm vật liệu thép không gỉ, phốt cao su và mỡ thực phẩm. Tuy nhiên, đây là sản phẩm đầu tư xứng đáng cho độ bền và hiệu suất dài hạn.
6. Ứng dụng Thực Tế của Vòng Bi SKF 6205-2RS1/C3HT
Với kích thước tiêu chuẩn, khả năng chống mòn, độ kín cao và thiết kế phù hợp cho môi trường nhiệt độ cao, vòng bi SKF 6205-2RS1/C3HT được ứng dụng rộng rãi trong thực phẩm, đồ họa và các lĩnh vực công nghiệp khác tại TP. Hồ Chí Minh và các khu công nghiệp lân cận, đặc biệt trong môi trường yêu cầu bảo vệ sinh cao và chống ăn mòn:
- Ngành chế biến thực phẩm: Lý tưởng cho các máy móc chế biến thực phẩm như máy xay, máy trộn hoặc băng tải thực phẩm, nơi yêu cầu an toàn vệ sinh và khả năng sản xuất thực phẩm, hóa chất.
- Máy móc trong ngành thực phẩm và chất hóa học: Đảm bảo vận hành mượt mà trong hệ thống có môi trường nuôi dưỡng hoặc tiếp xúc với chất quý.
- Hệ thống băng tải thực phẩm: Đảm bảo hoạt động ổn định trong các hệ thống vận hành chuyển thực phẩm, nơi cần kín cao và chống ăn mòn.
- Thiết bị chế biến biến đồ: Phù hợp cho các máy móc trong ngành sản xuất nước giải khát, bia, hoặc sữa, nơi có yêu cầu nghiêm ngặt về bảo vệ sinh học và nhiệt độ.
- Máy móc trong môi trường hóa chất nhẹ nhàng: Chịu đựng các chất hóa học ăn mòn mòn và môi trường ẩm thực, phù hợp cho các ứng dụng trong sản phẩm hóa chất hoặc dược phẩm lớn.
- Thiết bị đóng gói thực phẩm: Đảm bảo vận hành trơn tru và bền bỉ trong các gói đóng gói, nơi cần có khả năng chống bụi và hơi ẩm.7. Hướng dẫn Đặt và Tháo SKF 6205-2RS1/C3HT
7. Hướng dẫn cài đặt và gỡ bỏ SKF 6205
Để đảm bảo tuổi thọ và hiệu suất tối ưu cho vòng bi SKF 6205-2RS1/C3HT, việc lắp đặt và loại bỏ đúng cách là vô cùng quan trọng. luôn thủ tục các nguyên tắc an toàn và kỹ thuật của các nhà sản xuất. Mecsu cung cấp hướng dẫn chi tiết dựa trên kinh nghiệm thực tế:
- Chuẩn bị: Đảm bảo môi trường làm việc sạch sẽ, khô ráo, không có bụi bẩn. Chuẩn bị đầy đủ các công cụ chuyên dụng như cảo, búa mềm, thiết bị gia nhiệt cảm ứng. Luôn đeo dây bảo vệ và kính bảo hộ để đảm bảo an toàn. Kiểm tra dụng cụ và gối phải sạch sẽ, không có lỗi và đảm bảo dịch vụ sai. Lưu ý quan trọng: KHÔNG rút lại cao su 2RS1 vì vòng bi đã có sẵn mỡ và việc lấy lại có thể làm hỏng hoặc ảnh hưởng đến khả năng làm kín của vòng bi.
- Lắp đặt:
- Phương pháp nhiệt (phổ biến nhất cho vòng bi): Gia nhiệt vòng bi bằng thiết bị gia nhiệt chuyên dụng (ví dụ: máy gia nhiệt cảm ứng SKF) đến nhiệt độ khoảng 80-100°C (không vượt quá 120°C). Điều này giúp vòng nở ra, dễ trượt vào trục mà không cần dùng lực quá lớn. Luôn hoạt động đều và tập trung lên vòng khi gắn vào xẹp xuống.
- Phương pháp cơ khí (dùng cho kích thước nhỏ): Sử dụng ống lót chuyên dụng và búa mềm, tác dụng lực đều lên vòng khi lắp vào trục. Tuyệt đối tránh hoạt động trực tiếp lên cao su hoặc các thành viên vì có thể gây nguy hiểm cho tính toán mạng.
- Lưu ý: Đảm bảo vòng bi được gắn thẳng, không bị lệch hoặc kẹt.
- Gỡ bỏ:
- Sử dụng công cụ hỗ trợ chuyên nghiệp (cảo cơ hoặc cả thủy lực) để xoay vòng một cách an toàn và không gây ra tình trạng khung xương cho hoặc hỗ trợ gối. Tác dụng lực đều và đúng ở vòng trong (khi rút xẹp) hoặc vòng ngoài (khi rút gối).
- Tránh dùng đập trực tiếp lên các sinh vật học hoặc các bộ phận khác có thể gây ra các dạng biến đổi, hư hỏng. Việc này không chỉ làm hỏng vòng bi mà còn tiềm ẩn nguy hiểm.
- Người bảo quản: Nếu không sử dụng ngay, hãy giữ vòng bi trong bao bì gốc của nhà sản xuất, ở nơi khô ráo, thoáng mát, tránh ánh nắng trực tiếp và các chất hóa học ăn mòn để phun sét và bụi nguy hiểm xâm nhập.8. So Sánh Vòng Bi 6205-2RS1/C3HT với Các Loại 6205 Other
8. So Sánh Vòng Bi 6205 với Các Loại 6205 Khác
Việc hiểu rõ sự khác biệt giữa các loại vòng bi 6205 SKF sẽ giúp bạn lựa chọn sản phẩm phù hợp nhất cho ứng dụng của mình, tối ưu hóa hiệu suất và chi phí đầu tư:
| Tiêu chí | SKF 6205-2RS1/C3HT (Phốt cao su, khe hở C3HT) | SKF 6205-Z (Nắp thép 1 đầu, khe hở CN) | SKF 6205 (Mở, không phun/nắp, khe hở CN) |
|---|---|---|---|
| Chất liệu/Chắc chắn | Phốt cao su NBR – 2 bên | Thép dập (Shield) – 1 bên | No leo/bắp đặt |
| Khả năng làm kín | Xuất sắc (chặn bụi, hơi ẩm, chất dư) | Tốt (chắn bụi lớn, giữ mỡ, kém hơn loại sương cao su có chất độc) | Kém (dễ bị mủ, mủ) |
| Khe khe hướng kính | C3 (Lớn hơn tiêu chuẩn) | CN (Tiêu chuẩn) | CN (Tiêu chuẩn) |
| Tốc độ quay tối đa | 8 500 vòng/phút | 17 000 vòng/phút | 18 000 vòng/phút |
| Khả năng chống ẩm/lỏng | Xuất sắc (phù hợp với môi trường ẩm, hóa chất) | Trung bình | Rất kém |
| Nhu cầu bảo trì | Rất thấp (bôi trơn sẵn từ nhà máy, kín đáo) | Trung bình (có thể cần tra mỡ bất kỳ tùy chọn ứng dụng nào) | Cao (cần bảo trì, tra mỡ định kỳ hoặc bôi trơn liên tục) |
| Độ âm / Rung động | Thấp | Thấp | Thấp |
| Giá thành | Cao nhất (do phốt cao su, thép không gỉ và mỡ cấp thực phẩm) | Trung bình | Thấp nhất |
| Ứng dụng điển hình | Máy chế độ thực hiện sản phẩm, đồ bán, hóa chất, môi trường ẩm thực, nhiệt độ cao, cần độ kín cao. | Động cơ điện, quạt, máy móc cần tốc độ cao, môi trường có bụi khô, cần định hướng dây cáp gắn định hướng. | Hộp số, ứng dụng có hệ thống bôi trơn riêng, môi trường sạch, tốc độ cao.9. Cách Phân Biệt Vòng Bi SKF 6205-2RS1/C3HT Thật – Giả – Lời Khuyên Từ Chuyên Gia Mecsu |
9. Cách Phân Biệt Vòng Bi SKF 6205 Thật – Giả Lời Khuyên Từ Chuyên Gia Mecsu
Thị trường hiện nay có rất nhiều hàng giả, hàng giả chất lượng, đặc biệt là với các sản phẩm vòng bi SKF chính hãng được ưa chuộng. Để đảm bảo bạn mua được vòng bi SKF 6205-2RS1/C3HT chính hãng tại TP.HCM, Mecsu khuyến nghị kiểm tra các dấu hiệu sau:
a. Dấu hiệu của hãng chính bi SKF 6205-2RS1/C3HT :
- Bao bì chất lượng cao: Sắc nét, màu xanh đặc trưng của SKF, sản phẩm thông tin rõ ràng, đầy đủ mã vạch/QR code và thông tin xuất xứ. Bạn sẽ tìm thấy công nghệ trong từng chi tiết.
- In ấn trên vòng bi sắc nét: Logo SKF, sản phẩm mã hóa hóa (6205-2RS1/C3HT) và các sản phẩm quốc gia được sản xuất hoặc khắc sắc nét bằng laser, rõ ràng, không lem, không sai phông chữ, rất khó bị tẩy xóa.
- Mã QR/Bar code xác thực: Có thể quét bằng ứng dụng “SKF Authenticate” trên điện thoại di động thông minh để xác thực nguồn gốc và tính chính hãng của sản phẩm. Đây là công cụ hữu ích nhất của SKF để chống hàng giả.
- Báo cáo hoàn thiện NBR: Báo cáo khả năng gắn kết chắc chắn, đồng đều ở cả hai phía, không có dấu hiệu, biến dạng hoặc hoàn toàn miễn phí. Các mặt hàng đã có sẵn, không có dấu vết.
- Cảm giác giác giác giác giác giác giác giác giác vận động mượt mà: Khi quay vòng bi bằng tay, bạn sẽ cảm nhận được sự mượt mà mà không có tiếng kêu lạ, không bị rơ (độ hoàn hảo).
- Chứng từ đầy đủ: Nhà cung cấp uy tín sẽ cung cấp đầy đủ “CO” (chứng nhận xuất xứ) và “CQ” (chứng nhận chất lượng) từ nhà sản xuất, đảm bảo nguồn gốc và chất lượng sản phẩm.
b. Dấu hiệu của vòng bi SKF 6205-2RS1/C3HT hàng giả/nhái:
- In ấn mờ nhạt, sai chính tả, phông chữ lạ, thiếu thông tin hoặc không chính xác trên cả bao bì và vòng bi.
- Bao bì thô, tiêu chuẩn trôi màu SKF, thiếu thông tin quan trọng hoặc có dấu hiệu làm lại.
- Tuyên bố về mức độ hoàn thiện, rút ngắn, có dấu hiệu thay đổi hoặc được thực hiện từ định lượng vật liệu.
- Không có mã QR hoặc mã hóa không quét được hoặc quét ra thông tin không khớp với sản phẩm chính hãng.
- Khi quay tay có tiếng kêu lạ xạ, cảm giác giác giác, nặng hoặc quá trơn (rơ) làm gia công chính xác.
- Giá bán rẻ bất ngờ đối với khả năng thị trường của các sản phẩm chính hãng – đây là dấu hiệu cảnh báo lớn nhất.
10. Giá Bán & Mô-ni Ý Mua Vòng Bi SKF 6205-2RS1/C3HT Chính Hãng Tại TP.HCM
a. Giá vòng bi SKF 6205-2RS1/C3HT (TP.Hồ Chí Minh) tại Mecsu: 132,797 đ/ Cái (đã có VAT) – Giá hợp lý, phù hợp với chất lượng sản phẩm chính hãng
Liên hệ để nhận báo giá tốt nhất (giá có thể thay đổi tùy thời điểm và số lượng) – Giá hợp lý, phù hợp với chất lượng sản phẩm chính hãng SKF tại thị trường vòng bi TP.HCM.
b. Gợi ý mua vòng bi chính hãng SKF uy tín
- Chọn nhà cung cấp uy tín tại TP.HCM: Ưu tiên đối tác có bằng chứng nhận từ SKF hoặc đơn vị lâu năm, được nhiều khách hàng tin tưởng và có danh tiếng trên thị trường cung cấp linh kiện cơ khí tại TP.HCM.
- Kiểm tra chứng từ đầy đủ: Luôn yêu cầu đầy đủ “CO” (chứng nhận xuất xứ) và “CQ” (chứng nhận chất lượng) để đảm bảo nguồn gốc và chất lượng của sản phẩm. Điều này giúp bạn tránh mua phải “vòng bi SKF giả” trên thị trường.
-
- 100% sản phẩm chính hãng: Đảm bảo nguồn gốc rõ ràng, đầy đủ chứng từ. Chúng tôi cam kết hoàn tiền 100% hoặc đổi trả nếu sản phẩm không thuộc loại công thức chính.
- Chính sách bảo hành minh bạch: Hỗ trợ đổi trả nếu nhà sản xuất gặp lỗi, mang lại sự an tâm tuyệt đối cho khách hàng.
- Hỗ trợ kỹ thuật chuyên sâu: Đội ngũ kỹ sư giàu kinh nghiệm sẵn sàng hỗ trợ bạn về kỹ thuật và lựa chọn sản phẩm phù hợp nhất cho mọi ứng dụng.
- Giá cả cạnh tranh: Đảm bảo giá tốt nhất đi kèm chất lượng, với chính sách chiết khấu hấp dẫn cho đơn hàng số lượng lớn, đặc biệt khi “mua vòng bi SKF số lượng lớn”.
MUA THÊM NHIỀU LOẠI VÒNG BI CHÍNH HÃNG KHÁC TẠI MECSU
11. Câu hỏi thường gặp về Vòng Bi SKF 6205-2RS1/C3HT
a. Vòng bi SKF 6205-2RS1/C3HT có cần bảo dưỡng, tra mỡ không?
Vòng bi SKF 6205-2RS1/C3HT được sản xuất mỡ cấp thực phẩm chịu nhiệt cao (VP311) có sẵn từ nhà máy và có hai phốt cao su NBR (2RS1) kín, giúp giữ hiệu quả mỡ và bảo vệ khỏi bụi bẩn, hơi ẩm. Trong hầu hết các ứng dụng thông thường, vòng bi này được xem là “bảo trì trọn đời” và không cần tái bôi trơn. Tuy nhiên, trong môi trường cực kỳ khắc nghiệt hoặc nhiệt độ rất cao/thấp liên tục, tuổi thọ mỡ có thể bị ảnh hưởng. Nếu có dấu hiệu bất ngờ, bạn nên kiểm tra.
b. Chữ “2RS1” và “/C3HT” trong mã SKF 6205-2RS1/C3HT có ý nghĩa gì?
- Chữ “2RS1” chỉ vòng bi có hai phốt cao su NBR tiếp theo căng thẳng ở cả hai bờ biển, đảm bảo kín Puis rào chắn và các chất độc xâm nhập.
- Ký hiệu “/C3HT” biểu thị vòng bi có khe hở hướng tâm lớn hơn tiêu chuẩn (C3) và sử dụng mỡ bôi trơn chịu nhiệt cao (HT) cấp thực phẩm, phù hợp cho môi trường nhiệt độ cao và yêu cầu an toàn thực phẩm.
c. Vòng bi SKF 6205-2RS1/C3HT có phải là vòng bi chịu nhiệt không?
Với khe hở C3 và mỡ bôi trơn chịu nhiệt cao (HT), vòng bi SKF 6205-2RS1/C3HT có khả năng hoạt động tốt trong môi trường nhiệt độ cao nên vòng bi có khe tiêu chuẩn (CN). Tuy nhiên, đối với các ứng dụng yêu cầu nhiệt độ cực cao (ví dụ trên 150°C), bạn cần tham khảo các loại vòng bi chuyên dụng nhiệt hoặc sử dụng mỡ bôi trơn nhiệt độ cao đặc thù. Hãy liên hệ với Mecsu để được tư vấn giải pháp vòng bi chịu nhiệt độ hợp lý.
d. Sao biết vòng bi 6205-2RS1/C3HT của tôi là hãng SKF chính hãng?
Kiểm tra bao bì (logo, mã QR rõ ràng), vòng bi có khắc lazer sắc nét, quay mượt. Điều quan trọng nhất, hãy sử dụng ứng dụng SKF Authenticate để quét mã và kiểm tra trực tiếp từ SKF. Đây là cách chắc chắn nhất để phân biệt vòng bi SKF thật sự.
đ. Khi nào cần thay thế vòng bi 6205-2RS1/C3HT?
Bạn nên thay thế vòng bi khi nhận được các dấu hiệu sau:
- Tiếng ồn bất thường: Tiếng kêu lạo xạo, rít, hoặc kêu khi vòng bi quay, báo hiệu bi hoặc khu vực mòn mòn.
- Tăng nhiệt độ: Vòng bi tăng lên bất thường trong quá trình hoạt động, có thể tăng mỡ hoặc tải trong quá trình.
- Độ cao lớn: Thiết bị hoạt động có tốc độ tăng lên đáng kể, ảnh hưởng đến hiệu suất và có thể gây nguy hiểm cho các bộ phận khác.
- Biến dạng vật lý: Phốt cao su bị rách, vòng bi bị ăn mòn, móp méo hoặc có dấu hiệu hư hại nguy hiểm.
- Vòng bi bị khóa hoặc không được xóa.
Kinh nghiệm từ các kỹ sư Mecsu: Kiểm tra định kỳ bằng cách lắng nghe tiếng ồn hoặc cảm nhận mức độ rung có thể giúp phát hiện sớm các dấu hiệu cần thay thế, tránh nguy hại gây hại nghiêm trọng hơn cho toàn hệ thống. Đừng ngần ngại liên hệ với chúng tôi để được hỗ trợ kỹ thuật về bảo trì vòng bi hoặc thay thế vòng bi.
f. Mua vòng bi SKF 6205-2RS1/C3HT chính hãng, uy tín ở đâu tại TP.HCM?
- Cam kết chất lượng: 100% sản phẩm có nguồn gốc rõ ràng, đầy đủ chứng từ CO, CQ. Chúng tôi cam kết hoàn tiền 100% hoặc đổi trả nếu sản phẩm không thuộc loại công thức chính.
- Giá cả cạnh tranh: Đảm bảo giá tốt nhất đi kèm chất lượng, với chính sách chiết khấu hấp dẫn cho đơn hàng số lượng lớn.
- Tư vấn chuyên sâu: Đội ngũ kỹ sư giàu kinh nghiệm sẵn sàng hỗ trợ bạn về kỹ thuật và lựa chọn sản phẩm phù hợp nhất.
- Chính sách hậu mãi: Đảm bảo quyền lợi tối đa cho khách hàng với dịch vụ hỗ trợ nhanh chóng, tận tâm.
12. Liên Hệ và Hỗ Trợ Tư Vấn Vòng Bi SKF
Nếu bạn có bất kỳ thắc mắc nào về vòng bi SKF 6205-2RS1/C3HT hoặc cần tư vấn về giải pháp vòng bi cho ứng dụng cụ thể của mình, đừng ngần ngại liên hệ với đội ngũ gia gia chuyên nghiệp của Mecsu. Chúng tôi luôn sẵn lòng hỗ trợ bạn tìm ra sản phẩm phù hợp và tối ưu nhất, đồng thời cung cấp những kiến thức về kỹ thuật bảo trì vòng bi mà bạn khó tìm thấy ở những nơi khác
Địa chỉ: B28/I – B29/I Đường số 2B, KCN Vĩnh Lộc, P. Bình Hưng Hòa B, Q. Bình Tân, TP.HCM
Đường dây nóng: 1800 8137
Email: [email protected]
Trang web: mecsu.vn
13. Thông Tin Bổ Sung & Kinh nghiệm Thực Tế Từ Mecsu
a. Kinh nghiệm Thực Tế & Câu Chuyện Thành Công
Tại Mecsu, chúng tôi tự hào là đối tác đáng tin cậy của nhiều doanh nghiệp trong việc cung cấp các giải pháp chất lượng vòng cao. “Vòng bi SKF 6205-2RS1/C3HT”, với đặc tính chống ăn mòn và độ kín cao, đã được ứng dụng trong nhiều dự án quan trọng của khách hàng chúng tôi tại “TP. Hồ Chí Minh” và các lân lân cận, mang lại hiệu ứng vượt trội và là minh chứng cho chất lượng sản phẩm cùng kinh nghiệm thực tế của Đội ngũ Mecsu:
- Ngành sản phẩm chế biến: Chúng tôi đã cung cấp “SKF 6205-2RS1/C3HT” cho một nhà sản xuất thực phẩm tại Bình Dương. Hỗ trợ khả năng chống ăn mòn, kín cao và mỡ thực phẩm, vòng bi này đảm bảo vận hành ổn định trong máy xay và băng tải thực phẩm, đáp ứng các tiêu chuẩn bảo vệ chất béo.
- Lĩnh vực sản xuất đồ uống: SKF 6205-2RS1/C3HT được lựa chọn nhiều nhất cho các máy móc sản xuất nước giải khát, nơi cần khả năng chống ẩm và hóa chất. Độ tin cậy vượt trội của vòng bi đã giúp máy hoạt động ổn định trong môi trường ẩm ướt.
- Thiết bị đóng gói thực phẩm: Một khách hàng chuyên sản xuất máy đóng gói thực phẩm đã ứng dụng “vòng bi 6205-2RS1/C3HT” vào các bộ phận trục quay chính. Khả năng làm kín và chống ăn mòn đã giúp máy móc hoạt động bền bỉ trong môi trường có hơi nước và bụi.
b. Trích Dẫn Chuyên Gia
“SKF 6205-2RS1/C3HT” là một lựa chọn tuyệt vời cho các ứng dụng trong ngành thực phẩm và đồ uống, nơi yêu cầu độ kín cao, khả năng chống ăn và thủ thuật tiêu chuẩn an toàn thực phẩm. Báo cáo cao su NBR 2RS1 mang lại khả năng bảo vệ bụi, hơi ẩm và gây nghiện, khi C3HT và độ bền cao đảm bảo hiệu suất ổn định trong môi trường nhiệt độ cao Đây là giải pháp lý tưởng Ý tưởng cho các máy móc trong môi trường khắc phục.”
— “Kỹ sư cơ khí Chuyên gia kỹ thuật Mecsu” (TP. Hồ Chí Minh) – Với hơn 10 năm kinh nghiệm trong lĩnh vực “bạc đạn công nghiệp”.
c. Tài Liệu Tham Khảo và Nghiên Cứu
Nội dung bài viết này được biên soạn dựa trên các tài liệu kỹ thuật chính quy và đáng tin cậy của SKF , cùng với kinh nghiệm thực tế chuyên sâu của đội ngũ kỹ sư Mecsu, đảm bảo tính chính xác, cập nhật và chuyên môn môn môn môn môn môn cao:
- Danh mục sản phẩm SKF (Danh mục sản phẩm SKF chính thức) – Nguồn dữ liệu kỹ thuật chi tiết nhất về “vòng bi SKF”.
- Tài liệu kỹ thuật SKF Food Line – Deep Groove Ball Bearings (Thông tin chuyên sâu về “vòng bi cầu sâu SKF Food Line”) – Cung cấp cái nhìn toàn diện về thế hệ vòng bi bền bỉ này.
- Bảng dữ liệu kỹ thuật (Datasheet) chi tiết của SKF 6205-2RS1/C3HT – Nguồn thông số kỹ thuật chính xác.
- Trải nghiệm thực tế và phản hồi từ các dự án khách hàng của Mecsu – “Dữ liệu độc nhất” được thu thập từ hơn 10 năm cung cấp “linh kiện cơ khí” và “giải pháp vòng bi” cho doanh nghiệp tại Việt Nam.
Biên soạn bởi: Đội ngũ kỹ sư Mecsu
(Xem thêm thông tin về chúng tôi tại Website Mecsu )
Lưu ý: Hình ảnh sản phẩm có thể khác biệt so với sản phẩm thực tế của SKF. Vui lòng tham khảo thông số kỹ thuật chi tiết hoặc liên hệ Mecsu để có thông tin chính xác nhất về sản phẩm.



















Đánh giá
Chưa có đánh giá nào.