Mô tả sản phẩm
Thông tin CHUYÊN SÂU về Vòng Bi Cầu Rãnh Sâu SKF 6205-2Z (25x52x15) Nắp Chắn Thép (Hai Bên)
Mục Lục
- 1. Vòng Bi SKF 6205-2Z Là Gì? – Giải Thích Chuyên Sâu
- 2. Thông Số Kỹ Thuật Chi Tiết Của Vòng Bi Cầu SKF 6205-2Z
- 3. Cấu hình Chi Tiết Vòng Bi SKF 6205-2Z
- 4. Phân Tích Chuyên Sâu: Nắp Chắn Thép 2Z của SKF 6205-2Z
- 5. Ưu và nhược điểm của Vòng Bi SKF 6205-2Z
- 6. Ứng dụng Thực Tế của Vòng Bi SKF 6205-2Z
- 7. Hướng Dẫn Đặt và Tháo Tháo SKF 6205-2Z
- 8. So Sánh Vòng Bi 6205-2Z với Các Loại 6205 Khác
- 9. Cách Phân Biệt Vòng Bi SKF 6205-2Z Thật – Giả – Lời Khuyên Từ Chuyên Gia Mecsu
- 10. Giá Bán & Gợi Ý Mua Vòng Bi SKF 6205-2Z Chính Hãng Tại TP.HCM
- 11. Câu hỏi thường gặp về Vòng Bi SKF 6205-2Z
- 12. Liên Hệ và Hỗ Trợ Tư Vấn Vòng Bi SKF
- 13. Thông Tin Bổ Sung & Kinh nghiệm Thực Tế Từ Mecsu
1. Vòng Bi SKF 6205-2Z Là Gì? – Giải Thích Chuyên Sâu
Vòng bi cầu rãnh sâu SKF 6205-2Z là một sản phẩm chất lượng cao thuộc dòng vòng bi cầu sâu của SKF, được thiết kế với hai sản phẩm thép (tấm chắn) để bảo vệ vòng bi khỏi bụi bẩn và giữ mỡ bôi trơn, phù hợp cho các ứng dụng yêu cầu tốc độ cao và bảo trì chậm. Mã “6205” chỉ định kích thước cơ sở với đường kính trong (d) 25mm, đường kính ngoài (D) 52mm và chiều dày (B) 15mm
Hậu tố “-2Z” biểu thị vòng bi được trang bị dây thép (tấm chắn không tiếp tục) ở cả hai mặt, giúp giữ mỡ bôi trơn và bảo vệ vòng bi khỏi Bụi bẩn hoặc các hạt lớn, đồng thời cho phép vận hành ở tốc độ cao hơn so với loại phân tử cao su tiếp theo. Vòng bi được sản xuất mỡ bôi trơn chất lượng cao từ nhà máy, thuộc dòng SKF Explorer, mang lại độ bền cao, vận hành tình ái, ma sát thấp và khả năng chịu tải đa hướng, lý tưởng cho các ứng dụng công nghiệp và dân dụng trong môi trường môi trường môi trường tương đối sạch và yêu cầu tốc độ cao.
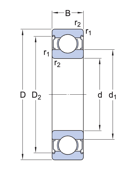
2. Thông Số Kỹ Thuật Chi Tiết Của Vòng Bi Cầu SKF 6205-2Z
d: Đường kính trong
D: Đường kính ngoài
B: Bề dày
C: Tải cơ sở dữ liệu danh sách
C0: Tải danh sách cơ sở dữ liệu tĩnh
Pu: Giới hạn tải mệt mỏi
| Thông số | Giá trị |
|---|---|
| Mã sản phẩm | 6205-2Z |
| Loại vòng bi | Vòng Bi Cầu Rãnh Sâu (Vòng Bi Rãnh Sâu) |
| Đường kính trong (d) | 25 mm |
| Đường kính ngoài (D) | 52 mm |
| Bề dày (B) | 15 mm |
| Tải cơ sở dữ liệu danh sách (C) | 14,8 kN |
| Tải quan trọng cơ sở dữ liệu danh sách (C0) | 7,8 kN |
| Giới hạn tải mệt mỏi (Pu) | 0,335 kN |
| Tốc độ tham chiếu | 28 000 vòng/phút |
| Tốc độ giới hạn | 14 000 vòng/phút |
| Thế hệ khả năng làm việc cao của SKF | SKF Explorer |
| Rãnh tra bi | Không có |
| Số dòng | 1 |
| Phương tiện để định vị, vòng ngoài của vòng bi | Không có |
| Loại lỗ | Hình trụ |
| Vòng cách | Thép tấm (Sheet metal) |
| Kiểu gắn cặp | Không |
| Khe khe trong hướng kính | CN (Tiêu chuẩn) |
| Vật liệu, vòng bi | Thép vòng bi |
| Lớp mạ | Không có |
| Phớt chắc | Nắp thép hai bên (2Z) |
| Loại Chắc Dầu | Không tiếp xúc (Không tiếp tục) |
| Tra mỡ sẵn chưa? | Có (Mỡ bôi trơn chất lượng cao) |
| Phương tiện để tái bôi trơn | Không có |
| Dấu vết carbon của sản phẩm được chỉ định để sản xuất | 0,472 kg CO2e |
| Trọng lượng sản phẩm | 0,131 kg |
| Mã eClass | 23-05-08-01 |
| Mã UNSPSC | 31171504 |
3. Cấu hình Chi Tiết Vòng Bi SKF 6205-2Z
Vòng bi SKF 6205-2Z được cấu hình từ các bộ phận chính, mỗi bộ phận đóng vai trò quan trọng trong công việc đảm bảo hiệu suất hoạt động và độ bền:
Sơ đồ cấu hình Vòng Bi Cầu Rãnh Sâu SKF 6205-2Z với dây thép hai bên:
- Vòng trong/ngoài: Được chế tạo từ thép vòng bi chất lượng cao, cùng với ngành công nghiệp an toàn, chịu tải chính.
- Bi cầu: Sản phẩm sản xuất từ thép siêu chính xác, được xử lý nhiệt đặc biệt để giảm độ cứng tối thiểu, tăng cường độ cứng và độ bền.
- Vòng cách: Làm bằng thép mạnh, có chức năng giữ các thành viên đều nhau, đảm bảo vòng bi hành động nữ ái và ổn định.
- Mũ bảo hiểm nguy hiểm bằng thép (2Z): gắn vào vòng ngoài bên trong, không tiếp tục căng với vòng trong, giúp giữ mỡ bôi trơn và bảo vệ vòng bi khỏi bụi bẩn hoặc các hạt lớn, đồng thời giảm bớt thời gian sát trùng để phù hợp với tốc độ cao.
4. Phân Tích Chuyên Sâu: Nắp Chắn Thép 2Z của SKF 6205-2Z
Để thực sự hiểu được giá trị của vòng bi SKF 6205-2Z, công việc phân tích sâu hơn về thiết kế Sản phẩm thép “2Z” là rất quan trọng.
Mũ thép “2Z” – Tấm thép không tiếp xúc:
- Chức năng chính: Nắp thép chắc chắn (2Z) được thiết kế để giữ mỡ bôi trơn bên trong vòng bi và ngăn chặn bụi bẩn hoặc các hạt xâm nhập, đồng thời cho phép vận hành ở tốc độ cao nhờ thiết kế không tiếp theo.
- Đặc điểm nổi bật: Nắp thép không gỉ vào vòng trong, giúp giảm ma sát và cho phép vòng bi đạt tốc độ quay cao hơn (lên đến 14 000 r/min) so với loại phốt cao su tiếp xúc (2RSH).
- Ưu điểm vượt trội:tình yêu thiết kế không tiếp xúc, vòng bi 6205-2Z lý tưởng cho các ứng dụng yêu cầu tốc độ cao, như động cơ điện, quạt công nghiệp hoặc các thiết bị quay nhanh trong môi trường tương đối sạch. Mũ thép giúp kéo dài tuổi thọ vòng bi bằng cách giữ cách bôi trơn và ngăn chặn các hạt bụi lớn.
- Chế độ: Nắp thép không kín tuyệt đối như phốt cao su NBR (2RSH), nên hiệu quả hơn trong việc ngăn chặn hơi ẩm, bụi hoặc chất độc. Do đó, vòng bi 6205-2Z phù hợp hơn cho môi trường khô ráo, ít tiếp xúc với chất phản xạ
Khe hở trong kính hướng “CN” (Thông thường):
- Ý nghĩa: “CN” là khe hở tiêu chuẩn kính hướng dẫn, phù hợp cho các ứng dụng ở nhiệt độ và tốc độ hoạt động thông thường.
- Tầm quan trọng: CN đảm bảo vận hành ổn định trong các điều kiện tiêu chuẩn, không yêu cầu giãn nhiệt lớn như khe hở C3. Điều này làm cho 6205-2Z phù hợp với các ứng dụng không chịu nhiệt độ cao hoặc rung động mạnh.
- Lựa chọn phù hợp: Sự kết hợp giữa sản phẩm thép 2Z và khe hở CN giúp SKF 6205-2Z trở thành giải pháp tối ưu cho các ứng dụng yêu cầu tốc độ cao, bảo vệ khỏi bụi khô và bảo trì chậm trong môi trường tương thích sạch sẽ.
Thiết kế sản phẩm thép “2Z” của SKF 6205-2Z mang lại khả năng vận hành tốc độ cao, giám sát và bảo vệ tốt khỏi bụi bẩn trong ứng dụng công nghiệp không quá nguy hiểm.
5. Ưu và nhược điểm của Vòng Bi SKF 6205-2Z
Vòng bi SKF 6205-2Z được sử dụng rộng rãi nhờ khả năng vận hành tốc độ cao, độ bền vượt trội và yêu cầu bảo trì thấp. Tuy nhiên, yêu cầu về mức độ ưu tiên phải hiểu được mức độ ưu tiên của nóƯu điểm nổi bật:
- Tốc độ cao:Dễ thương thiết kế sản phẩm thép không tiếp xúc, vòng bi đạt tốc độ giới hạn 14 000 vòng/phút và tốc độ tham chiếu 28 000 vòng/phút, lý tưởng cho các ứng dụng yêu cầu quay nhanh.
- Ma sát thấp: Nắp thép không có vòng trong, giúp giảm ma sát, tiết kiệm năng lượng và phù hợp cho các thiết bị quay tốc độ cao.
- Khả năng bảo vệ tốt: Nắp thép giữ mỡ bôi trơn hiệu quả và ngăn chặn bụi bẩn hoặc các hạt lớn, kéo dài tuổi thọ vòng bi trong môi trường khô ráo và tương đối sạch.
- Khả năng chịu tải đa hướng: Có khả năng đảm bảo tốt cả tải trọng hướng tâm (tải trọng hướng tâm) và hướng trục xọc (tải trục trục) theo cả hai chiều, mang lại sự linh hoạt trong thiết kế máy móc.
- Yêu cầu bảo trì thấp: Vòng bi được cung cấp chất béo có sẵn từ nhà máy, với dây thép giúp giữ chất béo lâu dài, giảm nhu cầu bảo trì định kỳ cho các loại vòng bi mở.
- Độ tin cậy cao của thương hiệu hàng đầu: SKF là nhà sản xuất vòng bi hàng đầu thế giới, đảm bảo chất lượng và độ tin cậy vượt trội cho sản phẩm 6205-2Z.
Nhược điểm cần lưu ý:
- Khả năng làm kín trong giới hạn: Nắp đậy thép 2Z không kín tuyệt đối như phốt cao su (2RSH), tạo ra hiệu quả trong việc ngăn chặn hơi ẩm, bụi mịn hoặc chất dưỡng, không phù hợp cho môi trường ẩm hoặc có chất lượng.
- Không tái chế sinh bôi trơn: Vòng bi 2Z được bôi mỡ sẵn và không có lỗi để tái chế bôi trơn. Khi mỡ bên trong bị suy giảm chất lượng, vòng bi cần được thay thế.
- Không phù hợp với môi trường ăn mòn mạnh: Vòng bi sử dụng thép vòng bi tiêu chuẩn, không phải thép không gỉ, nên không lý tưởng cho môi trường có hóa chất ăn mòn mạnh.
- Giá thành: Mức giá của vòng bi SKF 6205-2Z có thể cao hơn so với phần mở rộng vòng bi loại, nhưng thấp hơn so với loại vòng bi cao su (2RSH).
6. Ứng dụng Thực Tế của Vòng Bi SKF 6205-2Z
Với tiêu chuẩn kích thước, khả năng vận hành tốc độ cao và thép, vòng bi SKF 6205-2Z được ứng dụng rộng rãi trong nhiều lĩnh vực công nghiệp và dân dụng tại TP. Hồ Chí Minh và các khu công nghiệp lân cận, đặc biệt trong môi trường tương đối sạch và yêu cầu tốc độ quay cao:
- Động cơ điện công suất nhỏ và trung bình: Lý tưởng cho các động cơ điện hoạt động trong môi trường khô ráo, như trong các nhà sản xuất hoặc hệ thống thông gió, nhờ khả năng quay tốc độ cao và ma sát thấp.
- Quạt công nghiệp: Bảo đảm vận hành ổn định và ái ái trong các hệ thống quạt công nghiệp, nơi yêu cầu tốc độ cao và môi trường tương đối sạch.
- Hệ thống truyền động: Được sử dụng trong các bộ phận truyền động của máy móc, như hộp số hoặc dây đai, nơi cần tốc độ quay cao và bảo vệ khỏi bụi khô.
- Máy móc công nghiệp nhẹ nhàng: Phù hợp cho các thiết bị như máy dệt, máy in hoặc máy đóng gói, nơi cần vận hành tốc độ cao và môi trường không có quá nhiều bụi hoặc chất dư.
- Thiết bị gia dụng: Ứng dụng trong các thiết bị như máy giặt, máy hút bụi hoặc quạt gia đình, nơi yêu cầu độ ồn, tốc độ cao và bảo trì tối thiểu
Để đảm bảo tuổi thọ và hiệu suất tối ưu cho vòng bi SKF 6205-2Z, cách lắp đặt và gỡ bỏ đúng là vô cùng quan trọng. luôn luôn thủ các nguyên tắc an toàn và kỹ thuật của các nhà sản xuất. Mecsu cung cấp hướng dẫn chi tiết dựa trên kinh nghiệm thực tế:
- Chuẩn bị: Đảm bảo môi trường làm việc sạch sẽ, khô ráo, không có bụi bẩn. Chuẩn bị đầy đủ các công cụ chuyên dụng như cảo, búa mềm, thiết bị gia nhiệt cảm ứng. Luôn đeo dây bảo vệ và kính bảo hộ để đảm bảo an toàn. Kiểm tra khí cụ và gối phải sạch sẽ, không có lỗ hổng và bảo đảm sai dung dịch. Lưu ý quan trọng: KHÔNG nắm dây thép 2Z vì vòng bi đã được cung cấp sẵn chất béo và việc bán sản phẩm có thể làm hư hỏng hoặc ảnh hưởng đến khả năng bảo vệ của vòng bi.
- Lắp đặt:
- Phương pháp nhiệt (phổ biến nhất cho vòng bi): Gia nhiệt vòng bi bằng thiết bị gia nhiệt chuyên dụng (ví dụ: máy gia nhiệt cảm ứng SKF) đến nhiệt độ khoảng 80-100°C (không vượt quá 120°C). Điều này giúp vòng nở ra, dễ trượt vào trục mà không cần dùng lực quá lớn. Luôn hoạt động đều đặn và tập trung lên vòng khi gắn vào xẹp xuống.
- Phương pháp cơ khí (dùng cho kích thước nhỏ): Sử dụng ống lót chuyên dụng và búa mềm, tác dụng lực đều lên vòng khi lắp vào trục. Tuyệt đối tránh tác động trực tiếp lên Sản phẩm thép hoặc các sản phẩm bi có thể gây nguy hiểm cho mạng tính năng.
- Lưu ý: Đảm bảo vòng bi được gắn thẳng, không bị lệch hoặc kẹt.
- Gỡ bỏ:
- Sử dụng cả dụng cụ chuyên dụng (cảo cơ hoặc cả thủy lực) để xoay vòng một cách an toàn và không gây ra tình trạng gãy xương cho hoặc hỗ trợ gối. Tác dụng lực đều và đúng ở vòng trong (khi rút xẹp) hoặc vòng ngoài (khi rút gối).
- Tránh dùng đập trực tiếp lên các sinh vật học hoặc các bộ phận khác có thể gây ra các dạng biến đổi, hư hỏng. Việc này không chỉ làm hỏng vòng bi mà còn tiềm ẩn nguy hiểm.
- Người bảo vệ: Nếu không sử dụng ngay, hãy giữ vòng bi trong bao bì gốc của nhà sản xuất, ở nơi khô ráo, thoáng mát, tránh ánh nắng trực tiếp và các chất hóa học ăn mòn để ngăn chặn sét và bụi nguy hiểm xâm nhập.
8. So Sánh Vòng Bi 6205-2Z với Các Loại 6205 Khác
Việc hiểu rõ sự khác biệt giữa các loại vòng bi 6205 SKF sẽ giúp bạn lựa chọn sản phẩm phù hợp nhất cho ứng dụng của mình, tối ưu hóa hiệu suất và chi phí đầu tư:
| Tiêu chí | SKF 6205-2Z (Nắp thép bên trong, khe hở CN) | SKF 6205-2RSH (Phốt cao su, khe hở CN) | SKF 6205 (Mở, không phun/nắp, khe hở CN) |
|---|---|---|---|
| Chất liệu/Chắc chắn | Thép đánh (Shield) – hai bên | Phốt cao su NBR – hai bên | No leo/bắp đặt |
| Khả năng làm kín | Tốt (chắn bụi lớn, giữ mỡ, gần hơn phố cao su với chất độc) | Xuất sắc (chặn bụi, hơi ẩm, chất dư) | Kém (dễ bị bụi thương, máu mủ) |
| Khe khe hướng kính | CN (Tiêu chuẩn) | CN (Tiêu chuẩn) | CN (Tiêu chuẩn) |
| Tốc độ quay tối đa | 14 000 vòng/phút | 8 500 vòng/phút | 18 000 vòng/phút |
| Khả năng chống ẩm/lỏng | Trung bình | Xuất sắc (phù hợp với môi trường ẩm, hóa chất) | Rất kém |
| Nhu cầu bảo trì | Giảm (bôi trơn sẵn từ nhà máy, giữ mỡ tốt) | Rất thấp (bôi trơn, kín hơn) | Cao (cần bảo trì, tra mỡ định kỳ hoặc bôi trơn liên tục) |
| Độ âm / Rung động | Thấp | Thấp | Thấp |
| Giá thành | Trung bình | Cao hơn (do phốt cao su) | Thấp nhất |
| Ứng dụng điển hình | Động cơ điện, quạt công nghiệp, máy móc cần tốc độ cao, môi trường khô, ít hoặc dư chất. | Máy móc nông nghiệp, ô tô, băng tải trong môi trường bụi, ẩm ẩm, cần kín cao. | Hộp số, ứng dụng có hệ thống bôi trơn riêng biệt, môi trường sạch, tốc độ cao. |
9. Cách Phân Biệt Vòng Bi SKF 6205-2Z Thật Giả – Lời Khuyên Từ Chuyên Gia Mecsu
Thị trường hiện nay có rất nhiều hàng giả, hàng giả chất lượng, đặc biệt là với các sản phẩm vòng bi SKF chính hãng được ưa chuộng. Để đảm bảo bạn mua được vòng bi SKF 6205-2Z chính hãng tại TP.HCM, Mecsu khuyến nghị kiểm tra các dấu hiệu sau:
a. Dấu hiệu vòng bi SKF 6205-2Z chính hãng:
- Bao bì chất lượng cao: Sắc nét, màu xanh đặc trưng của SKF, sản phẩm thông tin rõ ràng, đầy đủ mã vạch/QR code và thông tin xuất xứ. Bạn sẽ tìm thấy công nghệ trong từng chi tiết.
- In ấn trên vòng bi sắc nét: Logo SKF, sản phẩm mã hóa hóa (6205-2Z) và các nhà sản xuất quốc gia được in hoặc khắc vết sắc nét bằng laser, xóa, không lem, không sai phông chữ, rất khó bị tẩy xóa.
- Mũ bảo hiểm hoàn thiện: Mũ thép được gắn chắc chắn, đồng đều ở cả hai bên, không có dấu hiệu nhỏ, biến đổi hoặc tăng cường. Các bề mặt có sẵn, không có dấu vết.
- Mã QR/Bar code xác thực: Có thể quét bằng ứng dụng “SKF Authenticate” trên điện thoại di động thông minh để xác thực nguồn gốc và tính chính hãng của sản phẩm. Đây là công cụ hữu ích nhất của SKF để chống hàng giả.
- Cảm giác giác giác vận động mượt mà: Khi quay vòng bi bằng tay, bạn sẽ cảm nhận được sự mượt mà, không có tiếng kêu lạ, không bị rơ (độ hoàn hảo).
- Chứng từ đầy đủ: Nhà cung cấp uy tín sẽ cung cấp đầy đủ “CO” (chứng nhận xuất xứ) và “CQ” (chứng nhận chất lượng) từ nhà sản xuất, đảm bảo nguồn gốc và chất lượng sản phẩm.
b. Dấu hiệu của vòng bi SKF 6205-2Z hàng giả/nhái:
- In ấn mờ nhạt, sai chính tả, phông chữ lạ, thiếu thông tin hoặc không chính xác trên cả bao bì và vòng bi.
- Bao bì thô, màu sắc trôi chuẩn SKF, thiếu thông tin quan trọng hoặc có dấu hiệu làm lại.
- Mũ thép thép, dễ bung ra, có dấu hiệu nhỏ hoặc gia công chất lượng.
- Không có mã QR hoặc mã hóa không quét được hoặc quét ra thông tin không khớp với sản phẩm chính hãng.
- Khi quay tay có tiếng kêu lạo xạ, cảm giác giác, nặng hoặc quá trơn (rơ) làm gia công chính xác.
10. Giá Bán & Gợi Ý Mua Vòng Bi SKF 6205-2Z Chính Hãng Tại TP.HCM
a. Giá vòng bi SKF 6205-2Z (TP.Hồ Chí Minh) tại Mecsu: Liên hệ để nhận báo giá tốt nhất.
Liên hệ để nhận báo giá tốt nhất (giá có thể thay đổi tùy thời điểm và số lượng) – Giá hợp lý, phù hợp với chất lượng sản phẩm chính hãng SKF tại thị trường vòng bi TP.HCM.
b. Gợi ý mua vòng bi chính hãng SKF uy tín
- Chọn nhà cung cấp uy tín tại TP.HCM: Ưu tiên đối tác có bằng chứng nhận từ SKF hoặc đơn vị lâu năm, được nhiều khách hàng tin tưởng và có danh tiếng trên thị trường cung cấp linh kiện cơ khí tại TP.HCM.
- Kiểm tra chứng từ đầy đủ: Luôn yêu cầu đầy đủ “CO” (chứng nhận xuất xứ) và “CQ” (chứng nhận chất lượng) để đảm bảo nguồn gốc và chất lượng của sản phẩm. Điều này giúp bạn tránh mua phải “vòng bi SKF giả” trên thị trường.
- 100% sản phẩm chính hãng: Đảm bảo nguồn gốc rõ ràng, đầy đủ chứng từ. Chúng tôi cam kết hoàn tiền 100% hoặc đổi trả nếu sản phẩm không phải của công ty chính thức.
- Chính sách bảo hành minh bạch: Hỗ trợ đổi trả nếu nhà sản xuất gặp lỗi, mang lại sự an tâm tuyệt đối cho khách hàng.
- Hỗ trợ kỹ thuật chuyên sâu: Đội ngũ kỹ sư giàu kinh nghiệm sẵn sàng hỗ trợ bạn về kỹ thuật và lựa chọn sản phẩm phù hợp nhất cho mọi ứng dụng.
- Giá cả cạnh tranh: Đảm bảo giá tốt nhất đi kèm chất lượng, với chính sách chiết khấu hấp dẫn cho đơn hàng số lượng lớn, đặc biệt khi “mua vòng bi SKF số lượng lớn”.
MUA THÊM NHIỀU LOẠI VÒNG BI CHÍNH HÃNG KHÁC TẠI MECSU
11. Câu hỏi thường gặp về Vòng Bi SKF 6205-2Z
a. Vòng bi SKF 6205-2Z có cần bảo dưỡng, tra mỡ không?
Vòng bi SKF 6205-2Z được mua sẵn chất lượng cao từ nhà máy và có hai sản phẩm thép thép (2Z) giúp giữ hiệu quả mỡ và bảo vệ khỏi bụi bẩn. Trong hầu hết các ứng dụng thông thường, vòng bi này được xem là “bôi trơn trọn đời” và không cần tái bôi trơn. Tuy nhiên, trong môi trường khắc nghiệt hoặc hoạt động liên tục ở tốc độ cao, tuổi thọ mỡ có thể bị ảnh hưởng. Nếu có dấu hiệu bất ngờ, bạn nên kiểm tra.
b. Chữ “2Z” trong mã SKF 6205-2Z có ý nghĩa gì?
Chữ “2Z” chỉ vòng bi có hai nắp chắn thép (shields) ở cả hai phía, không tiếp xúc với vòng trong, giúp giữ mỡ bôi trơn và bảo vệ vòng bi khỏi bụi bẩn hoặc các hạt lớn, đồng thời cho phép vận hành ở tốc độ cao với ma sát thấp.
c. Vòng bi SKF 6205-2Z có phải là vòng bi chịu nhiệt không?
Với khe hở CN (tiêu chuẩn) và mỡ bôi trơn chất lượng cao, vòng bi SKF 6205-2Z phù hợp cho các ứng dụng ở nhiệt độ bình thường. Đối với các ứng dụng yêu cầu nhiệt độ cao (ví dụ trên 150°C), bạn cần tham khảo các loại vòng bi chuyên dụng chịu nhiệt hoặc sử dụng mỡ bôi trơn chịu nhiệt độ cao đặc thù. Hãy liên hệ Mecsu để được tư vấn giải pháp vòng bi chịu nhiệt phù hợp.
e. Khi nào cần thay thế vòng bi 6205-2Z?
Bạn nên thay thế vòng bi khi nhận thấy các dấu hiệu sau:
- Tiếng ồn bất thường: Tiếng kêu lạo xạo, rít, hoặc gằn khi vòng bi quay, báo hiệu bi hoặc rãnh lăn bị mòn.
- Tăng nhiệt độ: Vòng bi nóng lên bất thường trong quá trình hoạt động, có thể do mỡ đã lão hóa hoặc tải trọng quá mức.
- Độ rung lớn: Thiết bị hoạt động có độ rung tăng lên đáng kể, ảnh hưởng đến hiệu suất và có thể gây hỏng hóc các bộ phận khác.
- Biến dạng vật lý: Nắp chắn thép bị gỉ sét, lỏng lẻo hoặc biến dạng, vòng bi bị móp méo hoặc có dấu hiệu hư hại rõ rệt.
- Vòng bi bị kẹt hoặc quay không trơn tru.
Kinh nghiệm từ các kỹ sư Mecsu: Việc kiểm tra định kỳ bằng cách lắng nghe tiếng ồn hoặc cảm nhận độ rung có thể giúp phát hiện sớm các dấu hiệu cần thay thế, tránh gây hư hại nghiêm trọng hơn cho toàn bộ hệ thống. Đừng ngần ngại liên hệ chúng tôi để được hỗ trợ kỹ thuật về bảo trì vòng bi hoặc thay thế vòng bi.
f. Mua vòng bi SKF 6205-2Z chính hãng, uy tín ở đâu tại TP.HCM?
Mua vòng bi SKF 6205-2Z chính hãng và đảm bảo chất lượng tại TP.HCM, bạn hãy liên hệ ngay với Mecsu. Chúng tôi tự hào là nhà cung cấp uy tín, chuyên các sản phẩm SKF chính hãng tại Việt Nam.
- Cam kết chất lượng: 100% sản phẩm có nguồn gốc rõ ràng, đầy đủ chứng từ CO, CQ. Chúng tôi cam kết hoàn tiền 100% hoặc đổi trả nếu sản phẩm không phải chính hãng.
- Giá cả cạnh tranh: Đảm bảo mức giá tốt nhất đi kèm chất lượng, với chính sách chiết khấu hấp dẫn cho đơn hàng số lượng lớn.
- Tư vấn chuyên sâu: Đội ngũ kỹ sư giàu kinh nghiệm sẵn sàng hỗ trợ bạn về kỹ thuật và lựa chọn sản phẩm phù hợp nhất.
- Chính sách hậu mãi: Đảm bảo quyền lợi tối đa cho khách hàng với dịch vụ hỗ trợ nhanh chóng, tận tâm.
12. Liên Hệ và Hỗ Trợ Tư Vấn Mua Vòng Bi SKF
Nếu bạn có bất kỳ thắc mắc nào về vòng bi SKF 6205-2Z hoặc cần tư vấn về giải pháp vòng bi cho ứng dụng cụ thể của mình, đừng ngần ngại liên hệ với đội ngũ chuyên gia của Mecsu. Chúng tôi luôn sẵn lòng hỗ trợ bạn tìm ra sản phẩm phù hợp và tối ưu nhất, đồng thời cung cấp những kiến thức về kỹ thuật bảo trì vòng bi mà bạn khó tìm thấy ở nơi khác.
Địa chỉ: B28/I – B29/I Đường số 2B, KCN Vĩnh Lộc, P. Bình Hưng Hòa B, Q. Bình Tân, TP.HCM
Hotline: 1800 8137
Email: [email protected]
Website: mecsu.vn
13. Thông Tin Bổ Sung & Kinh Nghiệm Thực Tế Từ Mecsu
a. Kinh Nghiệm Thực Tế & Câu Chuyện Thành Công
Tại Mecsu, chúng tôi tự hào là đối tác tin cậy của nhiều doanh nghiệp trong việc cung cấp các giải pháp vòng bi chất lượng cao. “Vòng bi SKF 6205-2Z”, với đặc tính tốc độ cao và nắp chắn thép, đã được ứng dụng trong nhiều dự án quan trọng của khách hàng chúng tôi tại “TP. Hồ Chí Minh” và các tỉnh lân cận, mang lại hiệu quả vượt trội và là minh chứng cho chất lượng sản phẩm cùng kinh nghiệm thực tế của đội ngũ Mecsu:
- Ngành sản xuất công nghiệp: Chúng tôi đã cung cấp “SKF 6205-2Z” cho một nhà sản xuất quạt công nghiệp tại TP.HCM. Nhờ khả năng vận hành tốc độ cao và ma sát thấp, vòng bi này đã đảm bảo hiệu suất ổn định và độ ồn thấp trong các quạt công nghiệp lớn.
- Động cơ điện: SKF 6205-2Z được lựa chọn cho các động cơ điện trong một nhà máy sản xuất linh kiện điện tử tại Bình Dương. Tốc độ quay cao và khả năng giữ mỡ bôi trơn đã giúp hệ thống vận hành mượt mà và bền bỉ.
- Thiết bị gia dụng: Một đối tác sản xuất máy giặt tại TP.HCM đã ứng dụng “vòng bi 6205-2Z” vào các sản phẩm gia dụng, đảm bảo độ ồn thấp, tốc độ quay cao và yêu cầu bảo trì tối thiểu.
b. Trích Dẫn Chuyên Gia
““SKF 6205-2Z” là một lựa chọn lý tưởng cho các ứng dụng yêu cầu tốc độ cao và bảo trì thấp trong môi trường khô ráo, tương đối sạch. Nắp chắn thép 2Z mang lại khả năng giữ mỡ bôi trơn và bảo vệ khỏi bụi bẩn, trong khi thiết kế không tiếp xúc đảm bảo ma sát thấp và hiệu suất quay cao. Đây là giải pháp hoàn hảo cho động cơ điện, quạt công nghiệp và thiết bị gia dụng.”
— “Kỹ sư cơ khí Chuyên gia kỹ thuật Mecsu” (TP. Hồ Chí Minh) – Với hơn 10 năm kinh nghiệm trong lĩnh vực “bạc đạn công nghiệp”.
c. Tài Liệu Tham Khảo và Nghiên Cứu
Nội dung bài viết này được biên soạn dựa trên các tài liệu kỹ thuật chính thức và đáng tin cậy từ SKF, cùng với kinh nghiệm thực tế chuyên sâu của đội ngũ kỹ sư Mecsu, đảm bảo tính chính xác, cập nhật và chuyên môn cao:
- SKF Product Catalog (Danh mục sản phẩm SKF chính thức) – Nguồn dữ liệu kỹ thuật chi tiết nhất về “vòng bi SKF”.
- Tài liệu kỹ thuật SKF Explorer – Deep Groove Ball Bearings (Thông tin chuyên sâu về “vòng bi cầu rãnh sâu SKF Explorer”) – Cung cấp cái nhìn toàn diện về thế hệ vòng bi bền bỉ này.
- Bảng dữ liệu kỹ thuật (Datasheet) chi tiết của SKF 6205-2Z – Nguồn thông số kỹ thuật chính xác.
- Trải nghiệm thực tế và phản hồi từ các dự án khách hàng của Mecsu – “Dữ liệu độc nhất” được thu thập từ hơn 10 năm cung cấp “linh kiện cơ khí” và “giải pháp vòng bi” cho doanh nghiệp tại Việt Nam.
Biên soạn bởi: Đội ngũ kỹ sư Mecsu
(Xem thêm thông tin về chúng tôi tại Website Mecsu )
Lưu ý: Hình ảnh sản phẩm có thể khác biệt so với sản phẩm thực tế của SKF. Vui lòng tham khảo thông số kỹ thuật chi tiết hoặc liên hệ Mecsu để có thông tin chính xác nhất về sản phẩm.


















Đánh giá
Chưa có đánh giá nào.