Mô tả sản phẩm
Thông tin CHUYÊN SÂU về Vòng Bi Cầu Rãnh Sâu SKF 6208-2RS1 (40x80x18) Phớt Cao Su NBR Tiếp xúc (Hai Bên)
Mục Lục
- 1. Vòng Bi SKF 6208-2RS1 Là Gì? – Giải Thích Chuyên Sâu
- 2. Thông Số Kỹ Thuật Chi Tiết Của Vòng Bi Cầu SKF 6208-2RS1
- 3. Cấu hình Chi Tiết Vòng Bi SKF 6208-2RS1
- 4. Phân Tích Chuyên Sâu: Phớt Cao Su 2RS1 và Khe Hở Tiêu Chuẩn CN của SKF 6208-2RS1
- 5. Ưu và nhược điểm của Vòng Bi SKF 6208-2RS1
- 6. Ứng dụng Thực Tế của Vòng Bi SKF 6208-2RS1
- 7. Hướng Dẫn Đặt và Tháo Tháo SKF 6208-2RS1
- 8. So Sánh Vòng Bi 6208-2RS1 với Các Loại 6208 Khác
- 9. Cách Phân Biệt Vòng Bi SKF 6208-2RS1 Thật – Giả – Lời Khuyên Từ Chuyên Gia Mecsu
- 10. Giá Bán & Gợi Ý Mua Vòng Bi SKF 6208-2RS1 Chính Hãng Tại TP.HCM
- 11. Câu hỏi thường gặp về Vòng Bi SKF 6208-2RS1
- 12. Liên Hệ và Hỗ Trợ Tư Vấn Vòng Bi SKF
- 13. Thông Tin Bổ Sung & Kinh nghiệm Thực Tế Từ Mecsu
1. Vòng Bi SKF 6208-2RS1 Là Gì? – Giải Thích Chuyên Sâu
Vòng bi cầu rãnh sâu SKF 6208-2RS1 là một loại vòng bi được thiết kế đặc biệt nhằm cung cấp khả năng làm kín bề mặt, bảo vệ tối đa khỏi bụi bẩn, nước và các chất gây ô nhiễm ô nhiễm cặn, đồng thời giữ mỡ bôi trơn bên trong hiệu quả. Mã “6208” chỉ kích thước với đường kính trong (d) 40mm, đường kính ngoài (D) 80mm và chiều dày (B) 18mm, đây là một biến kích thước phổ biến trong nhiều ngành công nghiệp.
Hậu tố “-2RS1” là dạng chính của vòng bi này, biểu thị nó được trang bị dây cáp từ cao su tổng hợp Cao su Nitrile Butadiene (NBR) ở cả hai phía. Loại này được gia cố bằng thép và được thiết kế để tiếp xúc trực tiếp với một vòng lớn trong vòng bi, tạo ra một lớp bảo vệ tuyệt đối. Thiết kế “tiếp xúc” (con dấu tiếp xúc) này là tác dụng cực kỳ nguy hiểm trong công việc, nước, ức chế chất độc và các chất gây ô nhiễm nhiễm độc khác xâm nhập vào bên trong vòng bi. Đồng thời, nó giúp giữ mỡ bôi trơn đã được cung cấp sẵn từ nhà bên trong, kéo dài tuổi tuổi bôi trơn và giảm nhu cầu bảo trì.
Vòng bi này có kính hướng dẫn tiêu chuẩn (ký hiệu “CN” hoặc không có ký hiệu đi kèm). Khe tiêu chuẩn này phù hợp cho hầu hết các ứng dụng thông thường, nơi không có sự giãn nở nhiệt phải kể hoặc yêu cầu lắp đặt đặc biệt. Nó đảm bảo sự cân bằng giữa khả năng tải, tuổi thọ và hiệu suất của vòng bi trong điều kiện vận hành phổ biến.
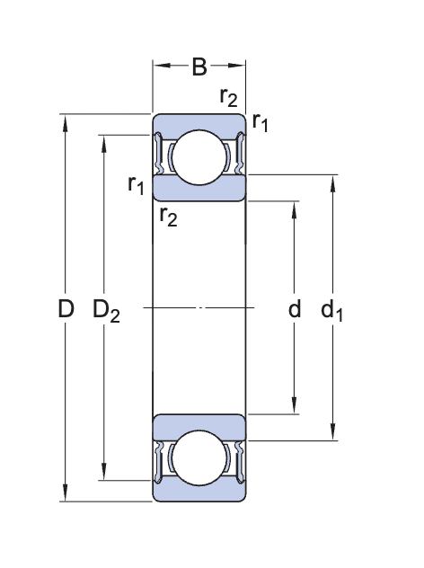
2. Thông Số Kỹ Thuật Chi Tiết Của Vòng Bi Cầu SKF 6208-2RS1
d: Đường kính trong
D: Đường kính ngoài
B: Bề dày
C: Tải cơ sở dữ liệu danh sách
C0: Tải danh sách cơ sở dữ liệu tĩnh
| Thông số | Giá trị |
|---|---|
| Mã sản phẩm | 6208-2RS1 |
| Loại vòng bi | Vòng Bi Cầu Rãnh Sâu (Vòng Bi Rãnh Sâu) |
| Đường kính trong (d) | 40 mm |
| Đường kính ngoài (D) | 80 mm |
| Bề dày (B) | 18 mm |
| Tải cơ sở dữ liệu quan trọng (C) | 32,5 kN |
| Tải quan trọng cơ sở dữ liệu danh sách (C0) | 19 kN |
| Tốc độ giới hạn | 5 600 vòng/phút |
| Lớp hiệu suất SKF | SKF Explorer |
| Rãnh tra bi | Không có |
| Số dòng | 1 |
| Phương tiện để định vị, vòng ngoài của vòng bi | Không có |
| Loại lỗ | Hình trụ |
| Vòng cách | Tấm kim loại |
| Kiểu gắn cặp | KHÔNG |
| Khe khe trong hướng kính | CN (Tiêu chuẩn) |
| Vật liệu, vòng bi | Thép chịu lực |
| Lớp mạ | Không có |
| Phớt chắc | Niêm phong cả hai mặt |
| Loại Chắc Dầu | Liên hệ |
| Tra mỡ sẵn chưa? | Mỡ |
| Phương tiện để tái bôi trơn | Không có |
| Dấu vết carbon của sản phẩm được chỉ định để sản xuất | 1,31 kg CO2e |
| Trọng lượng sản phẩm | 0,365 kg |
| Mã eClass | 23-05-08-01 |
| Mã UNSPSC | 31171504 |
3. Cấu hình Chi Tiết Vòng Bi SKF 6208-2RS1
Vòng bi SKF 6208-2RS1 được cấu hình thành các bộ phận chính, mỗi bộ phận đóng vai trò quan trọng trong công việc đảm bảo hiệu suất hoạt động và độ bền:
Sơ đồ cấu hình tạo Vòng Bi Cầu Rãnh Sâu SKF 6208-2RS1 với phun cao su NBR hai đầu:
- Vòng trong/ngoài: Được chế tạo từ thép chịu lực cao, cùng với khu vực Yên tĩnh, chịu tải chính.
- Bi cầu: Sản phẩm sản xuất từ thép siêu chính xác và được xử lý nhiệt đặc biệt để giảm độ cứng, tăng cường độ cứng và độ bền.
- Vòng cách: Thông thường được làm từ thép mạnh, có chức năng giữ các thành viên với nhau và hướng dẫn chuyển động của bi.
- Phớt cao su (2RS1): Gắn chặt vào khu vực bên ngoài vòng bi và được thiết kế để tiếp tục căng thẳng với một khu vực trong vòng. “2RS1” chỉ ra rằng vòng bi có hai lò sưởi cao su NBR ở cả hai bên, cung cấp khả năng làm việc hiệu quả. Phớt cao su này là loại “tiếp xúc” (con dấu tiếp xúc), mang lại khả năng ngăn chặn vượt trội đối với bụi, nước, chất thải và các chất gây ô nhiễm nhiễm trùng, đồng thời giữ mỡ bôi trơn đã được mua sẵn từ nhà máy trong, kéo dài câu chuyện tuổi thọ của mỡ và vòng bi.
4. Phân Tích Chuyên Sâu: Phớt Cao Su 2RS1 và Khe Hở Tiêu Chuẩn CN của SKF 6208-2RS1
Để xác định giá trị của vòng bi SKF 6208-2RS1, công việc phân tích sâu hơn về ký hiệu “2RS1” và tiêu chuẩn đặc biệt là rất quan trọng.
Ký hiệu “2RS1” – Phớt cao su NBR tiếp xúc hai bên:
- Chức năng chính: Cung cấp khả năng làm kín nổi, bảo vệ vòng bi khỏi bụi bẩn, nước, chất lỏng và các chất gây ô nhiễm nhiễm bẩn, đồng thời giữ dầu bôi trơn trong hiệu quả. “2RS1” chỉ ra rằng vòng bi có hai vét cao su NBR ở cả hai bên.
- Đặc điểm nổi bật: Đây là loại “tiếp xúc” (con dấu tiếp xúc). Phớt được làm từ cao su NBR (Cao su Nitrile Butadiene), một vật liệu có khả năng chống dầu và mài mòn tốt, và được gia cố bằng thép. Phớt tiếp xúc trực tiếp với một ngành lớn trong vòng, tạo ra một lớp bảo vệ tuyệt đối.
- Ưu điểm vượt trội:
- Khả năng làm kín tối ưu: Hiệu quả cao trong việc ngăn chặn các hạt bụi, nước, hóa chất dư và các chất gây ô nhiễm khác xâm nhập vào bên trong vòng bi. Điều đặc biệt quan trọng trong môi trường khắc nghiệt như ẩm ướt, nhiều bụi hoặc có chất ảnh bắn tóe.
- Giữ mỡ bôi trơn hiệu quả: Giảm tiếp xúc giữ dầu bôi trơn đã có sẵn từ nhà máy trong vòng bi một cực kỳ hiệu quả, kéo dài tuổi tẩy bôi và giảm bớt kể như cầu tái bôi trơn.
- Giảm tiếng ồn: Lớp sơn cao su cũng có thể giúp giảm tiếng ồn trong quá trình vận hành ở mức độ nhất định.
- Bảo trì ít nhất: Vòng bi có thể được cung cấp chất béo từ nhà máy và có khả năng hữu ích cho hoạt động bền bỉ vòng bi mà ít cần bảo trì.
- Chế độ: Do có sự căng thẳng tiếp theo giữa vòng và vòng trong, vòng bi này có ma sát cao hơn và sinh nhiệt nhiều hơn so với loại dây thép không tiếp xúc (2Z). Điều này làm giảm giới hạn tốc độ (5.600 vòng/phút), đối với các loại không có nguy hiểm hoặc không tiếp tục căng thẳng. Phớt cao su cũng có giới hạn nhiệt độ hoạt động tối đa (thường là khoảng -40°C đến +100°C, có thể lên đến +120°C trong thời gian ngắn) cũng như loại dây kim loại.
Khe tiêu chuẩn (CN – Normal Clearance):
- Chức năng chính: Cung cấp khe hở bên trong tiêu chuẩn, phù hợp cho nhiều ứng dụng thông thường.
- Ý nghĩa: Khe hướng kính (độ thanh thoát xuyên tâm) là khoảng trống giữa bi và khu vực vòng trong và vòng ngoài. Khe CN là giá trị mặc định khi không có ký hiệu đặc biệt nào được ghi hoặc ký hiệu là CN.
- Ưu điểm vượt trội:
- Phù hợp cho nhiều loại ứng dụng: Khe hở CN được thiết kế để hoạt động hiệu quả trong hầu hết các điều kiện vận hành phổ biến, nơi không có yêu cầu đặc biệt về nhiệt độ cao hay gắn kết quá chặt.
- Cân bằng hiệu suất: Cung cấp sự cân bằng tối ưu giữa khả năng tải, tuổi thọ, ma sát và độ chính xác.
- Khi nào nên sử dụng CN: CN là phổ biến cho các động cơ, máy thổi, quạt, hộp số, và các ứng dụng tổng quát khác, nơi nhiệt độ hoạt động và phương pháp lắp đặt là tiêu chuẩn, không gây ra sự nặng nhiệt đáng kể.
Vòng bi SKF 6208-2RS1 là giải pháp tối ưu cho các ứng dụng đòi hỏi khả năng làm kín chống lại bụi bẩn và chất dưỡng, đồng thời kéo dài tuổi thọ tẩy tế bào chết trong môi trường vận hành tiêu chuẩn, nơi tốc độ không phải là yếu tố quá hạn.
5. Ưu và nhược điểm của Vòng Bi SKF 6208-2RS1
Vòng bi SKF 6208-2RS1 là một sản phẩm được thiết kế đặc biệt để mang lại khả năng làm kín vượt trội. Câu hỏi về mức độ ưu tiên của lựa chọn phải hiểu mức độ ưu tiên của nó.
Ưu điểm nổi bật:
- Khả năng làm việc tuyệt vời: Điểm mạnh nhất của 2RS1 là băng cao su tiếp xúc giúp ngăn chặn hiệu quả gần như 100% bụi, nước, hơi ẩm, và các gây ô nhiễm nhiễm độc xâm nhập vào bên trong vòng bi. Điều này kéo dài đáng kể tuổi thọ của bi, đặc biệt trong môi trường khắc nghiệt.
- Giữ mỡ bôi trơn tối ưu: Giảm tiếp xúc giúp giữ mỡ bôi trơn đã được cung cấp từ nhà bên trong, giảm thiểu sự thất bại của mỡ và kéo dài tuổi thọ bôi trơn. Trong nhiều trường hợp, vòng bi được coi là “bôi trơn đời”, không cần tái bôi trơn.
- Bảo trì ít: Nhờ khả năng làm kín và giữ hiệu quả mỡ, nhu cầu bảo trì định kỳ (tra mỡ) gần như được loại bỏ trong nhiều ứng dụng.
- Chịu tải đa hướng: Có khả năng chịu đựng tốt cả tải trọng tâm (tải hướng tâm) và hướng trục (tải trọng trục) theo cả hai chiều.
- Thiết kế mạnh mẽ và bền bỉ: Mang lại hiệu suất đáng tin cậy trong các điều kiện làm việc khó khăn.
- Hiệu suất SKF Explorer: Là một thành phần của dòng SKF Explorer, vòng bi này được tối ưu hóa để mang lại hiệu suất vượt trội, tuổi thọ dài hơn và độ tin cậy cao.
Nhược điểm cần lưu ý:
- Tốc độ giới hạn thấp hơn: Căng thẳng tiếp theo giữa áp lực và vòng trong, sẽ phát sinh ma sát và sinh nhiệt. Điều này làm giảm đáng kể tốc độ giới hạn (5.600 vòng/phút) so với các loại vòng bi không hưng hoặc có dây thép (2Z).
- Sinh nhiệt cao hơn: Ma sát nhiệt độ sẽ làm tăng nhiệt độ hoạt động của vòng bi, điều này cần được cân bằng nhanh chóng trong các ứng dụng cảm biến nhiệt độ.
- Không phù hợp với nhiệt độ quá cao: Vật liệu cao su NBR có giới hạn nhiệt độ hoạt động tối đa (khoảng -40°C đến +100°C, tối đa +120°C trong thời gian ngắn). Trong các ứng dụng nhiệt độ cực cao, phun cao su có thể bị cứng, nứt hoặc mất khả năng làm kín.
- Không thể tái bôi trơn dễ dàng: Việc tái bôi trơn cho loại vòng bi có phun cao su là không dễ dàng và thường không được kích thước vì có thể làm nứt nẻ, ảnh hưởng đến khả năng làm kín.
6. Ứng dụng Thực Tế của Vòng Bi SKF 6208-2RS1
Với khả năng làm kiềm chống lại bụi bẩn và chất tẩy, SKF 6208-2RS1 là đơn vị lựa chọn hàng đầu cho các ứng dụng hoạt động trong môi trường khắc nghiệt, nơi bảo vệ vòng bi từ ô nhiễm là yếu tố then chốt, đặc biệt phổ biến tại các khu công nghiệp ở TP. Hồ Chí Minh và khu vực lân cận:
- Máy móc nông nghiệp: Máy cày, máy xay, máy xay xát, nơi vòng hai thường xuyên tiếp xúc với bụi bẩn, bùn đất, nước và độ ẩm cao.
- Ngành công nghiệp thực phẩm và đồ uống: Các thiết bị cần vệ sinh thường xuyên sử dụng nước hoặc dung dịch tẩy rửa, nơi cần đóng kín để ngăn chặn sự xâm nhập của nước và giữ vệ sinh.
- Máy giặt công nghiệp, máy sấy: Trong các thiết bị hoạt động trong môi trường ẩm ướt và có thể tiếp xúc với nước.
- Thiết bị khai thác mỏ, xây dựng: Máy xúc, máy nén, xe tải chuyên dụng, nơi môi trường làm việc cực kỳ khắc nghiệt với nhiều bụi, bùn và nước.
- Các ứng dụng ngoài trời: Thiết bị hoạt động dưới mưa, nắng, bụi bẩn, cần khả năng chống chịu thời tiết tốt.
- Hệ thống băng tải trong môi trường Bụi: Nơi có nhiều bụi, loại mạt kim hoặc các hạt gây ô nhiễm khác.
- Hướng dẫn nước và quạt công nghiệp (trong môi trường ẩm thực): Khi máy thổi hoặc quạt hoạt động trong điều kiện có ẩm cao hoặc nguy cơ nước bắn vào.
- Các ngành công nghiệp nói chung: Bất kỳ ứng dụng nào bảo vệ vòng bi khỏi môi trường ô nhiễm nhiễm sắc thể có thể là ưu tiên hàng đầu, ngay cả khi phải đánh đổi một chút về tốc độ.
7. Hướng Dẫn Đặt và Tháo Tháo SKF 6208-2RS1
Để đảm bảo tuổi thọ và hiệu suất tối ưu cho vòng bi SKF 6208-2RS1, cách lắp đặt và tháo gỡ đúng cách là vô cùng quan trọng. luôn luôn thủ các nguyên tắc an toàn và kỹ thuật của các nhà sản xuất. Mecsu cung cấp hướng dẫn chi tiết dựa trên kinh nghiệm thực tế:
- Chuẩn bị: Đảm bảo môi trường làm việc sạch sẽ, khô ráo. Chuẩn bị đầy đủ các công cụ chuyên dụng như cảo, búa mềm, thiết bị gia nhiệt cảm ứng (nếu cần). Luôn đeo dây bảo vệ và kính bảo hộ để đảm bảo an toàn. Kiểm tra khí cụ và gối phải sạch sẽ, không có lỗ hổng và bảo đảm sai dung dịch. Lưu ý quan trọng: Không tháo vòng bi cao su 2RS1 vì vòng bi đã có sẵn mỡ và việc tháo rời có thể gây hư hỏng hoặc ảnh hưởng đến khả năng làm kín và tuổi thọ của vòng bi.
- Lắp đặt:
- Phương pháp nhiệt (phổ biến nhất cho vòng bi lớn hoặc lắp đặt chính xác): Gia nhiệt vòng bi bằng thiết bị gia nhiệt chuyên dụng (ví dụ: máy gia nhiệt cảm ứng SKF) đến nhiệt độ khoảng 80-100°C. Điều này giúp vòng nở ra, dễ trượt vào trục mà không cần dùng lực quá lớn. Luôn hoạt động đều đặn và tập trung lên vòng khi gắn vào xẹp xuống. Tránh gia nhiệt quá cao (<120°C) để không làm hỏng bề mặt hoặc mỡ.
- Phương pháp cơ khí (dùng cho kích thước nhỏ hơn hoặc khi không thể gia nhiệt): Sử dụng ống lót chuyên dụng và rèn mềm, tác dụng lực đều lên vòng khi lắp vào trục. Tuyệt đối tránh tác động trực tiếp lên phun cao su hoặc các thành viên vì có thể gây nguy hại đến nguy hiểm cho hồng hoặc vòng bi.
- Lưu ý: Đảm bảo vòng bi được gắn thẳng, không bị lệch hoặc kẹt.
- Gỡ bỏ:
- Sử dụng cả dụng cụ chuyên dụng (cảo cơ hoặc cả thủy lực) để xoay vòng một cách an toàn và không gây ra tình trạng gãy xương cho hoặc hỗ trợ gối. Tác dụng lực đều và đúng ở vòng trong (khi rút xẹp) hoặc vòng ngoài (khi rút gối).
- Tránh dùng đập trực tiếp lên các sinh vật học hoặc các bộ phận khác có thể gây ra các dạng biến đổi, hư hỏng. Việc này không chỉ làm hỏng vòng bi mà còn tiềm ẩn nguy hiểm.
- Người bảo vệ: Nếu không sử dụng ngay, hãy giữ vòng bi trong bao bì gốc của nhà sản xuất, ở nơi khô ráo, thoáng mát, tránh ánh nắng trực tiếp và các chất hóa học ăn mòn để ngăn chặn sét và bụi nguy hiểm xâm nhập.
8. So Sánh Vòng Bi 6208-2RS1 với Các Loại 6208 Khác
Việc hiểu rõ sự khác biệt giữa các loại vòng bi 6208 SKF sẽ giúp bạn lựa chọn sản phẩm phù hợp nhất cho ứng dụng của mình, tối ưu hóa hiệu suất và chi phí đầu tư:
| Tiêu chí | SKF 6208-2RS1 (2 Phớt cao su, Khe hở CN) | SKF 6208 (Không cần tránh CN) | SKF 6208-2Z (2 Nắp Thép, Khe hở CN) | SKF 6208-2Z/C3 (2 Nắp Thép, Khe hở C3) |
|---|---|---|---|---|
| Kích thước (dx D x B) | 40 x 80 x 18 mm | 40 x 80 x 18 mm | 40 x 80 x 18 mm | 40 x 80 x 18 mm |
| Tải cơ sở dữ liệu (C) | 32,5 kN | 32,5 kN | 32,5 kN | 32,5 kN |
| Tải cơ sở dữ liệu quan trọng (C0) | 19 kN | 19 kN | 19 kN | 19 kN |
| Tốc độ giới hạn (Giới hạn tốc độ) | 5 600 vòng/phút | 19 000 vòng/phút | 9 000 vòng/phút | 9 000 vòng/phút |
| Vòng cách | Tấm kim loại | Tấm kim loại | Tấm kim loại | Tấm kim loại |
| Phớt chắc | Niêm phong cả hai mặt (2RS1) | Không có | Khiên ở cả hai bên (2Z) | Khiên ở cả hai bên (2Z) |
| Loại Chắc Dầu | Liên hệ | Mở | Không tiếp xúc | Không tiếp xúc |
| Tra mỡ sẵn | Mỡ (Có) | Không | Mỡ (Có) | Mỡ (Có) |
| Khe khe hướng kính | CN (Tiêu chuẩn) | CN (Tiêu chuẩn) | CN (Tiêu chuẩn) | C3 (Lớn hơn tiêu chuẩn) |
| Khả năng làm kín | Rất tốt (chống bụi, nước, giữ mỡ tuyệt đối) – Trò chơi cao su tiếp xúc | Kem (không dây, dễ nhiễm trùng) | Tốt (chắn bụi lớn, mỡ giữ tối ưu) – Dây xích không tiếp xúc | Tốt (chắn bụi lớn, mỡ giữ tối ưu) – Dây xích không tiếp xúc |
| Khả năng chống ẩm/lỏng | Rất tốt | Kem | Trung bình | Trung bình |
| Nhu cầu bảo trì | Rất thấp (bôi trơn sẵn từ nhà máy, kín đáo) | Cao (cần bôi trơn bất kỳ) | Rất thấp (bôi trơn sẵn từ nhà máy, kín đáo) | Rất thấp (bôi trơn sẵn từ nhà máy, kín đáo) |
| Ưu điểm nổi bật | Bảo vệ tuyệt vời khỏi bụi bẩn, nước, hóa chất, tuổi thọ mỡ dài. | Tốc độ rất cao, ma sát cực thấp, linh hoạt trong công việc bôi trơn (cần hệ thống bôi trơn bên ngoài). | Tốc độ cao, an toàn, ít bảo trì, phù hợp tiêu chuẩn. | Tốc độ cao, ma sát, phù hợp với môi trường nhiệt độ cao/khắp nhanh, ít bảo trì. |
| Ứng dụng điển hình | Môi trường ẩm ướt, nhiều bụi nông, nông nghiệp, công nghiệp thực phẩm (nơi có nước). | Hộp số kín, xâu tốc độ rất cao trong môi trường sạch sẽ, hệ thống có bôi trơn trung tâm. | Động cơ điện, quạt công nghiệp, hộp số, máy công cụ (môi trường tiêu chuẩn). | Động cơ điện, quạt công nghiệp, hộp số, máy công cụ (nơi có nhiệt độ). |
9. Cách Phân Biệt Vòng Bi SKF 6208-2RS1 Thật – Giả Lời Khuyên Từ Chuyên Gia Mecsu
Thị trường hiện nay có rất nhiều hàng giả, hàng giả chất lượng, đặc biệt là với các sản phẩm vòng bi SKF chính hãng được ưa chuộng. Để đảm bảo bạn mua được vòng bi SKF 6208-2RS1 chính hãng tại TP.HCM, Mecsu khuyến nghị kiểm tra các dấu hiệu sau:
a. Dấu hiệu của vòng bi chính hãng SKF 6208-2RS1 :
- Bao bì chất lượng cao: Sắc nét, màu xanh đặc trưng của SKF, sản phẩm thông tin rõ ràng, đầy đủ mã vạch/QR code và thông tin xuất xứ. Bạn sẽ tìm thấy công nghệ trong từng chi tiết.
- In ấn trên vòng bi sắc nét: Logo SKF, mã sản phẩm (6208-2RS1) và các nhà sản xuất quốc gia được in hoặc khắc laser sắc nét, rõ ràng, không lem, không sai phông chữ, rất khó bị tẩy xóa.
- Mã QR/Bar code xác thực: Có thể quét bằng ứng dụng “SKF Authenticate” trên điện thoại di động thông minh để xác thực nguồn gốc và tính chính hãng của sản phẩm. Đây là công cụ hữu ích nhất của SKF để chống hàng giả.
- Phớt cao su hoàn thiện: Giảm bớt phần gắn chắc chắn, đồng đều ở cả hai phía, không có dấu hiệu co giật, rách hoặc móp. Chất liệu cao su NBR mềm nhưng bền bỉ, không có mùi lạ hoặc cảm giác Gmail.
- Cảm giác giác vận động hành động mượt mà: Khi quay vòng bi bằng tay, bạn sẽ cảm nhận được sự mượt mà, cô ái, có độ cản trở làm tình tiếp xúc, nhưng không có tiếng kêu lạ hoặc cảm giác giác giác bất thường.
- Chứng từ đầy đủ: Nhà cung cấp uy tín sẽ cung cấp đầy đủ “CO” (chứng nhận xuất xứ) và “CQ” (chứng nhận chất lượng) từ nhà sản xuất, đảm bảo nguồn gốc và chất lượng sản phẩm.
b. Dấu hiệu của vòng bi SKF 6208-2RS1 hàng giả/nhái:
- In ấn mờ nhạt, sai chính tả, phông chữ lạ, thiếu thông tin hoặc không chính xác trên cả bao bì và vòng bi.
- Bao bì thô, màu trôi chuẩn SKF, thiếu thông tin quan trọng hoặc có dấu hiệu làm lại.
- Phớt cao su hoàn toàn, bị rách, biến dạng, hoặc có chất liệu thân thiện với chất lượng (ví dụ: quá cứng, quá mềm, dễ rách, có mùi cao su khó chịu), dễ bong tróc.
- Không có mã QR hoặc mã hóa không quét được hoặc quét ra thông tin không khớp với sản phẩm chính hãng.
- Khi quay tay có tiếng kêu lạo xạo, cảm giác giác, nặng hoặc quá trình (rơ) bất thường, làm gia công giá trị chính xác và vật liệu không đạt tiêu chuẩn.
- Giá bán rẻ bất ngờ so với thị trường của các sản phẩm chính hãng – đây là dấu hiệu cảnh báo lớn nhất.

10. Giá Bán & Gợi Ý Mua Vòng Bi SKF 6208-2RS1 Chính Hãng Tại TP.HCM
a. Giá vòng bi SKF 6208-2RS1 (TP.Hồ Chí Minh) tại Mecsu: 314,820đ/ Cái (đã có VAT) – Giá hợp lý, phù hợp với chất lượng sản phẩm chính hãng
Liên hệ để nhận báo giá tốt nhất (giá có thể thay đổi tùy thời điểm và số lượng) – Giá hợp lý, phù hợp với chất lượng sản phẩm chính hãng SKF tại thị trường vòng bi TP.HCM.
b. Gợi ý mua vòng bi chính hãng SKF uy tín
- Chọn nhà cung cấp uy tín tại TP.HCM: Ưu tiên đối tác có bằng chứng nhận từ SKF hoặc đơn vị lâu năm, được nhiều khách hàng tin tưởng và có danh tiếng trên thị trường cung cấp linh kiện cơ khí tại TP.HCM.
- Kiểm tra chứng từ đầy đủ: Luôn yêu cầu đầy đủ “CO” (chứng nhận xuất xứ) và “CQ” (chứng nhận chất lượng) để đảm bảo nguồn gốc và chất lượng của sản phẩm. Điều này giúp bạn tránh mua phải “vòng bi SKF giả” trên thị trường.
-
- 100% sản phẩm chính hãng: Đảm bảo nguồn gốc rõ ràng, đầy đủ chứng từ. Chúng tôi cam kết hoàn tiền 100% hoặc đổi trả nếu sản phẩm không thuộc loại công thức chính.
- Chính sách bảo hành minh bạch: Hỗ trợ đổi trả nếu nhà sản xuất gặp lỗi, mang lại sự an tâm tuyệt đối cho khách hàng.
- Hỗ trợ kỹ thuật chuyên sâu: Đội ngũ kỹ sư giàu kinh nghiệm sẵn sàng hỗ trợ bạn về kỹ thuật và lựa chọn sản phẩm phù hợp nhất cho mọi ứng dụng.
- Giá cả cạnh tranh: Đảm bảo giá tốt nhất đi kèm chất lượng, với chính sách chiết khấu hấp dẫn cho đơn hàng số lượng lớn, đặc biệt khi “mua vòng bi SKF số lượng lớn”.
MUA THÊM NHIỀU LOẠI VÒNG BI CHÍNH HÃNG KHÁC TẠI MECSU
11. Câu hỏi thường gặp về Vòng Bi SKF 6208-2RS1
a. Vòng bi SKF 6208-2RS1 có cần bảo dưỡng, tra mỡ không?
Vòng bi SKF 6208-2RS1 được tra mỡ sẵn từ nhà máy và có hai nguy cơ cao su tiếp xúc (2RS1) giúp giữ mỡ bên trong cực kỳ hiệu quả. Trong hầu hết các ứng dụng thông thường, vòng bi này được xem là “bảo trì trọn đời” và không cần tái bôi trơn. Điều này giúp tiết kiệm thời gian và chi phí bảo trì đáng kể.
b. Chữ “2RS1” trong mã SKF 6208-2RS1 có ý nghĩa gì?
Chữ “2RS1” bi vòng chỉ có hai cách sử dụng cao su NBR ở cả hai bên. Đây là loại căng thẳng tiếp theo, tạo khả năng làm kín chống lại bụi, nước, chất thải và các chất gây ô nhiễm nhiễm trùng, đồng thời giữ mỡ bôi trơn bên trong hiệu ứng. Chữ “1” sau “RS” cho biết đây là mã độc thế hệ mới nhất của SKF (RS1).
c. Vòng bi SKF 6208-2RS1 có hoạt động tốt ở tốc độ cao không?
Không. Vòng bi SKF 6208-2RS1 có tính dưỡng cao su tiếp xúc, điều này tạo ra ma sát và sinh nhiệt, làm giảm đáng kể tốc độ giới hạn của vòng bi (5.600 vòng/phút). Nếu ứng dụng của bạn yêu cầu tốc độ quay rất cao, bạn nên xem xét các loại vòng bi có dây thép thép (2Z) hoặc không có dây/phớt.
d. Làm sao biết vòng bi 6208-2RS1 của tôi là hãng SKF chính hãng?

đ. Khi nào cần thay thế bi 6208-2RS1?
Bạn nên thay thế vòng bi khi nhận được các dấu hiệu sau:
- Tiếng ồn bất thường: Tiếng kêu lạo xạo, rít, hoặc gằn khi vòng bi quay, báo hiệu bi hoặc khu vực bị mòn hoặc mỡ đã suy giảm chất lượng.
- Tăng nhiệt độ: Vòng bi tăng lên bất thường trong quá trình hoạt động, có thể tăng mỡ hoặc tải trong quá trình.
- Độ cao lớn: Thiết bị hoạt động có tốc độ tăng lên đáng kể, ảnh hưởng đến hiệu suất và có thể gây nguy hiểm cho các bộ phận khác.
- Biến dạng vật lý: Phớt cao su bị cứng, nứt, rách hoặc có dấu hiệu hư hỏng nguy hiểm, ảnh hưởng đến khả năng làm kín.
- Vòng bi bị khóa hoặc không được xóa.
Kinh nghiệm từ các kỹ sư Mecsu: Kiểm tra định kỳ bằng cách lắng nghe tiếng ồn hoặc cảm nhận mức độ rung có thể giúp phát hiện sớm các dấu hiệu cần thay thế, tránh nguy hại gây hại nghiêm trọng hơn cho toàn hệ thống. Đừng ngần ngại liên hệ với chúng tôi để được hỗ trợ kỹ thuật về bảo trì vòng bi hoặc thay thế vòng bi.
f. Mua vòng bi SKF 6208-2RS1 chính hãng, uy tín ở đâu tại TP.HCM?
- Cam kết chất lượng: 100% sản phẩm có nguồn gốc rõ ràng, đầy đủ chứng từ CO, CQ. Chúng tôi cam kết hoàn tiền 100% hoặc đổi trả nếu sản phẩm không thuộc loại công thức chính.
- Giá cả cạnh tranh: Đảm bảo giá tốt nhất đi kèm chất lượng, với chính sách chiết khấu hấp dẫn cho đơn hàng số lượng lớn, đặc biệt khi “mua vòng bi SKF số lượng lớn”.
- Tư vấn chuyên sâu: Đội ngũ kỹ sư giàu kinh nghiệm sẵn sàng hỗ trợ bạn về kỹ thuật và lựa chọn sản phẩm phù hợp nhất.
- Chính sách hậu mãi: Đảm bảo quyền lợi tối đa cho khách hàng với dịch vụ hỗ trợ nhanh chóng, tận tâm.
MUA THÊM NHIỀU LOẠI VÒNG BI CHÍNH HÃNG KHÁC TAI MECSU
12. Liên Hệ và Hỗ Trợ Tư Vấn Vòng Bi SKF
Nếu bạn có bất kỳ thắc mắc nào về vòng bi SKF 6208-2RS1 hoặc cần tư vấn về giải pháp vòng bi cho ứng dụng cụ thể của mình, đừng ngần ngại liên hệ với đội ngũ chuyên gia của Mecsu. Chúng tôi luôn sẵn sàng hỗ trợ bạn tìm ra các sản phẩm phù hợp và tối ưu nhất, đồng thời cung cấp những kiến thức về kỹ thuật bảo trì vòng bi mà bạn khó tìm thấy ở những nơi khác.
Địa chỉ: B28/I – B29/I Đường số 2B, KCN Vĩnh Lộc, P. Bình Hưng Hòa B, Q. Bình Tân, TP.HCM
Hotline: 1800 8137
Email: [email protected]
Website: mecsu.vn
13. Thông Tin Bổ Sung & Kinh Nghiệm Thực Tế Từ Mecsu
a. Kinh Nghiệm Thực Tế & Câu Chuyện Thành Công
Tại Mecsu, chúng tôi tự hào là đối tác tin cậy của nhiều doanh nghiệp trong việc cung cấp các giải pháp vòng bi chất lượng cao. “Vòng bi SKF 6208-2RS1”, với khả năng làm kín vượt trội chống lại bụi bẩn và chất lỏng, đã được ứng dụng trong nhiều dự án quan trọng của khách hàng chúng tôi tại “TP. Hồ Chí Minh” và các tỉnh lân cận, mang lại hiệu quả vượt trội và là minh chứng cho chất lượng sản phẩm cùng kinh nghiệm thực tế của đội ngũ Mecsu:
- Ngành nông nghiệp: Chúng tôi đã cung cấp “SKF 6208-2RS1” cho các máy móc nông nghiệp như máy cày, máy gặt, nơi vòng bi thường xuyên tiếp xúc với môi trường nhiều bụi bẩn, bùn đất và độ ẩm cao. Khả năng làm kín của 2RS1 đã giúp kéo dài đáng kể tuổi thọ vòng bi trong các điều kiện khắc nghiệt này.
- Ngành công nghiệp thực phẩm và đồ uống: Trong các dây chuyền sản xuất yêu cầu vệ sinh thường xuyên bằng nước, “vòng bi 6208-2RS1” đã được tin dùng để ngăn chặn nước xâm nhập và duy trì hiệu suất hoạt động ổn định, giảm thiểu thời gian ngừng máy.
- Thiết bị khai thác mỏ và xây dựng: Với môi trường làm việc cực kỳ khắc nghiệt, đầy bụi, đất đá và nước, vòng bi 2RS1 đã chứng minh độ bền bỉ và khả năng chống chịu ô nhiễm vượt trội, giúp các thiết bị như máy xúc, máy ủi hoạt động liên tục.
b. Trích Dẫn Chuyên Gia
““SKF 6208-2RS1” là sự lựa chọn không thể thiếu cho các ứng dụng trong môi trường khắc nghiệt, nơi việc bảo vệ vòng bi khỏi bụi bẩn, nước và chất lỏng là yếu tố sống còn. Khả năng làm kín vượt trội của phớt cao su NBR tiếp xúc đảm bảo tuổi thọ mỡ và vòng bi dài hơn đáng kể, giảm thiểu chi phí bảo trì cho các doanh nghiệp tại TP.HCM.”
— “Kỹ sư cơ khí Chuyên gia kỹ thuật Mecsu” (TP. Hồ Chí Minh) – Với hơn 10 năm kinh nghiệm trong lĩnh vực “bạc đạn công nghiệp”.
c. Tài Liệu Tham Khảo và Nghiên Cứu
Nội dung bài viết này được biên soạn dựa trên các tài liệu kỹ thuật chính thức và đáng tin cậy từ SKF, cùng với kinh nghiệm thực tế chuyên sâu của đội ngũ kỹ sư Mecsu, đảm bảo tính chính xác, cập nhật và chuyên môn cao:
- SKF Product Catalog (Danh mục sản phẩm SKF chính thức) – Nguồn dữ liệu kỹ thuật chi tiết nhất về “vòng bi SKF”.
- Tài liệu kỹ thuật SKF Explorer – Deep Groove Ball Bearings (Thông tin chuyên sâu về “vòng bi cầu rãnh sâu SKF Explorer”) – Cung cấp cái nhìn toàn diện về thế hệ vòng bi bền bỉ này.
- Bảng dữ liệu kỹ thuật (Datasheet) chi tiết của SKF 6208-2RS1 – Nguồn thông số kỹ thuật chính xác.
- Trải nghiệm thực tế và phản hồi từ các dự án khách hàng của Mecsu – “Dữ liệu độc nhất” được thu thập từ hơn 10 năm cung cấp “linh kiện cơ khí” và “giải pháp vòng bi” cho các doanh nghiệp tại Việt Nam.
Biên soạn bởi: Đội ngũ Kỹ sư Mecsu
(Xem thêm thông tin về chúng tôi tại Website Mecsu )
Lưu ý: Hình ảnh sản phẩm có thể khác biệt so với sản phẩm thực tế của SKF. Vui lòng tham khảo thông số kỹ thuật chi tiết hoặc liên hệ Mecsu để có thông tin chính xác nhất về sản phẩm.


















Đánh giá
Chưa có đánh giá nào.