Mô tả sản phẩm
Thông tin CHUYÊN SÂU về Vòng Bi Cầu Rãnh Sâu SKF 6208-2RS1/C3 (40x80x18) Phớt Cao Su NBR Tiếp Tiến (Hai Bên)
Mục Lục
- 1. Vòng Bi SKF 6208-2RS1/C3 Là Gì? – Giải Thích Chuyên Sâu
- 2. Thông Số Kỹ Thuật Chi Tiết Của Vòng Bi Cầu SKF 6208-2RS1/C3
- 3. Cấu hình Chi Tiết Vòng Bi SKF 6208-2RS1/C3
- 4. Phân Tích Chuyên Sâu: Ký Hiệu 2RS1/C3 của SKF 6208-2RS1/C3
- 5. Ưu và nhược điểm của Vòng Bi SKF 6208-2RS1/C3
- 6. Ứng dụng Thực Tế của Vòng Bi SKF 6208-2RS1/C3
- 7. Hướng Dẫn Đặt và Tháo Tháo SKF 6208-2RS1/C3
- 8. So Sánh Vòng Bi 6208-2RS1/C3 với Các Loại 6208 Other
- 9. Cách Phân Biệt Vòng Bi SKF 6208-2RS1/C3 Thật – Giả – Lời Khuyên Từ Chuyên Gia Mecsu
- 10. Giá Bán & Gợi Ý Mua Vòng Bi SKF 6208-2RS1/C3 Chính Hãng Tại TP.HCM
- 11. Câu hỏi thường gặp về Vòng Bi SKF 6208-2RS1/C3
- 12. Liên Hệ và Hỗ Trợ Tư Vấn Vòng Bi SKF
- 13. Thông Tin Bổ Sung & Kinh nghiệm Thực Tế Từ Mecsu
1. Vòng Bi SKF 6208-2RS1/C3 Là Gì? – Giải Thích Chuyên Sâu
Vòng bi cầu rãnh sâu SKF 6208-2RS1/C3 là một trong những loại vòng bi được sử dụng rộng rãi nhất trong công nghiệp, nổi bật với khả năng bảo vệ vượt trội và tuổi thọ hoạt động kéo dài trong các công việc đặc biệt. Mã “6208” chỉ định kích thước cơ sở với đường kính trong (d) 40mm, đường kính ngoài (D) 80mm và chiều dày (B) 18mm.
Điểm khác biệt chính của sản phẩm này nằm ở hậu tố “-2RS1/C3”.
- “-2RS1”: Biết vòng bi được trang bị hai phun cao su tổng hợp (NBR) ở cả hai phía. Cách này tiếp tục căng thẳng với vòng bi, tạo ra một lớp làm kín hiệu quả, ngăn chặn tối đa bụi bẩn, nước và các chất gây ô nhiễm vi rút xâm nhập vào bên trong vòng bi. Đồng thời, nó giúp giữ mỡ bôi trơn được cung cấp từ nhà máy trong, đảm bảo tuổi thọ bôi trơn lâu dài và giảm thiểu nhu cầu bảo trì.
- “/C3”: Chỉ ra rằng vòng bi có hướng tâm lớn hơn tiêu chuẩn (CN). Khe C3 giúp vòng bi hoạt động tốt hơn trong các điều kiện nhiệt độ cao, nơi các bộ phận của vòng bi có thể giãn nở, hoặc trong các ứng dụng có yêu cầu gắn chặt (canh vừa phải), giúp tránh tình trạng căng do giãn nở nhiệt.
Sự kết hợp của phun cao su 2RS1 và khe C3 làm cho 6208-2RS1/C3 trở thành lựa chọn lý tưởng cho các ứng dụng trong môi trường môi trường giải quyết vết sâu, bụi sâu, ẩm ẩm hoặc có cơ nguy hiểm tẩy chất, đồng thời cần khả năng chịu nhiệt hoặc gắn chặt. Tuy nhiên, tốc độ giới hạn của loại này sẽ thấp hơn so với loại không sản phẩm hoặc sản phẩm thép thép (tốc độ giới hạn là 5 600 vòng/phút).
2. Thông Số Kỹ Thuật Chi Tiết Của Vòng Bi Cầu SKF 6208-2RS1/C3
d: Đường kính trong
D: Đường kính ngoài
B: Bề dày
C: Tải cơ sở dữ liệu danh sách
C0: Tải danh sách cơ sở dữ liệu tĩnh
Pu: Giới hạn tải mệt mỏi
| Thông số | Giá trị |
|---|---|
| Mã sản phẩm | 6208-2RS1/C3 |
| Loại vòng bi | Vòng Bi Cầu Rãnh Sâu (Vòng Bi Rãnh Sâu) |
| Đường kính trong (d) | 40 mm |
| Đường kính ngoài (D) | 80 mm |
| Bề dày (B) | 18 mm |
| Tải cơ sở dữ liệu danh sách (C) | 32,5 kN |
| Tải quan trọng cơ sở dữ liệu danh sách (C0) | 19 kN |
| Tốc độ giới hạn | 5 600 vòng/phút |
| Thế hệ khả năng làm việc cao của SKF | SKF Explorer |
| Rãnh tra bi | Không có |
| Số dòng | 1 |
| Phương tiện để định vị, vòng ngoài của vòng bi | Không có |
| Loại lỗ | Hình trụ |
| Vòng cách | Thép tấm (Sheet metal) |
| Kiểu gắn cặp | Không |
| Khe khe trong hướng kính | C3 |
| Vật liệu, vòng bi | Thép vòng bi |
| Lớp mạ | Không có |
| Phớt chắc | Phớt cao su NBR bên (2RS1) |
| Loại Chắc Dầu | Tiếp xúc (Contact) |
| Tra mỡ sẵn chưa? | Có (Trà mỡ sẵn từ nhà máy cho tuổi thọ hoạt động lâu dài) |
| Phương tiện để tái bôi trơn | Không có |
| Dấu vết carbon của sản phẩm được chỉ định để sản xuất | 1,31 kg CO2e |
| Trọng lượng sản phẩm | 0,365 kg |
| Mã eClass | 23-05-08-01 |
| Mã UNSPSC | 31171504 |
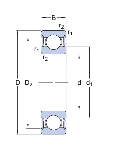
3. Cấu hình Chi Tiết Vòng Bi SKF 6208-2RS1/C3
Vòng bi SKF 6208-2RS1/C3 được cấu hình từ các bộ phận chính, mỗi bộ phận đóng vai trò quan trọng trong công việc đảm bảo hiệu suất hoạt động và độ bền:
Sơ đồ cấu hình tạo Vòng Bi Cầu Rãnh Sâu SKF 6208-2RS1/C3 với nhẹ cao su NBR tiếp xúc hai đầu:
- Vòng trong/ngoài: Được chế tạo từ thép chịu lực cao, cùng với khu vực Yên tĩnh, chịu tải chính.
- Bi cầu: Sản phẩm sản xuất từ thép siêu chính xác và được xử lý nhiệt đặc biệt để giảm độ cứng, tăng cường độ cứng và độ bền.
- Vòng cách: Làm bằng thép mạnh, có chức năng giữ các thành viên đều nhau, đảm bảo vòng bi hành động nữ ái và ổn định.
- Phớt cao su NBR (2RS1): Đây là đặc điểm nổi bật nhất của loại vòng bi này. Phớt được làm từ cao su tổng hợp NBR (Cao su Nitrile Butadiene), Gắn chặt vào vòng bên ngoài và tiếp giáp trực tiếp với một lớn trên vòng trong. “2RS1” chỉ ra rằng vòng bi có hai thứ như vậy ở cả hai bên. Phớt này cung cấp khả năng làm kín vượt trội, ngăn chặn hiệu quả Bụi bẩn, nước, và các chất gây ô nhiễm nhiễm độc xâm nhập, đồng thời giữ mỡ bôi trơn trong vòng bi, đảm bảo tuổi tẩy rửa lâu dài.
4. Phân Tích Chuyên Sâu: Ký Hiệu 2RS1/C3 của SKF 6208-2RS1/C3
Để thực sự hiểu được giá trị của vòng bi SKF 6208-2RS1/C3, việc phân tích sâu hơn về yếu tố thì chốt: “ký hiệu 2RS1/C3” là rất quan trọng.
Ký hiệu “2RS1” – Phớt cao su NBR tiếp xúc hai bên:
- Chức năng chính: Cung cấp khả năng làm kín kín, bảo vệ vòng bi ra hầu hết các loại chất gây ô nhiễm nhiễm trùng (bụi kho, nước, chất dồi dào, hóa chất nhẹ nhàng) từ môi trường bên ngoài. Đồng thời, giúp giữ mỡ bôi trơn bên trong vòng bi, kéo dài nói chuyện tuổi thọ bôi trơn. “2RS1” chỉ ra rằng vòng bi có hai vét cao su tiếp xúc ở cả hai bên.
- Đặc điểm nổi bật: Là loại thông “tiếp xúc” (Con dấu liên lạc). Điều này có ý nghĩa là viền mỏng su tiếp xúc trực tiếp với một ngành lớn trong vòng của vòng bi, tạo ra một rào cản vật lý cực kỳ hiệu quả chống xâm nhập của các chất vết thương.
- Ưu điểm vượt trội: Khả năng bảo vệ vòng ngoài môi trường khắc nghiệt là điểm mạnh nhất của 2RS1. Điều này giúp vòng bi hoạt động bền bỉ và đáng tin cậy trong các công việc điều kiện có bụi nguy hiểm, ẩm ướt hoặc nguy cơ nhiễm chất độc. Vòng bi được tra mỡ sẵn từ nhà máy và thường được xem là “bảo trì đời” trong điều kiện hoạt động bình thường, giảm thiểu đáng kể nhu cầu bảo dưỡng.
- Chế độ: Nếu vết nứt tiếp tục căng với vòng trong, nó sẽ tạo ra sự nguy hiểm lớn hơn so với các sản phẩm thép thép (2Z) hoặc vòng bi. Điều này dẫn đến tốc độ giới hạn thấp hơn (5 600 r/min) và sinh nhiệt nhiều hơn một chút.
Về khe hướng tâm trí “C3”:
- “C3” chỉ ra rằng vòng bi có chiều hướng lớn hơn tiêu chuẩn chiều (CN).
- Ưu điểm của C3:
- Giảm nguy cơ quy tắc bi: Trong các ứng dụng có nhiệt độ hoạt động cao, các bộ phận của vòng bi (vòng trong, vòng ngoài, bi) sẽ giãn nở. Khe C3 lớn hơn sẽ không tạo ra khoảng trống cho sự giãn nở này, giảm thiểu nguy cơ cơ vòng bị hạn chế hoặc tăng cường quá mức.
- Dễ dàng lắp đặt: Hữu ích trong các kim hợp kim vòng (phù hợp với nhiễu) trong vòng lên xẹp hoặc vòng ngoài vào đệm đỡ, khi đó khe hở sẽ bị giảm đi. Khe C3 đảm bảo vẫn còn một khoảng trống đủ lớn để hoàn thành hoạt động sau khi lắp đặt.
- Cải thiện khả năng hấp thụ xu hướng giảm nhẹ: Trong một số trường hợp hợp lý, khe hở lớn hơn có thể giúp vòng bi được giảm tốc độ cực khoái mà không bị quá tải.
Sự kết hợp giữa cao su NBR “2RS1” và khe “C3” giúp SKF 6208-2RS1/C3 trở thành một giải pháp vòng bi cực kỳ đáng tin cậy cho các ứng dụng trong môi trường khắc nghiệt, nơi có khả năng bảo vệ ô nhiễm là ưu tiên hàng đầu, đồng thời cần khả năng chịu nhiệt độ hoặc gắn chặt, ngay cả khi phải thay đổi một phần tốc độ hoạt động.
5. Ưu và nhược điểm của Vòng Bi SKF 6208-2RS1/C3
Vòng bi SKF 6208-2RS1/C3 là loại ưu việt cho nhiều ứng dụng nhờ khả năng bảo vệ tối ưu và khả năng thích ứng với điều kiện nhiệt độ/lắp đặt đặc biệt. Tuy nhiên, cũng cần cân nhắc các ưu và nhược điểm của nó để lựa chọn phù hợp nhất.
Ưu điểm nổi bật:
- Khả năng làm kín: Giảm cao su NBR tiếp xúc (2RS1) cung cấp khả năng bảo vệ tối đa bụi bụi, nước, chất thải và các chất gây ô nhiễm nhiễm độc khác, ngay cả trong môi trường khắc nghiệt.
- Giữ mỡ bôi trơn hiệu quả: Giảm kín giúp giữ mỡ bôi trơn bên trong vòng bi rất tốt, kéo dài tuổi bôi trơn và giảm đáng kể nhu cầu bảo trì định kỳ. Trong nhiều trường hợp, vòng bi được xem là “bảo trì đời”.
- Khả năng hỗ trợ nhiệt độ và lắp chặt: Khe C3 lớn hơn tiêu chuẩn cho phép hoạt động ổn định vòng trong môi trường nhiệt độ cao hoặc khi có trục vít/hỗ trợ.
- Độ tin cậy cao: Ưu tiên về khả năng bảo vệ an toàn và hạn chế phù hợp, vòng bi hoạt động ổn định và đáng tin cậy hơn, giảm thiểu nguy cơ hỏng hóc sớm gây nhiễm độc hoặc hạn chế bi.
- Được bôi mỡ sẵn: Sẵn sàng lắp đặt và sử dụng ngay mà không cần phải bôi mỡ đầu.
- Khả năng chịu tải tốt: Với tải trọng động định mức 32,5 kN, không phù hợp cho nhiều ứng dụng công nghiệp chịu tải trung bình.
Nhược điểm cần lưu ý:
- Tốc độ giới hạn thấp hơn: Do áp lực cao tiếp xúc tạo ra ma sát, tốc độ giới hạn của vòng bi 6208-2RS1/C3 (5 600 r/min) thấp hơn đáng kể so với loại không sản phẩm hoặc thép thép (2Z).
- Sinh nhiệt: Ma sát từ rôm có thể tạo ra nhiệt lượng nhất định, điều này cần được cân nhắc trong các ứng dụng tốc độ cực cao.
- Không tái sinh bôi trơn: Vòng bi này không có lỗi để tái chế bôi trơn. Khi mỡ bên trong bị suy giảm chất lượng, vòng bi cần được thay thế.
- Giá thành: Thường có giá cao hơn so với các loại sản phẩm không có sản phẩm hoặc thép thép do công nghệ cảm nhận và đặc biệt.
6. Ứng dụng Thực Tế của Vòng Bi SKF 6208-2RS1/C3
Với khả năng làm kín và bảo vệ tối ưu cùng khe hở C3, vòng bi SKF 6208-2RS1/C3 là loại thuốc lựa chọn hàng đầu cho các ứng dụng trong môi trường khắc sâu, bụi sâu, ẩm ẩm hoặc có nguy hiểm cơ chất tinh, nơi các loại vòng bi khác sẽ nhanh chóng bị hỏng, đặc biệt khi có độ yếu hoặc độ bám chặt:
- Thiết bị nông nghiệp: Máy kéo, máy cày, máy cày, nơi thường xuyên tiếp xúc với bụi đất, đầm lầy, nước và có thể phát sinh nhiệt.
- Máy xây dựng: Máy trộn bê tông, máy xúc, xe ép, nơi môi trường làm việc cực kỳ khắc nghiệt với bụi, đất đá và nước, cùng với tải trọng và nhiệt độ.
- Thiết bị chế độ thực phẩm và đồ uống: Nơi cần khả năng chống nước và bảo vệ thường xuyên bằng chất lỏng. Giảm cao su giúp ngăn chặn các hạt thực phẩm và chống xâm nhập, và khe hở C3 giúp vòng hoạt động tốt hơn trong môi trường thay đổi nhiệt độ.
- Máy rửa xe, máy xịt nước áp lực cao: Xoa thường xuyên xúc tiếp với nước và chất tẩy rửa rửa, nơi cần bảo vệ tối đa.
- Công nghiệp khai thác mỏ và xi măng: Môi trường cực kỳ bụi bẩn, yêu cầu khả năng làm kín cao và chịu nhiệt.
- Máy móc ngành hóa chất: Nơi có thể tiếp xúc với chất hóa học nhẹ nhàng hoặc hơi ẩm ăn mòn, và nhiệt độ hoạt động có thể tăng lên.
- Động cơ điện và số lượng động động trong môi trường ẩm ướt hoặc bụi nhiều, đồng thời có nhiệt độ cao hoặc yêu cầu gắn chặt.
7. Hướng Dẫn Đặt và Tháo Tháo SKF 6208-2RS1/C3
Để đảm bảo tuổi thọ và hiệu suất tối ưu cho vòng bi SKF 6208-2RS1/C3, việc lắp đặt và loại bỏ tính đúng đắn là cách vô cùng quan trọng. luôn luôn thủ các nguyên tắc an toàn và kỹ thuật của các nhà sản xuất. Mecsu cung cấp hướng dẫn chi tiết dựa trên kinh nghiệm thực tế:
- Chuẩn bị: Đảm bảo môi trường làm việc sạch sẽ, khô ráo. Chuẩn bị đầy đủ các dụng cụ chuyên dụng như ống lót, búa mềm, dụng cụ ép, máy gia nhiệt (nếu cần). Luôn đeo dây bảo vệ và kính bảo hộ để đảm bảo an toàn. Kiểm tra khí cụ và gối phải sạch sẽ, không có lỗ hổng và bảo đảm sai dung dịch. Lưu ý quan trọng: Không tháo vòng cao su 2RS1 vì bi vòng đã có sẵn chất béo sẵn có và việc tháo rời có thể gây hư hỏng hoặc ảnh hưởng đến khả năng làm kín của vòng bi.
- Lắp đặt:
- Phương pháp cơ khí: Đối với vòng bi có kích thước này, việc sử dụng ống lót và búa (búa mềm) vẫn khả thi nếu hoạt động lực đều và đúng vào vòng trong.
- Phương pháp gia nhiệt: Đây là phương pháp tối ưu cho vòng bi có đường kính trong 40mm. Gia nhiệt vòng bi bằng thiết bị gia nhiệt chuyên dụng (ví dụ: SKF Induction Heater) đến nhiệt độ khoảng 80-100°C (tối đa 100°C để tránh làm hỏng cao su). Vòng bi sẽ giãn nở, dễ dàng lắp vào trục mà không cần dùng lực lớn. Đảm bảo vòng lặp được đặt đúng vị trí trước khi ngừng hoạt động. Tuyệt đối không gia nhiệt bằng ngọn lửa trực tiếp hoặc nhiệt độ quá cao.
- Lưu ý: Với khe hở C3, việc gắn chặt có thể dễ dàng hơn một chút, nhưng vẫn cần đảm bảo vòng bi được gắn thẳng hàng, không bị lệch hoặc kẹp. Sau khi lắp đặt, đảm bảo không bị biến dạng hoặc ép quá gây nguy hại.
- Gỡ bỏ:
- Sử dụng cả chuyên gia hỗ trợ (cảo cơ hoặc thủy lực cách phù hợp với vòng bi kích thước) để xoay vòng bi một cách an toàn và không gây hư hỏng cho xẹp hoặc gối hỗ trợ. Tác dụng lực đều và đúng ở vòng trong (khi rút xẹp) hoặc vòng ngoài (khi rút gối).
- Đối với các trường hợp khó khăn, có thể sử dụng phương pháp gia nhiệt vòng trong (nếu rút trục vít) hoặc vòng ngoài (nếu rút gối hỗ trợ) để giãn nở, giúp tháo gỡ dễ dàng hơn. Lưu ý giới hạn nhiệt độ phun cao su.
- Tránh dùng đập trực tiếp lên các sinh vật học hoặc các bộ phận khác có thể gây ra các dạng biến đổi, hư hỏng. Việc này không chỉ làm hỏng vòng bi mà còn tiềm ẩn nguy hiểm.
- Người bảo vệ: Nếu không sử dụng ngay, hãy giữ vòng bi trong bao bì gốc của nhà sản xuất, ở nơi khô ráo, thoáng mát, tránh ánh nắng trực tiếp và các chất hóa học ăn mòn để ngăn chặn sét và bụi nguy hiểm xâm nhập.
8. So Sánh Vòng Bi 6208-2RS1/C3 với Các Loại 6208 khác
Việc hiểu rõ sự khác biệt giữa các loại vòng bi 6208 SKF sẽ giúp bạn lựa chọn sản phẩm phù hợp nhất cho ứng dụng của mình, tối ưu hóa hiệu suất và chi phí đầu tư. Bảng so sánh bên dưới tập trung vào sự khác biệt giữa các loại dây và khe hở:
| Tiêu chí | SKF 6208-2RS1/C3 (2 Phớt cao su, C3) | SKF 6208-2Z/C3 (2 Thép, C3) | SKF 6208/C3 (Mở, không phun/nắp Tường, C3) |
|---|---|---|---|
| Chất liệu/Chắc chắn | Phớt cao su (NBR) – 2 bên (Tiếp xúc) | Mũ thép (Shield) – 2 bên (Không tiếp xúc) | Không có leo/nào (Mở) |
| Khả năng làm kín | Vượt trội (ngăn bụi, nước, giữ mỡ tối đa) | Tốt (chắn bụi lớn, giữ mỡ, kém hơn loại sương cao su có chất độc) | Siêu tiết kiệm (dễ bị bụi bẩn, mỡ máu) |
| Khe khe hướng kính | C3 (Lớn hơn tiêu chuẩn) | C3 (Lớn hơn tiêu chuẩn) | C3 (Lớn hơn tiêu chuẩn) |
| Tốc độ quay tối đa | 5 600 vòng/phút ( Giới hạn) – Thấp hơn 2Z và giới hạn | 9 000 vòng/phút ( Limit) | 17 000 r/min ( Giới hạn) – Cao nhất |
| Khả năng chống ẩm/lỏng | Rất tốt | Trung bình (số lượng lớn bụi) | Rất kém |
| Nhu cầu bảo trì | Rất thấp (bôi trơn đời sống trong môi trường bình thường) | Tinh khiết (bôi trơn từ nhà, kín đáo với bụi lớn) | Cao (cần bôi trơn bất kỳ hoặc bôi trơn liên tục từ bên ngoài hệ thống) |
| Độ âm / Rung động | Thấp (có thể cao hơn 2Z một chút do ma sát) | Very low (làm ma sát) | Thấp |
| Giá thành | Cao nhất (làm khả năng làm kín tốt nhất và khe hở C3) | Trung bình | Thấp nhất |
| Ứng dụng điển hình | Máy nông nghiệp, máy xây dựng, thiết bị chế biến thực phẩm, máy rửa xe, công nghiệp khai thác mỏ, nơi cần bảo vệ tối đa khỏi ô nhiễm nhiễm trùng (bụi, nước, hóa chất) và duy trì bôi trơn, có yêu cầu gắn chặt hoặc nhiệt độ cao hơn. | Động cơ điện, máy hút, quạt công nghiệp, máy công cụ, hộp số, nơi cần tốc độ cao, ma sát và môi trường tương đối sạch, có yêu cầu gắn chặt hoặc nhiệt độ cao hơn. | Thiết bị cần tốc độ cực cao, môi trường rất sạch sẽ, có hệ thống bôi trơn bên ngoài hoặc các ứng dụng không mở rộng, nơi yêu cầu hiệu suất tối đa, có yêu cầu gắn chặt hoặc nhiệt độ cao hơn. |
9. Cách Phân Biệt Vòng Bi SKF 6208-2RS1/C3 Thật – Giả Lời Khuyên Từ Chuyên Gia Mecsu
Thị trường hiện nay có rất nhiều hàng giả, hàng giả chất lượng, đặc biệt là với các sản phẩm vòng bi SKF chính hãng được ưa chuộng. Để đảm bảo bạn mua được vòng bi SKF 6208-2RS1/C3 chính hãng tại TP.HCM, Mecsu khuyến nghị kiểm tra các dấu hiệu sau:
a. Dấu hiệu của vòng bi chính hãng SKF 6208-2RS1/C3 :
- Bao bì chất lượng cao: Sắc nét, màu xanh đặc trưng của SKF, sản phẩm thông tin rõ ràng, đầy đủ mã vạch/QR code và thông tin xuất xứ. Bạn sẽ tìm thấy công nghệ trong từng chi tiết.
- In ấn trên vòng bi sắc nét: Logo SKF, sản phẩm mã hóa hóa (6208-2RS1/C3) và các sản phẩm quốc gia sản xuất được in hoặc khắc laser sắc nét, rõ ràng, không lem, không sai phông chữ, rất khó bị tẩy xóa.
- Mã QR/Bar code xác thực: Có thể quét bằng ứng dụng “SKF Authenticate” trên điện thoại di động thông minh để xác thực nguồn gốc và tính chính hãng của sản phẩm. Đây là công cụ hữu ích nhất của SKF để chống hàng giả.
- Phớt cao su (2RS1) hoàn thiện: Phớt được lắp đặt chắc chắn, không có khe hở, không bị cong hay biến đổi. Chất liệu cao su mềm dẻo, đàn hồi tốt, không có vết nứt, rách hay già hóa sớm.
- Cảm giác vận động mượt mà: Khi quay vòng bi bằng tay, bạn sẽ cảm nhận được tốc độ mượt mà nhưng có một chút đau đớn làm dịu tiếp xúc. Không có tiếng kêu lạ hoặc cảm giác giác.
- Chứng từ đầy đủ: Nhà cung cấp uy tín sẽ cung cấp đầy đủ “CO” (chứng nhận xuất xứ) và “CQ” (chứng nhận chất lượng) từ nhà sản xuất, đảm bảo nguồn gốc và chất lượng sản phẩm.
b. Dấu hiệu của vòng bi SKF 6208-2RS1/C3 hàng giả/nhái:
- In ấn mờ nhạt, sai chính tả, phông chữ lạ, thiếu thông tin hoặc không chính xác trên cả bao bì và vòng bi.
- Bao bì thô, màu trôi chuẩn SKF, thiếu thông tin quan trọng hoặc có dấu hiệu làm lại.
- Giảm cao su có thể bị cứng, giòn, rách, biến dạng hoặc không khít với vòng trong, dễ bị bong ra hoặc có dấu hiệu xuống cấp.
- Không có mã QR hoặc mã hóa không quét được hoặc quét ra thông tin không khớp với sản phẩm chính hãng.
- Khi quay tay có tiếng kêu lạo xạo, cảm giác giác, nặng, hoặc độ rơ bất thường làm gia công chính xác.
- Giá bán rẻ bất ngờ so với thị trường của các sản phẩm chính hãng – đây là dấu hiệu cảnh báo lớn nhất.

10. Giá Bán & Gợi Ý Mua Vòng Bi SKF 6208-2RS1/C3 Chính Hãng Tại TP.HCM
a. Giá vòng bi SKF 6208-2RS1/C3 (TP.Hồ Chí Minh) tại Mecsu: 314,820 đ/ Cái (đã có VAT) – Giá hợp lý, phù hợp với chất lượng sản phẩm chính hãng
Liên hệ để nhận báo giá tốt nhất (giá có thể thay đổi tùy thời điểm và số lượng) – Giá hợp lý, phù hợp với chất lượng sản phẩm chính hãng SKF tại thị trường vòng bi TP.HCM.
b. Gợi ý mua vòng bi chính hãng SKF uy tín
- Chọn nhà cung cấp uy tín tại TP.HCM: Ưu tiên đối tác có bằng chứng nhận từ SKF hoặc đơn vị lâu năm, được nhiều khách hàng tin tưởng và có danh tiếng trên thị trường cung cấp linh kiện cơ khí tại TP.HCM.
- Kiểm tra chứng từ đầy đủ: Luôn yêu cầu đầy đủ “CO” (chứng nhận xuất xứ) và “CQ” (chứng nhận chất lượng) để đảm bảo nguồn gốc và chất lượng của sản phẩm. Điều này giúp bạn tránh mua phải “vòng bi SKF giả” trên thị trường.
-
- 100% sản phẩm chính hãng: Đảm bảo nguồn gốc rõ ràng, đầy đủ chứng từ. Chúng tôi cam kết hoàn tiền 100% hoặc đổi trả nếu sản phẩm không thuộc loại công thức chính.
- Chính sách bảo hành minh bạch: Hỗ trợ đổi trả nếu nhà sản xuất gặp lỗi, mang lại sự an tâm tuyệt đối cho khách hàng.
- Hỗ trợ kỹ thuật chuyên sâu: Đội ngũ kỹ sư giàu kinh nghiệm sẵn sàng hỗ trợ bạn về kỹ thuật và lựa chọn sản phẩm phù hợp nhất cho mọi ứng dụng.
- Giá cả cạnh tranh: Đảm bảo giá tốt nhất đi kèm chất lượng, với chính sách chiết khấu hấp dẫn cho đơn hàng số lượng lớn, đặc biệt khi “mua vòng bi SKF số lượng lớn”.
MUA THÊM NHIỀU LOẠI VÒNG BI CHÍNH HÃNG KHÁC TẠI MECSU
11. Câu hỏi thường gặp về Vòng Bi SKF 6208-2RS1/C3
a. Vòng bi SKF 6208-2RS1/C3 có cần bảo dưỡng, tra mỡ không?
Vòng bi SKF 6208-2RS1/C3 được sản xuất sẵn mỡ từ nhà máy và có an toàn cao su (2RS1) tiếp xúc, giúp giữ hiệu quả mỡ và bảo vệ tối đa khỏi bụi bẩn, nước. Trong hầu hết các ứng dụng thông thường, vòng bi này được xem là “bảo trì trọn đời” và không cần tái bôi trơn. Cố gắng giảm giá để mỡ có thể làm tan rã và giảm khả năng bảo vệ vòng bi. Chỉ trong các điều kiện hoạt động cực kỳ nguy hiểm thường xuyên, bạn mới cần kiểm tra hoặc thay thế cân bằng.
b. Chữ “2RS1/C3” trong mã SKF 6208-2RS1/C3 có ý nghĩa gì?
- Chữ “2RS1” chỉ vòng bi có hai vét cao su tổng hợp (NBR) tiếp tục căng ở cả hai phía. Phương pháp giảm bớt căng thẳng tiếp theo trong vòng, mang lại khả năng chống lại bụi bẩn, nước và chất lỏng, đồng thời giữ dầu bôi trơn hiệu ứng bên trong.
- Chữ “C3” chỉ ra rằng vòng bi có khoảng trống hướng tâm lớn hơn khoảng tiêu chuẩn (CN), phù hợp cho ứng dụng nhiệt độ cao hoặc có giá đỡ chặt.
c. Vòng bi SKF 6208-2RS1/C3 có phải là vòng bi chịu nhiệt không?
Có, với khe hở C3, vòng bi SKF 6208-2RS1/C3 được thiết kế để hoạt động tốt hơn trong các ứng dụng có nhiệt độ cao nên vòng bi có khe tiêu chuẩn (CN). Khe hở C3 giúp bồi đắp cho sự giãn nở nhiệt của các bộ phận, Giải phóng tình trạng tắc bi. Tuy nhiên, giới hạn nhiệt độ chung vẫn bị ảnh hưởng bởi vật liệu phun cao su (NBR), thường giới hạn ở khoảng -40°C đến +100°C. Đối với nhiệt độ cao hơn, có thể cần xem xét các loại vòng bi không cường độ thép có khả năng chịu nhiệt cao hơn.
d. Làm sao biết vòng bi 6208-2RS1/C3 của tôi là hãng SKF chính hãng?

đ. Khi nào cần thay thế vòng bi 6208-2RS1/C3?
Bạn nên thay thế vòng bi khi nhận được các dấu hiệu sau:
- Tiếng ồn bất thường: Tiếng kêu lạo xạo, rít, hoặc kêu khi vòng bi quay, báo hiệu bi hoặc rãnh bị mòn.
- Tăng nhiệt độ: Vòng bi tăng lên bất thường trong quá trình hoạt động, có thể làm tăng mỡ hoặc tải quá trình.
- Độ cao lớn: Thiết bị hoạt động có mức độ tăng lên đáng kể, ảnh hưởng đến hiệu suất và có thể gây nguy hiểm cho các bộ phận khác.
- Dạng vật lý của biến: Phớt cao su bị rách, nứt, chai cứng, bong tróc hoặc vòng bi bị ăn mòn, rỉ sét.
- Vòng bi bị khóa hoặc không được xóa.
Kinh nghiệm từ các kỹ sư Mecsu: Mặc dù là vòng bi bảo trì thấp, việc kiểm tra định kỳ tình trạng nguy hiểm và lắng nghe tiếng ồn hoặc cảm nhận mức độ vẫn rất quan trọng để phát hiện sớm các dấu hiệu cần thay thế, tránh gây nguy hại béo phì hơn cho toàn bộ hệ thống. Đừng ngần ngại liên hệ với chúng tôi để được hỗ trợ kỹ thuật về bảo trì vòng bi hoặc thay thế vòng bi.
f. Mua vòng bi SKF 6208-2RS1/C3 chính hãng, uy tín ở đâu tại TP.HCM?
- Cam kết chất lượng: 100% sản phẩm có nguồn gốc rõ ràng, đầy đủ chứng từ CO, CQ. Chúng tôi cam kết hoàn tiền 100% hoặc đổi trả nếu sản phẩm không phải của công ty chính thức.
- Giá cả cạnh tranh: Đảm bảo giá tốt nhất đi kèm chất lượng, với chính sách chiết khấu hấp dẫn cho đơn hàng số lượng lớn, đặc biệt khi “mua vòng bi SKF số lượng lớn”.
- Tư vấn chuyên sâu: Đội ngũ kỹ sư giàu kinh nghiệm sẵn sàng hỗ trợ bạn về kỹ thuật và lựa chọn sản phẩm phù hợp nhất.
- Chính sách hậu mãi: Đảm bảo quyền lợi tối đa cho khách hàng với dịch vụ hỗ trợ nhanh chóng, tận tâm.
MUA THÊM NHIỀU LOẠI VÒNG BI CHÍNH HÃNG KHÁC TAI MECSU
12. Liên Hệ và Hỗ Trợ Tư Vấn Vòng Bi SKF
Nếu bạn có bất kỳ thắc mắc nào về vòng bi SKF 6208-2RS1/C3 hoặc cần tư vấn về giải pháp vòng bi cho ứng dụng cụ thể của mình, đừng ngần ngại liên hệ với đội ngũ chuyên gia của Mecsu. Chúng tôi luôn sẵn sàng hỗ trợ bạn tìm ra sản phẩm phù hợp và tối ưu nhất, đồng thời cung cấp những kiến thức về kỹ thuật bảo trì vòng bi mà bạn khó tìm thấy ở những nơi khác.
Địa chỉ: B28/I – B29/I Đường số 2B, KCN Vĩnh Lộc, P. Bình Hưng Hòa B, Q. Bình Tân, TP.HCM
Đường dây nóng: 1800 8137
Email: [email protected]
Trang web: mecsu.vn
13. Thông Tin Bổ sung & Kinh nghiệm Thực Tế Từ Mecsu
a. Kinh nghiệm Thực Tế & Câu Chuyện Thành Công
Tại Mecsu, chúng tôi tự hào là đối tác đáng tin cậy của nhiều doanh nghiệp trong việc cung cấp các giải pháp chất lượng cao vòng vòng. “Vòng bi SKF 6208-2RS1/C3”, với khả năng làm sạch môi trường khắc nghiệt và khả năng thích ứng với nhiệt độ/lắp đặt đặc biệt, đã được ứng dụng trong nhiều dự án quan trọng của khách hàng chúng tôi tại “TP. Hồ Chí Minh” và các đèn lân cận, mang lại hiệu quả vượt trội và là chứng minh cho chất lượng sản phẩm cùng kinh nghiệm thực tế của đội ngũ Mecsu:
- Ngành nông nghiệp: Chúng tôi đã cung cấp “SKF 6208-2RS1/C3” cho các máy móc nông nghiệp như máy rải, máy kéo, nơi thường xuyên phải hoạt động trong điều kiện bụi bẩn, bùn thải, nước và có thể phát sinh nhiệt. Khả năng làm kín của hở cao su và khe hở C3 đã giúp kéo dài đáng kể tuổi thọ vòng bi.
- Công nghiệp chế biến thực phẩm: Trong các dây xích sản xuất thực phẩm, nơi cần bảo vệ sinh thường xuyên dùng nước và hóa chất, vòng bi 2RS1/C3 đã chứng minh hiệu quả trong việc ngăn chặn sự xâm nhập của nước và các chất tẩy rửa, duy trì hoạt động liên tục của máy ngay cả khi có sự thay đổi nhiệt độ.
- Thiết bị máy rửa xe và chăm sóc công nghiệp: Vòng bi đây là lựa chọn lý tưởng cho các ứng dụng tiếp xúc trực tiếp với nước và áp lực cao, đảm bảo hoạt động bền bỉ và ổn định trong điều kiện khắc nghiệt.
b. Trích Dẫn Chuyên Gia
“SKF 6208-2RS1/C3” là một lựa chọn tuyệt vời cho những ứng dụng trong môi trường khắc nghiệt, nơi bụi bẩn, nước và các chất ô nhiễm là mối nguy hiểm bình thường, đồng thời có tinh vi nhiệt độ hoặc gắn kết. Phớt cao su cần tiếp tục của nó cung cấp khả năng bảo vệ tối ưu và khe C3 giúp vòng bi hoạt động ổn định trong điều kiện dã ngoại nhiệt độ. tuổi thọ dài trong điều kiện khó khăn làm cho nó trở thành một tài khoản đầu tư rất hiệu quả.”
— “Kỹ sư cơ khí Chuyên gia kỹ thuật Mecsu” (TP. Hồ Chí Minh) – Với hơn 10 năm kinh nghiệm trong lĩnh vực “bạc đạn công nghiệp”.
c. Tài Liệu Tham Khảo và Nghiên Cứu
Nội dung bài viết này được biên soạn dựa trên các tài liệu kỹ thuật chính quy và đáng tin cậy của SKF , cùng với kinh nghiệm thực tế chuyên sâu của đội ngũ kỹ sư Mecsu, đảm bảo tính chính xác, cập nhật và chuyên môn môn môn cao:
- Danh mục sản phẩm SKF (Danh mục sản phẩm SKF chính thức) – Nguồn dữ liệu kỹ thuật chi tiết nhất về “vòng bi SKF”. (Lưu ý: Thông tin về “C3” là phổ biến hậu tố và được SKF chỉ định rõ ràng).
- Tài liệu kỹ thuật SKF Explorer – Vòng bi ngành sâu (Thông tin chuyên sâu về “vòng bi cầu sâu SKF Explorer”) – Cung cấp cái nhìn toàn diện về thế hệ vòng bi bền bỉ này.
- Bảng dữ liệu kỹ thuật (Datasheet) chi tiết của SKF 6208-2RS1/C3 – Nguồn thông số kỹ thuật chính xác.
- Trải nghiệm thực tế và phản hồi từ các dự án khách hàng của Mecsu – “Dữ liệu độc nhất” được thu thập từ hơn 10 năm cung cấp “linh kiện cơ khí” và “giải pháp vòng bi” cho doanh nghiệp tại Việt Nam.
Biên soạn bởi: Đội ngũ kỹ sư Mecsu
F(Xem thêm thông tin về chúng tôi tại Website Mecsu )
Lưu ý: Hình ảnh sản phẩm có thể khác biệt so với sản phẩm thực tế của SKF. Vui lòng tham khảo thông số kỹ thuật chi tiết hoặc liên hệ Mecsu để có thông tin chính xác nhất về sản phẩm.



















Đánh giá
Chưa có đánh giá nào.