Mô tả sản phẩm
Thông tin CHUYÊN SÂU về Vòng Bi Cầu Rãnh Sâu SKF 6210-2RS1 (50x90x20) Phớt Cao Su NBR Tiếp xúc (Hai Bên)
Mục Lục
- 1. Vòng Bi SKF 6210-2RS1 Là Gì? – Giải Thích Chuyên Sâu
- 2. Thông Số Kỹ Thuật Chi Tiết Của Vòng Bi Cầu SKF 6210-2RS1
- 3. Cấu hình Chi Tiết Vòng Bi SKF 6210-2RS1
- 4. Phân Tích Chuyên Sâu: Phớt Cao Su 2RS1 Tiếp xúc của SKF 6210-2RS1
- 5. Ưu và nhược điểm của Vòng Bi SKF 6210-2RS1
- 6. Ứng dụng Thực Tế của Vòng Bi SKF 6210-2RS1
- 7. Hướng dẫn cài đặt và gỡ bỏ SKF 6210-2RS1
- 8. So Sánh Vòng Bi 6210-2RS1 với Các Loại 6210 Khác
- 9. Cách Phân Biệt Vòng Bi SKF 6210-2RS1 Thật – Giả – Lời Khuyên Từ Chuyên Gia Mecsu
- 10. Giá Bán & Gợi Ý Mua Vòng Bi SKF 6210-2RS1 Chính Hãng Tại TP.HCM
- 11. Câu hỏi thường gặp về Vòng Bi SKF 6210-2RS1
- 12. Liên Hệ và Hỗ Trợ Tư Vấn Vòng Bi SKF
- 13. Thông Tin Bổ Sung & Kinh nghiệm Thực Tế Từ Mecsu
1. Vòng Bi SKF 6210-2RS1 Là Gì? – Giải Thích Chuyên Sâu
Vòng bi cầu rãnh sâu SKF 6210-2RS1 là một loại vòng bi được thiết kế đặc biệt để hoạt động hiệu quả trong môi trường có nhiều bụi bẩn, ẩm ướt hoặc cần khả năng dưỡng mỡ bôi trơn tối ưu. Mã “6210” chỉ kích thước với đường kính trong (d) 50mm, đường kính ngoài (D) 90mm và dày (B) 20mm, đây là một phổ biến kích thước phổ biến trong nhiều ngành công nghiệp.
Hậu tố “-2RS1” biểu tượng vòng bi này được trang bị hai **phớt cao su tổng hợp NBR (Acrylonitrile Butadiene Rubber)** ở cả hai phía. Loại này được gia cố bằng thép và được gắn vào khu vực bên ngoài vòng bi, đồng thời tiếp xúc trực tiếp với vòng trong. Thiết kế “tiếp xúc” (con dấu tiếp xúc) này là đặc điểm nổi bật, mang lại khả năng làm kín vượt trội, ngăn chặn hiệu quả bụi bẩn, nước, và các chất gây ô nhiễm nhiễm độc khác xâm nhập vào bên trong vòng bi. Đồng thời, nó giúp giữ chất béo bôi trơn đã được cung cấp từ nhà máy một cách tối ưu, kéo dài tuổi thọ của vòng bi.
Đặc tính làm kín ưu việt, SKF 6210-2RS1 trở thành phương pháp pháp lựa chọn lý tưởng cho các ứng dụng hoạt động trong môi trường khắc nghiệt, có nhiều bụi bẩn, hơi ẩm hoặc tiếp xúc với nước nhẹ nhàng. Mặc dù có ma sát cao hơn một chút so với loại có dây thép (2Z) làm căng thẳng, nhưng vòng bi này vẫn duy trì khả năng hoạt động ở tốc độ tương đối cao (tốc độ giới hạn vòng 4.800 vòng/phút), đồng thời giảm thiểu đáng kể như yêu cầu bảo trì trong thời gian giúp có sẵn chất béo và khả năng kiểm soát chất béo tuyệt vời.
2. Thông Số Kỹ Thuật Chi Tiết Của Vòng Bi Cầu SKF 6210-2RS1
d: Đường kính trong
D: Đường kính ngoài
B: Bề dày
C: Tải cơ sở dữ liệu danh sách
C0: Tải danh sách cơ sở dữ liệu tĩnh
| Thông số | Giá trị |
|---|---|
| Mã sản phẩm | 6210-2RS1 |
| Loại vòng bi | Vòng Bi Cầu Rãnh Sâu (Vòng Bi Rãnh Sâu) |
| Đường kính trong (d) | 50 mm |
| Đường kính ngoài (D) | 90 mm |
| Bề dày (B) | 20 mm |
| Tải cơ sở dữ liệu quan trọng (C) | 37,1 kN |
| Tải quan trọng cơ sở dữ liệu danh sách (C0) | 23,2 kN |
| Tốc độ giới hạn | 4 800 vòng/phút |
| Lớp hiệu suất SKF | SKF Explorer |
| Rãnh tra bi | Không có |
| Số dòng | 1 |
| Phương tiện để định vị, vòng ngoài của vòng bi | Không có |
| Loại lỗ | Hình trụ |
| Vòng cách | Tấm kim loại |
| Kiểu gắn cặp | KHÔNG |
| Khe khe trong hướng kính | CN (Tiêu chuẩn) |
| Vật liệu, vòng bi | Thép chịu lực |
| Lớp mạ | Không có |
| Phớt chắc | Niêm phong cả hai mặt (2RS1) |
| Loại Chắc Dầu | Liên hệ |
| Tra mỡ sẵn chưa? | Size (Được tra mỡ sẵn từ nhà máy) |
| Phương tiện để tái bôi trơn | Không có |
| Dấu vết carbon của sản phẩm được chỉ định để sản xuất | 1,65 kg CO2e |
| Trọng lượng sản phẩm | 0,459 kg |
| Mã eClass | 23-05-08-01 |
| Mã UNSPSC | 31171504 |
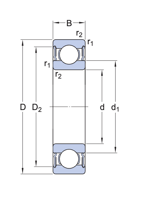
3. Cấu hình Chi Tiết Vòng Bi SKF 6210-2RS1
Vòng bi SKF 6210-2RS1 được cấu hình thành các bộ phận chính, mỗi bộ phận đóng vai trò quan trọng trong công việc đảm bảo hiệu suất hoạt động và độ bền:
Sơ đồ tạo cấu hình Vòng Bi Cầu Rãnh SKF 6210-2RS1 với đầu cao su trống:
- Vòng trong/ngoài: Được chế tạo từ thép chịu lực cao, cùng với khu vực Yên tĩnh, chịu tải chính.
- Bi cầu: Sản phẩm sản xuất từ thép siêu chính xác và được xử lý nhiệt đặc biệt để giảm độ cứng, tăng cường độ cứng và độ bền.
- Vòng cách: Thông thường được làm từ thép mạnh, có chức năng giữ các thành viên với nhau và hướng dẫn chuyển động của bi.
- Phớt cao su (2RS1): Gắn chặt vào ngành bên ngoài vòng bi và giáp trực tiếp với vòng trong. “2RS1” chỉ ra rằng vòng bi có hai lò sưởi cao su (Thường là NBR) ở cả hai bên. Thiết kế “tiếp xúc” này tạo ra một lớp cực kỳ hiệu quả, ngăn chặn gần như hoàn toàn bụi bẩn, nước, hóa chất dư và các chất gây ô nhiễm nhiễm trùng khác xâm nhập vào bên trong. Đồng thời, nó giữ mỡ bôi trơn đã được cung cấp sẵn từ nhà máy một cách tối ưu, giúp kéo dài tuổi thọ của vòng bi.
4. Phân Tích Chuyên Sâu: Phớt Cao Su 2RS1 Tiếp xúc của SKF 6210-2RS1
Để xác định giá trị của vòng bi SKF 6210-2RS1, công việc phân tích sâu hơn về ký hiệu “2RS1” là rất quan trọng.
Ký hiệu “2RS1” – Phớt cao su tiếp xúc hai bên:
- Chức năng chính: Cung cấp khả năng vượt trội cho vòng bi, bảo vệ hoàn toàn khỏi bụi bẩn, nước, chất lỏng và dưỡng mỡ bôi trơn trong tối ưu. “2RS1” chỉ ra rằng vòng bi có lò sưởi cao su (Thường là NBR – Cao su Acrylonitrile Butadiene) ở cả hai bên.
- Đặc điểm nổi bật: Đây là loại “tiếp xúc” (con dấu tiếp xúc). Phớt được làm từ cao su tổng hợp (có cốt thép gia cường) và được gắn chặt vào vòng ngoài của vòng bi, đồng thời viền xung quanh xúc tiếp với một lớn trên vòng trong.
- Ưu điểm vượt trội:
- mát mẻ tuyệt vời: vật liệu an toàn tiếp xúc, kiềm 2RS1 tạo ra một lớp bảo vệ gần như làm kín hoàn toàn. Điều này giúp ngăn chặn hiệu quả nhất các loại bụi, nước, hơi ẩm, và thậm chí chí là một số chất hóa học độc hại xâm nhập vào bên trong vòng bi.
- Giữ mỡ tối ưu: Khả năng làm kín vượt trội cũng đồng nghĩa với việc bôi trơn được giữ lại bên trong vòng bi một hiệu quả, giúp kéo dài tuổi thọ mỡ và giảm thiểu nhu cầu tái bôi trơn hoặc thay thế vòng bi.
- Hoạt động trong môi trường khắc nghiệt: Là lựa chọn lý tưởng cho các ứng dụng trong môi trường ẩm ướt, nhiều bụi, vết thương, có khả năng tiếp xúc với nước hoặc các chất khác.
- Giảm tiếng ồn: Trong một số trường hợp, Rỗng su có thể góp phần làm giảm tiếng ồn của vòng bi.
- Hạn chế:
- Tốc độ giới hạn thấp hơn: Có vật căng thẳng tiếp theo giữa và vòng trong, ma sát sẽ cao hơn so với loại vòng bi có dây thép (2Z) hoặc loại không có nổ. Điều này dẫn đến tốc độ giới hạn của vòng bi 6210-2RS1 chậm hơn (4.800 vòng/phút).
- Sinh nhiệt: Ma sát do phun tạo ra cũng có thể làm tăng nhiệt độ hoạt động của vòng bi ở tốc độ cao, mặc dù SKF đã tối ưu hóa thiết kế để giảm thiểu điều này.
- Khả năng chịu nhiệt độ: Vật liệu cao su NBR có giới hạn nhiệt độ hoạt động tối đa (thường khoảng -30°C đến +100°C, đôi khi lên đến +120°C trong thời gian ngắn). Nếu ứng dụng có nhiệt độ cao hơn, bạn có thể cần xem xét các loại thú chịu nhiệt đặc biệt (ví dụ: FPM/Viton) hoặc vòng bi có dây thép (2Z).
Vòng bi SKF 6210-2RS1 là giải pháp tối ưu cho các ứng dụng đòi hỏi khả năng làm kín và bảo vệ vòng bi tuyệt đối khỏi các chất gây ô nhiễm từ môi trường, đặc biệt là nước và bụi mịn, đồng thời đảm bảo tuổi thọ mỡ tẩy lâu, ngay cả khi tốc độ quay có phần bị giới hạn bởi ma sát.
5. Ưu và nhược điểm của Vòng Bi SKF 6210-2RS1
Vòng bi SKF 6210-2RS1 là một sản phẩm được thiết kế để cân bằng giữa khả năng bảo vệ, tốc độ và chi phí bảo trì. Câu hỏi về mức độ ưu tiên của lựa chọn phải hiểu mức độ ưu tiên của nó.
Ưu điểm nổi bật:
- Khả năng làm kín: Phớt cao su tiếp xúc (2RS1) cung cấp khả năng bảo vệ tuyệt vời chống bụi bụi, nước, hơi ẩm và các chất gây ô nhiễm nhiễm khác, làm cho nó lý tưởng cho môi trường khắc nghiệt.
- Giữ mỡ bôi trơn tối ưu: Giảm nhẹ giúp giữ mỡ bên trong hiệu quả, kéo dài đáng kể tuổi thọ của mỡ và giảm nhu cầu tái bôi trơn, dẫn đến chi phí bảo trì thấp hơn.
- Tuổi thọ vòng bi dài hơn: Nhờ khả năng làm kín và giữ mỡ tốt, vòng bi ít bị nhiễm trùng, giảm mài mòn và kéo dài tuổi thọ hoạt động.
- Giảm tiếng ồn: Phớt cao su có thể giúp giảm tiếng ồn trong quá trình vận hành vì vậy vòng bi không có xà hoặc thép thép.
- Được tra mỡ sẵn từ nhà máy: Sẵn sàng sử dụng ngay khi lắp đặt, tiện lợi và tiết kiệm thời gian.
- Thiết kế đơn giản và mạnh mẽ: Dễ dàng lắp đặt và mang lại hiệu quả đáng tin cậy.
- Chịu tải đa hướng: Có khả năng chịu đựng tốt cả tải trọng tâm (tải hướng tâm) và hướng trục xuống (tải trọng trục) theo cả hai chiều.
- Hiệu suất SKF Explorer: Là một thành phần của dòng SKF Explorer, vòng bi này được tối ưu hóa để mang lại hiệu suất vượt trội, tuổi thọ dài hơn và độ tin cậy cao.
Nhược điểm cần lưu ý:
- Tốc độ giới hạn thấp hơn: Do ma sát phát sinh từ sự căng thẳng của băng cao su với vòng trong, tốc độ giới hạn của vòng bi 6210-2RS1 chậm hơn đáng kể so với loại không có rắn hoặc có dây thép vòng (4.800 vòng/phút).
- Phát sinh nhiệt: Ma sát cao hơn cũng có thể dẫn đến việc sinh nhiệt nhiều hơn trong quá trình hoạt động ở tốc độ cao, điều này có thể ảnh hưởng đến tuổi thọ của mỡ bôi trơn và vòng bi chính nếu không được quản lý nhiệt độ tốt.
- Giới hạn nhiệt độ: Vật liệu phun cao su NBR có giới hạn nhiệt độ hoạt động (Thường từ -30°C đến +100°C, tối đa 120°C trong thời gian ngắn). Vòng bi này không phù hợp cho các ứng dụng có nhiệt độ cực cao.
- Không thể tái bôi trơn dễ dàng: Dù dù được tra mỡ sẵn, việc tái bôi trơn cho loại vòng bi có phun cao su là điều không dễ dàng và thường không được khuyến khích vì có thể làm hư hỏng.
6. Ứng dụng Thực Tế của Vòng Bi SKF 6210-2RS1
Với khả năng làm kín vượt trội, khả năng giữ mỡ tối ưu và độ bền cao trong môi trường khắc nghiệt, vòng bi SKF 6210-2RS1 là một loại thuốc lựa chọn lý tưởng cho các ứng dụng công nghiệp nơi cần bảo vệ chống lại bụi bẩn, nước và các chất gây ô nhiễm. Đây là loại phổ biến tại các khu công nghiệp ở TP. Hồ Chí Minh và khu vực lân cận:
- Máy móc nông nghiệp: Trong máy móc, máy khủng long liên hợp, máy xới đất, nơi vòng quanh thường xuyên tiếp xúc với bùn đất, nước và bụi bụi.
- Băng tải và hệ thống vận chuyển: Trong các cuộn cuộn, trục xoắn của hệ thống băng tải, đặc biệt ở môi trường khai thác mỏ mỏ, xây dựng hoặc xử lý vật liệu, nơi có nhiều bụi và ẩm ướt.
- Máy thổi và quạt công nghiệp: Trong các hệ thống nước nước, quạt thông gió hoạt động trong môi trường ẩm hoặc có hơi nước.
- Thiết bị chế độ thực phẩm và sơ đồ: Trong các móc móc cần bảo vệ sinh cao và khả năng chống nước khi rửa trôi (nơi nhiệt độ không quá cao và hóa chất không quá mạnh).
- Ngành dệt may: Trong các máy dệt, máy sợi sợi, nơi có nhiều bụi bông, sợi nhỏ li ti.
- Máy giặt công nghiệp: Các thiết bị có trục quay tiếp xúc tiếp với nước và hóa chất tẩy rửa.
- Các ứng dụng ngoài trời: Máy móc xây dựng, xe nâng, nơi tiếp xúc trực tiếp với môi trường yếu tố.
- Cấu hình cơ sở hệ thống nhỏ: Trong các ngành công nghiệp nghiệp Yêu cầu sự tự động hóa với các chi tiết máy nhỏ, cần sự hoạt động và độ bền cao.
7. Hướng dẫn cài đặt và gỡ bỏ SKF 6210-2RS1
Để đảm bảo tuổi thọ và hiệu suất tối ưu cho vòng bi SKF 6210-2RS1, cách lắp đặt và tháo gỡ đúng cách là vô cùng quan trọng. luôn luôn thủ các nguyên tắc an toàn và kỹ thuật của các nhà sản xuất. Mecsu cung cấp hướng dẫn chi tiết dựa trên kinh nghiệm thực tế:
- Chuẩn bị: Đảm bảo môi trường làm việc sạch sẽ, khô ráo. Chuẩn bị đầy đủ các công cụ chuyên dụng như cảo, búa mềm, thiết bị gia nhiệt cảm ứng (nếu cần). Luôn đeo dây bảo vệ và kính bảo hộ để đảm bảo an toàn. Kiểm tra khí cụ và gối phải sạch sẽ, không có lỗ hổng và bảo đảm sai dung dịch. Lưu ý quan trọng: Không tháo vòng bi cao su 2RS1 vì bi vòng đã có sẵn chất béo và việc vứt bỏ có thể gây hư hỏng hoặc ảnh hưởng đến khả năng làm kín và tuổi thọ của vòng bi.
- Lắp đặt:
- Phương pháp nhiệt (phổ biến nhất cho vòng bi lớn hoặc lắp đặt chính xác): Gia nhiệt vòng bi bằng thiết bị gia nhiệt chuyên dụng (ví dụ: máy gia nhiệt cảm ứng SKF) đến nhiệt độ khoảng 80-100°C. Điều này giúp vòng nở ra, dễ trượt vào trục mà không cần dùng lực quá lớn. Luôn hoạt động đều đặn và tập trung lên vòng khi gắn vào xẹp xuống.
- Phương pháp cơ khí (dùng cho kích thước nhỏ hơn hoặc khi không thể gia nhiệt): Sử dụng ống lót chuyên dụng và rèn mềm, tác dụng lực đều lên vòng khi lắp vào trục. Tuyệt đối tránh tác động trực tiếp lên phun cao su hoặc các thành viên vì có thể gây nguy hại đến nguy hiểm cho hồng hoặc vòng bi.
- Lưu ý: Đảm bảo vòng bi được gắn thẳng, không bị lệch hoặc kẹt.
- Gỡ bỏ:
- Sử dụng cả dụng cụ chuyên dụng (cảo cơ hoặc cả thủy lực) để xoay vòng một cách an toàn và không gây ra tình trạng gãy xương cho hoặc hỗ trợ gối. Tác dụng lực đều và đúng ở vòng trong (khi rút xẹp) hoặc vòng ngoài (khi rút gối).
- Tránh dùng đập trực tiếp lên các sinh vật học hoặc các bộ phận khác có thể gây ra các dạng biến đổi, hư hỏng. Việc này không chỉ làm hỏng vòng bi mà còn tiềm ẩn nguy hiểm.
- Người bảo vệ: Nếu không sử dụng ngay, hãy giữ vòng bi trong bao bì gốc của nhà sản xuất, ở nơi khô ráo, thoáng mát, tránh ánh nắng trực tiếp và các chất hóa học ăn mòn để ngăn chặn sét và bụi nguy hiểm xâm nhập.
8. So Sánh Vòng Bi 6210-2RS1 với Các Loại 6210 Khác
Việc hiểu rõ sự khác biệt giữa các loại vòng bi 6210 SKF sẽ giúp bạn lựa chọn sản phẩm phù hợp nhất cho ứng dụng của mình, tối ưu hóa hiệu suất và chi phí đầu tư:
| Tiêu chí | SKF 6210-2RS1 (2 Phớt cao su, Khe hở CN) | SKF 6210 (Không cần tránh CN) | SKF 6210-2Z (2 Nắp Thép, Khe hở CN) |
|---|---|---|---|
| Kích thước (dx D x B) | 50 x 90 x 20 mm | 50 x 90 x 20 mm | 50 x 90 x 20 mm |
| Tải cơ sở dữ liệu (C) | 37,1 kN | 37,1 kN | 37,1 kN |
| Tải cơ sở dữ liệu quan trọng (C0) | 23,2 kN | 23,2 kN | 23,2 kN |
| Tốc độ giới hạn (Giới hạn tốc độ) | 4 800 vòng/phút | 15 000 vòng/phút | 8 000 vòng/phút |
| Tham chiếu Speed (Tốc độ tham chiếu) | 9 500 vòng/phút (ước tính) | 30 000 vòng/phút | 15 000 vòng/phút |
| Vòng cách | Tấm kim loại | Tấm kim loại | Tấm kim loại |
| Phớt chắc | Niêm phong cả hai mặt (2RS1) | Không có | Khiên ở cả hai bên (2Z) |
| Loại Chắc Dầu | Liên hệ | Mở | Không tiếp xúc |
| Tra mỡ sẵn | Mỡ (Có) | Không | Mỡ (Có) |
| Khe khe hướng kính | CN (Tiêu chuẩn) | CN (Tiêu chuẩn) | CN (Tiêu chuẩn) |
| Khả năng làm kín | Rất tốt (chống bụi, nước, giữ mỡ tuyệt đối) – Trò chơi cao su tiếp xúc | Kem (không dây, dễ nhiễm trùng) | Tốt (chắn bụi lớn, mỡ giữ tối ưu) – Dây xích không tiếp xúc |
| Khả năng chống ẩm/lỏng | Rất tốt | Kem | Trung bình |
| Nhu cầu bảo trì | Rất thấp (bôi trơn sẵn từ nhà máy, kín đáo) | Cao (cần bôi trơn bất kỳ) | Rất thấp (bôi trơn sẵn từ nhà máy, kín đáo) |
| Ưu điểm nổi bật | Bảo vệ tuyệt vời khỏi bụi bẩn, nước, hóa chất, tuổi thọ mỡ dài. Lý tưởng cho môi trường khắc nghiệt. | Tốc độ rất cao, ma sát cực thấp, linh hoạt trong công việc bôi trơn (cần hệ thống bôi trơn bên ngoài). | Tốc độ cao, ma sát, phù hợp với môi trường nhiệt độ cao/khắp nhanh, ít bảo trì. |
| Ứng dụng điển hình | Máy móc nông nghiệp, băng tải (môi trường bụi, nước), hộp đèn, môi trường ẩm. | Hộp số kín, xâu tốc độ rất cao trong môi trường sạch sẽ, hệ thống có bôi trơn trung tâm. | Động cơ điện, quạt công nghiệp, hộp số, máy công cụ (nơi có nhiệt độ). |
9. Cách Phân Biệt Vòng Bi SKF 6210-2RS1 Thật – Giả Lời Khuyên Từ Chuyên Gia Mecsu
Thị trường hiện nay có rất nhiều hàng giả, hàng giả chất lượng, đặc biệt là với các sản phẩm vòng bi SKF chính hãng được ưa chuộng. Để đảm bảo bạn mua được vòng bi SKF 6210-2RS1 chính hãng tại TP.HCM, Mecsu khuyến nghị kiểm tra các dấu hiệu sau:
a. Dấu hiệu của vòng bi SKF 6210-2RS1 chính hãng :
- Bao bì chất lượng cao: Sắc nét, màu xanh đặc trưng của SKF, sản phẩm thông tin rõ ràng, đầy đủ mã vạch/QR code và thông tin xuất xứ. Bạn sẽ tìm thấy công nghệ trong từng chi tiết.
- In ấn trên vòng bi sắc nét: Logo SKF, mã sản phẩm (6210-2RS1) và các nhà sản xuất quốc gia được in hoặc khắc laser sắc nét, rõ ràng, không lem, không sai phông chữ, rất khó bị tẩy xóa.
- Mã QR/Bar code xác thực: Có thể quét bằng ứng dụng “SKF Authenticate” trên điện thoại di động thông minh để xác thực nguồn gốc và tính chính hãng của sản phẩm. Đây là công cụ hữu ích nhất của SKF để chống hàng giả.
- Phớt cao su hoàn thiện: Phớt được gắn chắc chắn, đồng đều ở cả hai phía, không có dấu hiệu cong, rách. Chất liệu cao su mềm nhưng không dễ biến đổi, có đàn hồi tốt và thường có màu đen đặc trưng của NBR.
- Cảm giác giác vận hành hành động mượt mà: Khi quay vòng bi bằng tay, bạn sẽ cảm nhận được sự mượt mà, cô ái, không có tiếng kêu lạ, không bị rơ (cảm giác) bất ngờ, mặc dù sẽ có một chút lực cản nhẹ do tình cảm tiếp theo.
- Chứng từ đầy đủ: Nhà cung cấp uy tín sẽ cung cấp đầy đủ “CO” (chứng nhận xuất xứ) và “CQ” (chứng nhận chất lượng) từ nhà sản xuất, đảm bảo nguồn gốc và chất lượng sản phẩm.
b. Dấu hiệu của vòng bi SKF 6210-2RS1 hàng giả/nhái:
- In ấn mờ nhạt, sai chính tả, phông chữ lạ, thiếu thông tin hoặc không chính xác trên cả bao bì và vòng bi.
- Bao bì thô, màu trôi chuẩn SKF, thiếu thông tin quan trọng hoặc có dấu hiệu làm lại.
- Phớt cao su hoàn nguyên, bị rách, biến dạng hoặc có chất liệu thô chất lượng (ví dụ: quá cứng, quá mềm, dễ rách), dễ bong tróc hoặc có mùi hóa chất lạ.
- Không có mã QR hoặc mã hóa không quét được hoặc quét ra thông tin không khớp với sản phẩm chính hãng.
- Khi quay tay có tiếng kêu lạo xạ, cảm giác giác giác, nặng bất ngờ hoặc ma sát quá lớn/quá nhỏ, làm gia công gần chính xác và vật liệu không đạt tiêu chuẩn.
- Giá bán rẻ bất ngờ so với thị trường của các sản phẩm chính hãng – đây là dấu hiệu cảnh báo lớn nhất.

10. Giá Bán & Gợi Ý Mua Vòng Bi SKF 6210-2RS1 Chính Hãng Tại TP.HCM
a. Giá vòng bi SKF 6210-2RS1 (TP.Hồ Chí Minh) tại Mecsu: 449,906 đ/ Cái (đã có VAT) – Giá hợp lý, phù hợp với chất lượng sản phẩm chính hãng
Liên hệ để nhận báo giá tốt nhất (giá có thể thay đổi tùy thời điểm và số lượng) – Giá hợp lý, phù hợp với chất lượng sản phẩm chính hãng SKF tại thị trường vòng bi TP.HCM.
b. Gợi ý mua vòng bi chính hãng SKF uy tín
- Chọn nhà cung cấp uy tín tại TP.HCM: Ưu tiên đối tác có bằng chứng nhận từ SKF hoặc đơn vị lâu năm, được nhiều khách hàng tin tưởng và có danh tiếng trên thị trường cung cấp linh kiện cơ khí tại TP.HCM.
- Kiểm tra chứng từ đầy đủ: Luôn yêu cầu đầy đủ “CO” (chứng nhận xuất xứ) và “CQ” (chứng nhận chất lượng) để đảm bảo nguồn gốc và chất lượng của sản phẩm. Điều này giúp bạn tránh mua phải “vòng bi SKF giả” trên thị trường.
-
- 100% sản phẩm chính hãng: Đảm bảo nguồn gốc rõ ràng, đầy đủ chứng từ. Chúng tôi cam kết hoàn tiền 100% hoặc đổi trả nếu sản phẩm không phải của công ty chính thức.
- Chính sách bảo hành minh bạch: Hỗ trợ đổi trả nếu nhà sản xuất gặp lỗi, mang lại sự an tâm tuyệt đối cho khách hàng.
- Hỗ trợ kỹ thuật chuyên sâu: Đội ngũ kỹ sư giàu kinh nghiệm sẵn sàng hỗ trợ bạn về kỹ thuật và lựa chọn sản phẩm phù hợp nhất cho mọi ứng dụng.
- Giá cả cạnh tranh: Đảm bảo giá tốt nhất đi kèm chất lượng, với chính sách chiết khấu hấp dẫn cho đơn hàng số lượng lớn, đặc biệt khi “mua vòng bi SKF số lượng lớn”.
MUA THÊM NHIỀU LOẠI VÒNG BI CHÍNH HÃNG KHÁC TẠI MECSU
11. Câu hỏi thường gặp về Vòng Bi SKF 6210-2RS1
a. Vòng bi SKF 6210-2RS1 có cần bảo dưỡng, tra mỡ không?
Vòng bi SKF 6210-2RS1 được mua sẵn mỡ từ nhà máy và có hai vét cao su tiếp xúc (2RS1) giúp giữ mỡ bên trong. Trong hầu hết các ứng dụng thông thường, vòng bi này được xem là “bảo trì trọn đời” và không cần tái bôi trơn. Khả năng làm kín vượt trội giúp kéo dài tuổi thọ mỡ, giảm thiểu đáng kể nhu cầu bảo trì định kỳ.
b. Chữ “2RS1” trong mã SKF 6210-2RS1 có ý nghĩa gì?
Chữ “2RS1” chỉ bi có hai rải bằng cách sử dụng tổng hợp cao (thường là NBR) ở cả hai phía. Đây là loại băng tiếp xúc, mang lại khả năng làm kín chống lại bụi bẩn, nước và chất mịn, đồng thời giữ mỡ bôi trơn bên trong rất hiệu quả.
c. Vòng bi SKF 6210-2RS1 có hoạt động tốt ở nhiệt độ cao không?
Vòng bi SKF 6210-2RS1 sử dụng Mãnh cao su NBR, có giới hạn nhiệt độ hoạt động tối đa (Thường từ -30°C đến +100°C, tối đa 120°C trong thời gian ngắn). Do đó, vòng bi này không phù hợp cho các ứng dụng có nhiệt độ cực cao. Trong môi trường nhiệt độ cao liên tục, loại có thép thép (2Z) hoặc vòng bi sẽ là lựa chọn thích hợp hơn.
d. Làm sao biết vòng bi 6210-2RS1 của tôi là hãng SKF chính hãng?

đ. Khi nào cần thay thế vòng bi 6210-2RS1?
Bạn nên thay thế vòng bi khi nhận được các dấu hiệu sau:
- Tiếng ồn bất thường: Tiếng kêu lạo xạo, rít, hoặc gằn khi vòng bi quay, báo hiệu bi hoặc khu vực bị mòn hoặc mỡ đã suy giảm chất lượng.
- Tăng nhiệt độ: Vòng bi tăng lên bất thường trong quá trình hoạt động, có thể làm tăng mỡ hoặc tải quá trình.
- Độ cao lớn: Thiết bị hoạt động có mức độ tăng lên đáng kể, ảnh hưởng đến hiệu suất và có thể gây nguy hiểm cho các bộ phận khác.
- Biến dạng vật lý: Phớt cao su bị chai cứng, nứt, rách, biến dạng hoặc có dấu hiệu hư hại nguy hiểm, làm mất khả năng làm kín.
- Vòng bi bị khóa hoặc không được xóa.
Kinh nghiệm từ các kỹ sư Mecsu: Việc kiểm tra định kỳ bằng cách lắng nghe tiếng ồn hoặc cảm nhận mức độ rung có thể giúp phát hiện sớm các dấu hiệu cần thay thế, tránh nguy hại gây hại nghiêm trọng hơn cho toàn bộ hệ thống. Đừng ngần ngại liên hệ với chúng tôi để được hỗ trợ kỹ thuật về bảo trì vòng bi hoặc thay thế vòng bi.
f. Mua vòng bi SKF 6210-2RS1 chính hãng, uy tín ở đâu tại TP.HCM?
- Cam kết chất lượng: 100% sản phẩm có nguồn gốc rõ ràng, đầy đủ chứng từ CO, CQ. Chúng tôi cam kết hoàn tiền 100% hoặc đổi trả nếu sản phẩm không phải của công ty chính thức.
- Giá cả cạnh tranh: Đảm bảo giá tốt nhất đi kèm chất lượng, với chính sách chiết khấu hấp dẫn cho đơn hàng số lượng lớn, đặc biệt khi “mua vòng bi SKF số lượng lớn”.
- Tư vấn chuyên sâu: Đội ngũ kỹ sư giàu kinh nghiệm sẵn sàng hỗ trợ bạn về kỹ thuật và lựa chọn sản phẩm phù hợp nhất.
- Chính sách hậu mãi: Đảm bảo quyền lợi tối đa cho khách hàng với dịch vụ hỗ trợ nhanh chóng, tận tâm.
MUA THÊM NHIỀU LOẠI VÒNG BI CHÍNH HÃNG KHÁC TAI MECSU
12. Liên Hệ và Hỗ Trợ Tư Vấn Vòng Bi SKF
Nếu bạn có bất kỳ thắc mắc nào về vòng bi SKF 6210-2RS1 hoặc cần tư vấn về giải pháp vòng bi cho ứng dụng cụ thể của mình, đừng ngần ngại liên hệ với đội ngũ chuyên gia của Mecsu. Chúng tôi luôn sẵn sàng hỗ trợ bạn tìm ra sản phẩm phù hợp và tối ưu nhất, đồng thời cung cấp những kiến thức về kỹ thuật bảo trì vòng bi mà bạn khó tìm thấy ở những nơi khác.
Địa chỉ: B28/I – B29/I Đường số 2B, KCN Vĩnh Lộc, P. Bình Hưng Hòa B, Q. Bình Tân, TP.HCM
Đường dây nóng: 1800 8137
Email: [email protected]
Trang web: mecsu.vn
13. Thông Tin Bổ sung & Kinh nghiệm Thực Tế Từ Mecsu
Một. Kinh nghiệm Thực Tế & Câu Chuyện Thành Công
Tại Mecsu, chúng tôi tự hào là đối tác đáng tin cậy của nhiều doanh nghiệp trong việc cung cấp các giải pháp chất lượng cao vòng vòng. “Vòng bi SKF 6210-2RS1”, với khả năng làm kín vượt trội, khả năng giữ ẩm tối ưu và độ bền cao trong môi trường khắc nghiệt, được ứng dụng trong nhiều dự án quan trọng của khách hàng chúng tôi đã có tại “TP.Hồ Chí Minh” và các đèn lân cận, mang lại hiệu ứng vượt trội và là chứng minh cho chất lượng sản phẩm cùng kinh nghiệm thực tế của Đội ngũ Mecsu:
- Ngành nông nghiệp và chế độ biến đổi: Chúng tôi đã cung cấp “SKF 6210-2RS1” cho các máy móc nông nghiệp, thiết bị chế độ biến thực phẩm, nơi vòng hai thường xuyên tiếp xúc với bụi bụi, nước và cần khả năng chống nhiễm trùng tuyệt đối.
- Lĩnh vực xử lý vật liệu và khai thác: SKF 6210-2RS1 được lựa chọn nhiều nhất cho hệ thống băng tải, máy phun trong môi trường bụi sâu, ẩm ướt, nơi cao su phát huy tối đa hiệu quả bảo vệ.
- Công nghiệptiết là và bảo vệ sinh: Nhiều khách hàng trong ngành tẩy rửa công nghiệp đã ứng dụng “vòng bi 6210-2RS1” vào máy rửa, máy sấy, nhờ khả năng chống nước và hóa chất tẩy rửa hiệu quả, đảm bảo tuổi thọ thiết bị.
b. Trích Dẫn Chuyên Gia
“SKF 6210-2RS1” là lựa chọn không thể thiếu cho các ứng dụng hoạt động trong môi trường môi trường, nơi nước và bụi bẩn là mối nguy hiểm thường xuyên. Khả năng làm mát tuyệt vời của cao su giúp bảo vệ vòng bi khỏi nhiễm độc, kéo dài tuổi thọ đáng kể và giảm thiểu chi phí bảo trì cho doanh nghiệp tại TP.HCM.”
— “Kỹ sư cơ khí Chuyên gia kỹ thuật Mecsu” (TP. Hồ Chí Minh) – Với hơn 10 năm kinh nghiệm trong lĩnh vực “bạc đạn công nghiệp”.
c. Tài Liệu Tham Khảo và Nghiên Cứu
Nội dung bài viết này được biên soạn dựa trên các tài liệu kỹ thuật chính quy và đáng tin cậy của SKF , cùng với kinh nghiệm thực tế chuyên sâu của đội ngũ kỹ sư Mecsu, đảm bảo tính chính xác, cập nhật và chuyên môn môn môn cao:
- Danh mục sản phẩm SKF (Danh mục sản phẩm SKF chính thức) – Nguồn dữ liệu kỹ thuật chi tiết nhất về “vòng bi SKF”.
- Tài liệu kỹ thuật SKF Explorer – Vòng bi ngành sâu (Thông tin chuyên sâu về “vòng bi cầu sâu SKF Explorer”) – Cung cấp cái nhìn toàn diện về thế hệ vòng bi bền bỉ này.
- Bảng dữ liệu kỹ thuật (Datasheet) chi tiết của SKF 6210-2RS1 – Nguồn thông số kỹ thuật chính xác.
- Trải nghiệm thực tế và phản hồi từ các dự án khách hàng của Mecsu – “Dữ liệu độc nhất” được thu thập từ hơn 10 năm cung cấp “linh kiện cơ khí” và “giải pháp vòng bi” cho doanh nghiệp tại Việt Nam.
Biên soạn bởi: Đội ngũ kỹ sư Mecsu
(Xem thêm thông tin về chúng tôi tại Website Mecsu )
Lưu ý: Hình ảnh sản phẩm có thể khác biệt so với sản phẩm thực tế của SKF. Vui lòng tham khảo thông số kỹ thuật chi tiết hoặc liên hệ Mecsu để có thông tin chính xác nhất về sản phẩm.



















Đánh giá
Chưa có đánh giá nào.