Mô tả sản phẩm
MUA THÊM NHIỀU LOẠI VÒNG BI CHÍNH HÃNG KHÁC TẠI MECSU
Thông tin CHUYÊN SÂU về Vòng Bi Cầu Rãnh Sâu SKF 6210-2Z (50x90x20) Nắp Chắn Thép (Hai Bên)
Mục Lục
- 1. Vòng Bi SKF 6210-2Z Là Gì? – Giải Thích Chuyên Sâu
- 2. Thông Số Kỹ Thuật Chi Tiết Của Vòng Bi Cầu SKF 6210-2Z
- 3. Cấu hình Chi Tiết Vòng Bi SKF 6210-2Z
- 4. Phân Tích Chuyên Sâu: Ký Hiệu 2Z của SKF 6210-2Z
- 5. Ưu và nhược điểm của Vòng Bi SKF 6210-2Z
- 6. Ứng dụng Thực Tế của Vòng Bi SKF 6210-2Z
- 7. Hướng Dẫn Đặt và Tháo Tháo SKF 6210-2Z
- 8. So Sánh Vòng Bi 6210-2Z với Các Loại 6210 Khác
- 9. Cách Phân Biệt Vòng Bi SKF 6210-2Z Thật – Giả – Lời Khuyên Từ Chuyên Gia Mecsu
- 10. Giá Bán & gợi Ý Mua Vòng Bi SKF 6210-2Z Chính Hãng Tại TP.HCM
- 11. Câu hỏi thường gặp về Vòng Bi SKF 6210-2Z
- 12. Liên Hệ và Hỗ Trợ Tư Vấn Vòng Bi SKF
- 13. Thông Tin Bổ Sung & Kinh nghiệm Thực Tế Từ Mecsu
1. Vòng Bi SKF 6210-2Z Là Gì? – Giải Thích Chuyên Sâu
Vòng bi cầu rãnh sâu SKF 6210-2Z là một giải pháp vòng kích thước trung bình của SKF, được thiết kế để mang lại hiệu suất tối ưu trong các ứng dụng công nghiệp yêu cầu khả năng chịu tải cao, ma sát chậm và tốc độ ổn định. Mã “6210” chỉ định kích thước cơ sở với đường kính trong (d) 50mm, đường kính ngoài (D) 90mm và chiều dày (B) 20 mm.
Điểm khác biệt chính của sản phẩm này là ở hậu tố “-2Z”, cho biết vòng bi được trang bị sản phẩm thép (Shields) ở cả hai bên. Các sản phẩm này tạo ra một khe hở nhỏ không tiếp xúc với vòng trong, giúp ngăn chặn bụi bẩn và các hạt lớn xâm nhập vào bên trong vòng bi, đồng thời giữ dầu bôi trơn hiệu quả. Hỗ trợ thiết kế không tiếp xúc, vòng bi 6210-2Z có khả năng đạt tốc độ quay cao (ốc độ giới hạn tăng đến 8 000 r/min) và tạo ra ma sát thấp hơn đáng kể vì vậy với các loại có hạn chế cao su tiếp theo.
Vòng bi 6210-2Z có khe hở hướng tâm tiêu chuẩn (CN), phù hợp cho hầu hết các ứng dụng thông thường mà không có yêu cầu đặc biệt về giãn nở nhiệt hay ép chặt khi gắn. Sự kết hợp giữa sản phẩm thép 2Z và khe CN giúp 6210-2Z trở thành lựa chọn lý tưởng cho các ứng dụng yêu cầu tốc độ cao, ma sát thấp và bảo vệ khỏi bụi bụi trong môi trường tương đối sạch. Vòng bi này đã được lấy sẵn từ máy chủ.
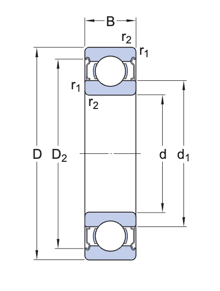
2. Thông Số Kỹ Thuật Chi Tiết Của Vòng Bi Cầu SKF 6210-2Z
d: Đường kính trong
D: Đường kính ngoài
B: Bề dày
C: Tải cơ sở dữ liệu danh sách
C0: Tải danh sách cơ sở dữ liệu tĩnh
Pu: Giới hạn tải mệt mỏi
| Thông số | Giá trị |
|---|---|
| Mã sản phẩm | 6210-2Z |
| Loại vòng bi | Vòng Bi Cầu Rãnh Sâu (Vòng Bi Rãnh Sâu) |
| Đường kính trong (d) | 50 mm |
| Đường kính ngoài (D) | 90 mm |
| Bề dày (B) | 20 mm |
| Tải cơ sở dữ liệu danh sách (C) | 37,1 kN |
| Tải quan trọng cơ sở dữ liệu danh sách (C0) | 23,2 kN |
| Tốc độ tham khảo | 15 000 vòng/phút |
| Tốc độ giới hạn | 8 000 vòng/phút |
| Thế hệ khả năng làm việc cao của SKF | SKF Explorer |
| Rãnh tra bi | Không có |
| Số dòng | 1 |
| Phương tiện để định vị, vòng ngoài của vòng bi | Không có |
| Loại lỗ | Hình trụ |
| Vòng cách | Thép tấm (Sheet metal) |
| Kiểu gắn cặp | Không |
| Khe khe trong hướng kính | CN (Tiêu chuẩn) |
| Vật liệu, vòng bi | Thép vòng bi |
| Lớp mạ | Không có |
| Phớt chắc | Nắp thép hai bên (2Z) |
| Loại Chắc Dầu | Không tiếp xúc (Không tiếp tục) |
| Tra mỡ sẵn chưa? | Có (Thường được tra mỡ sẵn từ nhà máy tuổi thọ hoạt động ban đầu) |
| Phương tiện để tái bôi trơn | Không có |
| Dấu vết carbon của sản phẩm được chỉ định để sản xuất | 1,68 kg CO2e |
| Trọng lượng sản phẩm | 0,466 kg |
| Mã eClass | 23-05-08-01 |
| Mã UNSPSC | 31171504 |
3. Cấu hình Chi Tiết Vòng Bi SKF 6210-2Z
Vòng bi SKF 6210-2Z được cấu hình từ các bộ phận chính, mỗi bộ phận đóng vai trò quan trọng trong công việc đảm bảo hiệu suất hoạt động và độ bền:
Sơ đồ cấu hình Vòng Bi Cầu Rãnh Sâu SKF 6210-2Z với dây thép hai đầu:
- Vòng trong/ngoài: Được chế tạo từ thép chịu lực cao, cùng với khu vực Yên tĩnh, chịu tải chính.
- Bi cầu: Sản phẩm sản xuất từ thép siêu chính xác và được xử lý nhiệt đặc biệt để giảm độ cứng, tăng cường độ cứng và độ bền.
- Vòng cách: Làm bằng thép mạnh, có chức năng giữ các thành viên đều nhau, đảm bảo vòng bi hành động nữ ái và ổn định.
- Mũ thép (2Z): Gắn chặt vào vòng ngoài, không tiếp tục căng với vòng trong. Mũ bảo hiểm có nhiệm vụ tạo ra một lớp bảo vệ, ngăn chặn bụi bẩn và các hạt xâm nhập từ bên ngoài và giữ mỡ bôi trơn bên trong vòng bi. Giúp thiết kế không tiếp tục, không làm giảm thiểu nguy hiểm, cho phép vòng bi đạt tốc độ quay cao.
4. Phân Tích Chuyên Sâu: Ký Hiệu 2Z của SKF 6210-2Z
Để thực sự hiểu được giá trị của vòng bi SKF 6210-2Z, việc phân tích sâu hơn về yếu tố thì chốt: “ký hiệu 2Z” là rất quan trọng.
Ký hiệu “2Z” – Giá thép hai bên:
- Chức năng chính: Cung cấp khả năng bảo vệ vòng bi khỏi bụi bẩn và các hạt xâm nhập từ môi trường bên ngoài, đồng thời giúp giữ mỡ bôi trơn bên trong vòng bi. “2Z” chỉ ra rằng vòng bi có dây thép chắc chắn ở cả hai bên.
- Đặc điểm nổi bật: Là loại dây thép “không tiếp xúc” (Tấm leo tiếp xúc). Điều này có nghĩa là dây thép có một khe hở nhỏ trong vòng bi.
- Ưu điểm vượt trội:Dễ thiết kế không tiếp xúc, Sản phẩm dây leo 2Z tạo ra rất ít ma sát, cho phép vòng bi đạt tốc độ quay cao (tốc độ giới hạn lên đến 8 000 r/min). Đồng thời, nó giúp giảm thiểu nhiệt độ sinh học trong quá trình hoạt động, góp phần vào hiệu suất cao và tuổi thọ của vòng bi ở tốc độ cao của ứng dụng.
- Chế độ: Vì vậy, với lò sưởi nhiệt cao su (2RSH), khả năng làm kín của Sản phẩm thép 2Z gần hơn trong công việc ngăn chặn bụi, hơi ẩm hoặc chất độc. Do đó, không nên sử dụng các ứng dụng trong môi trường tương đối sạch hoặc nơi không có nguy cơ nhiễm độc chất tinh khiết.
Về khe khe hướng tâm:
- Vòng bi 6210-2Z có khe tiêu chuẩn hướng tâm (CN). Đây là khe phổ biến nhất, phù hợp với hầu hết các ứng dụng thông thường mà không có yêu cầu đặc biệt về giãn nhiệt hoặc ép chặt khi lắp đặt.
Sự kết hợp giữa sản phẩm thép “2Z” và khe tiêu chuẩn (CN) giúp SKF 6210-2Z trở thành một giải pháp vòng bi đáng tin cậy, lý tưởng cho các máy móc yêu cầu tốc độ quay cao, ma sát thấp và khả năng bảo vệ khỏi bụi bụi nguy hiểm trong môi trường tương đối sạch.
5. Ưu và nhược điểm của Vòng Bi SKF 6210-2Z
Vòng bi SKF 6210-2Z là loại phổ biến nhờ khả năng hoạt động ở tốc độ cao và thấp. Tuy nhiên, yêu cầu về mức độ ưu tiên phải hiểu được mức độ ưu tiên của nó.
Ưu điểm nổi bật:
- Tốc độ hoạt động cao:Dễ thương thiết kế sản phẩm thép không tiếp tục, vòng bi 6210-2Z tạo ra ma sát cực thấp, cho phép nó hoạt động tốc độ quay cao (tốc độ giới hạn lên đến 8 000 r/min).
- Ma sát thấp và nhiệt độ tối thiểu: Giảm thiểu tối thiểu tổn thất tối thiểu về năng lượng và kéo dài tuổi thọ của mỡ bôi trơn cũng như vòng bi.
- Khả năng chịu tải tốt: Với kích thước d50x D90x B20mm và tải trọng động định mức 37,1 kN, không phù hợp cho nhiều ứng dụng công nghiệp chịu tải trung bình.
- Độ tin cậy cao từ thương hiệu hàng đầu: SKF là nhà sản xuất vòng bi hàng đầu thế giới, đảm bảo chất lượng và độ tin cậy vượt trội cho sản phẩm 6210-2Z.
- Bảo vệ khỏi bụi bẩn và mỡ: Nắp thép giúp ngăn chặn hiệu quả bụi bẩn và các hạt lớn xâm nhập, đồng thời giữ mỡ bôi trơn bên trong, giảm nhu cầu bảo trì cho vòng bi.
Nhược điểm cần lưu ý:
- Khả năng làm kín hạn chế: Vì vậy, với chất thải cao su tiếp xúc (2RSH), Sản phẩm thép 2Z gần hiệu quả hơn trong việc ngăn chặn bụi mịn, hơi ẩm hoặc chất thải. Nó không phù hợp cho môi trường ẩm hoặc nhiều chất.
- Không tái sinh bôi trơn: Vòng bi 2Z thường được bôi mỡ sẵn và không có lỗi để tái bôi trơn. Khi mỡ bên trong bị suy giảm chất lượng, vòng bi cần được thay thế.
- Không tối ưu cho các ứng dụng nhiệt độ cao hoặc lắp chặt: Do có khe tiêu chuẩn (CN), vòng bi này không có khả năng bù đắp giãn nở nhiệt tốt bằng các loại có khe hở lớn hơn (C3, C4).
- Giá thành: Mức giá của vòng bi SKF 6210-2Z có thể cao hơn so với vòng bi cùng kích thước không có dây thép hoặc từ thương hiệu nổi tiếng nguy hiểm.
6. Ứng dụng Thực Tế của Vòng Bi SKF 6210-2Z
Với khả năng hoạt động ở tốc độ cao, ma sát thấp và khả năng chịu tải tốt, vòng bi SKF 6210-2Z là lựa chọn lý tưởng cho các ứng dụng trong môi trường tương đối sạch, nơi yêu cầu tốc độ và hiệu suất cao trong các máy móc công nghiệp:
- Động cơ điện và máy phát điện: Các động cơ công nghiệp, máy phát điện yêu cầu vòng bi có ma sát, tốc độ ổn định và khả năng đảm bảo tải trục trặc và hướng tâm.
- Máy chăm sóc công nghiệp: Các loại máy phun nước, hóa chất trong nhà máy, nơi cần hoạt động liên tục và hiệu quả.
- Hộp số công nghiệp: Trong các hệ thống truyền thông, nơi cần giảm ma sát và hỗ trợ tải hiệu quả.
- Quạt công nghiệp và hệ thống thông gió: Đặc biệt là tốc độ cao, nơi vòng bi cần hoạt động tình ái và bền bỉ.
- Thiết bị máy công cụ: Máy tiện, máy phay, máy khoan công nghiệp, nơi yêu cầu độ chính xác và tốc độ quay của trục chính.
- Máy dệt, máy đóng gói: Trong các dây chuyền sản xuất tự động, nơi cần hoạt động nhanh và ổn định.
- Thiết bị nông nghiệp và xây dựng nhẹ nhàng: Trong các bộ phận truyền động không yêu cầu khả năng làm việc kín quá cao trong môi trường bụi.
7. Hướng Dẫn Đặt và Tháo Tháo SKF 6210-2Z
Để đảm bảo tuổi thọ và hiệu suất tối ưu cho vòng bi SKF 6210-2Z, cách lắp đặt và gỡ bỏ chính xác là vô cùng quan trọng. luôn luôn thủ các nguyên tắc an toàn và kỹ thuật của các nhà sản xuất. Mecsu cung cấp hướng dẫn chi tiết dựa trên kinh nghiệm thực tế:
- Chuẩn bị: Đảm bảo môi trường làm việc sạch sẽ, khô ráo. Chuẩn bị đầy đủ các dụng cụ chuyên dụng như ống lót, búa mềm, dụng cụ ép, máy gia nhiệt (nếu cần). Luôn đeo dây bảo vệ và kính bảo hộ để đảm bảo an toàn. Kiểm tra khí cụ và gối phải sạch sẽ, không có lỗ hổng và bảo đảm sai dung dịch. Lưu ý quan trọng: KHÔNG nắm dây thép 2Z vì vòng bi đã được cung cấp sẵn chất béo và việc nắm dây thép có thể làm hỏng hoặc ảnh hưởng đến khả năng bảo vệ của vòng bi.
- Lắp đặt:
- Phương pháp cơ khí: Đối với vòng bi có kích thước này, việc sử dụng ống lót và búa (búa mềm) vẫn khả thi nếu hoạt động lực đều và đúng vào vòng trong.
- Phương pháp gia nhiệt: Đây là phương pháp tối ưu cho vòng bi có đường kính trong 50mm. Gia nhiệt vòng bi bằng thiết bị gia nhiệt chuyên dụng (ví dụ: SKF Induction Heater) đến nhiệt độ khoảng 80-100°C (tối đa 120°C để tránh ảnh hưởng đến mỡ và dây thép). Vòng bi sẽ giãn nở, dễ dàng lắp vào trục mà không cần dùng lực lớn. Đảm bảo vòng lặp được đặt đúng vị trí trước khi ngừng hoạt động. Tuyệt đối không gia nhiệt bằng ngọn lửa trực tiếp.
- Lưu ý: Đảm bảo vòng bi được gắn thẳng, không bị lệch hoặc kẹt. Sau khi lắp đặt, sản phẩm bảo đảm không bị biến dạng hoặc gây nguy hiểm.
- Gỡ bỏ:
- Sử dụng cả chuyên gia hỗ trợ (cảo cơ hoặc thủy lực cách phù hợp với vòng bi kích thước) để xoay vòng bi một cách an toàn và không gây hư hỏng cho xẹp hoặc gối hỗ trợ. Tác dụng lực đều và đúng ở vòng trong (khi rút xẹp) hoặc vòng ngoài (khi rút gối).
- Đối với các trường hợp khó khăn, có thể sử dụng phương pháp gia nhiệt vòng trong (nếu rút trục vít) hoặc vòng ngoài (nếu rút gối hỗ trợ) để giãn nở, giúp tháo gỡ dễ dàng hơn.
- Tránh dùng đập trực tiếp lên các sinh vật học hoặc các bộ phận khác có thể gây ra các dạng biến đổi, hư hỏng. Việc này không chỉ làm hỏng vòng bi mà còn tiềm ẩn nguy hiểm.
- Người bảo vệ: Nếu không sử dụng ngay, hãy giữ vòng bi trong bao bì gốc của nhà sản xuất, ở nơi khô ráo, thoáng mát, tránh ánh nắng trực tiếp và các chất hóa học ăn mòn để ngăn chặn sét và bụi nguy hiểm xâm nhập.
8. So Sánh Vòng Bi 6210-2Z với Các Loại 6210 Khác
Việc hiểu rõ sự khác biệt giữa các loại vòng bi 6210 SKF sẽ giúp bạn lựa chọn sản phẩm phù hợp nhất cho ứng dụng của mình, tối ưu hóa hiệu suất và chi phí đầu tư. Bảng so sánh bên dưới tập tin khác biệt giữa các loại dây và khe hở:
| Tiêu chí | SKF 6210-2Z (2 Nắp Thép, khe CN) | SKF 6210-2RSH (2 Phớt cao su, khe CN) | SKF 6210 (Mở, không phun/nắp, khe hở CN) |
|---|---|---|---|
| Chất liệu/Chắc chắn | Mũ thép (Shield) – 2 bên (Không tiếp xúc) | Phớt cao su (NBR) – 2 bên (Tiếp xúc) | Không có leo/nào (Mở) |
| Khả năng làm kín | Tốt (chắn bụi lớn, giữ mỡ, kém hơn loại sương cao su có chất độc) | Vượt trội (ngăn bụi, nước, giữ mỡ tối đa) | Siêu tiết kiệm (dễ bị bụi bẩn, mỡ máu) |
| Khe khe hướng kính | CN (Tiêu chuẩn) | CN (Tiêu chuẩn) | CN (Tiêu chuẩn) |
| Tốc độ quay tối đa | 8 000 vòng/phút ( Limit) | 5 600 vòng/phút ( Limit) | 15 000 vòng/phút ( Giới hạn) |
| Khả năng chống ẩm/lỏng | Trung bình (số lượng lớn bụi) | Rất tốt | Rất kém |
| Nhu cầu bảo trì | Tinh khiết (bôi trơn từ nhà, kín đáo với bụi lớn) | Rất thấp (bôi trơn đời sống trong môi trường bình thường) | Cao (cần bôi trơn bất kỳ hoặc bôi trơn liên tục từ bên ngoài hệ thống) |
| Độ âm / Rung động | Very low (làm ma sát) | Thấp (có thể cao hơn 2Z một chút do ma sát) | Thấp |
| Giá thành | Cao hơn loại khe | Cao nhất (làm khả năng làm kín tốt nhất) | Thấp nhất |
| Ứng dụng điển hình | Động cơ điện, máy hút, quạt công nghiệp, máy công cụ, hộp số, nơi cần tốc độ cao, ma sát và môi trường tương đối sạch. | Động cơ, máy hút, hộp số, máy nông nghiệp, máy chế biến thực phẩm, nơi cần bảo vệ tối đa khỏi ô nhiễm nhiễm nấm hồng (bụi, nước, hóa chất) và duy trì bôi trơn. | Thiết bị cần tốc độ cực cao, môi trường rất sạch sẽ, có hệ thống bôi trơn bên ngoài hoặc các ứng dụng không mở rộng, nơi yêu cầu hiệu suất tối đa. |
9. Cách Phân Biệt Vòng Bi SKF 6210-2Z Thật – Giả Lời Khuyên Từ Chuyên Gia Mecsu
Thị trường hiện nay có rất nhiều hàng giả, hàng giả chất lượng, đặc biệt là với các sản phẩm vòng bi SKF chính hãng được ưa chuộng. Để đảm bảo bạn mua được vòng bi SKF 6210-2Z chính hãng tại TP.HCM, Mecsu khuyến khích tra các dấu hiệu sau:
a. Dấu hiệu của vòng bi SKF 6210-2Z chính hãng :
- Bao bì chất lượng cao: Sắc nét, màu xanh đặc trưng của SKF, sản phẩm thông tin rõ ràng, đầy đủ mã vạch/QR code và thông tin xuất xứ. Bạn sẽ tìm thấy công nghệ trong từng chi tiết.
- In ấn trên vòng bi sắc nét: Logo SKF, sản phẩm mã hóa hóa (6210-2Z) và nhà sản xuất quốc gia được in hoặc khắc laser sắc nét, xóa, không lem, không sai phông chữ, rất khó bị tẩy xóa.
- Mã QR/Bar code xác thực: Có thể quét bằng ứng dụng “SKF Authenticate” trên điện thoại di động thông minh để xác thực nguồn gốc và tính chính hãng của sản phẩm. Đây là công cụ hữu ích nhất của SKF để chống hàng giả.
- Mũ thép (2Z) hoàn thiện: Các sản phẩm được gắn chắc chắn, đồng đều ở cả hai bên, không có dấu hiệu cong, rách hoặc miễn phí. Bên cạnh sản phẩm quý, không có ba via và có khe hở đồng đều trong vòng.
- Cảm giác vận hành mượt mà: Khi quay vòng bi bằng tay, bạn sẽ cảm nhận được tốc độ mượt mà, nhẹ nhàng, gần gũi như không có ma sát phải kể. Không có tiếng kêu lạ hoặc cảm giác giác.
- Chứng từ đầy đủ: Nhà cung cấp uy tín sẽ cung cấp đầy đủ “CO” (chứng nhận xuất xứ) và “CQ” (chứng nhận chất lượng) từ nhà sản xuất, đảm bảo nguồn gốc và chất lượng sản phẩm.
b. Dấu hiệu của vòng bi SKF 6210-2Z hàng giả/nhái:
- In ấn mờ nhạt, sai chính tả, phông chữ lạ, thông tin thiếu hoặc không chính xác trên cả bao bì và vòng bi.
- Bao bì thô, màu sắc trôi chuẩn SKF, thiếu thông tin quan trọng hoặc có dấu hiệu làm lại.
- Vỏ thép cường lực, dễ bị biến đổi, có dấu hiệu rỉ sét sớm hoặc được làm từ vật liệu giá rẻ. Nắp đậy có thể được thu nhỏ hoặc không được lắp.
- Không có mã QR hoặc mã hóa không quét được hoặc quét ra thông tin không khớp với sản phẩm chính hãng.
- Khi quay tay có tiếng kêu lạo xạo, cảm giác giác, nặng hoặc độ rơ bất thường làm gia công chính xác.
- Giá bán rẻ bất ngờ so với giá thị trường của sản phẩm chính hãng – đây là dấu hiệu cảnh báo lớn nhất.

10. Giá Bán & Gợi Ý Mua Vòng Bi SKF 6210-2Z Chính Hãng Tại TP.HCM
a. Giá vòng bi SKF 6210-2Z (TP.Hồ Chí Minh) tại Mecsu: 385,798 đ/ Cái (đã có VAT) – Giá hợp lý, phù hợp với chất lượng sản phẩm chính hãng
Liên hệ để nhận báo giá tốt nhất (giá có thể thay đổi tùy thời điểm và số lượng) – Giá hợp lý, phù hợp với chất lượng sản phẩm chính hãng SKF tại thị trường vòng bi TP.HCM.
b. Gợi ý mua vòng bi chính hãng SKF uy tín
- Chọn nhà cung cấp uy tín tại TP.HCM: Ưu tiên đối tác có bằng chứng nhận từ SKF hoặc đơn vị lâu năm, được nhiều khách hàng tin tưởng và có danh tiếng trên thị trường cung cấp linh kiện cơ khí tại TP.HCM.
- Kiểm tra chứng từ đầy đủ: Luôn yêu cầu đầy đủ “CO” (chứng nhận xuất xứ) và “CQ” (chứng nhận chất lượng) để đảm bảo nguồn gốc và chất lượng của sản phẩm. Điều này giúp bạn tránh mua phải “vòng bi SKF giả” trên thị trường.
-
- 100% sản phẩm chính hãng: Đảm bảo nguồn gốc rõ ràng, đầy đủ chứng từ. Chúng tôi cam kết hoàn tiền 100% hoặc đổi trả nếu sản phẩm không phải của công ty chính thức.
- Chính sách bảo hành minh bạch: Hỗ trợ đổi trả nếu nhà sản xuất gặp lỗi, mang lại sự an tâm tuyệt đối cho khách hàng.
- Hỗ trợ kỹ thuật chuyên sâu: Đội ngũ kỹ sư giàu kinh nghiệm sẵn sàng hỗ trợ bạn về kỹ thuật và lựa chọn sản phẩm phù hợp nhất cho mọi ứng dụng.
- Giá cả cạnh tranh: Đảm bảo giá tốt nhất đi kèm chất lượng, với chính sách chiết khấu hấp dẫn cho đơn hàng số lượng lớn, đặc biệt khi “mua vòng bi SKF số lượng lớn”.
MUA THÊM NHIỀU LOẠI VÒNG BI CHÍNH HÃNG KHÁC TAI MECSU
11. Câu hỏi thường gặp về Vòng Bi SKF 6210-2Z
a. Vòng bi SKF 6210-2Z có cần bảo dưỡng, tra mỡ không?
Vòng bi SKF 6210-2Z được sản xuất mỡ có sẵn từ nhà máy và có hai dây thép (2Z) không tiếp xúc, giúp giữ hiệu quả mỡ và bảo vệ khỏi bụi bẩn lớn. Trong hầu hết các ứng dụng thông thường, vòng bi này được xem là “bảo trì trọn đời” và không cần tái bôi trơn. Tuy nhiên, trong môi trường cực kỳ khắc nghiệt hoặc nhiệt độ quá cao/thấp liên tục, tuổi thọ mỡ có thể bị ảnh hưởng. Nếu có dấu hiệu bất ngờ, bạn nên kiểm tra.
b. Chữ “2Z” trong mã SKF 6210-2Z có ý nghĩa gì?
- Chữ “2Z” chỉ vòng bi có hai dây thép ở cả hai bên. Lớp bảo vệ này không tiếp xúc với vòng trong, giúp vòng bi hoạt động ở tốc độ cao hơn và ma sát thấp hơn so với loại có đệm cao su.
c. Vòng bi SKF 6210-2Z có phải là vòng bi chịu nhiệt không?
Vòng bi SKF 6210-2Z có khe tiêu chuẩn (CN). Nắp thép không giới hạn nhiều về nhiệt độ như phun cao su, tuy nhiên, giới hạn nhiệt độ chung của vòng bi phụ thuộc vào loại mỡ được tra sẵn. Đối với các ứng dụng nhiệt độ cực cao hoặc cần khe hở để bù đắp giãn nở nhiệt, bạn nên xem xét các loại vòng bi có khe hở C3, C4.
d. Làm sao biết vòng bi 6210-2Z của tôi là hãng SKF chính hãng?

đ. Khi nào cần thay thế vòng bi 6210-2Z?
Bạn nên thay thế vòng bi khi nhận được các dấu hiệu sau:
- Tiếng ồn bất thường: Tiếng kêu lạo xạo, rít, hoặc kêu khi vòng bi quay, báo hiệu bi hoặc rãnh bị mòn.
- Tăng nhiệt độ: Vòng bi tăng lên bất thường trong quá trình hoạt động, có thể làm tăng mỡ hoặc tải quá trình.
- Độ cao lớn: Thiết bị hoạt động có mức độ tăng lên đáng kể, ảnh hưởng đến hiệu suất và có thể gây nguy hiểm cho các bộ phận khác.
- Biến dạng vật lý: Nắp thép bị cong, móp, vòng bi bị ăn mòn hoặc có dấu hiệu hư hại nguy hiểm.
- Vòng bi bị khóa hoặc không được xóa.
Kinh nghiệm từ các kỹ sư Mecsu: Việc kiểm tra định kỳ bằng cách lắng nghe tiếng ồn hoặc cảm nhận mức độ rung có thể giúp phát hiện sớm các dấu hiệu cần thay thế, tránh nguy hại gây hại nghiêm trọng hơn cho toàn bộ hệ thống. Đừng ngần ngại liên hệ với chúng tôi để được hỗ trợ kỹ thuật về bảo trì vòng bi hoặc thay thế vòng bi.
f. Mua vòng bi SKF 6210-2Z chính hãng, uy tín ở đâu tại TP.HCM?
- Cam kết chất lượng: 100% sản phẩm có nguồn gốc rõ ràng, đầy đủ chứng từ CO, CQ. Chúng tôi cam kết hoàn tiền 100% hoặc đổi trả nếu sản phẩm không phải của công ty chính thức.
- Giá cả cạnh tranh: Đảm bảo giá tốt nhất đi kèm chất lượng, với chính sách chiết khấu hấp dẫn cho đơn hàng số lượng lớn, đặc biệt khi “mua vòng bi SKF số lượng lớn”.
- Tư vấn chuyên sâu: Đội ngũ kỹ sư giàu kinh nghiệm sẵn sàng hỗ trợ bạn về kỹ thuật và lựa chọn sản phẩm phù hợp nhất.
- Chính sách hậu mãi: Đảm bảo quyền lợi tối đa cho khách hàng với dịch vụ hỗ trợ nhanh chóng, tận tâm.
MUA THÊM NHIỀU LOẠI VÒNG BI CHÍNH HÃNG KHÁC TAI MECSU
12. Liên Hệ và Hỗ Trợ Tư Vấn Vòng Bi SKF
Nếu bạn có bất kỳ thắc mắc nào về vòng bi SKF 6210-2Z hoặc cần tư vấn về giải pháp vòng bi cho ứng dụng cụ thể của mình, đừng ngần ngại liên hệ với đội ngũ chuyên gia của Mecsu. Chúng tôi luôn sẵn sàng hỗ trợ bạn tìm ra sản phẩm phù hợp và tối ưu nhất, đồng thời cung cấp những kiến thức về kỹ thuật bảo trì vòng bi mà bạn khó tìm thấy ở những nơi khác.
Địa chỉ: B28/I – B29/I Đường số 2B, KCN Vĩnh Lộc, P. Bình Hưng Hòa B, Q. Bình Tân, TP.HCM
Đường dây nóng: 1800 8137
Email: [email protected]
Trang web: mecsu.vn
13. Thông Tin Bổ sung & Kinh nghiệm Thực Tế Từ Mecsu
Một. Kinh nghiệm Thực Tế & Câu Chuyện Thành Công
Tại Mecsu, chúng tôi tự hào là đối tác đáng tin cậy của nhiều doanh nghiệp trong việc cung cấp các giải pháp chất lượng cao vòng vòng. “Vòng bi SKF 6210-2Z”, với đặc tính tốc độ cao và ma sát thấp ở kích thước trung bình, đã được ứng dụng trong nhiều dự án quan trọng của khách hàng chúng tôi tại “TP. Hồ Chí Minh” và các tỉnh lân cận, mang lại hiệu quả vượt trội và là minh chứng cho sản phẩm chất lượng cùng kinh nghiệm thực tế của Đội ngũ Mecsu:
- Lĩnh vực sản xuất cơ điện công nghiệp: Chúng tôi đã cung cấp “SKF 6210-2Z” cho các nhà sản xuất cơ điện lớn hơn, truyền công nghiệp, nơi vòng bi cần hoạt động ở tốc độ cao và đau ái, cung cấp phần nâng cao hiệu suất và độ bền của cơ khí.
- Công nghiệp chế tạo máy công cụ: Vòng bi này đã được ứng dụng trong các máy tiện, máy phay, nơi cần độ chính xác cao, tốc độ quay ổn định và khả năng chịu tải trục trặc và hướng tâm.
- Hệ thống băng tải và truyền động: SKF 6210-2Z là lựa chọn lý tưởng cho các con lăn, trục truyền động trong các dây sản phẩm sản xuất, nơi cần giảm ma sát và hoạt động liên tục trong môi trường tương đối sạch.
b. Trích Dẫn Chuyên Gia
“SKF 6210-2Z” là một lựa chọn tuyệt vời cho các ứng dụng công nghiệp cần tốc độ cao và ma sát tối thiểu trong môi trường kiểm soát. Nắp bảo vệ thép không tiếp xúc đảm bảo hiệu hoạt động ái và kéo dài tuổi thọ mỡ, giúp giảm thiểu chi phí bảo trì. Đây là giải pháp đáng tin cậy cho nhiều loại máy móc câu hỏi sự ổn định và hiệu quả.”
— “Kỹ sư cơ khí Chuyên gia kỹ thuật Mecsu” (TP. Hồ Chí Minh) – Với hơn 10 năm kinh nghiệm trong lĩnh vực “bạc đạn công nghiệp”.
c. Tài Liệu Tham Khảo và Nghiên Cứu
Nội dung bài viết này được biên soạn dựa trên các tài liệu kỹ thuật chính quy và đáng tin cậy của SKF , cùng với kinh nghiệm thực tế chuyên sâu của đội ngũ kỹ sư Mecsu, đảm bảo tính chính xác, cập nhật và chuyên môn môn cao:
- Danh mục sản phẩm SKF (Danh mục sản phẩm SKF chính thức) – Nguồn dữ liệu kỹ thuật chi tiết nhất về “vòng bi SKF”.
- Tài liệu kỹ thuật SKF Explorer – Vòng bi ngành sâu (Thông tin chuyên sâu về “vòng bi cầu sâu SKF Explorer”) – Cung cấp cái nhìn toàn diện về thế hệ vòng bi bền bỉ này.
- Bảng dữ liệu kỹ thuật (Datasheet) chi tiết của SKF 6210-2Z – Nguồn thông số kỹ thuật chính xác.
- Trải nghiệm thực tế và phản hồi từ các dự án khách hàng của Mecsu – “Dữ liệu độc nhất” được thu thập từ hơn 10 năm cung cấp “linh kiện cơ khí” và “giải pháp vòng bi” cho doanh nghiệp tại Việt Nam.
Biên soạn bởi: Đội ngũ kỹ sư Mecsu
(Xem thêm thông tin về chúng tôi tại Website Mecsu )
Lưu ý: Hình ảnh sản phẩm có thể khác biệt so với sản phẩm thực tế của SKF. Vui lòng tham khảo thông số kỹ thuật chi tiết hoặc liên hệ Mecsu để có thông tin chính xác nhất về sản phẩm.


















Đánh giá
Chưa có đánh giá nào.