Mô tả sản phẩm
Thông tin CHUYÊN SÂU về Vòng Bi Cầu Rãnh Sâu SKF 6302-2RSH (15x42x13) Phớt Cao Su NBR Tiếp xúc (Hai Bên)
Mục Lục
- 1. Vòng Bi SKF 6302-2RSH Là Gì? – Giải Thích Chuyên Sâu
- 2. Thông Số Kỹ Thuật Chi Tiết Của Vòng Bi Cầu SKF 6302-2RSH
- 3. Cấu hình Chi Tiết Vòng Bi SKF 6302-2RSH
- 4. Phân Tích Chuyên Sâu: Ký Hiệu 2RSH của SKF 6302-2RSH
- 5. Ưu và nhược điểm của Vòng Bi SKF 6302-2RSH
- 6. Ứng dụng Thực Tế của Vòng Bi SKF 6302-2RSH
- 7. Hướng Dẫn Đặt và Tháo Tháo SKF 6302-2RSH
- 8. So Sánh Vòng Bi 6302-2RSH với Các Loại 6302 Khác
- 9. Cách Phân Biệt Vòng Bi SKF 6302-2RSH Thật – Giả – Lời Khuyên Từ Chuyên Gia Mecsu
- 10. Giá Bán & Mai Ý Mua Vòng Bi SKF 6302-2RSH Chính Hãng Tại TP.HCM
- 11. Câu hỏi thường gặp về Vòng Bi SKF 6302-2RSH
- 12. Liên Hệ và Hỗ Trợ Tư Vấn Vòng Bi SKF
- 13. Thông Tin Bổ Sung & Kinh nghiệm Thực Tế Từ Mecsu
1. Vòng Bi SKF 6302-2RSH Là Gì? – Giải Thích Chuyên Sâu
Vòng bi cầu rãnh sâu SKF 6302-2RSH là một giải pháp vòng bi tiên tiến của SKF, được thiết kế để mang lại hiệu suất tối ưu trong môi trường đòi hỏi khả năng làm kín. Mã “6302” chỉ định kích thước cơ sở với đường kính trong (d) 15mm, đường kính ngoài (D) 42mm và chiều dày (B) 13mm.
Điểm khác biệt chính của sản phẩm này là ở hậu tố “-2RSH”, cho biết vòng bi được trang bị dây cáp bằng cao su tổng hợp (NBR) có tiếp xúc (Con dấu liên hệ) ở cả hai phía. Phớt cao su này tạo ra một rào cản vật lý hiệu ứng hơn nhiều so với sản phẩm kiềm thép, ngăn chặn tối đa xâm nhập của bụi bẩn, nước, hơi ẩm và giữ mỡ bôi trơn bên trong, giúp kéo dài đáng kể tuổi của vòng bi, đặc biệt trong môi trường ẩm ướt hoặc nhiều bụi bẩn.
Vòng bi 6302-2RSH có khe hở hướng tâm tiêu chuẩn (CN), phù hợp cho hầu hết các ứng dụng thông thường mà không có yêu cầu đặc biệt về giãn nở nhiệt hay độ ép chặt khi gắn. Sự kết hợp giữa cường su tiếp xúc 2RSH và khe hở CN giúp 6302-2RSH trở thành lựa chọn tối ưu cho các ứng dụng đòi hỏi sự bảo vệ vượt trội khỏi các chất gây ô nhiễm, đồng thời vẫn đảm bảo khả năng hoạt động ổn định trong điều kiện lắp đặt thông thường. Vòng bi này đã được lấy sẵn từ máy chủ.
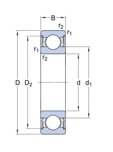
2. Thông Số Kỹ Thuật Chi Tiết Của Vòng Bi Cầu SKF 6302-2RSH
d: Đường kính trong
D: Đường kính ngoài
B: Bề dày
C: Tải cơ sở dữ liệu danh sách
C0: Tải danh sách cơ sở dữ liệu tĩnh
Pu: Giới hạn tải mệt mỏi
| Thông số | Giá trị |
|---|---|
| Mã sản phẩm | 6302-2RSH |
| Loại vòng bi | Vòng Bi Cầu Rãnh Sâu (Vòng Bi Rãnh Sâu) |
| Đường kính trong (d) | 15 mm |
| Đường kính ngoài (D) | 42 mm |
| Bề dày (B) | 13 mm |
| Tải cơ sở dữ liệu danh sách (C) | 11,9 kN |
| Tải quan trọng cơ sở dữ liệu danh sách (C0) | 5,4 kN |
| Tốc độ giới hạn | 12 000 vòng/phút |
| Thế hệ khả năng làm việc cao của SKF | SKF Explorer |
| Rãnh tra bi | Không có |
| Số dòng | 1 |
| Phương tiện để định vị, vòng ngoài của vòng bi | Không có |
| Loại lỗ | Hình trụ |
| Vòng cách | Thép tấm (Sheet metal) |
| Kiểu gắn cặp | Không |
| Khe khe trong hướng kính | CN (Tiêu chuẩn) |
| Vật liệu, vòng bi | Thép vòng bi |
| Lớp mạ | Không có |
| Phớt chắc | Phớt cao su hai bên (2RSH) |
| Loại Chắc Dầu | Tiếp xúc (Contact) |
| Tra mỡ sẵn chưa? | Có (Thường được tra mỡ sẵn từ nhà máy tuổi thọ hoạt động ban đầu) |
| Phương tiện để tái bôi trơn | Không có |
| Dấu vết carbon của sản phẩm được chỉ định để sản xuất | 0,296 kg CO2e |
| Trọng lượng sản phẩm | 0,0822 kg |
| Mã eClass | 23-05-08-01 |
| Mã UNSPSC | 31171504 |
3. Cấu hình Chi Tiết Vòng Bi SKF 6302-2RSH
Vòng bi SKF 6302-2RSH được cấu hình thành các bộ phận chính, mỗi bộ phận đóng vai trò quan trọng trong công việc đảm bảo hiệu suất hoạt động và độ bền:
Sơ đồ tạo cấu hình Vòng Bi Cầu Rãnh SKF 6302-2RSH với đầu cao su trống:
- Vòng trong/ngoài: Được chế tạo từ thép chịu lực cao, cùng với khu vực Yên tĩnh, chịu tải chính.
- Bi cầu: Sản phẩm sản xuất từ thép siêu chính xác và được xử lý nhiệt đặc biệt để giảm độ cứng, tăng cường độ cứng và độ bền.
- Vòng cách: Làm bằng thép mạnh, có chức năng giữ các thành viên đều nhau, đảm bảo vòng bi hành động nữ ái và ổn định.
- Phớt cao su (2RSH): Gắn chặt vào vòng ngoài và tiếp xúc trực tiếp với vòng trong. Phớt cao su có nhiệm vụ tạo ra một lớp bảo vệ hoàn hảo, ngăn chặn bụi bụi, nước, hơi ẩm xâm nhập từ bên ngoài và bôi mỡ bôi trơn bên trong vòng bi một cách tối đa. Phớt RSH là loại mát tiếp xúc hiệu ứng cao, được làm từ cao su tổng hợp dầu và mài mòn.
4. Phân Tích Chuyên Sâu: Ký Hiệu 2RSH của SKF 6302-2RSH
Để thực sự hiểu được giá trị của vòng bi SKF 6302-2RSH, việc phân tích sâu hơn về yếu tố thì chốt: “ký hiệu 2RSH” là rất quan trọng.
Ký hiệu “2RSH” – Phớt cao su tiếp xúc hai bên:
- Chức năng chính: Cung cấp khả năng làm kín nổi, bảo vệ vòng bi ra hầu hết các loại chất gây ô nhiễm như bụi bụi, nước, hơi ẩm và dưỡng dầu bôi trơn một cách hiệu quả nhất. “2RSH” chỉ ra rằng vòng bi có rải tóc bằng cách sử dụng tổng hợp cao (RSH – Contact Seal, thường là NBR) ở cả hai bên.
- Đặc điểm nổi bật: Là loại thông “tiếp xúc” (Con dấu liên lạc). Điều này có nghĩa là phun cao su có một môi trường nhỏ tiếp xúc trực tiếp với một ngành trong vòng.
- Ưu điểm vượt trội: bảo vệ thiết kế tiếp xúc,bách 2RSH tạo ra khả năng làm kín, ngăn chặn gần như hoàn toàn xâm nhập các hạt nhỏ và chất độc, đồng thời giữ mỡ bôi trơn không bị rỉ ra ngoài. Điều này kéo dài đáng kể tuổi thọ của vòng bi trong môi trường giải quyết vấn đề sâu, ẩm hoặc nhiều bụi bẩn.
- Chế độ: Do bức xúc tiếp theo, nó tạo ra sự nguy hiểm lớn hơn so với sản phẩm thép thép (2Z). Điều này làm giảm giới hạn tốc độ của vòng bi (giới hạn tốc độ chỉ 12 000 r/min) và có thể sinh nhiệt nhiều hơn một chút trong quá trình hoạt động. Do đó, nó không phải là lựa chọn tối ưu cho các ứng dụng yêu cầu tốc độ quay cực cao.
Về khe khe hướng tâm:
- Vòng bi 6302-2RSH có tiêu chuẩn hướng tâm (CN). Đây là khe phổ biến nhất, phù hợp với hầu hết các ứng dụng thông thường mà không có yêu cầu đặc biệt về giãn nhiệt hoặc ép chặt khi lắp đặt.
Sự kết hợp giữa Mão cao su “2RSH” và khe tiêu chuẩn (CN) giúp SKF 6302-2RSH trở thành một giải pháp vòng bi đáng tin cậy, lý tưởng cho các máy móc hoạt động trong môi trường ẩm ướt hoặc nhiều bụi bặm, nơi cần khả năng làm kín tối đa và khả năng hoạt động ổn định dưới điều kiện gắn thông thường, ngay cả khi phải thay đổi một phần tốc độ hoạt động.
5. Ưu và nhược điểm của Vòng Bi SKF 6302-2RSH
Vòng bi SKF 6302-2RSH là loại phổ biến nhờ sự cân bằng giữa khả năng bảo vệ và hiệu suất. Tuy nhiên, yêu cầu về mức độ ưu tiên phải hiểu được mức độ ưu tiên của nó.
Ưu điểm nổi bật:
- Khả năng làm kín: Giảm cao su tiếp xúc (2RSH) tạo hàng rào chắn hiệu quả nhất chống bụi bẩn, nước, hơi ẩm và các chất gây ô nhiễm nhiễm độc khác, bảo vệ tối đa mỡ bôi trơn và các bộ phận bên trong. Điều đặc biệt quan trọng trong môi trường này giải quyết vấn đề như nhà máy biến thực phẩm, nông nghiệp hoặc các ứng dụng ngoài trời.
- Tuổi thọ mỡ bôi trơn kéo dài: Nhờ khả năng làm kín, mỡ bôi trơn được giữ lại bên trong vòng bi hiệu quả hơn, giúp kéo dài tuổi thọ vận hành và giảm nhu cầu bảo trì.
- Độ tin cậy cao từ thương hiệu hàng đầu: SKF là nhà sản xuất vòng bi hàng đầu thế giới, đảm bảo chất lượng và độ tin cậy vượt trội cho sản phẩm 6302-2RSH.
- Yêu cầu bảo trì thấp: Vòng bi được tra mỡ sẵn từ nhà máy và kín giúp giữ mỡ bôi trơn lâu hơn, giảm đáng kể nhu cầu bảo trì định kỳ kỳ kỳ nào so với các loại vòng bi giảm, tiết kiệm chi phí vận hành.
Nhược điểm cần lưu ý:
- Giới hạn tốc độ hoạt động: Băng cao có tính tiếp nối với vòng trong nên nó tạo ra mối nguy hiểm lớn hơn so với Sản phẩm thép thép (2Z). Điều này làm giảm giới hạn tốc độ của vòng bi (chỉ 12 000 r/min), không phù hợp cho các ứng dụng yêu cầu tốc độ quay cực cao.
- Sinh nhiệt: Ma sát do băng cao su tiếp theo có thể sinh nhiệt độ cao hơn một chút so với vòng bi có dây thép hoặc vòng bi.
- Không tái sinh bôi trơn: Vòng bi 2RSH thường được bôi mỡ sẵn và không có lỗi để tái bôi trơn. Khi mỡ bên trong bị suy giảm chất lượng, vòng bi cần được thay thế.
- Không tối ưu cho các ứng dụng nhiệt độ cao hoặc lắp chặt: Do có khe tiêu chuẩn (CN), vòng bi này không có khả năng bù đắp giãn nở nhiệt tốt bằng các loại có khe hở lớn hơn (C3, C4). Phớt cao su cũng có giới hạn nhiệt độ hoạt động (thường khoảng 100-120°C).
- Giá thành: Mức giá của vòng bi SKF 6302-2RSH có thể cao hơn so với vòng bi cùng kích thước không có dây dẫn hoặc từ nổi tiếng của thương hiệu nổi tiếng. Tuy nhiên, đây là giải pháp đầu tư xứng đáng cho khả năng bảo vệ và độ bền trong môi trường khắc nghiệt.
6. Ứng dụng Thực Tế của Vòng Bi SKF 6302-2RSH
Với khả năng làm kín vượt trội từ cao su tiếp xúc và khe CN, vòng bi SKF 6302-2RSH là lựa chọn lý tưởng cho các ứng dụng trong môi trường khắc nghiệt, nhiều bụi sâu, ẩm dưỡng hoặc yêu cầu bảo vệ tối đa các chất gây ô nhiễm ô nhiễm, đồng thời vẫn phải đảm bảo hoạt động ổn định trong điều kiện gắn thông thường:
- Thiết bị nông nghiệp: Máy cày, máy sâu, máy xay xát, nơi vòng bi phải hoạt động trong môi trường Bụi sâu, ẩm ướt, bùn đất.
- Ngành thực phẩm và đồ dùng: Máy đóng gói, máy trộn, băng tải, nơi cần ngăn chặn xâm nhập của chất thải và các hạt thực phẩm nhỏ, đồng thời dễ dàng bảo vệ sinh học (với lưu ý về vật liệu phù hợp tiêu chuẩn).
- Băng tải và hệ thống vận chuyển vật liệu: Đặc biệt là môi trường khai thác thác mỏ mỏ, xây dựng, nhà máy xi măng, nơi có nhiều bụi và độ ẩm cao.
- Máy giặt và thiết bị gia dụng: Vòng bi này phù hợp cho các bộ phận chịu ẩm và cần độ bền cao như máy giặt thẳng.
- Hướng dẫn và quạt công nghiệp trong môi trường ẩm thực: Các loại thuốc nước, quạt thông gió trong môi trường có hơi ẩm hoặc nước bắn.
- Hộp số và các bộ phận truyền động: Đặc biệt trong các ứng dụng nơi có thể xảy ra rò rỉ dầu mỡ hoặc môi trường bên ngoài không sạch sẽ.
7. Hướng Dẫn Đặt và Tháo Tháo SKF 6302-2RSH
Để đảm bảo tuổi thọ và hiệu suất tối ưu cho vòng bi SKF 6302-2RSH, cách lắp đặt và tháo gỡ đúng cách là vô cùng quan trọng. luôn luôn thủ các nguyên tắc an toàn và kỹ thuật của các nhà sản xuất. Mecsu cung cấp hướng dẫn chi tiết dựa trên kinh nghiệm thực tế:
- Chuẩn bị: Đảm bảo môi trường làm việc sạch sẽ, khô ráo. Chuẩn bị đầy đủ các công cụ chuyên dụng như cảo, búa mềm, thiết bị gia nhiệt cảm ứng. Luôn đeo dây bảo vệ và kính bảo hộ để đảm bảo an toàn. Kiểm tra khí cụ và gối phải sạch sẽ, không có lỗ hổng và bảo đảm sai dung dịch. Lưu ý quan trọng: Không tháo vòng cao su 2RSH vì bi vòng đã có sẵn để bơm mỡ và tháo rời có thể làm hỏng hoặc ảnh hưởng đến khả năng bảo vệ của vòng bi.
- Lắp đặt:
- Phương pháp nhiệt (phổ biến nhất cho vòng bi lớn): Gia nhiệt vòng bi bằng thiết bị gia nhiệt chuyên dụng (ví dụ: máy gia nhiệt cảm ứng SKF) đến nhiệt độ khoảng 80-100°C (không vượt quá 120°C để tránh làm hỏng cao su). Điều này giúp vòng nở ra, dễ trượt vào trục mà không cần dùng lực quá lớn. Luôn hoạt động đều đặn và tập trung lên vòng khi gắn vào xẹp xuống.
- Phương pháp cơ khí (dùng cho kích thước nhỏ hơn): Sử dụng ống lót chuyên dụng và búa mềm, tác dụng lực đều lên vòng khi lắp vào trục. Tuyệt đối tránh tác động trực tiếp lên phun cao su hoặc các học viên vì có thể gây nguy hiểm đến tính mạng người.
- Lưu ý: Đảm bảo vòng bi được gắn thẳng, không bị lệch hoặc kẹt. Sau khi lắp đặt, đảm bảo không bị biến dạng, rách hoặc quá nguy hiểm.
- Gỡ bỏ:
- Sử dụng cả dụng cụ chuyên dụng (cảo cơ hoặc cả thủy lực) để xoay vòng một cách an toàn và không gây ra tình trạng gãy xương cho hoặc hỗ trợ gối. Tác dụng lực đều và đúng ở vòng trong (khi rút xẹp) hoặc vòng ngoài (khi rút gối).
- Tránh dùng đập trực tiếp lên các sinh vật học hoặc các bộ phận khác có thể gây ra các dạng biến đổi, hư hỏng. Việc này không chỉ làm hỏng vòng bi mà còn tiềm ẩn nguy hiểm.
- Người bảo vệ: Nếu không sử dụng ngay, hãy giữ vòng bi trong bao bì gốc của nhà sản xuất, ở nơi khô ráo, thoáng mát, tránh ánh nắng trực tiếp và các chất hóa học ăn mòn để hạn chế sét và bụi nguy hiểm xâm nhập, bảo vệ thư giãn cao su không bị lão hóa.
8. So Sánh Vòng Bi 6302-2RSH với Các Loại 6302 Khác
Việc hiểu rõ sự khác biệt giữa các loại vòng bi 6302 SKF sẽ giúp bạn lựa chọn sản phẩm phù hợp nhất cho ứng dụng của mình, tối ưu hóa hiệu suất và chi phí đầu tư. Bảng so sánh bên dưới tập tin khác biệt giữa các loại đó và khoảng trống:
| Tiêu chí | SKF 6302-2RSH (2 Phớt cao su, khe hở CN) | SKF 6302-2Z (2 Nắp Thép, khe CN) | SKF 6302 (Mở, không phun/nắp, khe hở CN) |
|---|---|---|---|
| Chất liệu/Chắc chắn | Phớt cao su (NBR) – 2 bên (Tiếp xúc) | Mũ thép (Shield) – 2 bên (Không tiếp xúc) | Không có leo/nào (Mở) |
| Khả năng làm kín | Vượt trội (ngăn bụi, nước, giữ mỡ tối đa) | Tốt (chắn bụi lớn, giữ mỡ, kém hơn loại sương cao su có chất độc) | Siêu tiết kiệm (dễ bị bụi bẩn, mỡ máu) |
| Khe khe hướng kính | CN (Tiêu chuẩn) | CN (Tiêu chuẩn) | CN (Tiêu chuẩn) |
| Tốc độ quay tối đa | 12 000 vòng/phút ( Giới hạn) | 19 000 vòng/phút ( Giới hạn) | Khoảng 20 000 r/min ( Giới hạn) |
| Khả năng chống ẩm/lỏng | Rất tốt | Trung bình (số lượng lớn bụi) | Rất kém |
| Nhu cầu bảo trì | Rất thấp (bôi trơn đời sống trong môi trường bình thường) | Tinh khiết (bôi trơn từ nhà, kín đáo với bụi lớn) | Cao (cần bôi trơn bất kỳ hoặc bôi trơn liên tục từ bên ngoài hệ thống) |
| Độ âm / Rung động | Thấp (có thể cao hơn 2Z một chút do ma sát) | Very low (làm ma sát) | Thấp |
| Giá thành | Cao nhất (làm khả năng làm kín tốt nhất) | Cao hơn loại khe | Thấp nhất |
| Ứng dụng điển hình | Thiết bị nông nghiệp, công nghiệp thực phẩm, băng tải bụi/ẩm, máy giết, thổi, quạt trong môi trường ẩm thực, nơi cần bảo vệ tối đa khỏi ô nhiễm nhiễm trùng nhiễm trùng và không yêu cầu khe hở đặc biệt cho giãn nhiệt/lắp ép chặt. | Động cơ điện, quạt tốc độ cao, máy công cụ, thiết bị văn phòng, nơi cần tốc độ cao, ma sát môi trường tương đối sạch Và không yêu cầu khe đặc biệt cho giãn nhiệt/lắp ép chặt. | Hộp số, ứng dụng có hệ thống bôi trơn riêng, môi trường sạch, tốc độ rất cao. |
9. Cách Phân Biệt Vòng Bi SKF 6302-2RSH Thật – Giả – Lờ Khuyên Từ Chuyên Gia Mecsu
Thị trường hiện nay có rất nhiều hàng giả, hàng giả chất lượng, đặc biệt là với các sản phẩm vòng bi SKF chính hãng được ưa chuộng. Để đảm bảo bạn mua được vòng bi SKF 6302-2RSH chính hãng tại TP.HCM, Mecsu khuyến nghị kiểm tra các dấu hiệu sau:
a. Dấu hiệu vòng bi SKF 6302-2RSH chính hãng:
- Bao bì chất lượng cao: Sắc nét, màu xanh đặc trưng của SKF, sản phẩm thông tin rõ ràng, đầy đủ mã vạch/QR code và thông tin xuất xứ. Bạn sẽ tìm thấy công nghệ trong từng chi tiết.
- In ấn trên vòng bi sắc nét: Logo SKF, mã sản phẩm (6302-2RSH) và nhà sản xuất quốc gia được in hoặc khắc laser sắc nét, rõ ràng, không lem, không sai phông chữ, rất khó bị tẩy xóa.
- Mã QR/Bar code xác thực: Có thể quét bằng ứng dụng “SKF Authenticate” trên điện thoại di động thông minh để xác thực nguồn gốc và tính chính hãng của sản phẩm. Đây là công cụ hữu ích nhất của SKF để chống hàng giả.
- Phớt cao su (2RSH) hoàn thiện: Các áp dụng được đặt chắc chắn, đồng đều ở cả hai phía, không có dấu hiệu cong, rách hoặc miễn trừ. Bề mặt nứt, không có ba thông qua, và tiếp theo đều có vòng trong. Phớt có diễn đàn hồi phục tốt và thường có chữ SKF nổi nổi hoặc chìm.
- Cảm giác vận động mượt mà: Khi quay vòng bi bằng tay, bạn sẽ cảm nhận được tốc độ mượt mà nhưng có một chút lực giảm làm xúc tiếp tiếp theo. Tuy nhiên, không có tiếng kêu lạ hoặc cảm giác giác giác.
- Chứng từ đầy đủ: Nhà cung cấp uy tín sẽ cung cấp đầy đủ “CO” (chứng nhận xuất xứ) và “CQ” (chứng nhận chất lượng) từ nhà sản xuất, đảm bảo nguồn gốc và chất lượng sản phẩm.
b. Dấu hiệu của vòng bi SKF 6302-2RSH hàng giả/nhái:
- In ấn mờ nhạt, sai chính tả, phông chữ lạ, thiếu thông tin hoặc không chính xác trên cả bao bì và vòng bi.
- Bao bì thô, màu trôi chuẩn SKF, thiếu thông tin quan trọng hoặc có dấu hiệu làm lại.
- Phớt cao su hoàn thiện, dễ bị biến đổi, có vết rách, nứt hoặc được làm từ vật liệu quý giá (ví dụ: quá cứng hoặc quá mềm, không đàn hồi). Có thể rút lại hoặc tiếp tục.
- Không có mã QR hoặc mã hóa không quét được hoặc quét ra thông tin không khớp với sản phẩm chính hãng.
- Khi quay tay có tiếng kêu lạo xạo, cảm giác giác giác, nặng hoặc độ yếu bất thường làm gia công chính xác và giàu chất lượng.
- Giá bán rẻ bất ngờ so với thị trường của các sản phẩm chính hãng – đây là dấu hiệu cảnh báo lớn nhất.

10. Giá Bán & Gợi Ý Mua Vòng Bi SKF 6302-2RSH Chính Hãng Tại TP.HCM
a. Giá vòng bi SKF 6302-2RSH (TP.Hồ Chí Minh) tại Mecsu: 92,729 đ/ Cái (đã có VAT) – Giá hợp lý, phù hợp với chất lượng sản phẩm chính hãng
Liên hệ để nhận báo giá tốt nhất (giá có thể thay đổi tùy thời điểm và số lượng) – Giá hợp lý, phù hợp với chất lượng sản phẩm chính hãng SKF tại thị trường vòng bi TP.HCM.
b. Gợi ý mua vòng bi chính hãng SKF uy tín
- Chọn nhà cung cấp uy tín tại TP.HCM: Ưu tiên đối tác có bằng chứng nhận từ SKF hoặc đơn vị lâu năm, được nhiều khách hàng tin tưởng và có danh tiếng trên thị trường cung cấp linh kiện cơ khí tại TP.HCM.
- Kiểm tra chứng từ đầy đủ: Luôn yêu cầu đầy đủ “CO” (chứng nhận xuất xứ) và “CQ” (chứng nhận chất lượng) để đảm bảo nguồn gốc và chất lượng của sản phẩm. Điều này giúp bạn tránh mua phải “vòng bi SKF giả” trên thị trường.
-
- 100% sản phẩm chính hãng: Đảm bảo nguồn gốc rõ ràng, đầy đủ chứng từ. Chúng tôi cam kết hoàn tiền 100% hoặc đổi trả nếu sản phẩm không phải của công ty chính thức.
- Chính sách bảo hành minh bạch: Hỗ trợ đổi trả nếu nhà sản xuất gặp lỗi, mang lại sự an tâm tuyệt đối cho khách hàng.
- Hỗ trợ kỹ thuật chuyên sâu: Đội ngũ kỹ sư giàu kinh nghiệm sẵn sàng hỗ trợ bạn về kỹ thuật và lựa chọn sản phẩm phù hợp nhất cho mọi ứng dụng.
- Giá cả cạnh tranh: Đảm bảo giá tốt nhất đi kèm chất lượng, với chính sách chiết khấu hấp dẫn cho đơn hàng số lượng lớn, đặc biệt khi “mua vòng bi SKF số lượng lớn”.
MUA THÊM NHIỀU LOẠI VÒNG BI CHÍNH HÃNG KHÁC TẠI MECSU
11. Câu hỏi thường gặp về Vòng Bi SKF 6302-2RSH
a. Vòng bi SKF 6302-2RSH có cần bảo dưỡng, tra mỡ không?
Vòng bi SKF 6302-2RSH được mua sẵn mỡ từ nhà máy và có hai phun cao su (2RSH) tiếp xúc, giúp giữ mỡ cực kỳ hiệu quả và bảo vệ khỏi bụi bẩn, nước, hơi ẩm. Trong hầu hết các ứng dụng thông thường, vòng bi này được xem là “bảo trì trọn đời” và không cần tái bôi trơn. Tuy nhiên, trong môi trường cực kỳ khắc nghiệt hoặc nhiệt độ rất cao/thấp liên tục, tuổi thọ mỡ có thể bị ảnh hưởng. Nếu có dấu hiệu bất ngờ, bạn nên kiểm tra.
b. Chữ “2RSH” trong mã SKF 6302-2RSH có ý nghĩa gì?
- Chữ “2RSH” chỉ vòng bi có hai xốp cao su (RSH – Contact Seal) tiếp tục căng với vòng trong cả hai mặt. Điều này mang lại khả năng làm kín chống bụi, nước và giữ mỡ bôi trơn tối đa.
c. Vòng bi SKF 6302-2RSH có phải là vòng bi chịu nhiệt không?
Vòng bi SKF 6302-2RSH có khe tiêu chuẩn (CN). Có tuyết cao su tiếp theo, giới hạn nhiệt độ hoạt động của nó thấp hơn một chút so với vòng bi hoặc có dây thép (2Z). Reớt cao su NBR thường có giới hạn nhiệt độ trong khoảng -40°C đến +100°C (hoặc lên đến loại tùy chọn 120°C). Đối với các ứng dụng nhiệt độ cực cao hoặc cần khe hở để bù đắp giãn nở nhiệt, bạn nên xem xét các loại vòng bi có khe hở C3, C4 hoặc vòng bi không nhô/nắp leo.
d. Làm sao biết vòng bi 6302-2RSH của tôi là hãng SKF chính hãng?

đ. Khi nào cần thay thế vòng bi 6302-2RSH?
Bạn nên thay thế vòng bi khi nhận được các dấu hiệu sau:
- Tiếng ồn bất thường: Tiếng kêu lạo xạo, rít, hoặc kêu khi vòng bi quay, báo hiệu bi hoặc rãnh bị mòn.
- Tăng nhiệt độ: Vòng bi tăng lên bất thường trong quá trình hoạt động, có thể làm tăng mỡ hoặc tải quá trình.
- Độ cao lớn: Thiết bị hoạt động có mức độ tăng lên đáng kể, ảnh hưởng đến hiệu suất và có thể gây nguy hiểm cho các bộ phận khác.
- Biến dạng vật lý: Phớt cao su bị biến dạng, chai cứng, rách, nứt, vòng bi bị mòn, móp hoặc có dấu hiệu hư hại nguy hiểm.
- Vòng bi bị khóa hoặc không được xóa.
Kinh nghiệm từ các kỹ sư Mecsu: Việc kiểm tra định kỳ bằng cách lắng nghe tiếng ồn hoặc cảm nhận mức độ rung có thể giúp phát hiện sớm các dấu hiệu cần thay thế, tránh nguy hại gây hại nghiêm trọng hơn cho toàn bộ hệ thống. Đừng ngần ngại liên hệ với chúng tôi để được hỗ trợ kỹ thuật về bảo trì vòng bi hoặc thay thế vòng bi.
f. Mua vòng bi SKF 6302-2RSH chính hãng, uy tín ở đâu tại TP.HCM?
- Cam kết chất lượng: 100% sản phẩm có nguồn gốc rõ ràng, đầy đủ chứng từ CO, CQ. Chúng tôi cam kết hoàn tiền 100% hoặc đổi trả nếu sản phẩm không phải của công ty chính thức.
- Giá cả cạnh tranh: Đảm bảo giá tốt nhất đi kèm chất lượng, với chính sách chiết khấu hấp dẫn cho đơn hàng số lượng lớn.
- Tư vấn chuyên sâu: Đội ngũ kỹ sư giàu kinh nghiệm sẵn sàng hỗ trợ bạn về kỹ thuật và lựa chọn sản phẩm phù hợp nhất.
- Chính sách hậu mãi: Đảm bảo quyền lợi tối đa cho khách hàng với dịch vụ hỗ trợ nhanh chóng, tận tâm.
MUA THÊM NHIỀU LOẠI VÒNG BI CHÍNH HÃNG KHÁC TAI MECSU
12. Liên Hệ và Hỗ Trợ Tư Vấn Vòng Bi SKF
Nếu bạn có bất kỳ thắc mắc nào về vòng bi SKF 6302-2RSH hoặc cần tư vấn về giải pháp vòng bi cho ứng dụng cụ thể của mình, đừng ngần ngại liên hệ với đội ngũ chuyên gia của Mecsu. Chúng tôi luôn sẵn sàng hỗ trợ bạn tìm ra sản phẩm phù hợp và tối ưu nhất, đồng thời cung cấp những kiến thức về kỹ thuật bảo trì vòng bi mà bạn khó tìm thấy ở những nơi khác.
Địa chỉ: B28/I – B29/I Đường số 2B, KCN Vĩnh Lộc, P. Bình Hưng Hòa B, Q. Bình Tân, TP.HCM
Đường dây nóng: 1800 8137
Email: [email protected]
Trang web: mecsu.vn
13. Thông Tin Bổ sung & Kinh nghiệm Thực Tế Từ Mecsu
a. Kinh nghiệm Thực Tế & Câu Chuyện Thành Công
Tại Mecsu, chúng tôi tự hào là đối tác đáng tin cậy của nhiều doanh nghiệp trong việc cung cấp các giải pháp chất lượng cao vòng vòng. “Vòng bi SKF 6302-2RSH”, với đặc tính làm kín vượt trội từ phun cao su và khe tiêu chuẩn, đã được ứng dụng trong nhiều dự án quan trọng của khách hàng chúng tôi tại “TP. Hồ Chí Minh” và các đèn lân cận, mang lại hiệu ứng vượt trội và là minh chứng cho chất lượng sản phẩm cùng kinh nghiệm thực tế của Đội ngũ Mecsu:
- Ngành nông nghiệp: Chúng tôi đã cung cấp “SKF 6302-2RSH” cho các máy móc nông nghiệp hoạt động trong môi trường đầy bụi bẩn và độ ẩm cao. Khả năng làm tối ưu của thoáng khí cao su đã giúp bảo vệ vòng khỏi các tác nhân gây hại, kéo dài tuổi thọ thiết bị đáng kể.
- Công nghiệp thực phẩm: Vòng bi này đã được ứng dụng trong các sản phẩm dây sản phẩm sản xuất thực phẩm, nơi cần ngăn chặn sự xâm nhập của nước, hóa chất tẩy rửa và các mảnh mảnh nhỏ. Khả năng làm kín vượt trội giúp duy trì bảo vệ sinh học và hiệu suất hoạt động.
- Hệ thống băng tải trong môi trường khắc nghiệt: SKF 6302-2RSH là lựa chọn lý tưởng cho băng tải vận chuyển vật liệu trong nhà máy xi măng, khai thác thác thác mỏ, nơi bụi và độ ẩm là vấn đề lớn. Vòng bi giúp đảm bảo hoạt động liên tục, giảm thiểu thời gian liên tục gây ra sự cố.
b. Trích Dẫn Chuyên Gia
“SKF 6302-2RSH” là lựa chọn hàng đầu cho các ứng dụng trong môi trường công nghiệp giải quyết, nơi yêu cầu khả năng làm kín tối đa chống lại Bụi bẩn, nước và các chất chất lượng. sự ổn định hoạt động trong ô điều kiện nhiễm sắc thể là hàng đầu.”
— “Kỹ sư cơ khí Chuyên gia kỹ thuật Mecsu” (TP. Hồ Chí Minh) – Với hơn 10 năm kinh nghiệm trong lĩnh vực “bạc đạn công nghiệp”.
c. Tài Liệu Tham Khảo và Nghiên Cứu
Nội dung bài viết này được biên soạn dựa trên các tài liệu kỹ thuật chính quy và đáng tin cậy của SKF , cùng với kinh nghiệm thực tế chuyên sâu của đội ngũ kỹ sư Mecsu, đảm bảo tính chính xác, cập nhật và chuyên môn môn môn cao:
- Danh mục sản phẩm SKF (Danh mục sản phẩm SKF chính thức) – Nguồn dữ liệu kỹ thuật chi tiết nhất về “vòng bi SKF”.
- Tài liệu kỹ thuật SKF Explorer – Vòng bi ngành sâu (Thông tin chuyên sâu về “vòng bi cầu sâu SKF Explorer”) – Cung cấp cái nhìn toàn diện về thế hệ vòng bi bền bỉ này.
- Bảng dữ liệu kỹ thuật (Datasheet) chi tiết của SKF 6302-2RSH – Nguồn thông số kỹ thuật chính xác.
- Trải nghiệm thực tế và phản hồi từ các dự án khách hàng của Mecsu – “Dữ liệu độc nhất” được thu thập từ hơn 10 năm cung cấp “linh kiện cơ khí” và “giải pháp vòng bi” cho doanh nghiệp tại Việt Nam.
Biên soạn bởi: Đội ngũ kỹ sư Mecsu
(Xem thêm thông tin về chúng tôi tại Website Mecsu )
Lưu ý: Hình ảnh sản phẩm có thể khác biệt so với sản phẩm thực tế của SKF. Vui lòng tham khảo thông số kỹ thuật chi tiết hoặc liên hệ Mecsu để có thông tin chính xác nhất về sản phẩm.

















Đánh giá
Chưa có đánh giá nào.