Mô tả sản phẩm
Thông tin CHUYÊN SÂU về Vòng Bi Cầu Rãnh Sâu SKF 6303-2Z/C3 (17x47x14) Nắp Thép (Hai Bên)
Mục Lục
- 1. Vòng Bi SKF 6303-2Z/C3 Là Gì? – Giải Thích Chuyên Sâu
- 2. Thông Số Kỹ Thuật Chi Tiết Của Vòng Bi Cầu SKF 6303-2Z/C3
- 3. Cấu hình chi tiết Vòng Bi SKF 6303-2Z/C3
- 4. Phân Tích Chuyên Sâu: Ký Hiệu 2Z/C3 của SKF 6303-2Z/C3
- 5. Ưu và nhược điểm của Vòng Bi SKF 6303-2Z/C3
- 6. Ứng dụng Thực Tế của Vòng Bi SKF 6303-2Z/C3
- 7. Hướng Dẫn Đặt và Tháo Tháo SKF 6303-2Z/C3
- 8. So Sánh Vòng Bi 6303-2Z/C3 with Các Loại 6303 Khác
- 9. Cách Phân Biệt Vòng Bi SKF 6303-2Z/C3 Thật – Giả – Lời Khuyên Từ Chuyên Gia Mecsu
- 10. Giá Bán & Moni Ý Mua Vòng Bi SKF 6303-2Z/C3 Chính Hãng Tại TP.HCM
- 11. Câu hỏi thường gặp về Vòng Bi SKF 6303-2Z/C3
- 12. Liên Hệ và Hỗ Trợ Tư Vấn Vòng Bi SKF
- 13. Thông Tin Bổ Sung & Kinh nghiệm Thực Tế Từ Mecsu
1. Vòng Bi SKF 6303-2Z/C3 Là Gì? – Giải Thích Chuyên Sâu
Vòng bi cầu rãnh sâu SKF 6303-2Z/C3 là một sản phẩm nổi bật của SKF, được thiết kế để mang lại hiệu suất cao và độ bền trong nhiều ứng dụng công nghiệp. Mã “6303” chỉ định kích thước cơ sở với đường kính trong (d) 17mm, đường kính ngoài (D) 47mm và chiều dày (B) 14mm.
- Điểm đặc biệt của sản phẩm này nằm ở hậu tố “-2Z”, cho biết vòng bi được trang bị hai sản phẩm thép (Shield) ở cả hai phía. Sản phẩm này được cố định ở vòng ngoài và tạo ra một khe nhỏ không tiếp tục căng thẳng ở vòng trong. Mục đích chính của chúng là bảo vệ vòng tròn khỏi bụi bẩn lớn và giữ mỡ bôi trơn bên trong, giúp giảm thiểu nguy hiểm và cho phép hoạt động vòng tròn ở tốc độ cao hơn.
- Ở rìa đó, hậu tố “/C3” chỉ định rằng vòng bi có chiều hướng lớn hơn tiêu chuẩn. Khe này đặc biệt hữu ích trong các ứng dụng có nhiệt độ hoạt động cao, nơi các bộ phận của vòng bi có thể nở ra do nhiệt, hoặc khi vòng bi được gắn với mức độ ép chặt. Sự kết hợp giữa sản phẩm thép không tiếp xúc 2Z và khe hở C3 giúp 6303-2Z/C3 trở thành lựa chọn lý tưởng cho các ứng dụng đòi hỏi khả năng hoạt động ở tốc độ cao, ma sát thấp và khả năng chịu đựng tốt các điều kiện nhiệt độ hoặc lắp đặt đặc biệt, trong môi trường tương thích sạch. Vòng bi này đã được lấy sẵn từ máy chủ.
2. Thông Số Kỹ Thuật Chi Tiết Của Vòng Bi Cầu SKF 6303-2Z/C3
d: Đường kính trong
D: Đường kính ngoài
B: Bề dày
C: Tải cơ sở dữ liệu danh sách
C0: Tải danh sách cơ sở dữ liệu tĩnh
Pu: Giới hạn tải mệt mỏi
| Thông số | Giá trị |
|---|---|
| Mã sản phẩm | 6303-2Z/C3 |
| Loại vòng bi | Vòng Bi Cầu Rãnh Sâu (Vòng Bi Rãnh Sâu) |
| Đường kính trong (d) | 17 mm |
| Đường kính ngoài (D) | 47 mm |
| Bề dày (B) | 14 mm |
| Tải cơ sở dữ liệu danh sách (C) | 14,3 kN |
| Tải quan trọng cơ sở dữ liệu danh sách (C0) | 6,55 kN |
| Tốc độ tham chiếu | 34 000 vòng/phút |
| Tốc độ giới hạn | 17 000 vòng/phút |
| Thế hệ khả năng làm việc cao của SKF | SKF Explorer |
| Rãnh tra bi | Không có |
| Số dòng | 1 |
| Phương tiện để định vị, vòng ngoài của vòng bi | Không có |
| Loại lỗ | Hình trụ |
| Vòng cách | Thép tấm (Sheet metal) |
| Kiểu gắn cặp | Không |
| Khe khe trong hướng kính | C3 |
| Vật liệu, vòng bi | Thép vòng bi |
| Lớp mạ | Không có |
| Phớt chắc | Nắp thép hai bên (2Z) |
| Loại Chắc Dầu | Không tiếp xúc (Không tiếp tục) |
| Tra mỡ sẵn chưa? | Có (Thường được tra mỡ sẵn từ nhà máy tuổi thọ hoạt động ban đầu) |
| Phương tiện để tái bôi trơn | Không có |
| Dấu vết carbon của sản phẩm được chỉ định để sản xuất | 0,403 kg CO2e |
| Trọng lượng sản phẩm | 0,112 kg |
| Mã eClass | 23-05-08-01 |
| Mã UNSPSC | 31171504 |
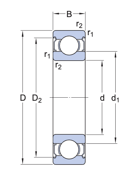
3. Cấu hình chi tiết Vòng Bi SKF 6303-2Z/C3
Vòng bi SKF 6303-2Z/C3 được cấu hình từ các bộ phận chính, mỗi bộ phận đóng vai trò quan trọng trong công việc đảm bảo hiệu suất hoạt động và độ bền:Sơ đồ cấu hình Vòng Bi Cầu Rãnh Sâu SKF 6303-2Z/C3 với dây thép hai đầu:
- Vòng trong/ngoài: Được chế tạo từ thép chịu lực cao, cùng với khu vực Yên tĩnh, chịu tải chính.
- Bi cầu: Sản phẩm sản xuất từ thép siêu chính xác và được xử lý nhiệt đặc biệt để giảm độ cứng, tăng cường độ cứng và độ bền.
- Vòng cách: Làm bằng thép mạnh, có chức năng giữ các thành viên đều nhau, đảm bảo vòng bi hành động nữ ái và ổn định.
- Mũ thép (2Z): Gắn chặt vào vòng ngoài, không tiếp tục căng với vòng trong. Mũ bảo hiểm có nhiệm vụ bảo vệ vòng khỏi bụi bẩn, các vật thể lạ và giữ mỡ bôi trơn bên trong. Thiết kế không tiếp tục giúp giảm thiểu mức tối thiểu, cho phép vòng bi đạt tốc độ quay cao.
4. Phân Tích Chuyên Sâu: Ký Hiệu 2Z/C3 của SKF 6303-2Z/C3
Để thực sự hiểu được giá trị của vòng bi SKF 6303-2Z/C3, việc phân tích sâu hơn về yếu tố thì chốt: “ký hiệu 2Z/C3” là rất quan trọng.
Ký hiệu “2Z” – Dây thép không tiếp xúc bên trong:
- Chức năng chính: Cung cấp khả năng bảo vệ tốt chống bụi bẩn và giữ hiệu ứng bôi trơn trong môi trường hoạt động. “2Z” chỉ ra rằng vòng bi có dây thép chắc chắn ở cả hai bên.
- Đặc điểm nổi bật: Là loại dây thép “không tiếp xúc” (Tấm leo tiếp xúc). Điều này có nghĩa là dây thép không gỉ vào vòng trong, tạo ra một khoảng thời gian nhỏ.
- Ưu điểm vượt trội:Dễ thương thiết kế không tiếp xúc, Sản phẩm quấn 2Z giảm thiểu ma sát, giúp vòng bi hoạt động ở tốc độ rất cao (tốc độ giới hạn 17 000 vòng/phút) và nhiệt sinh ít hơn so với các loại cường độ cao su tiếp theo. Nó lý tưởng cho các ứng dụng Yêu cầu hiệu suất cao và an toàn trong môi trường tương đối sạch.
- Chế độ: Khả năng làm kín của sản phẩm thép 2Z gần hơn so với trước cao su tiếp xúc (ví dụ 2RSH) trong công việc ngăn chặn bụi, nước hoặc hơi ẩm. Do đó, nó không phải là lựa chọn tối ưu cho môi trường ẩm ướt hoặc quá nhiều bụi.
Ký hiệu “/C3” – Khe hở hướng tâm trí lớn hơn tiêu chuẩn:
- Vòng bi 6303-2Z/C3 đi kèm với khe hở hướng tâm lớn hơn tiêu chuẩn (C3).
- Ý nghĩa: Khe C3 là một khoảng trống lớn hơn giữa các thành phần của vòng bi (bi, vòng trong, vòng ngoài). Điều này giúp ổn định hoạt động và tránh bị kẹt trong các điều kiện:
- Nhiệt độ cao: Khi nhiệt độ tăng lên, các loại thành phần kim của vòng bi nở ra. Khe cắm C3 đảm bảo không gian để giãn nở mà không gây ra ma sát quá trình hoặc làm kín vòng bi.
- Thiết lập với độ siết chặt: Trong một số ứng dụng, bi vòng có thể được lắp đặt với độ cứng lên xẹp hoặc hỗ trợ đệm. Khe hở C3 bồi đắp để giảm bớt khe hở do việc lắp đặt này.
Sự kết hợp giữa sản phẩm thép thép “2Z” và khe “C3” giúp SKF 6303-2Z/C3 trở thành một giải pháp tin cậy, lý tưởng cho các máy móc hoạt động trong môi trường tương đối sạch vòng, nơi tốc độ cao, ma sát cần thiết và khả năng chịu đựng tốt các điều kiện nhiệt độ cao hoặc lắp đặt cần khe hở.
5. Ưu và nhược điểm của Vòng Bi SKF 6303-2Z/C3
Vòng bi SKF 6303-2Z/C3 là loại phổ biến nhờ sự cân bằng giữa khả năng bảo vệ và hiệu suất. Tuy nhiên, yêu cầu về mức độ ưu tiên phải hiểu được mức độ ưu tiên của nó.
Ưu điểm nổi bật:
- Khả năng hoạt động ở tốc độ cao: Được thiết kế sản phẩm thép không tiếp xúc (2Z), giảm thiểu tối đa tối đa, cho phép vòng bi đạt tốc độ quay rất cao (tốc độ giới hạn 17 000 r/min).
- Ma sát thấp và nhiệt độ tối thiểu: Ít ma sát hơn so với vật liệu cao su tiếp xúc, giúp vòng sinh hoạt mát mẻ hơn và hiệu quả hoạt động cao hơn.
- Bảo vệ khỏi bụi bẩn lớn: Tấm thép hiệu quả trong việc ngăn chặn các hạt bụi lớn và vật thể lạ xâm nhập vào bên trong vòng bi, đồng thời giữ dầu bôi trơn.
- Khả năng chịu nhiệt tốt hơn nhờ C3: Khe hở C3 giúp vòng bi chịu đựng sự giãn nở nhiệt trong điều kiện hoạt động ở nhiệt độ cao hoặc khi ép chặt trong quá trình lắp đặt, giảm nguy cơ hạn chế vòng bi.
- Độ tin cậy cao từ thương hiệu hàng đầu: SKF là nhà sản xuất vòng bi hàng đầu thế giới, đảm bảo chất lượng và độ tin cậy vượt trội cho sản phẩm 6303-2Z/C3.
- Yêu cầu bảo trì thấp: Vòng bi được tra mỡ sẵn từ nhà máy và sản phẩm giúp giữ mỡ bôi trơn lâu hơn, giảm đáng kể như cầu bảo trì định kỳ nên với các loại vòng bihạn.
Nhược điểm cần lưu ý:
- Khả năng làm việc với bụi và chất thải được hạn chế: Mặc dù sản phẩm thép có thể được thải ra với số lượng lớn nhưng không hoàn toàn kín như khoảng trống cao su tiếp theo. Làm như vậy, nó không có tác dụng gì hơn trong việc ngăn chặn bụi, nước, hơi ẩm hoặc các chất độc xâm nhập.
- Không phù hợp môi trường quá khắc nghiệt: Trong môi trường cực kỳ ẩm ướt, nhiều bụi hoặc có chất hóa học, Sản phẩm thép chắc chắn không đủ bảo vệ, dẫn đến giảm tuổi thọ vòng bi.
- Không tái sinh bôi trơn: Vòng bi 2Z thường được bôi mỡ sẵn và không có lỗi để tái bôi trơn. Khi mỡ bên trong bị suy giảm chất lượng, vòng bi cần được thay thế.
6. Ứng dụng Thực Tế của Vòng Bi SKF 6303-2Z/C3
Với khả năng hoạt động ở tốc độ cao, ma sát thấp và khả năng chịu đựng giãn nhiệt C3, vòng bi SKF 6303-2Z/C3 là lựa chọn lý tưởng cho các ứng dụng trong môi trường tương đối sạch hoặc nơi cần tăng tốc độ quay cao, đồng thời cần bảo vệ vùng bụi lớn và chăm sóc mỡ bôi trơn:
- Động cơ điện: Rất phổ biến trong các động cơ điện, nơi cần tốc độ quay cao, tốc độ chậm và độ ồn thấp.
- Quạt công nghiệp và gia dụng: Các loại quạt thông gió, quạt làm mát, nơi vòng bi hoạt động ở tốc độ cao và cần giảm ma sát.
- Máy công cụ: Máy khoan, máy tiện, máy phay, nơi yêu cầu độ chính xác cao và tốc độ quay lớn.
- Thiết bị văn phòng: Máy in, máy photocopy, máy tính tiền, nơi cần hoạt động ái và ít bảo trì.
- Xe máy, xe đạp: Một số bộ phận trong động cơ xe máy hoặc trục bánh xe đạp.
- Thiết bị điện tử tiêu dùng: Các thiết bị có động cơ nhỏ, cần hiệu suất cao và tuổi thọ dài.
- Hộp giảm tốc, máy hút (trong môi trường khô ráo, ít bụi): Nơi cần giảm thiểu ma sát và duy trì hiệu suất.
7. Hướng Dẫn Đặt và Tháo Tháo SKF 6303-2Z/C3
Để đảm bảo tuổi thọ và hiệu suất tối ưu cho vòng bi SKF 6303-2Z/C3, việc lắp đặt và giải quyết cách loại bỏ đúng tiện ích là vô cùng quan trọng. luôn luôn thủ các nguyên tắc an toàn và kỹ thuật của các nhà sản xuất. Mecsu cung cấp hướng dẫn chi tiết dựa trên kinh nghiệm thực tế:
- Chuẩn bị: Đảm bảo môi trường làm việc sạch sẽ, khô ráo. Chuẩn bị đầy đủ các công cụ chuyên dụng như cảo, búa mềm, thiết bị gia nhiệt cảm ứng. Luôn đeo dây bảo vệ và kính bảo hộ để đảm bảo an toàn. Kiểm tra khí cụ và gối phải sạch sẽ, không có lỗ hổng và bảo đảm sai dung dịch. Lưu ý quan trọng: KHÔNG nắm dây thép 2Z vì vòng bi đã được cung cấp sẵn chất béo và việc nắm dây thép có thể làm hỏng hoặc ảnh hưởng đến khả năng bảo vệ của vòng bi. Khe hở C3 giúp việc lắp đặt bằng nhiệt hoặc ép chặt trở nên dễ dàng hơn.
- Lắp đặt:
- Phương pháp nhiệt (phổ biến nhất cho vòng bi lớn): Gia nhiệt vòng bi bằng thiết bị gia nhiệt chuyên dụng (ví dụ: máy gia nhiệt cảm ứng SKF) đến nhiệt độ khoảng 80-100°C (không vượt quá 120°C). Điều này giúp vòng nở ra, dễ trượt vào trục mà không cần dùng lực quá lớn. Luôn hoạt động đều đặn và tập trung lên vòng khi gắn vào xẹp xuống.
- Phương pháp cơ khí (dùng cho kích thước nhỏ hơn): Sử dụng ống lót chuyên dụng và búa mềm, tác dụng lực đều lên vòng khi lắp vào trục. Tuyệt đối tránh tác động trực tiếp lên Sản phẩm thép hoặc các sản phẩm bi có thể gây nguy hiểm cho mạng tính toán.
- Lưu ý: Đảm bảo vòng bi được gắn thẳng, không bị lệch hoặc kẹt.
- Gỡ bỏ:
- Sử dụng cả dụng cụ chuyên dụng (cảo cơ hoặc cả thủy lực) để xoay vòng một cách an toàn và không gây ra tình trạng gãy xương cho hoặc hỗ trợ gối. Tác dụng lực đều và đúng ở vòng trong (khi rút xẹp) hoặc vòng ngoài (khi rút gối).
- Tránh dùng đập trực tiếp lên các sinh vật học hoặc các bộ phận khác có thể gây ra các dạng biến đổi, hư hỏng. Việc này không chỉ làm hỏng vòng bi mà còn tiềm ẩn nguy hiểm.
- Người bảo vệ: Nếu không sử dụng ngay, hãy giữ vòng bi trong bao bì gốc của nhà sản xuất, ở nơi khô ráo, thoáng mát, tránh ánh nắng trực tiếp và các chất hóa học ăn mòn để ngăn chặn sét và bụi nguy hiểm xâm nhập.
8. So Sánh Vòng Bi 6303-2Z/C3 with Các Loại 6303 Khác
Việc hiểu rõ sự khác biệt giữa các loại vòng bi 6303 SKF sẽ giúp bạn lựa chọn sản phẩm phù hợp nhất cho ứng dụng của mình, tối ưu hóa hiệu suất và chi phí đầu tư. Bảng so sánh bên dưới tập tin khác biệt giữa các loại dây và khe hở:
| Tiêu chí | SKF 6303-2Z/C3 (2 Nắp thép, khe hở C3) | SKF 6303-2RSH/C3 (2 Rau cải su, khe hở C3) | SKF 6303 (Mở, không phun/nắp, khe hở CN) (Ước tính) |
|---|---|---|---|
| Chất liệu/Chắc chắn | Mũ thép (Shield) – 2 bên (Không tiếp xúc) | Phớt cao su (NBR) – 2 bên (Tiếp xúc) | Không có leo/nào (Mở) |
| Khả năng làm kín | Tốt (chắn bụi lớn, giữ mỡ, kém hơn loại sương cao su có chất độc) | Vượt trội (ngăn bụi, nước, giữ mỡ tối đa) | Siêu tiết kiệm (dễ bị bụi bẩn, mỡ máu) |
| Khe khe hướng kính | C3 (Lớn hơn tiêu chuẩn) | C3 (Lớn hơn tiêu chuẩn) | CN (Tiêu chuẩn) |
| Tốc độ quay tối đa | 17 000 vòng/phút ( Giới hạn), 34 000 vòng/phút (Tham khảo) | Khoảng 10 000 r/min ( Giới hạn, ước tính do ranh tiếp xúc), 34 000 r/min (Tham khảo) | Khoảng 20 000 r/min ( Giới hạn), 34 000 r/min (Tham khảo) |
| Khả năng chống ẩm/lỏng | Trung bình (số lượng lớn bụi) | Rất tốt | Rất kém |
| Nhu cầu bảo trì | Tinh khiết (bôi trơn từ nhà, kín đáo với bụi lớn) | Rất thấp (bôi trơn đời sống trong môi trường bình thường) | Cao (cần bôi trơn bất kỳ hoặc bôi trơn liên tục từ bên ngoài hệ thống) |
| Độ âm / Rung động | Very low (làm ma sát) | Thấp (có thể cao hơn 2Z một chút do ma sát) | Thấp |
| Giá thành | Cao hơn loại khe | Cao nhất (làm khả năng làm kín tốt nhất) | Thấp nhất |
| Ứng dụng điển hình | Động cơ điện, quạt tốc độ cao, máy công cụ, thiết bị văn phòng, nơi cần tốc độ cao, ma sát thấp, môi trường tương đối sạch Và có thể giãn nở nhiệt/lắp ép chặt. | Thiết bị nông nghiệp, công nghiệp thực phẩm, băng tải bụi/ẩm, máy giết, thổi, quạt trong môi trường ẩm thực, nơi cần bảo vệ tối đa khỏi ô nhiễm nhiễm HIV và có thể giãn nở nhiệt/lắp ép chặt, ngay cả khi tốc độ không quá cao. | Hộp số, ứng dụng có hệ thống bôi trơn riêng, môi trường sạch, tốc độ rất cao. |
9. Cách Phân Biệt Vòng Bi SKF 6303-2Z/C3 Thật – Giả Lời Khuyên Từ Chuyên Gia Mecsu
Thị trường hiện nay có rất nhiều hàng giả, hàng giả chất lượng, đặc biệt là với các sản phẩm vòng bi SKF chính hãng được ưa chuộng. Để đảm bảo bạn mua được vòng bi SKF 6303-2Z/C3 chính hãng tại TP.HCM, Mecsu khuyến nghị kiểm tra các dấu hiệu sau:
a. Dấu hiệu vòng bi SKF 6303-2Z/C3 chính hãng :
- Bao bì chất lượng cao: Sắc nét, màu xanh đặc trưng của SKF, sản phẩm thông tin rõ ràng, đầy đủ mã vạch/QR code và thông tin xuất xứ. Bạn sẽ tìm thấy công nghệ trong từng chi tiết.
- Trong vòng bi sắc nét: Logo SKF, sản phẩm mã hóa (6303-2Z/C3) và sản phẩm quốc gia được sản xuất hoặc khắc vết sắc nét bằng laser, rõ ràng, không lem, không sai phông chữ, rất khó bị tẩy xóa.
- Mã QR/Bar code xác thực: Có thể quét bằng ứng dụng “SKF Authenticate” trên điện thoại di động thông minh để xác thực nguồn gốc và tính chính hãng của sản phẩm. Đây là công cụ hữu ích nhất của SKF để chống hàng giả.
- Mũ bảo hiểm bằng thép (2Z) hoàn thiện: Các sản phẩm được gắn chắc chắn, đồng đều ở cả hai bên, không có dấu hiệu công hoặc bạch bạch. Bên cạnh sản phẩm quý, không có ba via và có khe hở đồng đều trong vòng.
- Cảm giác vận hành mượt mà: Khi quay vòng bi bằng tay, bạn sẽ cảm nhận được tốc độ mượt mà, trơn tru, không có tiếng kêu lạ hoặc cảm giác giác, làm ma sát nền của dây thép không tiếp xúc.
- Chứng từ đầy đủ: Nhà cung cấp uy tín sẽ cung cấp đầy đủ “CO” (chứng nhận xuất xứ) và “CQ” (chứng nhận chất lượng) từ nhà sản xuất, đảm bảo nguồn gốc và chất lượng sản phẩm.
b. Dấu hiệu của vòng bi SKF 6303-2Z/C3 hàng giả/nhái:
- In ấn mờ nhạt, sai chính tả, phông chữ lạ, thiếu thông tin hoặc không chính xác trên cả bao bì và vòng bi.
- Bao bì thô, màu trôi chuẩn SKF, thiếu thông tin quan trọng hoặc có dấu hiệu làm lại.
- Vỏ thép cường lực, dễ dàng biến đổi, có dấu hiệu sét sớm hoặc được sản xuất từ vật liệu giá rẻ. Khe giữa sản phẩm và vòng trong có thể không bằng nhau.
- Không có mã QR hoặc mã hóa không quét được hoặc quét ra thông tin không khớp với sản phẩm chính hãng.
- Khi quay tay có tiếng kêu lạo xạo, cảm giác giác, nặng hoặc độ rơi bất thường làm gia công chính xác.
- Giá bán rẻ bất ngờ so với thị trường của các sản phẩm chính hãng – đây là dấu hiệu cảnh báo lớn nhất.
Lời khuyên từ Mecsu: Để tránh rủi ro mua phải hàng giả, chất lượng an toàn, bạn nên chọn mua vòng bi SKF từ các nhà phân phối ủy quyền hoặc đại lý uy tín có bằng chứng nhận rõ ràng tại TP.HCM. Mecsu cam kết cung cấp sản phẩm chính hãng 100%.
10. Giá Bán & Gợi Ý Mua Vòng Bi SKF 6303-2Z/C3 Chính Hãng Tại TP.HCM
a. Giá vòng bi SKF 6303-2Z/C3 (TP.Hồ Chí Minh) tại Mecsu: 91,584 đ/ Cái (đã có VAT) – Giá hợp lý, phù hợp với chất lượng sản phẩm chính hãng
Liên hệ để nhận báo giá tốt nhất (giá có thể thay đổi tùy thời điểm và số lượng) – Giá hợp lý, phù hợp với chất lượng sản phẩm chính hãng SKF tại thị trường vòng bi TP.HCM.
b. Gợi ý mua vòng bi chính hãng SKF uy tín
- Chọn nhà cung cấp uy tín tại TP.HCM: Ưu tiên đối tác có bằng chứng nhận từ SKF hoặc đơn vị lâu năm, được nhiều khách hàng tin tưởng và có danh tiếng trên thị trường cung cấp linh kiện cơ khí tại TP.HCM.
- Kiểm tra chứng từ đầy đủ: Luôn yêu cầu đầy đủ “CO” (chứng nhận xuất xứ) và “CQ” (chứng nhận chất lượng) để đảm bảo nguồn gốc và chất lượng của sản phẩm. Điều này giúp bạn tránh mua phải “vòng bi SKF giả” trên thị trường.
- Mua tại Mecsu – Đại lý ủy quyền SKF tại Việt Nam: Mecsu tự hào là nhà phân phối chính hãng SKF tại Việt Nam, cam kết cung cấp “vòng bi SKF 6303-2Z/C3 chính hãng” và các loại “bạc đá SKF khác” với nhiều lợi ích vượt trội:
- 100% sản phẩm chính hãng: Đảm bảo nguồn gốc rõ ràng, đầy đủ chứng từ. Chúng tôi cam kết hoàn tiền 100% hoặc đổi trả nếu sản phẩm không thuộc loại công thức chính.
- Chính sách bảo hành minh bạch: Hỗ trợ đổi trả nếu nhà sản xuất gặp lỗi, mang lại sự an tâm tuyệt đối cho khách hàng.
- Hỗ trợ kỹ thuật chuyên sâu: Đội ngũ kỹ sư giàu kinh nghiệm sẵn sàng hỗ trợ bạn về kỹ thuật và lựa chọn sản phẩm phù hợp nhất cho mọi ứng dụng.
- Giá cả cạnh tranh: Đảm bảo giá tốt nhất đi kèm chất lượng, với chính sách chiết khấu hấp dẫn cho đơn hàng số lượng lớn, đặc biệt khi “mua vòng bi SKF số lượng lớn”.
MUA THÊM NHIỀU LOẠI VÒNG BI CHÍNH HÃNG KHÁC TẠI MECSU
11. Câu hỏi thường gặp về Vòng Bi SKF 6303-2Z/C3
a. Vòng bi SKF 6303-2Z/C3 có cần bảo dưỡng, tra mỡ không?
Vòng bi SKF 6303-2Z/C3 được mua sẵn từ nhà máy và có dây thép thép (2Z) không tiếp xúc. Trong hầu hết các ứng dụng thông thường, vòng bi này được xem là “bảo trì trọn đời” và không cần tái bôi trơn. Nắp chắn giúp giữ các loại mỡ hiệu quả khác trong môi trường tương đối sạch.
b. Chữ “2Z/C3” trong mã SKF 6303-2Z/C3 có ý nghĩa gì?
- Chữ “2Z” chỉ vòng có hai dây thép (Z – Shield) không tiếp tục căng với vòng ở cả hai phía. Điều này mang lại tốc độ cao và bảo vệ khỏi các bụi bẩn lớn.
- Chữ “/C3” chỉ định rằng vòng bi có chiều hướng lớn hơn chiều tiêu chuẩn (CN). Khe lớn hơn này giúp ổn định vòng bi hoạt động trong các điều kiện có nhiệt độ cao (khi vòng bi nở ra) hoặc khi được lắp đặt với độ ép chặt.
c. Vòng bi SKF 6303-2Z/C3 có phải là vòng bi chịu nhiệt không?
Vòng bi SKF 6303-2Z/C3 có khe hở C3 giúp đảm bảo sự giãn nở nhiệt. Nắp thép không bị ảnh hưởng bởi nhiệt độ như phun cao su, loại vòng bi này có thể hoạt động ở nhiệt độ cao hơn so với loại có xốp cao su. Tuy nhiên, giới hạn nhiệt độ chung của vòng bi vẫn phụ thuộc vào loại mỡ được sử dụng.
d. Làm sao biết vòng bi 6303-2Z/C3 của tôi là hãng SKF chính hãng?
Bạn nên mua từ nhà phân phối ủy quyền (như Mecsu), kiểm tra bao bì (logo, mã QR rõ ràng), vòng bi có khắc lazer sắc nét. Điều quan trọng nhất, hãy sử dụng ứng dụng SKF Authenticate để quét mã và kiểm tra trực tiếp từ SKF. Đây là cách chắc chắn nhất để phân biệt vòng bi SKF thật.
đ. Khi nào cần thay thế vòng bi 6303-2Z/C3?
Bạn nên thay thế vòng bi khi nhận được các dấu hiệu sau:
- Tiếng ồn bất thường: Tiếng kêu lạo xạo, rít, hoặc kêu khi vòng bi quay, báo hiệu bi hoặc rãnh bị mòn.
- Tăng nhiệt độ: Vòng bi tăng lên bất thường trong quá trình hoạt động, có thể làm tăng mỡ hoặc tải quá trình.
- Độ cao lớn: Thiết bị hoạt động có mức độ tăng lên đáng kể, ảnh hưởng đến hiệu suất và có thể gây nguy hiểm cho các bộ phận khác.
- Biến dạng vật lý: Nắp thép có dạng biến dạng, móp, vòng bi bị ăn mòn hoặc có dấu hiệu hư hại nguy hiểm.
- Vòng bi bị khóa hoặc không được xóa.
Kinh nghiệm từ các kỹ sư Mecsu: Việc kiểm tra định kỳ bằng cách lắng nghe tiếng ồn hoặc cảm nhận mức độ rung có thể giúp phát hiện sớm các dấu hiệu cần thay thế, tránh nguy hại gây hại nghiêm trọng hơn cho toàn bộ hệ thống. Đừng ngần ngại liên hệ với chúng tôi để được hỗ trợ kỹ thuật về bảo trì vòng bi hoặc thay thế vòng bi.
f. Mua vòng bi SKF 6303-2Z/C3 chính hãng, uy tín ở đâu tại TP.HCM?
Mua vòng bi SKF 6303-2Z/C3 chính hãng và đảm bảo chất lượng tại TP.HCM, bạn hãy liên hệ ngay với Mecsu. Chúng tôi tự hào là nhà cung cấp uy tín, chuyên phân phối các sản phẩm SKF chính hãng tại Việt Nam.
- Cam kết chất lượng: 100% sản phẩm có nguồn gốc rõ ràng, đầy đủ chứng từ CO, CQ. Chúng tôi cam kết hoàn tiền 100% hoặc đổi trả nếu sản phẩm không phải của công ty chính thức.
- Giá cả cạnh tranh: Đảm bảo giá tốt nhất đi kèm chất lượng, với chính sách chiết khấu hấp dẫn cho đơn hàng số lượng lớn.
- Tư vấn chuyên sâu: Đội ngũ kỹ sư giàu kinh nghiệm sẵn sàng hỗ trợ bạn về kỹ thuật và lựa chọn sản phẩm phù hợp nhất.
- Chính sách hậu mãi: Đảm bảo quyền lợi tối đa cho khách hàng với dịch vụ hỗ trợ nhanh chóng, tận tâm.
MUA THÊM NHIỀU LOẠI VÒNG BI CHÍNH HÃNG KHÁC TAI MECSU
12. Liên Hệ và Hỗ Trợ Tư Vấn Vòng Bi SKF
Nếu bạn có bất kỳ thắc mắc nào về vòng bi SKF 6303-2Z/C3 hoặc cần tư vấn về giải pháp vòng bi cho ứng dụng cụ thể của mình, đừng ngần ngại liên hệ với đội ngũ chuyên gia của Mecsu. Chúng tôi luôn sẵn sàng hỗ trợ bạn tìm ra sản phẩm phù hợp và tối ưu nhất, đồng thời cung cấp những kiến thức độc quyền về kỹ thuật bảo trì vòng bi mà bạn khó tìm thấy ở những nơi khác.
Địa chỉ: B28/I – B29/I Đường số 2B, KCN Vĩnh Lộc, P. Bình Hưng Hòa B, Q. Bình Tân, TP.HCM
Đường dây nóng: 1800 8137
Email: [email protected]
Trang web: mecsu.vn
13. Thông Tin Bổ sung & Kinh nghiệm Thực Tế Từ Mecsu
a. Kinh nghiệm Thực Tế & Câu Chuyện Thành Công
Tại Mecsu, chúng tôi tự hào là đối tác đáng tin cậy của nhiều doanh nghiệp trong việc cung cấp các giải pháp chất lượng cao vòng vòng. “Vòng bi SKF 6303-2Z/C3”, với đặc tính tốc độ cao, ma sát thấp và khe C3, đã được ứng dụng trong nhiều dự án quan trọng của khách hàng chúng tôi tại “TP. Hồ Chí Minh” và các tỉnh lân cận, mang lại hiệu ứng vượt trội và là chứng chỉ sản phẩm chất lượng cùng kinh nghiệm thực tế của Đội ngũ Mecsu:
- Ngành cơ khí: Chúng tôi đã cung cấp “SKF 6303-2Z/C3” cho các nhà sản xuất cơ khí, nơi yêu cầu hoạt động vòng bi ở tốc độ cao và độ thấp để tối ưu hóa hiệu suất và tuổi thọ.
- Công nghiệp tạo máy: Vòng bi này đã được ứng dụng trong các loại công cụ, thiết bị Yêu cầu độ chính xác cao và khả năng hoạt động liên tục với tốc độ lớn.
- Hệ thống quạt thông gió: SKF 6303-2Z/C3 là nguyên lý lựa chọn lý tưởng cho các hệ thống quạt công nghiệp, giúp giảm thiểu tiếng ồn và đảm bảo vận hành nàng ái, hiệu quả.
b. Trích Dẫn Chuyên Gia
“SKF 6303-2Z/C3″ là một lựa chọn tuyệt vời cho các ứng dụng cần tốc độ quay cao và an toàn trong môi trường tương đối. Nắp bảo vệ 2Z cung cấp khả năng bảo vệ khỏi bụi, đồng thời C3 đảm bảo hoạt động ổn định trong điều kiện tăng nhiệt độ cao hoặc khi cài đặt tốc độ ép chặt. Đây là kết quả giải pháp hiệu quả vòng bi, đáng tin cậy cho các sản phẩm sản phẩm sản xuất cơ điện, máy công cụ được sử dụng.”
— “Kỹ sư cơ khí Chuyên gia kỹ thuật Mecsu” (TP. Hồ Chí Minh) – Với hơn 10 năm kinh nghiệm trong lĩnh vực “bạc đạn công nghiệp”.
c. Tài Liệu Tham Khảo và Nghiên Cứu
Nội dung bài viết này được biên soạn dựa trên các tài liệu kỹ thuật chính quy và đáng tin cậy của SKF , cùng với kinh nghiệm thực tế chuyên sâu của đội ngũ kỹ sư Mecsu, đảm bảo tính chính xác, cập nhật và chuyên môn môn môn cao:
- Danh mục sản phẩm SKF (Danh mục sản phẩm SKF chính thức) – Nguồn dữ liệu kỹ thuật chi tiết nhất về “vòng bi SKF”.
- Tài liệu kỹ thuật SKF Explorer – Vòng bi ngành sâu (Thông tin chuyên sâu về “vòng bi cầu sâu SKF Explorer”) – Cung cấp cái nhìn toàn diện về thế hệ vòng bi bền bỉ này.
- Bảng dữ liệu kỹ thuật (Datasheet) chi tiết của SKF 6303-2Z/C3 – Nguồn thông số kỹ thuật chính xác.
- Trải nghiệm thực tế và phản hồi từ các dự án khách hàng của Mecsu – “Dữ liệu độc nhất” được thu thập từ hơn 10 năm cung cấp “linh kiện cơ khí” và “giải pháp vòng bi” cho doanh nghiệp tại Việt Nam.
Biên soạn bởi: Đội ngũ kỹ sư Mecsu
Với hơn 10 năm kinh nghiệm chuyên sâu trong lĩnh vực phân phối và tư vấn giải pháp vòng bi, đội ngũ kỹ sư của Mecsu cam kết mang đến những thông tin chính xác, cập nhật và hữu ích nhất, giúp quý khách hàng đưa ra loại sản phẩm tối ưu cho mọi ứng dụng.
(Xem thêm thông tin về chúng tôi tại Website Mecsu )
Lưu ý: Hình ảnh sản phẩm có thể khác biệt so với sản phẩm thực tế của SKF. Vui lòng tham khảo thông số kỹ thuật chi tiết hoặc liên hệ Mecsu để có thông tin chính xác nhất về sản phẩm.



















Đánh giá
Chưa có đánh giá nào.