Mô tả sản phẩm
Thông tin CHUYÊN SÂU về Vòng Bi Cầu Rãnh Sâu SKF 6304-2Z/C3 (20x52x15) Nắp Thép (Hai Bên)
Mục Lục
- 1. Vòng Bi SKF 6304-2Z/C3 Là Gì? – Giải Thích Chuyên Sâu
- 2. Thông Số Kỹ Thuật Chi Tiết Của Vòng Bi Cầu SKF 6304-2Z/C3
- 3. Cấu hình Chi Tiết Vòng Bi SKF 6304-2Z/C3
- 4. Phân Tích Chuyên Sâu: Ký Hiệu 2Z/C3 của SKF 6304-2Z/C3
- 5. Ưu và nhược điểm của Vòng Bi SKF 6304-2Z/C3
- 6. Ứng dụng Thực Tế của Vòng Bi SKF 6304-2Z/C3
- 7. Hướng Dẫn Đặt và Tháo Tháo SKF 6304-2Z/C3
- 8. So Sánh Vòng Bi 6304-2Z/C3 with Các Loại 6304 Khác
- 9. Cách Phân Biệt Vòng Bi SKF 6304-2Z/C3 Thật – Giả – Lời Khuyên Từ Chuyên Gia Mecsu
- 10. Giá Bán & Moni Ý Mua Vòng Bi SKF 6304-2Z/C3 Chính Hãng Tại TP.HCM
- 11. Câu hỏi thường gặp về Vòng Bi SKF 6304-2Z/C3
- 12. Liên Hệ và Hỗ Trợ Tư Vấn Vòng Bi SKF
- 13. Thông Tin Bổ Sung & Kinh nghiệm Thực Tế Từ Mecsu
1. Vòng Bi SKF 6304-2Z/C3 Là Gì? – Giải Thích Chuyên Sâu
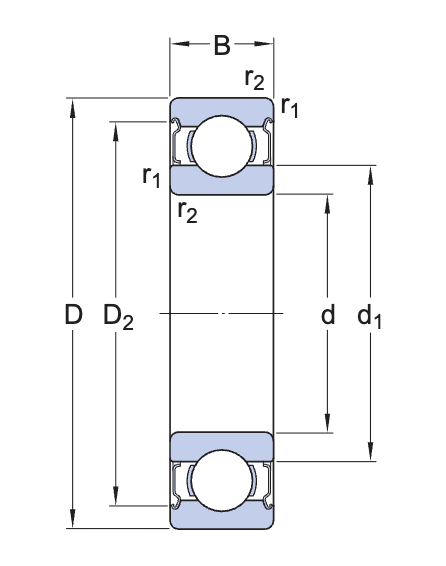
Vòng bi cầu rãnh sâu SKF 6304-2Z/C3 là một sản phẩm kỹ thuật cao cấp của SKF, kết hợp các đặc tính nổi bật của vòng kín và khe hở lớn hơn tiêu chuẩn để đáp ứng yêu cầu đệm của nhiều ứng dụng. Mã “6304” chỉ định kích thước cơ sở với đường kính trong (d) 20mm, đường kính ngoài (D) 52mm và chiều dày (B) 15mm.
Hậu tố “-2Z” là đặc điểm nổi bật, được biết đến với vòng bi được trang bị hai sản phẩm thép (khiên) ở cả hai phía. Các sản phẩm dây chuyền này không tiếp tục kết nối với vòng trong, tạo ra ma sát thấp và cho phép hoạt động vòng ở tốc độ cao. Chức năng chính của chúng là ngăn chặn bụi xâm nhập và giữ mỡ bôi trơn bên trong, kéo dài tuổi thọ sản phẩm trong môi trường tương đối sạch.
Ở rìa đó, hậu tố “/C3” chỉ định rằng vòng bi có chiều hướng lớn hơn tiêu chuẩn. Khe này đặc biệt hữu ích trong các ứng dụng có nhiệt độ hoạt động cao, nơi các bộ phận của vòng bi có thể nở ra do nhiệt, hoặc khi vòng bi được gắn với mức độ ép chặt. Sự kết hợp giữa sản phẩm thép 2Z và khe C3 giúp 6304-2Z/C3 trở thành lựa chọn tối ưu cho các ứng dụng Đòi hỏi sự cân bằng bằng cách bảo vệ khỏi bụi nước, tốc độ cao và khả năng chịu được điều kiện nhiệt độ hoặc lắp đặt đặc biệt. Vòng bi này đã được lấy sẵn từ máy chủ.
2. Thông Số Kỹ Thuật Chi Tiết Của Vòng Bi Cầu SKF 6304-2Z/C3
d: Đường kính trong
D: Đường kính ngoài
B: Bề dày
C: Tải cơ sở dữ liệu danh sách
C0: Tải danh sách cơ sở dữ liệu tĩnh
Pu: Giới hạn tải mệt mỏi
| Thông số | Giá trị |
|---|---|
| Mã sản phẩm | 6304-2Z/C3 |
| Loại vòng bi | Vòng Bi Cầu Rãnh Sâu (Vòng Bi Rãnh Sâu) |
| Đường kính trong (d) | 20 mm |
| Đường kính ngoài (D) | 52 mm |
| Bề dày (B) | 15 mm |
| Tải cơ sở dữ liệu danh sách (C) | 16,8 kN |
| Tải quan trọng cơ sở dữ liệu danh sách (C0) | 7,8 kN |
| Tốc độ tham chiếu | 30 000 vòng/phút |
| Tốc độ giới hạn | 15 000 vòng/phút |
| Thế hệ khả năng làm việc cao của SKF | SKF Explorer |
| Rãnh tra bi | Không có |
| Số dòng | 1 |
| Phương tiện để định vị, vòng ngoài của vòng bi | Không có |
| Loại lỗ | Hình trụ |
| Vòng cách | Thép tấm (Sheet metal) |
| Kiểu gắn cặp | Không |
| Khe khe trong hướng kính | C3 |
| Vật liệu, vòng bi | Thép vòng bi |
| Lớp mạ | Không có |
| Phớt chắc | Nắp thép hai bên (2Z) |
| Loại Chắc Dầu | Không tiếp xúc (Không tiếp tục) |
| Tra mỡ sẵn chưa? | Có (Thường được tra mỡ sẵn từ nhà máy tuổi thọ hoạt động ban đầu) |
| Phương tiện để tái bôi trơn | Không có |
| Dấu vết carbon của sản phẩm được chỉ định để sản xuất | 0,526 kg CO2e |
| Trọng lượng sản phẩm | 0,146 kg |
| Mã eClass | 23-05-08-01 |
| Mã UNSPSC | 31171504 |
3. Cấu hình Chi Tiết Vòng Bi SKF 6304-2Z/C3
Vòng bi SKF 6304-2Z/C3 được cấu hình từ các bộ phận chính, mỗi bộ phận đóng vai trò quan trọng trong công việc đảm bảo hiệu suất hoạt động và độ bền:
Sơ đồ cấu hình Vòng Bi Cầu Rãnh Sâu SKF 6304-2Z/C3 với dây thép hai đầu:
- Vòng trong/ngoài: Được chế tạo từ thép chịu lực cao, cùng với khu vực Yên tĩnh, chịu tải chính.
- Bi cầu: Sản phẩm sản xuất từ thép siêu chính xác và được xử lý nhiệt đặc biệt để giảm độ cứng, tăng cường độ cứng và độ bền.
- Vòng cách: Làm bằng thép mạnh, có chức năng giữ các thành viên đều nhau, đảm bảo vòng bi hành động nữ ái và ổn định.
- Mũ bảo vệ bằng thép (2Z): Gắn chặt vào vòng ngoài ở cả hai phía, có khe hở nhỏ không tiếp giáp với vòng trong. Bảo vệ này có nhiệm vụ ngăn chặn bụi xâm nhập và giữ mỡ bôi trơn bên trong, đặc biệt hiệu quả trong các ứng dụng cần tốc độ quay cao làm ma sát.
4. Phân Tích Chuyên Sâu: Ký Hiệu 2Z/C3 của SKF 6304-2Z/C3
Để thực sự hiểu được giá trị của vòng bi SKF 6304-2Z/C3, việc phân tích sâu hơn về yếu tố thì chốt: “ký hiệu 2Z/C3” là rất quan trọng.
Ký hiệu “2Z” – Dây thép không tiếp xúc bên trong:
- Chức năng chính: Bảo vệ vòng bi khỏi bụi bẩn lớn và các hạt vật chất từ môi trường bên ngoài, đồng thời giữ lại mỡ bôi trơn bên trong. “2Z” chỉ ra rằng vòng bi có dây thép được làm bằng thép (Z – Shield) ở cả hai bên.
- Đặc điểm nổi bật: Là loại sản phẩm “không tiếp xúc”. Điều này có nghĩa là có một khoảng trống nhỏ giữa dây và vòng trong.
- Ưu điểm vượt trội:Dễ thương thiết kế không tiếp xúc, sản phẩm cáp 2Z tạo ra ma sát cực kỳ thấp, cho phép vòng bi hoạt động ở tốc độ quay rất cao (tốc độ giới hạn tăng đến 15 000 vòng/phút, tốc độ tham chiếu 30 000 vòng/phút) và sinh nhiệt ít hơn đáng kể so với các loại có cao su tiếp theo. Đây là lựa chọn lý tưởng cho các ứng dụng yêu cầu hiệu suất cao và nhiệt độ hoạt động ổn định trong môi trường khô ráo, tương đối sạch.
- Chế độ: Mặc dù có tác dụng ngăn chặn bụi lớn và giữ mỡ, khả năng làm kín của sản phẩm thép 2Z gần hơn so với tường cao su (2RS1). Nó không có tác dụng với bụi, hơi ẩm hoặc chất lỏng, không phù hợp với môi trường ẩm hoặc quá thương mại.
Ký hiệu “/C3” – Khe hở hướng tâm trí lớn hơn tiêu chuẩn:
- Vòng bi 6304-2Z/C3 đi kèm với khe hở hướng tâm lớn hơn tiêu chuẩn (C3).
- Ý nghĩa: Khe C3 là một khoảng trống lớn hơn giữa các thành phần của vòng bi (bi, vòng trong, vòng ngoài). Điều này giúp ổn định hoạt động và tránh bị kẹt trong các điều kiện:
- Nhiệt độ cao: Khi nhiệt độ tăng lên, các loại thành phần kim của vòng bi nở ra. Khe cắm C3 đảm bảo không gian để giãn nở mà không gây ra ma sát quá trình hoặc làm kín vòng bi.
- Thiết lập với độ siết chặt: Trong một số ứng dụng, bi vòng có thể được lắp đặt với độ cứng lên xẹp hoặc hỗ trợ đệm. Khe hở C3 bồi đắp để giảm bớt khe hở do việc lắp đặt này.
Sự kết hợp giữa sản phẩm thép thép “2Z” và khe “C3” giúp SKF 6304-2Z/C3 trở thành một giải pháp bistrong, lý do cho các máy móc hoạt động ở tốc độ cao, trong môi trường tương đối sạch và khô ráo, đồng thời có khả năng chịu đựng tốt hơn các điều kiện nhiệt độ cao hoặc lắp đặt cần trí tưởng tượng.
5. Ưu và nhược điểm của Vòng Bi SKF 6304-2Z/C3
Vòng bi SKF 6304-2Z/C3 được sử dụng rộng rãi nhờ hiệu suất và độ bền vượt trội. Tuy nhiên, yêu cầu về mức độ ưu tiên phải hiểu được mức độ ưu tiên của nó.
Ưu điểm nổi bật:
- Tốc độ hoạt động cao: Nắp thép không tiếp xúc (2Z) tạo ra ma sát cực thấp, cho phép vòng bi hoạt động ở tốc độ tham chiếu lên đến 30 000 r/min và tốc độ giới hạn 15 000 r/min. Đây là ưu điểm vượt trội cho các ứng dụng đòi hiệu suất cao.
- Khả năng chịu nhiệt tốt hơn: Khe dừng C3 giúp vòng bi chịu đựng sự giãn nở nhiệt trong điều kiện hoạt động ở nhiệt độ cao hoặc khi có khả năng ép chặt trong quá trình gắn đặt, giảm nguy cơ kiềm vòng bi.
- Tuổi thọ cao và bền bỉ vượt trội: Thuộc thế hệ “SKF Explorer”, 6304-2Z/C3 mang lại hiệu suất làm việc bền bỉ và tuổi thọ kéo dài.
- Bảo vệ hiệu quả khỏi bụi bẩn lớn: Nắp thép giúp ngăn chặn các hạt bụi lớn, vật lạ xâm nhập vào bên trong vòng bi, bảo vệ mỡ bôi trơn và các bộ phận quan trọng.
- Độ tin cậy cao từ thương hiệu hàng đầu: SKF là nhà sản xuất vòng bi hàng đầu thế giới, đảm bảo chất lượng và độ tin cậy vượt trội cho sản phẩm 6304-2Z/C3.
- Yêu cầu bảo trì thấp: Vòng bi được tra mỡ sẵn từ nhà máy và Sản phẩm giúp giữ mỡ bôi trơn lâu hơn, giảm đáng kể như cầu bảo trì định kỳ kỳ kỳ so với các loại vòng bi giảm, tiết kiệm chi phí vận hành.
Nhược điểm cần lưu ý:
- Khả năng làm kín trong giới hạn: Nắp thép không tiếp tục có thể ngăn chặn bụi hoặc chất độc xâm nhập như nứt cao su (2RS1). Do đó, nó không phù hợp với môi trường ẩm ướt hoặc quá nhiều bụi.
- Không tái sinh bôi trơn: Vòng bi 2Z thường được bôi mỡ sẵn và không có lỗi để tái bôi trơn. Khi mỡ bên trong bị suy giảm chất lượng, vòng bi cần được thay thế.
- Giá thành: Mức giá của vòng bi SKF 6304-2Z/C3 có thể cao hơn so với vòng bi cùng kích thước không có dây thép hoặc từ các thương hiệu nổi tiếng nổi tiếng. Tuy nhiên, đây là sản phẩm đầu tư xứng đáng cho độ bền và hiệu suất dài hạn trong các ứng dụng tốc độ cao.
6. Ứng dụng Thực Tế của Vòng Bi SKF 6304-2Z/C3
Với kích thước nhỏ gọn, khả năng chịu tải tốt và đặc biệt là khả năng hoạt động ở tốc độ cao cùng với việc bảo vệ khỏi bụi bẩn và khe hở C3, vòng bi SKF 6304-2Z/C3 được ứng dụng rộng rãi trong nhiều lĩnh vực công nghiệp và dân dụng tại TP. Hồ Chí Minh và các khu công nghiệp lân cận, đặc biệt là những nơi yêu cầu tốc độ quay cao, môi trường tương đối sạch và có khả năng phát sinh nhiệt hoặc gắn chặt:
- Động cơ điện: Rất phổ biến trong các loại động cơ điện từ nhỏ đến trung bình, nơi cần tốc độ quay cao, ma sát thấp và hoạt động ái tình, đặc biệt là các động cơ hoạt động ở nhiệt độ cao hơn.
- Quạt công nghiệp và máy thổi: Đảm bảo hiệu suất cao và tắm trong hệ thống thông gió, quạt công nghiệp nơi có nhiệt độ tăng tốc.
- Máy công cụ: Máy khoan, máy mài, máy cắt tốc độ cao, nơi cần độ chính xác và ma sát, và khả năng chịu nhiệt độ tốt.
- Thiết bị văn phòng: Máy in, máy photocopy, máy tính tiền, nơi hoạt động tốc độ cao và môi trường tương đối sạch.
- Thiết bị gia dụng: Máy giặt, máy hút bụi, nơi cần hoạt động bền bỉ và tốc độ cao nhất trong điều kiện nhiệt độ ổn định.
- Hộp số nhỏ và bộ truyền động: Hệ thống truyền thông trong điều kiện tương đối sạch, đặc biệt khi có tốc độ ép chặt hoặc phát nhiệt.
- Máy dệt: Các máy móc trong ngành dệt có thể cần tốc độ cao và hoạt động liên tục.
7. Hướng Dẫn Đặt và Tháo Tháo SKF 6304-2Z/C3
Để đảm bảo tuổi thọ và hiệu suất tối ưu cho vòng bi SKF 6304-2Z/C3, việc lắp đặt và giải quyết cách loại bỏ đúng tiện ích là vô cùng quan trọng. luôn luôn thủ các nguyên tắc an toàn và kỹ thuật của các nhà sản xuất. Mecsu cung cấp hướng dẫn chi tiết dựa trên kinh nghiệm thực tế:
- Chuẩn bị: Đảm bảo môi trường làm việc sạch sẽ, khô ráo, không có bụi bẩn. Chuẩn bị đầy đủ các công cụ chuyên dụng như cảo, búa mềm, thiết bị gia nhiệt cảm ứng. Luôn đeo dây bảo vệ và kính bảo hộ để đảm bảo an toàn. Kiểm tra khí cụ và gối phải sạch sẽ, không có lỗ hổng và bảo đảm sai dung dịch. Lưu ý quan trọng: KHÔNG nắm dây thép 2Z vì vòng bi đã được cung cấp sẵn chất béo và việc nắm dây thép có thể làm hỏng hoặc ảnh hưởng đến khả năng bảo vệ của vòng bi. Khe hở C3 giúp việc lắp đặt bằng nhiệt hoặc ép chặt trở nên dễ dàng hơn.
- Lắp đặt:
- Phương pháp nhiệt (phổ biến nhất cho vòng bi lớn): Gia nhiệt vòng bi bằng thiết bị gia nhiệt chuyên dụng (ví dụ: máy gia nhiệt cảm ứng SKF) đến nhiệt độ khoảng 80-100°C (không vượt quá 120°C). Điều này giúp vòng nở ra, dễ trượt vào trục mà không cần dùng lực quá lớn. Luôn hoạt động đều đặn và tập trung lên vòng khi gắn vào xẹp xuống.
- Phương pháp cơ khí (dùng cho kích thước nhỏ hơn): Sử dụng ống lót chuyên dụng và búa mềm, tác dụng lực đều lên vòng khi lắp vào trục. Tuyệt đối tránh tác động trực tiếp lên Sản phẩm thép hoặc các sản phẩm bi có thể gây nguy hiểm cho mạng tính toán.
- Lưu ý: Đảm bảo vòng bi được gắn thẳng, không bị lệch hoặc kẹt.
- Gỡ bỏ:
- Sử dụng dụng cụ hỗ trợ chuyên nghiệp (cảo cơ hoặc cả thủy lực) để xoay vòng một cách an toàn và không gây ra tình trạng khung xương cho hoặc gối hỗ trợ. Tác dụng lực đều và đúng ở vòng trong (khi rút xẹp) hoặc vòng ngoài (khi rút gối).
- Tránh dùng đập trực tiếp lên các sinh vật học hoặc các bộ phận khác có thể gây ra các dạng biến đổi, hư hỏng. Việc này không chỉ làm hỏng vòng bi mà còn tiềm ẩn nguy hiểm.
- Người bảo vệ: Nếu không sử dụng ngay, hãy giữ vòng bi trong bao bì gốc của nhà sản xuất, ở nơi khô ráo, thoáng mát, tránh ánh nắng trực tiếp và các chất hóa học ăn mòn để ngăn chặn sét và bụi nguy hiểm xâm nhập.
8. So Sánh Vòng Bi 6304-2Z/C3 with Các Loại 6304 Khác
Việc hiểu rõ sự khác biệt giữa các loại vòng bi 6304 SKF sẽ giúp bạn lựa chọn sản phẩm phù hợp nhất cho ứng dụng của mình, tối ưu hóa hiệu suất và chi phí đầu tư:
| Tiêu chí | SKF 6304-2Z/C3 (2 Nắp thép, khe hở C3) | SKF 6304-Z (Nắp thép 1 đầu, khe hở CN) (Ước tính) | SKF 6304 (Mở, không phun/nắp, khe hở CN) (Ước tính) |
|---|---|---|---|
| Chất liệu/Chắc chắn | Thép dập (Shield) – 2 bên | Thép dập (Shield) – 1 bên | Không có leo/nào (Mở) |
| Khả năng làm kín | Tốt (chắn bụi lớn, giữ ẩm, gần hơn loại sơn cao su với chất khoáng) – Sản phẩm cáp không tiếp xúc | Trung bình (chắn bụi lớn, giữ mỡ, gần hơn loại sơn cao su với chất khoáng) – Sản phẩm cáp không tiếp xúc | Siêu tiết kiệm (dễ bị bụi bẩn, mỡ máu) |
| Khe khe hướng kính | C3 (Lớn hơn tiêu chuẩn) | CN (Tiêu chuẩn) | CN (Tiêu chuẩn) |
| Tốc độ quay tối đa | 15 000 vòng/phút ( Giới hạn), 30 000 vòng/phút (Tham khảo) | Khoảng 14 000 r/min ( Giới hạn), 26 000 r/min (Tham khảo) | Khoảng 20 000 r/min ( Giới hạn), 30 000 r/min (Tham khảo) |
| Khả năng chống ẩm/lỏng | Trung bình (số lượng lớn) | Trung bình | Rất kém |
| Nhu cầu bảo trì | Tinh khiết (bôi trơn từ nhà, kín đáo với bụi lớn) | Trung bình (có thể cần tra mỡ bất kỳ tùy chọn ứng dụng nào) | Cao (cần bôi trơn bất kỳ hoặc bôi trơn liên tục từ bên ngoài hệ thống) |
| Độ âm / Rung động | Very low (làm ma sát) | Thấp | Thấp |
| Giá thành | Cao hơn loại hoặc 1Z | Trung bình | Thấp nhất |
| Ứng dụng điển hình | Động cơ điện, quạt tốc độ cao, máy công cụ, thiết bị văn phòng, nơi cần tốc độ cao, ma sát thấp, môi trường tương đối sạch Và có thể giãn nở nhiệt/lắp ép chặt. | Động cơ điện, quạt, máy móc cần tốc độ cao, môi trường có bụi khô, cần định hướng dây cáp. | Hộp số, ứng dụng có hệ thống bôi trơn riêng, môi trường sạch, tốc độ rất cao. |
9. Cách Phân Biệt Vòng Bi SKF 6304-2Z/C3 Thật – Giả Lời Khuyên Từ Chuyên Gia Mecsu
Thị trường hiện nay có rất nhiều hàng giả, hàng giả chất lượng, đặc biệt là với các sản phẩm vòng bi SKF chính hãng được ưa chuộng. Để đảm bảo bạn mua được vòng bi SKF 6304-2Z/C3 chính hãng tại TP.HCM, Mecsu khuyến nghị kiểm tra các dấu hiệu sau:
a. Dấu hiệu vòng bi SKF 6304-2Z/C3 chính hãng:
- Bao bì chất lượng cao: Sắc nét, màu xanh đặc trưng của SKF, sản phẩm thông tin rõ ràng, đầy đủ mã vạch/QR code và thông tin xuất xứ. Bạn sẽ tìm thấy công nghệ trong từng chi tiết.
- In ấn trên vòng bi sắc nét: Logo SKF, sản phẩm mã hóa hóa (6304-2Z/C3) và quốc gia sản xuất được in hoặc khắc vết vết sắc nét bằng laser, xóa, không lem, không sai phông chữ, rất khó bị tẩy xóa.
- Mã QR/Bar code xác thực: Có thể quét bằng ứng dụng “SKF Authenticate” trên điện thoại di động thông minh để xác thực nguồn gốc và tính chính hãng của sản phẩm. Đây là công cụ hữu ích nhất của SKF để chống hàng giả.
- Mũ thép (2Z) hoàn thiện: Các sản phẩm được gắn chắc chắn, đồng đều ở cả hai bên, không có dấu hiệu cong, rách hoặc miễn phí. Các mặt thô, khe giữa sản phẩm và vòng đều.
- Cảm giác giác giác giác vận động mượt mà: Khi quay vòng bi bằng tay, bạn sẽ cảm nhận được tốc độ mượt mà cao và rất ít ma sát, không có tiếng kêu lạ. Điều này là thiết kế không tiếp theo của dây leo.
- Chứng từ đầy đủ: Nhà cung cấp uy tín sẽ cung cấp đầy đủ “CO” (chứng nhận xuất xứ) và “CQ” (chứng nhận chất lượng) từ nhà sản xuất, đảm bảo nguồn gốc và chất lượng sản phẩm.
b. Dấu hiệu của vòng bi SKF 6304-2Z/C3 hàng giả/nhái:
- In ấn mờ nhạt, sai chính tả, phông chữ lạ, thiếu thông tin hoặc không chính xác trên cả bao bì và vòng bi.
- Bao bì thô, màu trôi chuẩn SKF, thiếu thông tin quan trọng hoặc có dấu hiệu làm lại.
- Vỏ thép chắc chắn, dễ biến đổi, có dấu hiệu rách, nứt hoặc được làm từ vật liệu giá rẻ. Khoảng cách giữa sản phẩm và vòng trong có thể không đều hoặc quá lớn.
- Không có mã QR hoặc mã hóa không quét được hoặc quét ra thông tin không khớp với sản phẩm chính hãng.
- Khi quay tay có tiếng kêu lạo xạo, cảm giác giác, nặng hoặc độ rơi bất thường làm gia công chính xác.
- Giá bán rẻ bất ngờ so với thị trường của các sản phẩm chính hãng – đây là dấu hiệu cảnh báo lớn nhất.

10. Giá Bán & Gợi Ý Mua Vòng Bi SKF 6304-2Z/C3 Chính Hãng Tại TP.HCM
a. Giá vòng bi SKF 6304-2Z/C3 (TP.Hồ Chí Minh) tại Mecsu:105,322 đ/ Cái (đã có VAT) – Giá hợp lý, phù hợp với chất lượng sản phẩm chính hãng
Liên hệ để nhận báo giá tốt nhất (giá có thể thay đổi tùy thời điểm và số lượng) – Giá hợp lý, phù hợp với chất lượng sản phẩm chính hãng SKF tại thị trường vòng bi TP.HCM.
b. Gợi ý mua vòng bi chính hãng SKF uy tín
- Chọn nhà cung cấp uy tín tại TP.HCM: Ưu tiên đối tác có bằng chứng nhận từ SKF hoặc đơn vị lâu năm, được nhiều khách hàng tin tưởng và có danh tiếng trên thị trường cung cấp linh kiện cơ khí tại TP.HCM.
- Kiểm tra chứng từ đầy đủ: Luôn yêu cầu đầy đủ “CO” (chứng nhận xuất xứ) và “CQ” (chứng nhận chất lượng) để đảm bảo nguồn gốc và chất lượng của sản phẩm. Điều này giúp bạn tránh mua phải “vòng bi SKF giả” trên thị trường.
-
- 100% sản phẩm chính hãng: Đảm bảo nguồn gốc rõ ràng, đầy đủ chứng từ. Chúng tôi cam kết hoàn tiền 100% hoặc đổi trả nếu sản phẩm không phải của công ty chính thức.
- Chính sách bảo hành minh bạch: Hỗ trợ đổi trả nếu nhà sản xuất gặp lỗi, mang lại sự an tâm tuyệt đối cho khách hàng.
- Hỗ trợ kỹ thuật chuyên sâu: Đội ngũ kỹ sư giàu kinh nghiệm sẵn sàng hỗ trợ bạn về kỹ thuật và lựa chọn sản phẩm phù hợp nhất cho mọi ứng dụng.
- Giá cả cạnh tranh: Đảm bảo giá tốt nhất đi kèm chất lượng, với chính sách chiết khấu hấp dẫn cho đơn hàng số lượng lớn, đặc biệt khi “mua vòng bi SKF số lượng lớn”.
MUA THÊM NHIỀU LOẠI VÒNG BI CHÍNH HÃNG KHÁC TẠI MECSU
11. Câu hỏi thường gặp về Vòng Bi SKF 6304-2Z/C3
a. Vòng bi SKF 6304-2Z/C3 có cần bảo dưỡng, tra mỡ không?
Vòng bi SKF 6304-2Z/C3 được sản xuất mỡ sẵn từ nhà máy và có dây thép thép (2Z) không tiếp xúc, giúp giữ hiệu quả mỡ và bảo vệ khỏi bụi bẩn lớn. Trong hầu hết các ứng dụng thông thường, vòng bi này được xem là “bảo trì trọn đời” và không cần tái bôi trơn. Tuy nhiên, trong môi trường cực kỳ khắc nghiệt hoặc nhiệt độ rất cao/thấp liên tục, tuổi thọ mỡ có thể bị ảnh hưởng. Nếu có dấu hiệu bất ngờ, bạn nên kiểm tra.
b. Chữ “2Z/C3” trong mã SKF 6304-2Z/C3 có ý nghĩa gì?
- Chữ “2Z” chỉ vòng bi có hai dây thép được làm bằng thép (Shield) ở cả hai phía, Dây cáp này không tiếp nối với vòng trong. Điều này mang lại ma sát, cho phép hoạt động vòng ở tốc độ rất cao và bảo vệ khỏi bụi bẩn lớn.
- Chữ “/C3” chỉ định rằng vòng bi có chiều hướng lớn hơn chiều tiêu chuẩn (CN). Khe lớn hơn này giúp ổn định vòng bi hoạt động trong các điều kiện có nhiệt độ cao (khi vòng bi nở ra) hoặc khi được lắp đặt với độ ép chặt.
c. Vòng bi SKF 6304-2Z/C3 có phải là vòng bi chịu nhiệt không?
Vòng bi SKF 6304-2Z/C3 với sản phẩm thép có khả năng chịu nhiệt độ cao hơn so với loại có chất dẻo cao su, vì không có vật liệu cao su chịu ảnh hưởng bởi nhiệt. Khe hở C3 cũng giúp giảm nguy cơ tắc vòng bi làm giãn nở nhiệt. Tuy nhiên, giới hạn nhiệt độ hoạt động vẫn phụ thuộc vào loại mỡ được tra sẵn bên trong. Mũ bảo hiểm giúp giảm nhiệt độ làm mát, nhưng đối với các ứng dụng yêu cầu nhiệt độ cực cao, bạn vẫn cần tham khảo các loại vòng bi chuyên dụng chịu nhiệt và mỡ bôi trơn phù hợp.
d. Làm sao biết vòng bi 6304-2Z/C3 của tôi là hãng SKF chính hãng?

đ. Khi nào cần thay thế vòng bi 6304-2Z/C3?
Bạn nên thay thế vòng bi khi nhận được các dấu hiệu sau:
- Tiếng ồn bất thường: Tiếng kêu lạo xạo, rít, hoặc kêu khi vòng bi quay, báo hiệu bi hoặc rãnh bị mòn.
- Tăng nhiệt độ: Vòng bi tăng lên bất thường trong quá trình hoạt động, có thể làm tăng mỡ hoặc tải quá trình.
- Độ cao lớn: Thiết bị hoạt động có mức độ tăng lên đáng kể, ảnh hưởng đến hiệu suất và có thể gây nguy hiểm cho các bộ phận khác.
- Biến dạng vật lý: Nắp chắn bị cong, rách, vòng bi bị ăn mòn, móp hoặc có dấu hiệu hư hại nguy hiểm.
- Vòng bi bị khóa hoặc không được xóa.
Kinh nghiệm từ các kỹ sư Mecsu: Việc kiểm tra định kỳ bằng cách lắng nghe tiếng ồn hoặc cảm nhận mức độ rung có thể giúp phát hiện sớm các dấu hiệu cần thay thế, tránh nguy hại gây hại nghiêm trọng hơn cho toàn bộ hệ thống. Đừng ngần ngại liên hệ với chúng tôi để được hỗ trợ kỹ thuật về bảo trì vòng bi hoặc thay thế vòng bi.
f. Mua vòng bi SKF 6304-2Z/C3 chính hãng, uy tín ở đâu tại TP.HCM?
- Cam kết chất lượng: 100% sản phẩm có nguồn gốc rõ ràng, đầy đủ chứng từ CO, CQ. Chúng tôi cam kết hoàn tiền 100% hoặc đổi trả nếu sản phẩm không phải của công ty chính thức.
- Giá cả cạnh tranh: Đảm bảo giá tốt nhất đi kèm chất lượng, với chính sách chiết khấu hấp dẫn cho đơn hàng số lượng lớn.
- Tư vấn chuyên sâu: Đội ngũ kỹ sư giàu kinh nghiệm sẵn sàng hỗ trợ bạn về kỹ thuật và lựa chọn sản phẩm phù hợp nhất.
- Chính sách hậu mãi: Đảm bảo quyền lợi tối đa cho khách hàng với dịch vụ hỗ trợ nhanh chóng, tận tâm.
12. Liên Hệ và Hỗ Trợ Tư Vấn Vòng Bi SKF
Nếu bạn có bất kỳ thắc mắc nào về vòng bi SKF 6304-2Z/C3 hoặc cần tư vấn về giải pháp vòng bi cho ứng dụng cụ thể của mình, đừng ngần ngại liên hệ với đội ngũ chuyên gia của Mecsu. Chúng tôi luôn sẵn sàng hỗ trợ bạn tìm ra sản phẩm phù hợp và tối ưu nhất, đồng thời cung cấp những kiến thức về kỹ thuật bảo trì vòng bi mà bạn khó tìm thấy ở những nơi khác.
Địa chỉ: B28/I – B29/I Đường số 2B, KCN Vĩnh Lộc, P. Bình Hưng Hòa B, Q. Bình Tân, TP.HCM
Đường dây nóng: 1800 8137
Email: [email protected]
Trang web: mecsu.vn
13. Thông Tin Bổ sung & Kinh nghiệm Thực Tế Từ Mecsu
a. Kinh nghiệm Thực Tế & Câu Chuyện Thành Công
Tại Mecsu, chúng tôi tự hào là đối tác đáng tin cậy của nhiều doanh nghiệp trong việc cung cấp các giải pháp chất lượng cao vòng vòng. “Vòng bi SKF 6304-2Z/C3”, với đặc tính tốc độ tốt, khả năng hoạt động ở tốc độ cao, bảo vệ khỏi bụi khô và khe hở C3, đã được ứng dụng trong nhiều dự phòng quan trọng của khách hàng chúng tôi tại “TP. Hồ Chí Minh” và các đèn lân cận, mang lại hiệu quả vượt trội và là minh chứng cho chất lượng sản phẩm cùng kinh nghiệm thực tế của đội ngũ Mecsu:
- Ngành sản xuất cơ khí: Chúng tôi đã cung cấp “SKF 6304-2Z/C3” cho các nhà sản xuất máy cơ điện nhỏ và trung bình, nơi cần tốc độ quay cao và khả năng hoạt động ổn định trong điều kiện nhiệt độ có thể tăng lên. Cung cấp sự kết hợp 2Z và C3, vòng bi này đã góp phần nâng cao hiệu suất và độ bền cho các cơ động.
- Lĩnh vực sản xuất quạt công nghiệp: SKF 6304-2Z/C3 được lựa chọn nhiều nhất cho các loại quạt công nghiệp yêu cầu hoạt động liên tục với tốc độ cao và nơi cần giảm ma sát. Khả năng bảo vệ bụi khô và khả năng giữ hiệu quả mỡ của “vòng bi chính hãng SKF” đã giúp kéo dài tuổi thọ quạt và giảm nhu cầu bảo trì.
- Thiết bị máy công cụ: Một khách hàng chuyên sản xuất máy công cụ đã ứng dụng “vòng bi 6304-2Z/C3” vào các bộ phận trục quay tốc độ cao. Khe C3 đặc biệt hữu ích khi vòng bi được gắn chặt hoặc khi máy hoạt động liên tục sinh nhiệt, đảm bảo độ chính xác và độ bền của máy.
b. Trích Dẫn Chuyên Gia
““SKF 6304-2Z/C3” là một giải pháp bảo vệ vòng bi linh hoạt, kết quả hiệu quả bảo vệ của sản phẩm thép với ích ích của khe C3. Nó lý tưởng cho các ứng dụng công nghiệp cần độ cao, nơi môi trường tương đối sạch và có thể giãn nhiệt hoặc yêu cầu đặt với tốc độ ép.máy công cụ, nơi ổn định dưới điều kiện nhiệt độ là tốt thì thời gian.”
— “Kỹ sư cơ khí Chuyên gia kỹ thuật Mecsu” (TP. Hồ Chí Minh) – Với hơn 10 năm kinh nghiệm trong lĩnh vực “bạc đạn công nghiệp”.
c. Tài Liệu Tham Khảo và Nghiên Cứu
Nội dung bài viết này được biên soạn dựa trên các tài liệu kỹ thuật chính quy và đáng tin cậy của SKF , cùng với kinh nghiệm thực tế chuyên sâu của đội ngũ kỹ sư Mecsu, đảm bảo tính chính xác, cập nhật và chuyên môn môn môn cao:
- Danh mục sản phẩm SKF (Danh mục sản phẩm SKF chính thức) – Nguồn dữ liệu kỹ thuật chi tiết nhất về “vòng bi SKF”.
- Tài liệu kỹ thuật SKF Explorer – Vòng bi ngành sâu (Thông tin chuyên sâu về “vòng bi cầu sâu SKF Explorer”) – Cung cấp cái nhìn toàn diện về thế hệ vòng bi bền bỉ này.
- Bảng dữ liệu kỹ thuật (Datasheet) chi tiết của SKF 6304-2Z/C3 – Nguồn thông số kỹ thuật chính xác.
- Trải nghiệm thực tế và phản hồi từ các dự án khách hàng của Mecsu – “Dữ liệu độc nhất” được thu thập từ hơn 10 năm cung cấp “linh kiện cơ khí” và “giải pháp vòng bi” cho doanh nghiệp tại Việt Nam.
Biên soạn bởi: Đội ngũ kỹ sư Mecsu
(Xem thêm thông tin về chúng tôi tại Website Mecsu )
Lưu ý: Hình ảnh sản phẩm có thể khác biệt so với sản phẩm thực tế của SKF. Vui lòng tham khảo thông số kỹ thuật chi tiết hoặc liên hệ Mecsu để có thông tin chính xác nhất về sản phẩm.


















Đánh giá
Chưa có đánh giá nào.