Mô tả sản phẩm
Thông tin CHUYÊN SÂU về Vòng Bi Cầu Rãnh Sâu SKF 6306-2Z/C4 (30x72x19) Nắp Thép (Hai Bên)
Mục Lục
- 1. Vòng Bi SKF 6306-2Z/C4 Là Gì? – Giải Thích Chuyên Sâu
- 2. Thông Số Kỹ Thuật Chi Tiết Của Vòng Bi Cầu SKF 6306-2Z/C4
- 3. Cấu hình Chi Tiết Vòng Bi SKF 6306-2Z/C4
- 4. Phân Tích Chuyên Sâu: Nắp Chắn 2Z và Khe Hở C4 của SKF 6306-2Z/C4
- 5. Ưu và nhược điểm của Vòng Bi SKF 6306-2Z/C4
- 6. Ứng dụng Thực Tế của Vòng Bi SKF 6306-2Z/C4
- 7. Hướng Dẫn Đặt và Tháo Tháo SKF 6306-2Z/C4
- 8. So Sánh Vòng Bi 6306-2Z/C4 với Các Loại 6306 Khác
- 9. Cách Phân Biệt Vòng Bi SKF 6306-2Z/C4 Thật – Giả – Lời Khuyên Từ Chuyên Gia Mecsu
- 10. Giá Bán & gợi Ý Mua Vòng Bi SKF 6306-2Z/C4 Chính Hãng Tại TP.HCM
- 11. Câu hỏi thường gặp về Vòng Bi SKF 6306-2Z/C4
- 12. Liên Hệ và Hỗ Trợ Tư Vấn Vòng Bi SKF
- 13. Thông Tin Bổ Sung & Kinh nghiệm Thực Tế Từ Mecsu
1. Vòng Bi SKF 6306-2Z/C4 Là Gì? – Giải Thích Chuyên Sâu
Vòng bi cầu rãnh sâu SKF 6306-2Z/C4 là một sản phẩm chất lượng cao của SKF, được thiết kế đặc biệt cho các ứng dụng Yêu cầu về độ tin cậy, hiệu suất và khả năng hoạt động trong điều kiện nhiệt độ hoặc tốc độ cao. Mã “6306” chỉ định kích thước cơ sở cho đường kính trong (d) 30mm, đường kính ngoài (D) 72mm và chiều dày (B) 19mm.
Hậu tố “-2Z” cho biết vòng bi được trang bị hai sản phẩm thép tấn công (khiên) ở cả hai phía. Các sản phẩm dây cáp này được cố định ở bên ngoài vòng và không kết nối với vòng trong hoặc bi, giúp giảm dây buộc và cho phép hoạt động vòng tròn ở tốc độ cao. Chức năng chính của chúng là bảo vệ các bộ phận bên trong bụi bẩn, chất bôi trơn lớn và giữ lại dầu bôi trơn hiệu quả, kéo dài thời gian sử dụng sản phẩm.
Đặc biệt, hậu tố “/C4” chỉ ra rằng vòng bi có chiều hướng lớn hơn so với tiêu chuẩn (CN). Khe hở C4 rất quan trọng trong các ứng dụng có nhiệt độ hoạt động cao, nơi giãn nở nhiệt của các máy chi tiết có thể làm giảm khe hở hoặc trong các ứng dụng yêu cầu độ chính xác cao lắp đặt cao.
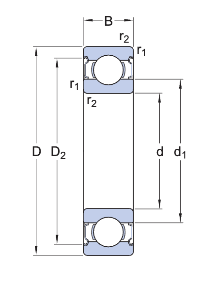
2. Thông Số Kỹ Thuật Chi Tiết Của Vòng Bi Cầu SKF 6306-2Z/C4
d: Đường kính trong
D: Đường kính ngoài
B: Bề dày
C: Tải danh sách cơ sở dữ liệu
C0: Tải tĩnh cơ sở dữ liệu danh sách
Pu: Giới hạn tải mệt mỏi
| Thông số | Giá trị |
|---|---|
| Mã sản phẩm | 6306-2Z/C4 |
| Loại vòng bi | Vòng Bi Cầu Rãnh Sâu (Vòng Bi Rãnh Sâu) |
| Đường kính trong (d) | 30 mm |
| Đường kính ngoài (D) | 72 mm |
| Bề dày (B) | 19 mm |
| Tải danh sách cơ sở dữ liệu (C) | 29,6 kN |
| Tải danh sách cơ sở dữ liệu quan trọng (C0) | 16 kN |
| Tốc độ tham chiếu | 20 000 vòng/phút |
| Tốc độ giới hạn | 11 000 vòng/phút |
| Thế hệ khả năng làm việc cao của SKF | SKF Explorer |
| Rãnh tra bi | Không có |
| Số dòng | 1 |
| Phương tiện để định vị, vòng ngoài của vòng bi | Không có |
| Loại lỗ | Hình trụ |
| Vòng cách | Thép tấm (Sheet metal) |
| Kiểu gắn cặp | Không |
| Khe khe trong hướng kính | C4 |
| Vật liệu, vòng bi | Thép vòng bi |
| Lớp mạ | Không có |
| Phớt chắc | Nắp đậy kim loại hai bên (2Z) |
| Loại Chắc Dầu | Không tiếp tục (Không tiếp tục) |
| Tra mỡ sẵn chưa? | Có (Thường được tra mỡ sẵn từ nhà máy tuổi thọ hoạt động ban đầu) |
| Phương tiện để tái bôi trơn | Không có |
| Dấu vết carbon của sản phẩm được chỉ định để sản xuất | 1,29 kg CO2e |
| Trọng lượng sản phẩm | 0,358 kg |
| Mã eClass | 23-05-08-01 |
| Mã UNSPSC | 31171504 |
3. Cấu hình Chi Tiết Vòng Bi SKF 6306-2Z/C4
Vòng bi SKF 6306-2Z/C4 được cấu hình từ các bộ phận chính, mỗi bộ phận đóng vai trò quan trọng trong công việc đảm bảo hiệu suất hoạt động và độ bền:
Sơ đồ tạo vòng Bi Cầu Rãnh Sâu SKF 6306-2Z/C4 với dây xích hai đầu:
- Vòng trong/ngoài: Được chế tạo từ thép chịu lực cao, cùng với khu vực Yên tĩnh, chịu tải chính.
- Bi cầu: Sản phẩm sản xuất từ thép siêu chính xác và được xử lý nhiệt đặc biệt để giảm độ cứng, tăng cường độ cứng và độ bền.
- Vòng cách: Làm bằng thép mạnh, có chức năng giữ các thành viên đều nhau, đảm bảo vòng bi hành động nữ ái và ổn định.
- Mũ bảo hiểm nguy hiểm bằng thép (2Z): Gắn chặt vào vòng ngoài bên trong, không tiếp tục căng thẳng với vòng trong, có nhiệm vụ ngăn chặn bụi gai xâm nhập và giữ mỡ bôi trơn bên trong, đồng thời cho phép vòng bi duy trì tốc độ quay cao.
4. Phân Tích Chuyên Sâu: Nắp Chắn 2Z và Khe Hở C4 của SKF 6306-2Z/C4
Để thực sự hiểu được giá trị của vòng bi SKF 6306-2Z/C4, việc phân tích sâu hơn về yếu tố thì chốt: “ký hiệu “2Z” và “C4” là rất quan trọng.
Ký hiệu “2Z” – Dây thép không tiếp xúc bên trong:
- Chức năng chính: Thanh chắn có kích thước lớn và bôi trơn tối ưu từ cả hai phía. “2Z” chỉ ra rằng vòng bi có dây thép ở bên phải.
- Đặc điểm nổi bật: Là loại sản phẩm “không tiếp xúc”. Điều này có nghĩa là vượt rào vào vòng trong hoặc bi, giúp giảm thiểu ma sát đáng kể.
- Ưu điểm vượt trội:tuyến ma sát thấp và khả năng kiểm tra kép, vòng bi 6306-2Z/C4 có thể hoạt động ở “ốc độ quay cao” mà không bị nóng quá mức hoặc tiêu hao năng lượng nhiều, đồng thời bảo vệ tốt hơn ngoài môi trường bên ngoài nên loại có 1 lượng (Z) hoặc loại trừ. Điều này làm cho nó lý tưởng cho các ứng dụng Yêu cầu hiệu suất cao như động cơ điện, quạt công nghiệp trong môi trường khô khan, ít bụi.
- Chế độ: Mặc dù hiệu quả với bụi lớn, khả năng làm kín của sản phẩm 2Z gần hơn so với cao su (2RSH) khi đối mặt với siêu mịn, hơi ẩm hoặc môi trường rửa trôi mạnh.
Ký hiệu “/C4” – Khe hở hướng tâm trí lớn hơn tiêu chuẩn:
- Chức năng chính: Cung cấp khe hở bên trong lớn hơn so với tiêu chuẩn (CN).
- Ưu điểm vượt trội:
- ưu cho nhiệt độ cao: Khi vòng bi hoạt động ở nhiệt độ cao, các chi tiết (vòng trong, vòng ngoài, bi) sẽ giãn nở tối ưu. Khe hở C4 bồi đắp cho sự giãn nở này, giúp vòng bi không bị kẹt, giảm nguy cơ sinh nhiệt quá trình và kéo dài tuổi thọ.
- Thiết lập với độ siết chặt: Trong một số ứng dụng, vòng bi cần phải được gắn với mức độ ép chặt nhất định lên trục hoặc hỗ trợ trong gối. Khe C4 đảm bảo rằng ngay sau khi lắp ép, vòng bi vẫn duy trì đủ khe hở hành động cần thiết, tránh tình trạng bị bó chặt.
- Giảm tiếng ồn và rung động: Với khe hở phù hợp, vòng bi có thể hoạt động cô ái hơn, giảm rung động, đặc biệt quan trọng trong các ứng dụng Yêu cầu độ chính xác cao.
- Chế độ: Nếu không có yêu cầu đặc biệt về nhiệt độ hoặc độ ép chặt, việc sử dụng vòng bi C4 có thể dẫn đến việc khóa tốc độ lớn hơn, ảnh hưởng đến độ chính xác xác thực của trục xoay trong một số trường hợp.
Sự kết hợp giữa dây xích “2Z” và khe “C4” giúp SKF 6306-2Z/C4 trở thành một giải pháp vòng cực kỳ linh hoạt và đáng tin cậy cho các máy móc cần tốc độ cao, hoạt động trong môi trường có tốc độ tăng hoặc yêu cầu kết nối cao độ chính xác yêu cầu, đồng thời bảo vệ môi trường tối ưu bên ngoài và giảm thiểu nhu cầu bảo trì cho loại vòng bi mở.
5. Ưu và nhược điểm của Vòng Bi SKF 6306-2Z/C4
Vòng bi SKF 6306-2Z/C4 được sử dụng rộng rãi nhờ hiệu suất và độ bền vượt trội. Tuy nhiên, yêu cầu về mức độ ưu tiên phải hiểu được mức độ ưu tiên của nó.
Ưu điểm nổi bật:
- Tuổi thọ cao và độ bền vượt trội: Thuộc tính hệ thống “SKF Explorer”, 6306-2Z/C4 mang lại hiệu suất làm việc bền và tuổi thọ kéo dài, ngay cả trong điều kiện giải quyết. Đây là lợi thế cạnh tranh lớn so với các sản phẩm gốc chưa rõ nguồn gốc.
- Vận hành hành động giải quyết vấn đề và hiệu quả năng lượng ở tốc độ cao: Thiết kế sản phẩm thép (2Z) không tiếp tục căng thẳng giúp giảm ma sát tối đa, từ đó giới hạn chế độ nhiệt và tiết kiệm năng lượng, đặc biệt hiệu quả tốc độ cao (tốc độ giới hạn lên đến 11 000 vòng/phút).
- Khả năng chịu tải đa hướng: Có khả năng đảm bảo tốt cả tải trọng tâm hướng (tải trọng hướng tâm) và hướng xọc xọc (tải xọc trục) theo cả hai chiều, mang lại sự linh hoạt trong thiết kế máy móc.
- Bảo vệ toàn diện khỏi chất chứa: Hai sản phẩm thép chắc chắn (2Z) cung cấp khả năng bảo vệ tốt chống lại bụi bẩn và các chất chứa lớn từ cả hai phía, giữ cho môi trường bên trong vòng bi sạch sẽ.
- Ưu tiên ứng dụng nhiệt độ cao hoặc gắn chặt: Khe hở hướng tâm C4 giúp vòng bi hoạt động ổn định và duy trì khe vận hành Tối ưu cần thiết ngay cả khi giãn nở nhiệt hoặc khi lắp đặt với mức độ ép chặt. Điều này giải quyết tình trạng tắc nghẽn bi và kéo dài tuổi thọ.
- Độ tin cậy cao từ thương hiệu hàng đầu: SKF là nhà sản xuất vòng bi hàng đầu thế giới, đảm bảo chất lượng và độ tin cậy vượt trội cho sản phẩm 6306-2Z/C4.
- Yêu cầu bảo trì thấp: Vòng bi được tra mỡ sẵn từ nhà máy và có sản phẩm giúp giữ mỡ bôi trơn lâu hơn, giảm đáng kể nhu cầu bảo trì định kỳ kỳ kỳ nào với các loại vòng bi giảm, tiết kiệm chi phí vận hành.
Nhược điểm cần lưu ý:
- Khả năng chống nước và hạt nhỏ: Vì vậy, với các loại có vòi cao su (ví dụ: 2RSH), khả năng chống nước và ngăn chặn bụi của Sản phẩm vách ngăn 2Z gần hơn. Điều này cần được xem xét kỹ lưỡng khi sử dụng trong môi trường ẩm ướt hoặc có nhiều hạt bụi siêu nhỏ.
- Không tái sinh bôi trơn: Vòng bi 2Z thường được bôi mỡ sẵn và không có lỗi để tái bôi trơn. Khi mỡ bên trong bị suy giảm chất lượng, vòng bi cần được thay thế.
- Giá thành: Mức giá của vòng bi SKF 6306-2Z/C4 có thể cao hơn so với vòng bi cùng kích thước không có dây thép hoặc từ các thương hiệu nổi tiếng nổi tiếng. Tuy nhiên, đây là sản phẩm đầu tư xứng đáng cho độ bền và hiệu suất dài hạn.
6. Ứng dụng Thực Tế của Vòng Bi SKF 6306-2Z/C4
Với kích thước tiêu chuẩn, khả năng chịu tải tốt, đặc tính hoạt động ở tốc độ cao và khe hở C4 đặc biệt, vòng bi SKF 6306-2Z/C4 được ứng dụng rộng rãi trong nhiều lĩnh vực công nghiệp và dân dụng tại TP. Hồ Chí Minh và các khu công nghiệp lân cận, đặc biệt là những nơi yêu cầu tốc độ cao, khả năng hoạt động ở nhiệt độ tăng, bảo vệ tốt khỏi bụi khô và khả năng chịu nhiệt:
- Động cơ điện công vừa và nhỏ: Là đơn vị trí tưởng cho các động cơ hoạt động liên tục, Đòi hỏi sự ổn định, ít ma sát và có thể phát nhiệt.
- Truyền công nghiệp, quạt thông gió: Đảm bảo vận hành mượt mà cho hệ thống đèn và quạt trong nhà máy, khu công nghiệp, nơi có thể có sự giãn nở nhiệt.
- Máy công cụ, máy gia công gỗ: Chịu tải trọng và tốc độ cao trong quá trình gia công, cắt gọt, nơi nhiệt độ có thể tăng tốc độ thực hiện quá trình làm việc.
- Thiết bị truyền thông, số lượng: Đảm bảo hiệu quả truyền thông và giảm thiểu tối thiểu lỗi, duy trì hiệu suất, đặc biệt khi có thay đổi nhiệt độ.
- Máy phát điện: Duy trì hoạt động ổn định và tin cậy cho các tổ máy phát điện, nơi tăng nhiệt độ thường xuyên.
- Ứng dụng trong ngành nông nghiệp và xây dựng (máy móc nhỏ): Phù hợp cho các thiết bị cần thiết bền bỉ và khả năng chống bụi tốt, hoạt động trong môi trường khô và có thể chịu nhiệt.
- Băng tải và hệ thống vận chuyển: Đảm bảo bảo trì hoạt động trơn tru cho các băng tải, hệ thống vận chuyển vật liệu trong các nhà sản xuất, đặc biệt là nơi có bụi và cần hoạt động bền bỉ, có thể tăng tốc độ.
7. Hướng Dẫn Đặt và Tháo Tháo SKF 6306-2Z/C4
Để đảm bảo tuổi thọ và hiệu suất tối ưu cho vòng bi SKF 6306-2Z/C4, việc lắp đặt và giải quyết cách loại bỏ tiện ích phù hợp là vô cùng quan trọng. luôn thủ tục các nguyên tắc an toàn và kỹ thuật của các nhà sản xuất. Mecsu cung cấp hướng dẫn chi tiết dựa trên kinh nghiệm thực tế:
- Chuẩn bị: Đảm bảo môi trường làm việc sạch sẽ, khô ráo, không có bụi bẩn. Chuẩn bị đầy đủ các công cụ chuyên dụng như cảo, búa mềm, thiết bị gia nhiệt cảm ứng. Luôn đeo dây bảo vệ và kính bảo hộ để đảm bảo an toàn. Kiểm tra dụng cụ và gối phải sạch sẽ, không có lỗ hổng và bảo đảm sai dịch vụ. Lưu ý quan trọng: KHÔNG nắm dây xích 2Z vì vòng bi đã được mua sẵn và lưu giữ sản phẩm có thể làm hỏng hoặc ảnh hưởng đến khả năng bảo vệ của vòng bi.
- Lắp đặt:
- Phương pháp nhiệt (phổ biến nhất cho vòng bi lớn): Gia nhiệt vòng bi bằng thiết bị gia nhiệt chuyên dụng (ví dụ: máy gia nhiệt cảm ứng SKF) đến nhiệt độ khoảng 80-100°C (không vượt quá 120°C). Điều này giúp vòng nở ra, dễ trượt vào trục mà không cần dùng lực quá lớn. Luôn hoạt động đều đặn và tập trung lên vòng khi gắn vào xẹp xuống.
- Phương pháp cơ khí (dùng cho kích thước nhỏ hơn): Sử dụng ống lót chuyên dụng và búa mềm, tác dụng lực đều lên vòng khi lắp vào trục. Tuyệt đối tránh hoạt động trực tiếp lên sản phẩm hoặc thành viên vì có thể gây nguy hiểm cho mạng tính toán.
- Lưu ý: Đảm bảo vòng bi được gắn thẳng, không bị lệch hoặc kẹt. Với khe hở C4, vòng bi này đặc biệt phù hợp cho công việc lắp đặt với độ chặt hoặc hỗ trợ gối, vì khe hở lớn hơn sẽ bù đắp cho sự giảm bớt khe hở trong quá trình gắn kết.
- Gỡ bỏ:
- Sử dụng dụng cụ hỗ trợ chuyên nghiệp (cảo cơ hoặc cả thủy lực) để xoay vòng một cách an toàn và không gây ra tình trạng khung xương cho hoặc gối hỗ trợ. Tác dụng lực đều và đúng ở vòng trong (khi rút xẹp) hoặc vòng ngoài (khi rút gối).
- Tránh dùng đập trực tiếp lên các sinh vật học hoặc các bộ phận khác có thể gây ra các dạng biến đổi, hư hỏng. Việc này không chỉ làm hỏng vòng bi mà còn tiềm ẩn nguy hiểm.
- Người bảo vệ: Nếu không sử dụng ngay, hãy giữ vòng bi trong bao bì gốc của nhà sản xuất, ở nơi khô ráo, thoáng mát, tránh ánh nắng trực tiếp và các chất hóa học ăn mòn để ngăn chặn sét và bụi nguy hiểm xâm nhập.
8. So Sánh Vòng Bi 6306-2Z/C4 với Các Loại 6306 Khác
Việc hiểu rõ sự khác biệt giữa các loại vòng bi 6306 SKF sẽ giúp bạn lựa chọn sản phẩm phù hợp nhất cho ứng dụng của mình, tối ưu hóa hiệu suất và chi phí đầu tư:
| Tiêu chí | SKF 6306-2Z/C4 (2 Nắp thép, khe hở C4) | SKF 6306-Z (Nắp thép 1 đầu, khe hở CN) | SKF 6306 (Mở, không phun/nắp, khe hở CN) |
|---|---|---|---|
| Chất liệu/Chắc chắn | Thép dập (Shield) – 2 bên | Thép dập (Shield) – 1 bên | No leo/bắp đặt |
| Khả năng làm kín | Rất tốt (chắn bụi lớn, giữ mỡ tối ưu) – Căng dây không tiếp xúc | Tốt (chắn bụi lớn, giữ ẩm, gần hơn loại sơn cao su với chất khoáng) – Sản phẩm cáp không tiếp xúc | Kém (dễ bị mủ, mủ) |
| Khe khe hướng kính | C4 (Lớn hơn CN, tối ưu cho nhiệt độ cao/lắp ép) | CN (Tiêu chuẩn) | CN (Tiêu chuẩn) |
| Tốc độ quay tối đa | 11 000 vòng/phút | 11 000 r/min (Tham khảo, có thể cao hơn loại 2Z/C4 một chút ít ma sát hơn nếu chỉ xét tốc độ lý thuyết của ) | 20 000 vòng/phút |
| Khả năng chống ẩm/lỏng | Trung bình (tốt hơn Z, nhưng kém hơn 2RSH) | Trung bình | Rất kém |
| Nhu cầu bảo trì | Rất thấp (bôi trơn sẵn từ nhà máy, kín đáo) | Trung bình (có thể cần tra mỡ bất kỳ tùy chọn ứng dụng nào) | Cao (cần bảo trì, tra mỡ định kỳ hoặc bôi trơn liên tục) |
| Độ âm / Rung động | Thấp | Thấp | Thấp |
| Giá thành | Cao nhất (làm 2 Tuyến và khe hở C4) | Trung bình | Thấp nhất |
| Ứng dụng điển hình | Động cơ điện, quạt, máy móc cần tốc độ cao, hoạt động ở nhiệt độ cao/có gắn chặt, môi trường khô ráo, cần bảo vệ hai bên và ít bảo trì. | Động cơ điện, quạt, máy móc cần tốc độ cao, môi trường có bụi khô, cần định hướng dây cáp. | Hộp số, ứng dụng có hệ thống bôi trơn riêng, môi trường sạch, nhiệt độ cao. |
9. Cách Phân Biệt Vòng Bi SKF 6306-2Z/C4 Thật – Giả Lờ Khuyên Từ Chuyên Gia Mecsu
Thị trường hiện nay có rất nhiều hàng giả, hàng giả chất lượng, đặc biệt là với các sản phẩm vòng bi SKF chính hãng được ưa chuộng. Để đảm bảo bạn mua được vòng bi SKF 6306-2Z/C4 chính hãng tại TP.HCM, Mecsu khuyến nghị kiểm tra các dấu hiệu sau:
a. Dấu hiệu vòng bi SKF 6306-2Z/C4 chính hãng:
- Bao bì chất lượng cao: Sắc nét, màu xanh đặc trưng của SKF, sản phẩm thông tin rõ ràng, đầy đủ mã vạch/QR code và thông tin xuất xứ. Bạn sẽ tìm thấy công nghệ trong từng chi tiết.
- In ấn trên vòng bi sắc nét: Logo SKF, sản phẩm mã hóa (6306-2Z/C4) và sản phẩm quốc gia được sản xuất hoặc khắc vết sắc nét bằng laser, rõ ràng, không lem, không sai phông chữ, rất khó bị tẩy xóa.
- Mã QR/Bar code xác thực: Có thể quét bằng ứng dụng “SKF Authenticate” trên điện thoại di động thông minh để xác thực nguồn gốc và tính chính hãng của sản phẩm. Đây là công cụ hữu ích nhất của SKF để chống hàng giả.
- Mũ thép (2Z) hoàn thiện: Các sản phẩm được gắn chắc chắn, đồng đều ở cả hai bên, không có dấu hiệu, rò rỉ hoặc dư thừa. Các mặt hàng có sẵn, không có dấu vết.
- Cảm giác vận động mượt mà: Khi quay vòng bi bằng tay, bạn sẽ cảm nhận được sự mượt mà, không có tiếng kêu lạ. Với khe hở C4, vòng bi có thể có giác giác giác giác giác hơn một chút, đối với loại CN khi chưa lắp đặt, đây là điều bình thường.
- Chứng từ đầy đủ: Nhà cung cấp uy tín sẽ cung cấp đầy đủ “CO” (chứng nhận xuất xứ) và “CQ” (chứng nhận chất lượng) từ nhà sản xuất, đảm bảo nguồn gốc và chất lượng sản phẩm.
b. Dấu hiệu của vòng bi SKF 6306-2Z/C4 hàng giả/nhái:
- In ấn mờ nhạt, sai chính tả, phông chữ lạ, thiếu thông tin hoặc không chính xác trên cả bao bì và vòng bi.
- Bao bì thô, SKF màu trôi chuẩn, thiếu thông tin quan trọng hoặc có dấu hiệu làm lại.
- Mũ thép khai thác, dễ biến đổi, có dấu hiệu hoặc được làm từ vật liệu giá rẻ.
- Không có mã QR hoặc mã hóa không quét được hoặc quét ra thông tin không khớp với sản phẩm chính hãng.
- Khi quay tay có tiếng kêu lạ xạ, cảm giác giác giác, nặng hoặc khe quá lớn (rơ) bất thường do gia công gần chính xác hoặc sai tiêu chuẩn C4.
- Giá bán rẻ không được mong đợi so với thị trường của các sản phẩm chính hãng – đây là dấu hiệu cảnh báo lớn nhất.

10. Giá Bán & Gợi Ý Mua Vòng Bi SKF 6306-2Z/C4 Chính Hãng Tại TP.HCM
a. Giá vòng bi SKF 6306-2Z/C4 (TP.Hồ Chí Minh) tại Mecsu: 242,698 đ/ Cái (đã có VAT) – Giá hợp lý, phù hợp với chất lượng sản phẩm chính hãng
Liên hệ để nhận báo giá tốt nhất (giá có thể thay đổi tùy thời điểm và số lượng) – Giá hợp lý, phù hợp với chất lượng sản phẩm chính hãng SKF tại thị trường vòng bi TP.HCM.
b. Gợi ý mua vòng bi chính hãng SKF uy tín
- Chọn nhà cung cấp uy tín tại TP.HCM: Ưu tiên đối tác có chứng nhận từ SKF hoặc đơn vị lâu năm, được nhiều khách hàng tin tưởng và có danh tiếng trên thị trường cung cấp linh kiện cơ khí tại TP.HCM.
- Kiểm tra chứng từ đầy đủ: Luôn yêu cầu đầy đủ “CO” (chứng nhận xuất xứ) và “CQ” (chứng nhận chất lượng) để đảm bảo nguồn gốc và chất lượng sản phẩm. Điều này giúp bạn tránh mua phải “vòng bi SKF giả” trên thị trường.
-
- 100% sản phẩm chính hãng: Đảm bảo nguồn gốc rõ ràng, đầy đủ chứng từ. Chúng tôi cam kết hoàn tiền 100% hoặc đổi trả nếu sản phẩm không phải chính hãng.
- Chính sách bảo hành minh bạch: Hỗ trợ đổi trả nếu có lỗi từ nhà sản xuất, mang lại sự an tâm tuyệt đối cho khách hàng.
- Hỗ trợ kỹ thuật chuyên sâu: Đội ngũ kỹ sư giàu kinh nghiệm sẵn sàng hỗ trợ bạn về kỹ thuật và lựa chọn sản phẩm phù hợp nhất cho mọi ứng dụng.
- Giá cả cạnh tranh: Đảm bảo mức giá tốt nhất đi kèm chất lượng, với chính sách chiết khấu hấp dẫn cho đơn hàng số lượng lớn, đặc biệt khi “mua vòng bi SKF số lượng lớn”.
MUA THÊM NHIỀU LOẠI VÒNG BI CHÍNH HÃNG KHÁC TẠI MECSU
11. FAQ về Vòng Bi SKF 6306-2Z/C4
a. Vòng bi SKF 6306-2Z/C4 có cần bảo dưỡng, tra mỡ không?
Vòng bi SKF 6306-2Z/C4 được tra mỡ sẵn từ nhà máy và có hai nắp chắn thép (2Z) kín đáo, giúp giữ mỡ hiệu quả và bảo vệ khỏi bụi bẩn. Trong hầu hết các ứng dụng thông thường, vòng bi này được xem là “bảo trì trọn đời” (lubricated for life) và không cần tái bôi trơn. Tuy nhiên, trong môi trường cực kỳ khắc nghiệt hoặc nhiệt độ rất cao/thấp liên tục, tuổi thọ mỡ có thể bị ảnh hưởng. Nếu có dấu hiệu bất thường, bạn nên kiểm tra. Khe hở C4 cũng giúp vòng bi ổn định hơn ở nhiệt độ cao, giảm áp lực lên mỡ.
b. Chữ “2Z/C4” trong mã SKF 6306-2Z/C4 có ý nghĩa gì?
- Chữ “2Z” chỉ vòng bi có hai nắp chắn làm bằng thép dập ở cả hai phía, không tiếp xúc, giúp giảm ma sát và cho phép vòng bi hoạt động ở tốc độ cao.
- Chữ “/C4” chỉ vòng bi có khe hở hướng tâm lớn hơn tiêu chuẩn. Điều này rất phù hợp cho các ứng dụng có nhiệt độ hoạt động cao hoặc khi vòng bi được lắp đặt với độ ép chặt, giúp duy trì khe hở vận hành hiệu quả.
c. Vòng bi SKF 6306-2Z/C4 có phải là vòng bi chịu nhiệt không?
Với khe hở C4, vòng bi SKF 6306-2Z/C4 được tối ưu hóa để hoạt động hiệu quả hơn trong các ứng dụng có nhiệt độ tăng lên hoặc có sự giãn nở nhiệt của trục/gối đỡ. Mặc dù nắp chắn 2Z có giới hạn nhiệt độ của mỡ bên trong (thường khoảng 120°C), khe hở C4 giúp vòng bi duy trì sự ổn định ở nhiệt độ cao hơn so với loại có khe hở tiêu chuẩn (CN).
d. Làm sao biết vòng bi 6306-2Z/C4 của tôi là hàng chính hãng SKF?
Kiểm tra bao bì (logo, mã QR rõ nét), vòng bi có khắc lazer sắc nét, quay mượt. Quan trọng nhất, hãy dùng ứng dụng SKF Authenticate để quét mã và kiểm tra trực tiếp từ SKF. Đây là cách chắc chắn nhất để phân biệt vòng bi SKF thật giả.
e. Khi nào cần thay thế vòng bi 6306-2Z/C4?
Bạn nên thay thế vòng bi khi nhận thấy các dấu hiệu sau:
- Tiếng ồn bất thường: Tiếng kêu lạo xạo, rít, hoặc gằn khi vòng bi quay, báo hiệu bi hoặc rãnh lăn bị mòn.
- Tăng nhiệt độ: Vòng bi nóng lên bất thường trong quá trình hoạt động, có thể do mỡ đã lão hóa hoặc tải trọng quá mức.
- Độ rung lớn: Thiết bị hoạt động có độ rung tăng lên đáng kể, ảnh hưởng đến hiệu suất và có thể gây hỏng hóc các bộ phận khác.
- Biến dạng vật lý: Nắp chắn bị cong vênh, vòng bi bị ăn mòn, móp méo hoặc có dấu hiệu hư hại rõ rệt.
- Vòng bi bị kẹt hoặc quay không trơn tru.
Kinh nghiệm từ các kỹ sư Mecsu: Việc kiểm tra định kỳ bằng cách lắng nghe tiếng ồn hoặc cảm nhận độ rung có thể giúp phát hiện sớm các dấu hiệu cần thay thế, tránh gây hư hại nghiêm trọng hơn cho toàn bộ hệ thống. Đừng ngần ngại liên hệ chúng tôi để được hỗ trợ kỹ thuật về bảo trì vòng bi hoặc thay thế vòng bi.
f. Mua vòng bi SKF 6306-2Z/C4 chính hãng, uy tín ở đâu tại TP.HCM?
- Cam kết chất lượng: 100% sản phẩm có nguồn gốc rõ ràng, đầy đủ chứng từ CO, CQ. Chúng tôi cam kết hoàn tiền 100% hoặc đổi trả nếu sản phẩm không phải chính hãng.
- Giá cả cạnh tranh: Đảm bảo mức giá tốt nhất đi kèm chất lượng, với chính sách chiết khấu hấp dẫn cho đơn hàng số lượng lớn.
- Tư vấn chuyên sâu: Đội ngũ kỹ sư giàu kinh nghiệm sẵn sàng hỗ trợ bạn về kỹ thuật và lựa chọn sản phẩm phù hợp nhất.
- Chính sách hậu mãi: Đảm bảo quyền lợi tối đa cho khách hàng với dịch vụ hỗ trợ nhanh chóng, tận tâm.
12. Liên Hệ và Hỗ Trợ Tư Vấn Mua Vòng Bi SKF
Nếu bạn có bất kỳ thắc mắc nào về vòng bi SKF 6306-2Z/C4 hoặc cần tư vấn về giải pháp vòng bi cho ứng dụng cụ thể của mình, đừng ngần ngại liên hệ với đội ngũ chuyên gia của Mecsu. Chúng tôi luôn sẵn lòng hỗ trợ bạn tìm ra sản phẩm phù hợp và tối ưu nhất, đồng thời cung cấp những kiến thức về kỹ thuật bảo trì vòng bi mà bạn khó tìm thấy ở nơi khác.
Địa chỉ: B28/I – B29/I Đường số 2B, KCN Vĩnh Lộc, P. Bình Hưng Hòa B, Q. Bình Tân, TP.HCM
Hotline: 1800 8137
Email: [email protected]
Website: mecsu.vn
13. Thông Tin Bổ Sung & Kinh Nghiệm Thực Tế Từ Mecsu
a. Kinh Nghiệm Thực Tế & Câu Chuyện Thành Công
Tại Mecsu, chúng tôi tự hào là đối tác tin cậy của nhiều doanh nghiệp trong việc cung cấp các giải pháp vòng bi chất lượng cao. “Vòng bi SKF 6306-2Z/C4”, với đặc tính chịu tải tốt, khả năng hoạt động ở tốc độ cao và tối ưu cho nhiệt độ, đã được ứng dụng trong nhiều dự án quan trọng của khách hàng chúng tôi tại “TP. Hồ Chí Minh” và các tỉnh lân cận, mang lại hiệu quả vượt trội và là minh chứng cho chất lượng sản phẩm cùng kinh nghiệm thực tế của đội ngũ Mecsu:
- Ngành sản xuất động cơ điện công suất lớn: Chúng tôi đã cung cấp “SKF 6306-2Z/C4” cho một nhà sản xuất động cơ điện lớn tại Bình Dương. Nhờ khe hở C4, vòng bi này duy trì hiệu suất ổn định ngay cả khi động cơ hoạt động ở nhiệt độ cao, giảm thiểu nguy cơ bó kẹt và kéo dài tuổi thọ động cơ.
- Lĩnh vực quạt công nghiệp và máy bơm nhiệt: SKF 6306-2Z/C4 được lựa chọn cho các ứng dụng có tốc độ quay cao và môi trường phát sinh nhiệt. Độ tin cậy vượt trội của “vòng bi SKF chính hãng” đã giúp thiết bị hoạt động ổn định trong thời gian dài, ngay cả trong điều kiện làm việc liên tục và tải nặng.
- Thiết bị chế biến gỗ và máy công cụ: Một khách hàng chuyên sản xuất máy chế biến gỗ đã ứng dụng “vòng bi 6306-2Z/C4” vào các bộ phận trục chính. Khả năng chống bụi hiệu quả của nắp chắn 2Z và khe hở C4 giúp vòng bi chịu được nhiệt độ tăng lên do ma sát và tốc độ cao, đảm bảo máy móc hoạt động ổn định và kéo dài tuổi thọ.
b. Trích Dẫn Chuyên Gia
““SKF 6306-2Z/C4” là một lựa chọn tuyệt vời cho các ứng dụng công nghiệp cần sự cân bằng hoàn hảo giữa khả năng chịu tải, tốc độ cao, và mức độ bảo vệ toàn diện khỏi bụi, đặc biệt trong môi trường nhiệt độ cao hoặc có yêu cầu về dung sai lắp đặt. Nắp chắn thép 2Z mang lại lợi thế về ma sát thấp hơn đáng kể so với phớt cao su, rất phù hợp cho những hệ thống mà tốc độ quay là yếu tố then chốt, đồng thời cung cấp khả năng bảo vệ kép cho vòng bi khỏi các tác nhân bên ngoài. Khe hở C4 là điểm cộng lớn cho sự ổn định nhiệt. Đây là giải pháp đáng tin cậy và hiệu quả cho nhiều loại máy móc trong môi trường công nghiệp.”
— “Kỹ sư cơ khí Chuyên gia kỹ thuật Mecsu” (TP. Hồ Chí Minh) – Với hơn 10 năm kinh nghiệm trong lĩnh vực “bạc đạn công nghiệp”.
c. Tài Liệu Tham Khảo và Nghiên Cứu
Nội dung bài viết này được biên soạn dựa trên các tài liệu kỹ thuật chính thức và đáng tin cậy từ SKF, cùng với kinh nghiệm thực tế chuyên sâu của đội ngũ kỹ sư Mecsu, đảm bảo tính chính xác, cập nhật và chuyên môn cao:
- SKF Product Catalog (Danh mục sản phẩm SKF chính thức) – Nguồn dữ liệu kỹ thuật chi tiết nhất về “vòng bi SKF”.
- Tài liệu kỹ thuật SKF Explorer – Deep Groove Ball Bearings (Thông tin chuyên sâu về “vòng bi cầu rãnh sâu SKF Explorer”) – Cung cấp cái nhìn toàn diện về thế hệ vòng bi bền bỉ này.
- Bảng dữ liệu kỹ thuật (Datasheet) chi tiết của SKF 6306-2Z/C4 – Nguồn thông số kỹ thuật chính xác.
- Trải nghiệm thực tế và phản hồi từ các dự án khách hàng của Mecsu – “Dữ liệu độc nhất” được thu thập từ hơn 10 năm cung cấp “linh kiện cơ khí” và “giải pháp vòng bi” cho doanh nghiệp tại Việt Nam.
Biên soạn bởi: Đội ngũ kỹ sư Mecsu
Với hơn 10 năm kinh nghiệm chuyên sâu trong lĩnh vực và tư vấn giải pháp vòng bi, đội ngũ kỹ sư của Mecsu cam kết mang đến những thông tin chính xác, cập nhật và hữu ích nhất, giúp quý khách hàng đưa ra loại sản phẩm tối ưu cho mọi ứng dụng.
(Xem thêm thông tin về chúng tôi tại Website Mecsu )
Lưu ý: Hình ảnh sản phẩm có thể khác biệt so với sản phẩm thực tế của SKF. Vui lòng tham khảo thông số kỹ thuật chi tiết hoặc liên hệ Mecsu để có thông tin chính xác nhất về sản phẩm.

















Đánh giá
Chưa có đánh giá nào.