Mô tả sản phẩm
Thông tin CHUYÊN SÂU về Vòng Bi Cầu Rãnh Sâu SKF 6310-2Z (50x110x27) Nắp Chắn Thép (Hai Bên)
Mục Lục
- 1. Vòng Bi SKF 6310-2Z Là Gì? – Giải Thích Chuyên Sâu
- 2. Thông Số Kỹ Thuật Chi Tiết Của Vòng Bi Cầu SKF 6310-2Z
- 3. Cấu hình chi tiết Vòng Bi SKF 6310-2Z
- 4. Phân Tích Chuyên Sâu: Nắp Chắn Thép 2Z của SKF 6310-2Z
- 5. Ưu và nhược điểm của Vòng Bi SKF 6310-2Z
- 6. Ứng dụng Thực Tế của Vòng Bi SKF 6310-2Z
- 7. Hướng Dẫn Đặt và Tháo Tháo SKF 6310-2Z
- 8. So Sánh Vòng Bi 6310-2Z với Các Loại 6310 Khác
- 9. Cách Phân Biệt Vòng Bi SKF 6310-2Z Thật – Giả – Lời Khuyên Từ Chuyên Gia Mecsu
- 10. Giá Bán & Mai Ý Mua Vòng Bi SKF 6310-2Z Chính Hãng Tại TP.HCM
- 11. Câu hỏi thường gặp về Vòng Bi SKF 6310-2Z
- 12. Liên Hệ và Hỗ Trợ Tư Vấn Vòng Bi SKF
- 13. Thông Tin Bổ Sung & Kinh nghiệm Thực Tế Từ Mecsu
1. Vòng Bi SKF 6310-2Z Là Gì? – Giải Thích Chuyên Sâu
Vòng bi cầu rãnh sâu SKF 6310-2Z là một loại vòng bi đa năng, được thiết kế để mang lại hiệu suất cao trong nhiều ứng dụng công nghiệp. Mã “6310” là tiêu chuẩn kích thước ký hiệu, với đường kính trong (d) là 50mm, đường kính ngoài (D) 110mm và chiều dày (B) 27mm.
Hậu tố “-2Z” chỉ ra rằng vòng bi này được trang bị dây thép hai dây không tiếp tục căng thẳng ở cả hai phía. Các sản phẩm này giúp bảo vệ vòng bi khỏi bụi bẩn và các hạt xâm nhập, đồng thời giữ lại dầu bôi trơn bên trong, kéo dài đáng kể tuổi thọ vòng bi. Nắp thép không tiếp xúc nên vẫn cho phép vòng bi đạt tốc độ cao. Vòng bi 6310-2Z có khe hở trong tiêu chuẩn hướng dẫn (CN), phù hợp cho hầu hết các ứng dụng thông thường.
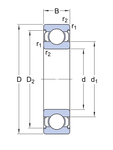
2. Thông Số Kỹ Thuật Chi Tiết Của Vòng Bi Cầu SKF 6310-2Z
d: Đường kính trong
D: Đường kính ngoài
B: Bề dày
C: Tải danh sách cơ sở dữ liệu
C0: Tải tĩnh cơ sở dữ liệu danh sách
Pu: Giới hạn tải mệt mỏi
| Thông số | Giá trị |
|---|---|
| Mã sản phẩm | 6310-2Z |
| Loại vòng bi | Vòng Bi Cầu Rãnh Sâu (Vòng Bi Rãnh Sâu) |
| Đường kính trong (d) | 50 mm |
| Đường kính ngoài (D) | 110 mm |
| Bề dày (B) | 27 mm |
| Tải danh sách cơ sở dữ liệu (C) | 65 kN |
| Tải danh sách cơ sở dữ liệu quan trọng (C0) | 38 kN |
| Giới hạn tải mệt mỏi (Pu) | Không có công cụ thông tin nào trong dữ liệu mới (cũ bài viết là 1,86 kN) |
| Tốc độ tham chiếu | 13 000 vòng/phút |
| Tốc độ giới hạn | 6 700 vòng/phút |
| Thế hệ khả năng làm việc cao của SKF | SKF Explorer |
| Rãnh tra bi | Không có |
| Số dòng | 1 |
| Phương tiện để định vị, vòng ngoài của vòng bi | Không có |
| Loại lỗ | Hình trụ |
| Vòng cách | Thép tấm (Sheet metal) |
| Kiểu gắn cặp | Không |
| Khe khe trong hướng kính | CN (Tiêu chuẩn) |
| Vật liệu, vòng bi | Thép vòng bi |
| Lớp mạ | Không có |
| Phớt chắc | Mũ thép ở cả hai bên (Tấm chắn cả hai bên) |
| Loại Chắc Dầu | Không tiếp tục (Không tiếp tục) |
| Tra mỡ sẵn chưa? | Đã tra mỡ sẵn (Grease) |
| Phương tiện để tái bôi trơn | Không có |
| Dấu vết carbon của sản phẩm được chỉ định để sản xuất | 3,91 kg CO2e |
| Trọng lượng sản phẩm | 1,09 kg |
| Mã eClass | 23-05-08-01 |
| Mã UNSPSC | 31171504 |
3. Cấu hình chi tiết Vòng Bi SKF 6310-2Z
Vòng bi SKF 6310-2Z được cấu hình từ các bộ phận chính, mỗi bộ phận đóng vai trò quan trọng trong công việc đảm bảo hiệu suất hoạt động và độ bền:
Sơ đồ tạo vòng Bi Cầu Rãnh Sâu SKF 6310-2Z:
- Vòng trong/ngoài: Được chế tạo từ thép chịu lực cao, cùng với khu vực Yên tĩnh, chịu tải chính.
- Bi cầu: Sản phẩm sản xuất từ thép siêu chính xác và được xử lý nhiệt đặc biệt để giảm độ cứng, tăng cường độ cứng và độ bền.
- Vòng cách: Làm bằng thép mạnh, có chức năng giữ các thành viên đều nhau, đảm bảo vòng bi hành động nữ ái và ổn định.
- Mũ thép (2Z): Điểm nổi bật của phiên bản này là hai Sản phẩm thép được gắn cố định vào vòng ngoài ở cả hai bên. Các sản phẩm này được thiết kế không tiếp nối với vòng trong, giúp bảo vệ các bộ phận bên trong bụi bẩn và các hạt xâm nhập từ môi trường, đồng thời giữ lại mỡ bôi trơn có sẵn bên trong.
4. Phân Tích Chuyên Sâu: Nắp Chắn Thép 2Z của SKF 6310-2Z
Để thực sự hiểu được giá trị của vòng bi SKF 6310-2Z, việc phân tích sâu hơn về yếu tố thì chốt: ký hiệu “2Z” là rất quan trọng.
Ký hiệu “-2Z” – Nắp thép hai bên:
- Ý nghĩa: Vòng bi được trang bị sản phẩm thép (khiên) ở cả hai bên. Sản phẩm dây xích này được ép vào vòng bên ngoài nhưng không tiếp tục căng thẳng với vòng trong hoặc các thành viên.
- Lợi ích chính:
- Bảo vệ khỏi bụi bẩn và hạt lớn: Các sản phẩm Z hiệu quả trong việc ngăn chặn bụi bẩn, mảnh vụn và các hạt lớn xâm nhập vào bên trong vòng bi.
- Giữ lại dầu bôi trơn: Có thể được bôi trơn trong vòng bi (được nhà sản xuất dầu bôi trơn đầu) được giữ lại hiệu quả, giúp kéo dài tuổi thọ của chất bôi trơn và giảm nhu cầu bảo trì.
- Giảm tiếng ồn và rung động: Bằng cách giữ cho môi trường xung quanh sạch sẽ, Sản phẩm 2Z giúp duy trì hoạt động hành động bạn ái, giảm tiếng ồn và rung động.
- Tốc độ giới hạn tương đối cao: Vì là loại không tiếp xúc, Sản phẩm dây Z ít nguy hiểm hơn so với phun cao su (RS1), cho phép vòng bi đạt được tốc độ quay cao hơn.
- Nhược điểm/Lưu ý:
- Không hoàn toàn kín: Mặc dù có hiệu quả với bụi và hạt lớn, sản phẩm thép chắc chắn không hoàn toàn kín như cao su (2RS1). Do đó, nó không thể ngăn chặn hoàn toàn nước, hóa chất hoặc bụi xâm nhập vào môi trường quá khắc nghiệt.
Vòng bi SKF 6310-2Z có khe hở trong tiêu chuẩn kính hướng dẫn (CN), phù hợp cho hầu hết các ứng dụng thông thường, đặc biệt là những nơi cần bảo vệ khỏi bụi bẩn và tốc độ quay cao.
5. Ưu và nhược điểm của Vòng Bi SKF 6310-2Z
Vòng bi SKF 6310-2Z là một loại phổ biến cho nhiều ứng dụng, nhưng để sử dụng hiệu quả, cần phải hiểu rõ ưu và nhược điểm của nó.
Ưu điểm nổi bật:
- Bảo vệ khỏi bụi bẩn và mảnh mảnh: Nắp thép 2Z ngăn chặn tác hại bụi và các hạt xâm nhập vào bên trong vòng bi, giúp kéo dài tuổi thọ hoạt động.
- Được tra mỡ sẵn và ít bảo trì: Vòng bi được tra mỡ chất lượng cao từ nhà máy, cùng với sản phẩm dây leo giúp giữ mỡ hiệu quả, giảm đáng kể như cầu bảo trì và bôi trơn lại định kỳ. Điều này tiết kiệm thời gian và chi phí cho người dùng.
- Tốc độ quay tương đối cao: Mặc dù có dây thép, do là loại không tiếp xúc, vòng bi vẫn đạt được tốc độ giới hạn khá cao (6 700 r/min), phù hợp cho nhiều ứng dụng cần tốc độ.
- Khả năng chịu tải đa hướng: Tương tự như các chuyên ngành sâu khác của vòng bi, nó đảm bảo tốt cho việc tải tâm trí và hướng trục theo cả hai chiều.
- Thiết kế đơn giản, linh hoạt và mạnh mẽ: Dễ dàng lắp đặt và mang lại hiệu quả đáng tin cậy.
- Độ tin cậy cao của thương hiệu hàng đầu: SKF là nhà sản xuất vòng bi hàng đầu thế giới, đảm bảo chất lượng và độ tin cậy vượt trội cho sản phẩm 6310-2Z.
Nhược điểm cần lưu ý:
- Không kín nước hoặc bụi hoàn toàn: Mặc dù sắt thép giúp bảo vệ tốt, không kín khít an toàn như cao su (RS1), nên không phù hợp cho môi trường có nhiều nước, hơi ẩm hoặc bụi li ti.
- Tốc độ giới hạn thấp hơn loại: Vì vậy, vòng bi không có dây thép (trút), tốc độ giới hạn của 6310-2Z vẫn thấp hơn có ma sát nhẹ từ dây thép.
- Khó kiểm tra hoặc thay thế mỡ bên trong: Việc rút dây thép để kiểm tra hoặc thay thế mỡ bên trong vòng bi là phức tạp và có thể làm hỏng dây thép, ảnh hưởng đến khả năng bảo vệ.
6. Ứng dụng Thực Tế của Vòng Bi SKF 6310-2Z
Với sự kết hợp giữa khả năng bảo vệ bụi bẩn, tuổi thọ mỡ bôi trơn và hoạt động ở tốc độ cao, vòng bi SKF 6310-2Z được ứng dụng rộng rãi trong nhiều công nghiệp chuyên nghiệp tại TP. Hồ Chí Minh và các khu công nghiệp lân cận, đặc biệt là những nơi cần cân bằng giữa tốc độ, độ bền và ít bảo trì:
- Động cơ điện: Rất phổ biến trong các loại động cơ điện từ nhỏ đến trung bình, nơi cần bảo vệ khỏi bụi và tuổi thọ dài mà không yêu cầu bảo trì thường xuyên.
- Máy nén và quạt công nghiệp: Trong các ứng dụng máy thổi và quạt, nơi môi trường có thể có bụi nhưng không quá ẩm và cần vòng hoạt động ổn định trong thời gian dài.
- Hộp giảm tốc độ: Được sử dụng trong các hộp giảm tốc độ, nơi cần bảo vệ các bộ phận bên trong bụi và duy trì sơn bóng hiệu ứng.
- Máy móc nông nghiệp: Trong các thiết bị nông nghiệp không tiếp xúc trực tiếp với nước hoặc bùn đỏ quá nhiều.
- Thiết bị văn phòng và điện tử gia dụng: Trong các ứng dụng như máy photocopy, máy in, máy rửa, nơi cần hoạt động ái ái, bền bỉ và không cần bảo dưỡng.
7. Hướng Dẫn Đặt và Tháo Tháo SKF 6310-2Z
Để đảm bảo tuổi thọ và hiệu suất tối ưu cho vòng bi SKF 6310-2Z, cách lắp đặt và gỡ bỏ là vô cùng quan trọng. luôn thủ tục các nguyên tắc an toàn và kỹ thuật của các nhà sản xuất. Mecsu cung cấp hướng dẫn chi tiết dựa trên kinh nghiệm thực tế:
- Chuẩn bị: Đảm bảo môi trường làm việc sạch sẽ, khô ráo, không có bụi bẩn. Chuẩn bị đầy đủ các công cụ chuyên dụng như cảo, búa mềm, thiết bị gia nhiệt cảm ứng. Luôn đeo dây bảo vệ và kính bảo hộ để đảm bảo an toàn. Kiểm tra dụng cụ và gối phải sạch sẽ, không có lỗ hổng và bảo đảm sai dịch vụ.
- Lắp đặt:
- Phương pháp nhiệt (phổ biến nhất cho vòng bi lớn): Gia nhiệt vòng bi bằng thiết bị gia nhiệt chuyên dụng (ví dụ: máy gia nhiệt cảm ứng SKF) đến nhiệt độ khoảng 80-100°C (không vượt quá 120°C). Điều này giúp vòng nở ra, dễ trượt vào trục mà không cần dùng lực quá lớn. Luôn hoạt động đều đặn và tập trung lên vòng khi gắn vào xẹp xuống.
- Phương pháp cơ khí (dùng cho kích thước nhỏ hơn): Sử dụng ống lót chuyên dụng và búa mềm, tác dụng lực đều lên vòng khi lắp vào trục. Tuyệt đối tránh hoạt động trực tiếp lên các bi hoặc vòng cách hay Sản phẩm dây xích vì có thể gây nguy hiểm chết người.
- Lưu ý: Vòng bi này đã được sản xuất sẵn mỡ từ nhà máy, nên không cần bôi trơn thêm trong quá trình lắp đặt đầu. Đảm bảo vòng được gắn thẳng, không bị trượt hoặc bị kẹt.
- Gỡ bỏ:
- Sử dụng dụng cụ hỗ trợ chuyên nghiệp (cảo cơ hoặc cả thủy lực) để xoay vòng một cách an toàn và không gây ra tình trạng khung xương cho hoặc gối hỗ trợ. Tác dụng lực đều và đúng ở vòng trong (khi rút xẹp) hoặc vòng ngoài (khi rút gối).
- Tránh dùng đập trực tiếp lên các sinh vật học hoặc các bộ phận khác có thể gây ra các dạng biến đổi, hư hỏng. Việc này không chỉ làm hỏng vòng bi mà còn tiềm ẩn nguy hiểm.
- Người bảo vệ: Nếu không sử dụng ngay, hãy giữ vòng bi trong bao bì gốc của nhà sản xuất, ở nơi khô ráo, thoáng mát, tránh ánh nắng trực tiếp và các chất hóa học ăn mòn để ngăn chặn sét và bụi nguy hiểm xâm nhập.
8. So Sánh Vòng Bi 6310-2Z với Các Loại 6310 Khác
Việc hiểu rõ sự khác biệt giữa các loại vòng bi 6310 SKF sẽ giúp bạn lựa chọn sản phẩm phù hợp nhất cho ứng dụng của mình, tối ưu hóa hiệu suất và chi phí đầu tư:
| Tiêu chí | SKF 6310-2Z (Nắp thép 2 đầu, khe hở CN) | SKF 6310 (Không Sản, khe CN) | SKF 6310-2RS1 (Phớt cao su 2 đầu, khe hở CN) |
|---|---|---|---|
| Chất liệu/Chắc chắn | Thép dập (Shield) – 2 bên, không tiếp xúc | Không có | Cao su NBR (Seal) – 2 bên, tiếp xúc |
| Loại mỡ bôi trơn | Tra mỡ sẵn từ nhà (tiêu chuẩn) | Không có (cần bôi trơn bên ngoài) | Tra mỡ sẵn từ nhà (tiêu chuẩn) |
| Khe khe trong hướng kính | CN (Tiêu chuẩn) | CN (Tiêu chuẩn) | CN (Tiêu chuẩn) |
| Khả năng làm kín | Rất tốt (chăm bụi lớn, giữ mỡ tối ưu) | Kém (dễ bị mủ, mủ) | Tuyệt vời (nước, dư dư, chất thải hiệu quả) |
| Tốc độ quay tối đa | 6 700 vòng/phút (cao) | 8 000 vòng/phút (cao nhất) | 3 800 vòng/phút (thấp) |
| Khả năng chống ẩm/lỏng | Trung bình (tốt hơn loại mở, gần hơn 2RS1) | Rất kém | Xuất sắc |
| Nhu cầu bảo trì | Rất thấp (bôi trơn sẵn, kín đáo) | Cao (cần bảo trì, tra mỡ định kỳ hoặc bôi trơn liên tục) | Rất thấp (bôi trơn sẵn, kín đáo) |
| Độ âm / Rung động | Thấp | Thấp | Low (có thể cao hơn một chút so với 2Z do ma sát) |
| Giá thành | Cao hơn loại mở, thấp hơn loại 2RS1 | Thấp nhất | Cao nhất (có khả năng làm kín) |
| Ứng dụng điển hình | Động cơ điện, quạt, máy móc cần tốc độ cao, môi trường khô ráo có bụi, cần bảo vệ hai phía. | Hộp số, động cơ tốc độ cao, máy công cụ chính xác, môi trường sạch sẽ, có hệ thống bôi trơn bên ngoài. | Máy nông nghiệp, thực phẩm, thổi, quạt trong môi trường ẩm thực, nhiều bụi, cần khả năng làm kín tuyệt đối. |
9. Cách Phân Biệt Vòng Bi SKF 6310-2Z Thật – Giả Lời Khuyên Từ Chuyên Gia Mecsu
Thị trường hiện nay có rất nhiều hàng giả, hàng giả chất lượng, đặc biệt là với các sản phẩm vòng bi SKF chính hãng được ưa chuộng. Để đảm bảo bạn mua được vòng bi SKF 6310-2Z chính hãng tại TP.HCM, Mecsu khuyến nghị kiểm tra các dấu hiệu sau:
a. Dấu hiệu vòng bi SKF 6310-2Z chính hãng:
- Bao bì chất lượng cao: Sắc nét, màu xanh đặc trưng của SKF, sản phẩm thông tin rõ ràng, đầy đủ mã vạch/QR code và thông tin xuất xứ. Bạn sẽ tìm thấy công nghệ trong từng chi tiết.
- In ấn trên vòng bi sắc nét: Logo SKF, sản phẩm mã hóa hóa (6310-2Z) và nhà sản xuất quốc gia được in hoặc khắc vết sắc nét bằng laser, rõ ràng, không lem, không sai phông chữ, rất khó bị tẩy xóa.
- Mã QR/Bar code xác thực: Có thể quét bằng ứng dụng “SKF Authenticate” trên điện thoại di động thông minh để xác thực nguồn gốc và tính chính hãng của sản phẩm. Đây là công cụ hữu ích nhất của SKF để chống hàng giả.
- Cảm giác vận động mượt mà: Khi quay vòng bi bằng tay, bạn sẽ cảm nhận được độ chắc chắn và mượt mà, không có tiếng kêu lạ, không bị rơi (ốc độ) bất thường.
- Chứng từ đầy đủ: Nhà cung cấp uy tín sẽ cung cấp đầy đủ “CO” (chứng nhận xuất xứ) và “CQ” (chứng nhận chất lượng) từ nhà sản xuất, đảm bảo nguồn gốc và chất lượng sản phẩm.
b. Dấu hiệu của vòng bi SKF 6310-2Z hàng giả/nhái:
- In ấn mờ nhạt, sai chính tả, phông chữ lạ, thiếu thông tin hoặc không chính xác trên cả bao bì và vòng bi.
- Bao bì thô, SKF màu trôi chuẩn, thiếu thông tin quan trọng hoặc có dấu hiệu làm lại.
- Không có mã QR hoặc mã hóa không quét được hoặc quét ra thông tin không khớp với sản phẩm chính hãng.
- Khi quay tay có tiếng kêu lạo xạ, cảm giác giác, nặng hoặc quá rời () bất thường làm gia công chính xác.
- Giá bán rẻ không được mong đợi so với thị trường của các sản phẩm chính hãng – đây là dấu hiệu cảnh báo lớn nhất.

10. Giá Bán & Gợi Ý Mua Vòng Bi SKF 6310-2Z Chính Hãng Tại TP.HCM
a. Giá vòng bi SKF 6310-2Z (TP.Hồ Chí Minh) tại Mecsu: Giá: 665,129 đ/ Cái (đã có VAT) – Giá hợp lý, phù hợp với chất lượng sản phẩm chính hãng
Liên hệ để nhận báo giá tốt nhất (giá có thể thay đổi tùy thời điểm và số lượng) – Giá hợp lý, phù hợp với chất lượng sản phẩm chính hãng SKF tại thị trường vòng bi TP.HCM.
b. Gợi ý mua vòng bi chính hãng SKF uy tín
- Chọn nhà cung cấp uy tín tại TP.HCM: Ưu tiên đối tác có bằng chứng nhận từ SKF hoặc đơn vị lâu năm, được nhiều khách hàng tin tưởng và có danh tiếng trên thị trường cung cấp linh kiện cơ khí tại TP.HCM.
- Kiểm tra chứng từ đầy đủ: Luôn yêu cầu đầy đủ “CO” (chứng nhận xuất xứ) và “CQ” (chứng nhận chất lượng) để đảm bảo nguồn gốc và chất lượng của sản phẩm. Điều này giúp bạn tránh mua phải “vòng bi SKF giả” trên thị trường.
-
- 100% sản phẩm chính hãng: Đảm bảo nguồn gốc rõ ràng, đầy đủ chứng từ. Chúng tôi cam kết hoàn tiền 100% hoặc đổi trả nếu sản phẩm không phải của công ty chính thức.
- Chính sách bảo hành minh bạch: Hỗ trợ đổi trả nếu nhà sản xuất gặp lỗi, mang lại sự an tâm tuyệt đối cho khách hàng.
- Hỗ trợ kỹ thuật chuyên sâu: Đội ngũ kỹ sư giàu kinh nghiệm sẵn sàng hỗ trợ bạn về kỹ thuật và lựa chọn sản phẩm phù hợp nhất cho mọi ứng dụng.
- Giá cả cạnh tranh: Đảm bảo giá tốt nhất đi kèm chất lượng, với chính sách chiết khấu hấp dẫn cho đơn hàng số lượng lớn, đặc biệt khi “mua vòng bi SKF số lượng lớn”.
MUA THÊM NHIỀU LOẠI VÒNG BI CHÍNH HÃNG KHÁC TẠI MECSU
11. Câu hỏi thường gặp về Vòng Bi SKF 6310-2Z
a. Vòng bi SKF 6310-2Z có cần bảo dưỡng, tra mỡ không?
Vòng bi SKF 6310-2Z đã được sản xuất mỡ từ nhà máy và có sản phẩm thép 2Z giúp giữ hiệu quả mỡ. Do đó, trong hầu hết các ứng dụng thông thường, vòng bi này không yêu cầu bảo dưỡng hoặc tra mỡ lại định kỳ trong suốt đời của nó. Tuy nhiên, trong môi trường đặc biệt khắc nghiệt hoặc khi vòng bi hoạt động ở nhiệt độ cực cao, có thể cần xem xét việc thay thế vòng bi sớm hơn.
b. Chữ “-2Z” trong mã SKF 6310-2Z có ý nghĩa gì?
“-2Z”: Chỉ ra rằng vòng bi có dây thép bằng thép không tiếp tục căng ở cả hai phía. Các sản phẩm này giúp bảo vệ vòng tròn khỏi bụi bẩn và các hạt lớn, đồng thời giữ lại mỡ bôi trơn bên trong.
c. Vòng bi SKF 6310-2Z có phải là vòng bi chịu nhiệt không?
Vòng bi SKF 6310-2Z có dây thép giúp duy trì mỡ bôi trơn bên trong, góp phần vào hiệu suất ổn định. Tuy nhiên, khả năng chịu nhiệt của vòng bi cũng phụ thuộc vào giới hạn nhiệt độ của mỡ bôi trơn được sử dụng và giới hạn vật liệu của vòng bi. Nó được thiết kế để hoạt động hiệu quả trong các ứng dụng có nhiệt độ cao vừa phải.
d. Làm sao biết vòng bi 6310-2Z của tôi là hãng SKF chính hãng?
Kiểm tra bao bì (logo, mã QR rõ ràng), vòng bi có khắc lazer sắc nét. Điều quan trọng nhất, hãy sử dụng ứng dụng SKF Authenticate để quét mã và kiểm tra trực tiếp từ SKF. Đây là cách chắc chắn nhất để phân biệt vòng bi SKF thật.
đ. Khi nào cần thay thế vòng bi 6310-2Z?
Bạn nên thay thế vòng bi khi nhận được các dấu hiệu sau:
- Tiếng ồn bất thường: Tiếng kêu lạo xạo, rít, hoặc kêu khi vòng bi quay, báo hiệu bi hoặc rãnh bị mòn.
- Tăng nhiệt độ: Quá trình tăng nhiệt độ vòng bất thường xảy ra trong quá trình hoạt động, có thể gây ra lỗi lắp đặt hoặc hư hỏng bên trong.
- Độ cao lớn: Thiết bị hoạt động có mức độ tăng lên đáng kể, ảnh hưởng đến hiệu suất và có thể gây nguy hiểm cho các bộ phận khác.
- Rò rỉ mỡ: Dù có dây thép, nếu bất thường, mỡ bị rò rỉ có thể là dấu hiệu vòng bi đã bị hỏng hoặc hoạt động quá nhiệt.
- Vòng bi bị khóa hoặc không được xóa.
- Biến dạng vật lý: Vòng bi bị ăn mòn, móp méo hoặc có dấu hiệu hư hại nguy hiểm.
Kinh nghiệm từ các kỹ sư Mecsu: Việc kiểm tra định kỳ bằng cách lắng nghe tiếng ồn hoặc cảm nhận mức độ rung có thể giúp phát hiện sớm các dấu hiệu cần thay thế, tránh nguy hại gây hại nghiêm trọng hơn cho toàn bộ hệ thống. Đừng ngần ngại liên hệ với chúng tôi để được hỗ trợ kỹ thuật về bảo trì vòng bi hoặc thay thế thùng chứa thời gian.
f. Mua vòng bi SKF 6310-2Z chính hãng, uy tín ở đâu tại TP.HCM?
Mua vòng bi SKF 6310-2Z chính hãng và đảm bảo chất lượng tại TP.HCM, bạn hãy liên hệ ngay với Mecsu. Chúng tôi tự hào là nhà cung cấp uy tín các sản phẩm SKF chính hãng tại Việt Nam.
- Cam kết chất lượng: 100% sản phẩm có nguồn gốc rõ ràng, đầy đủ chứng từ CO, CQ. Chúng tôi cam kết hoàn tiền 100% hoặc đổi trả nếu sản phẩm không phải của công ty chính thức.
- Giá cả cạnh tranh: Đảm bảo giá tốt nhất đi kèm chất lượng, với chính sách chiết khấu hấp dẫn cho đơn hàng số lượng lớn.
- Tư vấn chuyên sâu: Đội ngũ kỹ sư giàu kinh nghiệm sẵn sàng hỗ trợ bạn về kỹ thuật và lựa chọn sản phẩm phù hợp nhất.
- Chính sách hậu mãi: Đảm bảo quyền lợi tối đa cho khách hàng với dịch vụ hỗ trợ nhanh chóng, tận tâm.
12. Liên Hệ và Hỗ Trợ Tư Vấn Vòng Bi SKF
Nếu bạn có bất kỳ thắc mắc nào về vòng bi SKF 6310-2Z hoặc cần tư vấn về giải pháp vòng bi cho ứng dụng cụ thể của mình, đừng ngần ngại liên hệ với đội ngũ chuyên gia của Mecsu. Chúng tôi luôn sẵn sàng hỗ trợ bạn tìm ra sản phẩm phù hợp và tối ưu nhất, đồng thời cung cấp những kiến thức về kỹ thuật bảo trì vòng bi mà bạn khó tìm thấy ở những nơi khác.
Địa chỉ: B28/I – B29/I Đường số 2B, KCN Vĩnh Lộc, P. Bình Hưng Hòa B, Q. Bình Tân, TP.HCM
Đường dây nóng: 1800 8137
Email: [email protected]
Trang web: mecsu.vn
13. Thông Tin Bổ sung & Kinh nghiệm Thực Tế Từ Mecsu
a. Kinh nghiệm Thực Tế & Câu Chuyện Thành Công
Tại Mecsu, chúng tôi tự hào là đối tác đáng tin cậy của nhiều doanh nghiệp trong việc cung cấp các giải pháp chất lượng cao vòng vòng. “Vòng bi SKF 6310-2Z”, với đặc tính thép thép, đã được ứng dụng trong nhiều dự án quan trọng của khách hàng chúng tôi tại “TP. Hồ Chí Minh” và các tỉnh lân cận, mang lại hiệu quả vượt trội và là minh chứng cho chất lượng sản phẩm cùng kinh nghiệm thực tế của Đội ngũ Mecsu:
- Ngành sản xuất cơ khí: Chúng tôi đã cung cấp “SKF 6310-2Z” cho các nhà sản xuất cơ khí, nơi cần có tuổi thọ cao và ít bảo trì trong môi trường có bụi. Nắp chắn 2Z giúp bảo vệ mỡ và các bộ phận bên trong.
- Lĩnh vực quạt công nghiệp: SKF 6310-2Z được lựa chọn cho các hệ thống quạt thông gió, nơi cần vòng bi bền bỉ, ít cần bảo dưỡng và có thể hoạt động ở tốc độ tương đối cao trong môi trường có bụi.
- Thiết bị công nghiệp tổng hợp: Nhiều khách hàng trong các nhà sản xuất máy móc khác nhau đã sử dụng “vòng bi 6310-2Z” cho các ứng dụng đa dạng, từ băng tải đến máy đóng gói, nhờ vào khả năng bảo vệ tốt và giảm nhu cầu bảo trì.
b. Trích Dẫn Chuyên Gia
““SKF 6310-2Z” là một giải pháp vòng đáng tin cậy, đặc biệt phù hợp cho các ứng dụng công nghiệp trong môi trường có bụi nhưng không quá ẩm ướt, nơi mà việc bảo trì định kỳ là khó khăn hoặc không mong muốn. Mũ bảo vệ chắc chắn tuổi thọ dài và hiệu suất ổn định.”
— “Kỹ sư cơ khí Chuyên gia kỹ thuật Mecsu” (TP. Hồ Chí Minh) – Với hơn 10 năm kinh nghiệm trong lĩnh vực “bạc đạn công nghiệp”.
c. Tài Liệu Tham Khảo và Nghiên Cứu
Nội dung bài viết này được biên soạn dựa trên các tài liệu kỹ thuật chính quy và đáng tin cậy của SKF , cùng với kinh nghiệm thực tế chuyên sâu của đội ngũ kỹ sư Mecsu, đảm bảo tính chính xác, cập nhật và chuyên môn môn môn môn cao:
- Danh mục sản phẩm SKF (Danh mục sản phẩm SKF chính thức) – Nguồn dữ liệu kỹ thuật chi tiết nhất về “vòng bi SKF”.
- Tài liệu kỹ thuật SKF Explorer – Vòng bi chuyên ngành sâu (Thông tin chuyên sâu về “vòng bi cầu sâu SKF Explorer”) – Cung cấp cái nhìn toàn diện về thế hệ vòng bi bền bỉ này.
- Bảng dữ liệu kỹ thuật (Datasheet) chi tiết của SKF 6310-2Z – Nguồn thông số kỹ thuật chính xác.
- Trải nghiệm thực tế và phản hồi từ các dự án khách hàng của Mecsu – “Dữ liệu độc nhất” được thu thập từ hơn 10 năm cung cấp “linh kiện cơ khí” và “giải pháp vòng bi” cho doanh nghiệp tại Việt Nam.
Biên soạn bởi: Đội ngũ kỹ sư Mecsu
Với hơn 10 năm kinh nghiệm chuyên sâu trong lĩnh vực và tư vấn giải pháp vòng bi, đội ngũ kỹ sư của Mecsu cam kết mang đến những thông tin chính xác, cập nhật và hữu ích nhất, giúp quý khách hàng đưa ra loại sản phẩm tối ưu cho mọi ứng dụng.
(Xem thêm thông tin về chúng tôi tại Website Mecsu )
Lưu ý: Hình ảnh sản phẩm có thể khác biệt so với sản phẩm thực tế của SKF. Vui lòng tham khảo thông số kỹ thuật chi tiết hoặc liên hệ Mecsu để có thông tin chính xác nhất về sản phẩm.


















Đánh giá
Chưa có đánh giá nào.