Mô tả sản phẩm
Thông tin CHUYÊN SÂU về Vòng Bi Cầu Rãnh Sâu SKF 6311-2Z/C3 (55x120x29) Nắp Thép (Hai Bên)
Mục Lục
- 1. Vòng Bi SKF 6311-2Z/C3 Là Gì? – Giải Thích Chuyên Sâu
- 2. Thông Số Kỹ Thuật Chi Tiết Của Vòng Bi Cầu SKF 6311-2Z/C3
- 3. Cấu hình Chi Tiết Vòng Bi SKF 6311-2Z/C3
- 4. Phân Tích Chuyên Sâu: Nắp Chắn Thép 2Z và Khe Hở C3 của SKF 6311-2Z/C3
- 5. Ưu và nhược điểm của Vòng Bi SKF 6311-2Z/C3
- 6. Ứng dụng Thực Tế của Vòng Bi SKF 6311-2Z/C3
- 7. Hướng Dẫn Đặt và Tháo Tháo SKF 6311-2Z/C3
- 8. So Sánh Vòng Bi 6311-2Z/C3 với Các Loại 6311 Khác
- 9. Cách Phân Biệt Vòng Bi SKF 6311-2Z/C3 Thật – Giả – Lời Khuyên Từ Chuyên Gia Mecsu
- 10. Giá Bán & Gợi Ý Mua Vòng Bi SKF 6311-2Z/C3 Chính Hãng Tại TP.HCM
- 11. Câu hỏi thường gặp về Vòng Bi SKF 6311-2Z/C3
- 12. Liên Hệ và Hỗ Trợ Tư Vấn Vòng Bi SKF
- 13. Thông Tin Bổ Sung & Kinh nghiệm Thực Tế Từ Mecsu
1. Vòng Bi SKF 6311-2Z/C3 Là Gì? – Giải Thích Chuyên Sâu
Vòng bi cầu rãnh sâu SKF 6311-2Z/C3 là một loại vòng bi nhiều chức năng, được thiết kế để mang lại hiệu suất cao trong nhiều ứng dụng công nghiệp. Mã “6311” là tiêu chuẩn kích thước ký hiệu, với đường kính trong (d) là 55mm, đường kính ngoài (D) 120mm và chiều dày (B) 29mm.
Hậu tố “-2Z” chỉ ra rằng vòng bi này được trang bị hai (2) Sản phẩm chắc chắn bằng thép (lá chắn) ở cả hai bên của vòng bi. Vỏ thép của SKF được thiết kế không tiếp theo trong vòng, giúp giảm ma sát và cho phép vòng bi đạt tốc độ quay cao. Nó bảo vệ các bộ phận bên trong bụi bẩn và giữ dầu bôi trơn tối ưu. Hậu tố “/C3” là một điểm đặc biệt quan trọng, chỉ ra rằng có khoảng thời gian trong kính hướng lớn hơn tiêu chuẩn. Điều này đặc biệt hữu ích cho các ứng dụng có nhiệt độ hoạt động cao hoặc khi có sự giãn nở nhiệt của trục và hỗ trợ gối, cũng như khi yêu cầu gắn chặt.
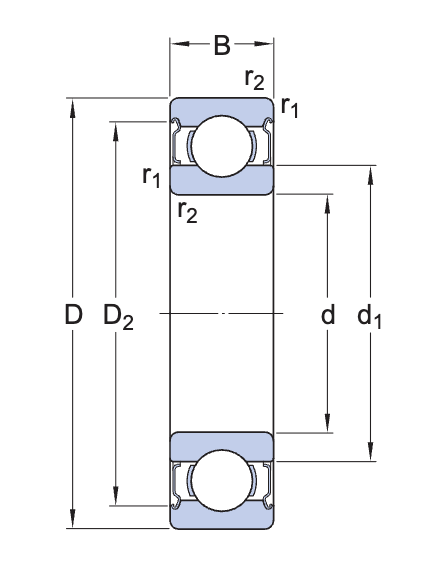
2. Thông Số Kỹ Thuật Chi Tiết Của Vòng Bi Cầu SKF 6311-2Z/C3
d: Đường kính trong
D: Đường kính ngoài
B: Bề dày
C: Tải danh sách cơ sở dữ liệu
C0: Tải tĩnh cơ sở dữ liệu danh sách
Pu: Giới hạn tải mệt mỏi
| Thông số | Giá trị |
|---|---|
| Mã sản phẩm | 6311-2Z/C3 |
| Loại vòng bi | Vòng Bi Cầu Rãnh Sâu (Vòng Bi Rãnh Sâu) |
| Đường kính trong (d) | 55 mm |
| Đường kính ngoài (D) | 120 mm |
| Bề dày (B) | 29 mm |
| Tải danh sách cơ sở dữ liệu (C) | 74,1 kN |
| Tải danh sách cơ sở dữ liệu quan trọng (C0) | 45 kN |
| Giới hạn tải mệt mỏi (Pu) | Không có công cụ thông tin nào trong dữ liệu mới (cũ bài viết là 2,2 kN) |
| Tốc độ tham chiếu | 12 000 vòng/phút |
| Tốc độ giới hạn | 6 300 vòng/phút |
| Thế hệ khả năng làm việc cao của SKF | SKF Explorer |
| Rãnh tra bi | Không có |
| Số dòng | 1 |
| Phương tiện để định vị, vòng ngoài của vòng bi | Không có |
| Loại lỗ | Hình trụ |
| Vòng cách | Thép tấm (Sheet metal) |
| Kiểu gắn cặp | Không |
| Khe khe trong hướng kính | C3 (Khe đóng lớn hơn tiêu chuẩn) |
| Vật liệu, vòng bi | Thép vòng bi |
| Lớp mạ | Không có |
| Phớt chắc | Nắp thép hai bên (2Z) |
| Loại Chắc Dầu | Không tiếp tục (Không tiếp tục) |
| Tra mỡ sẵn chưa? | Có (Thường được tra mỡ sẵn từ nhà máy tuổi thọ hoạt động ban đầu) |
| Phương tiện để tái bôi trơn | Không có |
| Dấu vết carbon của sản phẩm được chỉ định để sản xuất | 4,99 kg CO2e |
| Trọng lượng sản phẩm | 1,39 kg |
| Mã eClass | 23-05-08-01 |
| Mã UNSPSC | 31171504 |
3. Cấu hình Chi Tiết Vòng Bi SKF 6311-2Z/C3
Vòng bi SKF 6311-2Z/C3 được cấu hình từ các bộ phận chính, mỗi bộ phận đóng vai trò quan trọng trong công việc đảm bảo hiệu suất hoạt động và độ bền:
Sơ đồ cấu hình Vòng Bi Cầu Rãnh Sâu SKF 6311-2Z/C3 với dây thép hai đầu:
- Vòng trong/ngoài: Được chế tạo từ thép chịu lực cao, cùng với khu vực Yên tĩnh, chịu tải chính.
- Bi cầu: Sản phẩm sản xuất từ thép siêu chính xác và được xử lý nhiệt đặc biệt để giảm độ cứng, tăng cường độ cứng và độ bền.
- Vòng cách: Làm bằng thép mạnh, có chức năng giữ các thành viên đều nhau, đảm bảo vòng bi hành động nữ ái và ổn định.
- Mũ bảo vệ thép (2Z): Gắn chặt vào vòng ngoài, tạo khe hở nhỏ với vòng trong (không tiếp tục). Có nhiệm vụ bảo vệ các bộ phận bên trong bụi bẩn, các hạt lớn và giữ dầu bôi trơn hiệu quả bên trong, đồng thời cho phép tốc độ quay cao.
4. Phân Tích Chuyên Sâu: Nắp Chắn Thép 2Z và Khe Hở C3 của SKF 6311-2Z/C3
Để thực sự hiểu được giá trị của vòng bi SKF 6311-2Z/C3, việc phân tích sâu hơn về hai yếu tố thì chốt: ký hiệu “2Z” và “khe hở trong kính hướng dẫn”C3” là rất quan trọng.
Ký hiệu “2Z” – Dây thép không tiếp xúc bên trong:
- Chức năng chính: Cung cấp khả năng bảo vệ tốt cho bụi bẩn, các hạt lớn và giúp bôi trơn bên trong vòng bi. “2Z” chỉ ra rằng vòng bi có dây thép (lá chắn) ở cả hai bên.
- Đặc điểm nổi bật: Là loại sản phẩm “không tiếp căng thẳng” (lá căng không tiếp xúc). Điều này có nghĩa là dây thép không gỉ vào vòng trong, tạo ra một khoảng thời gian nhỏ. Thiết kế này giúp giảm thiểu ma sát, cho phép vòng bi đạt được “tốc độ quay cao” và sinh nhiệt thấp.
- Ưu điểm vượt trội:xinh ma sát thấp, vòng bi 6311-2Z/C3 có khả năng vận hành ở tốc độ cao hơn đáng kể so với các loại có Rỗng cao su (RS). Lý tưởng cho các ứng dụng trong “môi trường khô ráo”, có bụi bẩn như hạt lớn, nhưng không phù hợp với môi trường ẩm ướt hoặc có nhiều hạt, chất dư. Mũ thép cũng bền hơn ở nhiệt độ cao hơn so với nhiệt độ cao su.
- Chế độ: Khả năng làm kín chống nước, hơi ẩm hoặc bụi mịn hơn so với cao su (ví dụ: 2RS1).
- Ý nghĩa: “C3” chỉ ra rằng vòng bi có “khe hở trong hướng lớn hơn tiêu chuẩn”. Đây là khoảng trống lớn hơn bình thường giữa các thành viên và khu vực cuộn.
- Tầm hỗ trợ quan trọng: Khe hở C3 thường được sử dụng trong các ứng dụng có “nhiệt độ hoạt động cao” hoặc khi có “giãn đại nhiệt” đáng kể của trụ và gối hỗ trợ. Khen ngợi lớn hơn điều này giúp bù đắp cho sự giãn nở của vật liệu khi nóng lên, tránh tình trạng vòng bi bị khóa hoặc tạo hiệu suất trong quá trình, dẫn đến hỏng hóc sớm. Nó cũng phù hợp cho các ứng dụng có khung ghép chặt.
- Vòng lựa chọn phù hợp: Đối với vòng bi 6311-2Z/C3, sự kết hợp giữa Sản phẩm thép 2Z và khe C3 là lý do làm sáng tạo cho các ứng dụng yêu cầu tốc độ cao, hoạt động trong môi trường khô ráo và đặc biệt là khi có nhiệt độ cao, đảm bảo hoạt động ổn định vòng bi và có tuổi thọ cao.
Sự kết hợp giữa sản phẩm thép thép “2Z” và khe “C3” giúp SKF 6311-2Z/C3 trở thành một giải pháp vòng bi cực kỳ đáng tin cậy cho các máy móc hoạt động trong môi trường khô, có bụi nguy hiểm như hạt lớn và đặc biệt là yêu cầu tốc độ quay cao và chịu được nhiệt độ tăng cao.
5. Ưu và nhược điểm của Vòng Bi SKF 6311-2Z/C3
Vòng bi SKF 6311-2Z/C3 được sử dụng rộng rãi nhờ hiệu suất và độ bền vượt trội. Tuy nhiên, yêu cầu về mức độ ưu tiên phải hiểu được mức độ ưu tiên của nó.
Ưu điểm nổi bật:
- Tốc độ quay cao: Nắp thép 2Z không tiếp tục tạo ra ma sát, cho phép vòng bi đạt được “ốc độ giới hạn cao” (6 300 r/min), lý tưởng cho các ứng dụng yêu cầu hiệu suất học động cao.
- Sinh nhiệt độ thấp: Ma sát cũng có nghĩa là làm việc vòng bi sinh nhiệt ít hơn trong quá trình vận hành, giúp kéo dài tuổi thọ của mỡ bôi trơn và vòng bi chính.
- Bảo vệ khỏi bụi bẩn và mỡ giữ hiệu quả: Mũ thép 2Z giúp ngăn chặn bụi bẩn lớn và các hạt rắn cứng xâm nhập vào bên trong, đồng thời giữ mỡ bôi trơn tối ưu, giảm cầu bảo trì cho vòng bi.
- Phù hợp cho nhiệt độ cao: Nắp thép có khả năng chịu nhiệt tốt hơn so với phun cao su, và khe C3 giúp vòng bi thích nghi với khả năng giãn nhiệt ở nhiệt độ cao, tránh bị hạn chế.
- Khả năng chịu tải đa hướng: Có khả năng đảm bảo tốt tải tâm hướng (tải trọng hướng tâm) và hướng xọc xọc (tải xọc trục) theo cả hai chiều, mang lại linh hoạt trong thiết kế máy móc.
- Độ tin cậy cao từ thương hiệu hàng đầu: SKF là nhà sản xuất vòng bi hàng đầu thế giới, đảm bảo chất lượng và độ tin cậy vượt trội cho sản phẩm 6311-2Z/C3.
- Yêu cầu bảo trì thấp: Vòng bi được tra mỡ sẵn từ nhà máy và có sản phẩm giúp giữ mỡ bôi trơn lâu hơn, giảm đáng kể nhu cầu bảo trì định kỳ nên với các loại vòng bi hạn chế.
Nhược điểm cần lưu ý:
- Khả năng làm kín nước: Mặc dù có thép chắc chắn, vòng bi 6311-2Z/C3 không có khả năng tạo ra kết quả chống lại nước, hơi nước hoặc bụi. Không phù hợp cho các ứng dụng trong môi trường ẩm ướt hoặc có khả năng bắn tóe chất lỏng mà không có bảo vệ bổ sung.
- Không tái sinh bôi trơn: Vòng bi 2Z thường được bôi mỡ sẵn và không có lỗi để tái bôi trơn. Khi mỡ bên trong bị suy giảm chất lượng, vòng bi cần được thay thế.
- Giá thành: Mức giá của vòng bi SKF 6311-2Z/C3 có thể cao hơn so với vòng bi cùng kích thước không có dây thép, nhưng đây là mức xứng đáng cho tốc độ và khả năng bảo vệ.
6. Ứng dụng Thực Tế của Vòng Bi SKF 6311-2Z/C3
Với kích thước tiêu chuẩn, khả năng chịu tải tốt và đặc biệt là sự kết hợp giữa tốc độ cao và khả năng chịu nhiệt, vòng bi SKF 6311-2Z/C3 được ứng dụng rộng rãi trong nhiều lĩnh vực công nghiệp và dân dụng tại TP. Hồ Chí Minh và các khu công nghiệp lân cận, đặc biệt là những nơi có môi trường khô cằn, yêu cầu tốc độ cao và có nhiệt độ hoạt động tăng cao:
- Động cơ điện: Rất phổ biến trong các loại động cơ điện từ nhỏ đến lớn, nơi yêu cầu tốc độ quay cao, nguy hiểm và bảo vệ bụi Khô.
- Quạt công nghiệp: Các hệ thống quạt thông gió, quạt hút, nơi cần vận hành liên tục ở tốc độ cao trong môi trường có bụi khô.
- Hộp số: Trong các hộp số mà vòng bi cần được bảo vệ khỏi bụi nhưng vẫn yêu cầu tốc độ quay cao.
- Máy móc phòng văn và thiết bị gia dụng: Máy in, máy photocopy, máy hút bụi, vv, nơi cần hoạt động ái tình, bền bỉ và không tiếp xúc với nước.
- Các ứng dụng trong ngành dệt may: Máy dệt, máy may công nghiệp, nơi có nhiều bụi nhưng không có chất thải.
- Hệ thống tải và chuyển băng thông: Trong các trường sản xuất không có môi trường, nơi cần có độ bền và khả năng tải.
- Hệ thống xử lý nước thải: Vòng bi được bảo vệ khỏi nước và hóa chất ăn mòn.
7. Hướng Dẫn Đặt và Tháo Tháo SKF 6311-2Z/C3
Để đảm bảo tuổi thọ và hiệu suất tối ưu cho vòng bi SKF 6311-2Z/C3, việc lắp đặt và giải quyết cách loại bỏ tiện ích phù hợp là vô cùng quan trọng. luôn thủ tục các nguyên tắc an toàn và kỹ thuật của các nhà sản xuất. Mecsu cung cấp hướng dẫn chi tiết dựa trên kinh nghiệm thực tế:
- Chuẩn bị: Đảm bảo môi trường làm việc sạch sẽ, khô ráo, không có bụi bẩn. Chuẩn bị đầy đủ các công cụ chuyên dụng như cảo, búa mềm, thiết bị gia nhiệt cảm ứng. Luôn đeo dây bảo vệ và kính bảo hộ để đảm bảo an toàn. Kiểm tra dụng cụ và gối phải sạch sẽ, không có lỗi và đảm bảo dịch vụ sai. Lưu ý quan trọng: KHÔNG nắm dây thép 2Z vì vòng bi đã được cung cấp sẵn chất béo và nắm dây thép có thể làm hỏng hoặc ảnh hưởng đến khả năng bảo vệ của vòng bi.
- Lắp đặt:
- Phương pháp nhiệt (phổ biến nhất cho vòng bi lớn): Gia nhiệt vòng bi bằng thiết bị gia nhiệt chuyên dụng (ví dụ: máy gia nhiệt cảm ứng SKF) đến nhiệt độ khoảng 80-100°C (không vượt quá 120°C). Điều này giúp vòng nở ra, dễ trượt vào trục mà không cần dùng lực quá lớn. Luôn hoạt động đều đặn và tập trung lên vòng khi gắn vào xẹp xuống.
- Phương pháp cơ khí (dùng cho kích thước nhỏ hơn): Sử dụng ống lót chuyên dụng và búa mềm, tác dụng lực đều lên vòng khi lắp vào trục. Tuyệt đối tránh tác động trực tiếp lên Sản phẩm thép hoặc các sản phẩm bi có thể gây nguy hiểm cho mạng tính toán.
- Lưu ý: Đảm bảo vòng bi được gắn thẳng, không bị lệch hoặc kẹt.
- Gỡ bỏ:
- Sử dụng công cụ hỗ trợ chuyên nghiệp (cảo cơ hoặc cả thủy lực) để xoay vòng một cách an toàn và không gây ra tình trạng khung xương cho hoặc hỗ trợ gối. Tác dụng lực đều và đúng ở vòng trong (khi rút xẹp) hoặc vòng ngoài (khi rút gối).
- Tránh dùng đập trực tiếp lên các sinh vật học hoặc các bộ phận khác có thể gây ra các dạng biến đổi, hư hỏng. Việc này không chỉ làm hỏng vòng bi mà còn tiềm ẩn nguy hiểm.
- Người bảo vệ: Nếu không sử dụng ngay, hãy giữ vòng bi trong bao bì gốc của nhà sản xuất, ở nơi khô ráo, thoáng mát, tránh ánh nắng trực tiếp và các chất hóa học ăn mòn để ngăn chặn sét và bụi nguy hiểm xâm nhập.
8. So Sánh Vòng Bi 6311-2Z/C3 với Các Loại 6311 Khác
Việc hiểu rõ sự khác biệt giữa các loại vòng bi 6311 SKF sẽ giúp bạn lựa chọn sản phẩm phù hợp nhất cho ứng dụng của mình, tối ưu hóa hiệu suất và chi phí đầu tư:
| Tiêu chí | SKF 6311-2Z/C3 (Nắp thép 2 đầu, khe hở C3) | SKF 6311-2RS1 (Phớt cao su 2 đầu, khe hở CN) | SKF 6311 (Mở, không phun/nắp, khe hở CN) |
|---|---|---|---|
| Chất liệu/Chắc chắn | Thép dập (Shield) – 2 bên, không tiếp xúc | Cao su NBR (Seal) – 2 bên, tiếp xúc | No leo/bắp đặt |
| Khả năng làm kín | Rất tốt (chăm bụi lớn, giữ mỡ tối ưu) | Tuyệt vời (nước, dư dư, chất thải hiệu quả) | Kém (dễ bị mủ, mủ) |
| Tốc độ quay tối đa | 6 300 vòng/phút (cao) | Không có công cụ thông tin nào trong dữ liệu mới (Thường thấp hơn 2Z) | Cao nhất (không có dây) |
| Khả năng chống ẩm/lỏng | Trung bình (tốt hơn loại mở, gần hơn 2RS1) | Xuất sắc | Rất kém |
| Nhu cầu bảo trì | Rất thấp (bôi trơn sẵn, kín đáo) | Rất thấp (bôi trơn sẵn, kín đáo) | Cao (cần bảo trì, tra mỡ định kỳ hoặc bôi trơn liên tục) |
| Độ âm / Rung động | Thấp | Low (có thể cao hơn một chút so với 2Z do ma sát) | Thấp |
| Giá thành | Cao hơn loại mở, thấp hơn loại 2RS1 | Cao nhất (có khả năng làm kín) | Thấp nhất |
| Ứng dụng điển hình | Động cơ điện, quạt, máy móc cần tốc độ cao, môi trường khô ráo, cần bảo vệ bên và chịu nhiệt. | Máy nông nghiệp, thực phẩm, thổi, quạt trong môi trường ẩm ẩm, nhiều bụi. | Hộp số, ứng dụng có hệ thống bôi trơn riêng, môi trường sạch, nhiệt độ cao. |
9. Cách Phân Biệt Vòng Bi SKF 6311-2Z/C3 Thật – Giả Lờ Khuyên Từ Chuyên Gia Mecsu
Thị trường hiện nay có rất nhiều hàng giả, hàng giả chất lượng, đặc biệt là với các sản phẩm vòng bi SKF chính hãng được ưa chuộng. Để đảm bảo bạn mua được vòng bi SKF 6311-2Z/C3 chính hãng tại TP.HCM, Mecsu khuyến nghị kiểm tra các dấu hiệu sau:
a. Dấu hiệu vòng bi SKF 6311-2Z/C3 chính hãng:
- Bao bì chất lượng cao: Sắc nét, màu xanh đặc trưng của SKF, sản phẩm thông tin rõ ràng, đầy đủ mã vạch/QR code và thông tin xuất xứ. Bạn sẽ tìm thấy công nghệ trong từng chi tiết.
- In ấn trên vòng bi sắc nét: Logo SKF, sản phẩm mã hóa (6311-2Z/C3) và sản phẩm quốc gia được sản xuất hoặc khắc vết sắc nét bằng laser, rõ ràng, không lem, không sai phông chữ, rất khó bị tẩy xóa.
- Mã QR/Bar code xác thực: Có thể quét bằng ứng dụng “SKF Authenticate” trên điện thoại di động thông minh để xác thực nguồn gốc và tính chính hãng của sản phẩm. Đây là công cụ hữu ích nhất của SKF để chống hàng giả.
- Mũ thép (2Z) hoàn thiện: Các sản phẩm được gắn chắc chắn, đồng đều ở cả hai bên, không có dấu hiệu cong, rách hoặc bạch bạch. Bề mặt của sản phẩm không có dấu vết.
- Cảm giác vận động mượt mà: Khi quay vòng bi bằng tay, bạn sẽ cảm nhận được độ chắc chắn và mượt mà, không có tiếng kêu lạ, không bị rơi (ốc độ) bất thường.
- Chứng từ đầy đủ: Nhà cung cấp uy tín sẽ cung cấp đầy đủ “CO” (chứng nhận xuất xứ) và “CQ” (chứng nhận chất lượng) từ nhà sản xuất, đảm bảo nguồn gốc và chất lượng sản phẩm.
b. Dấu hiệu của vòng bi SKF 6311-2Z/C3 hàng giả/nhái:
- In ấn mờ nhạt, sai chính tả, phông chữ lạ, thiếu thông tin hoặc không chính xác trên cả bao bì và vòng bi.
- Bao bì thô, tiêu chuẩn trôi màu SKF, thiếu thông tin quan trọng hoặc có dấu hiệu làm lại.
- Mũ thép khai thác, dễ biến đổi, có dấu hiệu hoặc được làm từ vật liệu giá rẻ.
- Không có mã QR hoặc mã hóa không quét được hoặc quét ra thông tin không khớp với sản phẩm chính hãng.
- Khi quay tay có tiếng kêu lạo xạ, cảm giác giác, nặng hoặc quá rời () bất thường làm gia công chính xác.
- Giá bán rẻ không được mong đợi so với thị trường của các hãng sản phẩm chính – đây là dấu hiệu cảnh báo lớn nhất.

10. Giá Bán & Gợi Ý Mua Vòng Bi SKF 6311-2Z/C3 Chính Hãng Tại TP.HCM
a. Giá vòng bi SKF 6311-2Z/C3 (TP.Hồ Chí Minh) tại Mecsu:Giá: 937,591 đ/ Cái (đã có VAT) – Giá hợp lý, phù hợp với chất lượng sản phẩm chính hãng
Liên hệ để nhận báo giá tốt nhất (giá có thể thay đổi tùy thời điểm và số lượng) – Giá hợp lý, phù hợp với chất lượng sản phẩm chính hãng SKF tại thị trường vòng bi TP.HCM.
b. Gợi ý mua vòng bi chính hãng SKF uy tín
- Chọn nhà cung cấp uy tín tại TP.HCM: Ưu tiên đối tác có bằng chứng nhận từ SKF hoặc đơn vị lâu năm, được nhiều khách hàng tin tưởng và có danh tiếng trên thị trường cung cấp linh kiện cơ khí tại TP.HCM.
- Kiểm tra chứng từ đầy đủ: Luôn yêu cầu đầy đủ “CO” (chứng nhận xuất xứ) và “CQ” (chứng nhận chất lượng) để đảm bảo nguồn gốc và chất lượng của sản phẩm. Điều này giúp bạn tránh mua phải “vòng bi SKF giả” trên thị trường.
-
- 100% sản phẩm chính hãng: Đảm bảo nguồn gốc rõ ràng, đầy đủ chứng từ. Chúng tôi cam kết hoàn tiền 100% hoặc đổi trả nếu sản phẩm không thuộc loại công thức chính.
- Chính sách bảo hành minh bạch: Hỗ trợ đổi trả nếu nhà sản xuất gặp lỗi, mang lại sự an tâm tuyệt đối cho khách hàng.
- Hỗ trợ kỹ thuật chuyên sâu: Đội ngũ kỹ sư giàu kinh nghiệm sẵn sàng hỗ trợ bạn về kỹ thuật và lựa chọn sản phẩm phù hợp nhất cho mọi ứng dụng.
- Giá cả cạnh tranh: Đảm bảo giá tốt nhất đi kèm chất lượng, với chính sách chiết khấu hấp dẫn cho đơn hàng số lượng lớn, đặc biệt khi “mua vòng bi SKF số lượng lớn”.
MUA THÊM NHIỀU LOẠI VÒNG BI CHÍNH HÃNG KHÁC TẠI MECSU
11. Câu hỏi thường gặp về Vòng Bi SKF 6311-2Z/C3
a. Vòng bi SKF 6311-2Z/C3 có cần bảo dưỡng, tra mỡ không?
Vòng bi SKF 6311-2Z/C3 được sản xuất mỡ có sẵn từ nhà máy và có hai dây thép (2Z) kín, giúp giữ hiệu quả mỡ và bảo vệ khỏi bụi bẩn lớn. Trong hầu hết các ứng dụng thông thường, vòng bi này được xem là “bảo trì trọn đời” và không cần tái bôi trơn. Tuy nhiên, trong môi trường cực kỳ khắc nghiệt hoặc nhiệt độ rất cao/thấp liên tục, tuổi thọ mỡ có thể bị ảnh hưởng. Nếu có dấu hiệu bất ngờ, bạn nên kiểm tra.
b. Chữ “2Z/C3” trong mã SKF 6311-2Z/C3 có ý nghĩa gì?
Chữ “2Z” chỉ vòng có hai dây thép không bị căng ở cả hai phía, mang lại khả năng bảo vệ tốt khỏi bụi khô và cho phép tốc độ cao. Ký hiệu “/C3” biểu thị vòng bi có khe hở trong kính hướng dẫn lớn hơn tiêu chuẩn, phù hợp cho các ứng dụng có nhiệt độ hoạt động cao hoặc khi có sự giãn nở của trục khuỷu và gối hỗ trợ, cũng như khi gắn chặt.
c. Vòng bi SKF 6311-2Z/C3 có phải là vòng bi chịu nhiệt không?
Vòng bi SKF 6311-2Z/C3 với dây thép và khe hở C3 là lựa chọn tốt cho các ứng dụng có nhiệt độ cao. Nắp đậy thép bền bỉ hơn ở nhiệt độ cao nên với lửa cao su, và khe hở C3 giúp vòng bi hoạt động ổn định khi có sự giãn nở nhiệt. Tuy nhiên, khả năng chịu nhiệt tổng thể vẫn phụ thuộc vào loại mỡ bôi trơn được sử dụng.
d. Làm sao biết vòng bi 6311-2Z/C3 của tôi là hãng SKF chính hãng?
Kiểm tra bao bì (logo, mã QR rõ ràng), vòng bi có khắc lazer sắc nét. Điều quan trọng nhất, hãy sử dụng ứng dụng SKF Authenticate để quét mã và kiểm tra trực tiếp từ SKF. Đây là cách chắc chắn nhất để phân biệt vòng bi SKF thật.
đ. Khi nào cần thay thế vòng bi 6311-2Z/C3?
Bạn nên thay thế vòng bi khi nhận được các dấu hiệu sau:
- Tiếng ồn bất thường: Tiếng kêu lạo xạo, rít, hoặc kêu khi vòng bi quay, báo hiệu bi hoặc rãnh bị mòn.
- Tăng nhiệt độ: Vòng bi tăng lên bất thường trong quá trình hoạt động, có thể làm tăng mỡ hoặc tải quá trình.
- Độ cao lớn: Thiết bị hoạt động có mức độ tăng lên đáng kể, ảnh hưởng đến hiệu suất và có thể gây nguy hiểm cho các bộ phận khác.
- Rò rỉ mỡ: Mặc dù có dây thép kín, nếu mỡ bị rò rỉ hoặc hệ thống chắn chắn bị hỏng thì khả năng bảo vệ sẽ giảm đi.
- Vòng bi bị khóa hoặc không được xóa.
- Biến dạng vật lý: Nắp chắn bị cong, rách, vòng bi bị ăn mòn, móp hoặc có dấu hiệu hư hại nguy hiểm.
Kinh nghiệm từ các kỹ sư Mecsu: Việc kiểm tra định kỳ bằng cách lắng nghe tiếng ồn hoặc cảm nhận mức độ rung có thể giúp phát hiện sớm các dấu hiệu cần thay thế, tránh nguy hại gây hại nghiêm trọng hơn cho toàn bộ hệ thống. Đừng ngần ngại liên hệ với chúng tôi để được hỗ trợ kỹ thuật về bảo trì vòng bi hoặc thay thế thùng chứa thời gian.
f. Mua vòng bi SKF 6311-2Z/C3 chính hãng, uy tín ở đâu tại TP.HCM?
- Cam kết chất lượng: 100% sản phẩm có nguồn gốc rõ ràng, đầy đủ chứng từ CO, CQ. Chúng tôi cam kết hoàn tiền 100% hoặc đổi trả nếu sản phẩm không phải của công ty chính thức.
- Giá cả cạnh tranh: Đảm bảo giá tốt nhất đi kèm chất lượng, với chính sách chiết khấu hấp dẫn cho đơn hàng số lượng lớn.
- Tư vấn chuyên sâu: Đội ngũ kỹ sư giàu kinh nghiệm sẵn sàng hỗ trợ bạn về kỹ thuật và lựa chọn sản phẩm phù hợp nhất.
- Chính sách hậu mãi: Đảm bảo quyền lợi tối đa cho khách hàng với dịch vụ hỗ trợ nhanh chóng, tận tâm.
12. Liên Hệ và Hỗ Trợ Tư Vấn Vòng Bi SKF
Nếu bạn có bất kỳ thắc mắc nào về vòng bi SKF 6311-2Z/C3 hoặc cần tư vấn về giải pháp vòng bi cho ứng dụng cụ thể của mình, đừng ngần ngại liên hệ với đội ngũ chuyên gia của Mecsu. Chúng tôi luôn sẵn sàng hỗ trợ bạn tìm ra sản phẩm phù hợp và tối ưu nhất, đồng thời cung cấp những kiến thức về kỹ thuật bảo trì vòng bi mà bạn khó tìm thấy ở những nơi khác.
Địa chỉ: B28/I – B29/I Đường số 2B, KCN Vĩnh Lộc, P. Bình Hưng Hòa B, Q. Bình Tân, TP.HCM
Đường dây nóng: 1800 8137
Email: [email protected]
Trang web: mecsu.vn
13. Thông Tin Bổ sung & Kinh nghiệm Thực Tế Từ Mecsu
a. Kinh nghiệm Thực Tế & Câu Chuyện Thành Công
Tại Mecsu, chúng tôi tự hào là đối tác đáng tin cậy của nhiều doanh nghiệp trong việc cung cấp các giải pháp chất lượng cao vòng vòng. “Vòng bi SKF 6311-2Z/C3”, với đặc tính tốc độ cao, khả năng bảo vệ tốt khỏi bụi khô và khả năng chịu nhiệt, được ứng dụng trong nhiều dự án quan trọng của khách hàng chúng tôi đã có tại “TP.Hồ Chí Minh” và các đèn lân cận, mang lại hiệu ứng vượt trội và là minh chứng cho chất lượng sản phẩm cùng kinh nghiệm thực tế của Đội ngũ Mecsu:
- Ngành cơ khí sản xuất: Chúng tôi đã cung cấp “SKF 6311-2Z/C3” cho các nhà sản xuất cơ khí. Cung cấp khả năng hoạt động ở tốc độ cao và giữ hiệu quả mỡ trong môi trường khô, vòng bi này đã góp phần nâng cao hiệu suất và tuổi thọ của động cơ.
- Lĩnh vực sản xuất quạt công nghiệp: SKF 6311-2Z/C3 được ưa chuộng cho các hệ thống quạt hút và quạt thông gió trong các nhà sản xuất vật liệu xây dựng, nơi có nhiều bụi khô. Nắp thép đã phát huy hiệu quả trong việc ngăn chặn bụi xâm nhập, giúp quạt hoạt động ổn định.
- Máy móc ngành dệt may: Một khách hàng sử dụng “vòng bi 6311-2Z/C3” trong các máy dệt tốc độ cao. Môi trường nhiều chất gỗ và nhiệt độ hoạt động tương lai cao có thể được xử lý hiệu quả nhờ sản phẩm thép và khe hở C3, đảm bảo máy móc vận hành trơn tru.
b. Trích Dẫn Chuyên Gia
“SKF 6311-2Z/C3” là một lựa chọn lý tưởng cho các ứng dụng đòi hỏi “tốc độ cao” và hoạt động trong “môi trường khô cạn” có bụi sâu như hạt. Mũ thép mang lại khả năng bảo vệ tốt và ma sát, khi C3 vòng giúp bi thích nghi và tăng nhiệt độ cao. Sự kết quả này đảm bảo hiệu suất bền bỉ và tuổi thọ cho thiết bị trong điều kiện hoạt động phù hợp.”
— “Kỹ sư cơ khí Chuyên gia kỹ thuật Mecsu” (TP. Hồ Chí Minh) – Với hơn 10 năm kinh nghiệm trong lĩnh vực “bạc đạn công nghiệp”.
c. Tài Liệu Tham Khảo và Nghiên Cứu
Nội dung bài viết này được biên soạn dựa trên các tài liệu kỹ thuật chính quy và đáng tin cậy của SKF , cùng với kinh nghiệm thực tế chuyên sâu của Hoàng ngũ kỹ sư Mecsu, đảm bảo tính chính xác, cập nhật và chuyên môn môn môn môn môn môn cao:
- Danh mục sản phẩm SKF (Danh mục sản phẩm SKF chính thức) – Nguồn dữ liệu kỹ thuật chi tiết nhất về “vòng bi SKF”.
- Tài liệu kỹ thuật SKF Explorer – Vòng bi chuyên ngành sâu (Thông tin chuyên sâu về “vòng bi cầu sâu SKF Explorer”) – Cung cấp cái nhìn toàn diện về thế hệ vòng bi bền bỉ này.
- Bảng dữ liệu kỹ thuật (Datasheet) chi tiết của SKF 6311-2Z/C3 – Nguồn thông số kỹ thuật chính xác.
- Trải nghiệm thực tế và phản hồi từ các dự án khách hàng của Mecsu – “Dữ liệu độc nhất” được thu thập từ hơn 10 năm cung cấp “linh kiện cơ khí” và “giải pháp vòng bi” cho doanh nghiệp tại Việt Nam.
Biên soạn bởi: Đội ngũ kỹ sư Mecsu
Với hơn 10 năm kinh nghiệm chuyên sâu trong lĩnh vực và tư vấn giải pháp vòng bi, đội ngũ kỹ sư của Mecsu cam kết mang đến những thông tin chính xác, cập nhật và hữu ích nhất, giúp quý khách hàng đưa ra loại sản phẩm tối ưu cho mọi ứng dụng.
(Xem thêm thông tin về chúng tôi tại Website Mecsu )
Lưu ý: Hình ảnh sản phẩm có thể khác biệt so với sản phẩm thực tế của SKF. Vui lòng tham khảo thông số kỹ thuật chi tiết hoặc liên hệ Mecsu để có thông tin chính xác nhất về sản phẩm.



















Đánh giá
Chưa có đánh giá nào.