Mô tả sản phẩm
Thông tin CHUYÊN SÂU về Vòng Bi Cầu Rãnh Sâu SKF 6312/C3 (60x130x31) Không Nắp)
Mục Lục
- 1. Vòng Bi SKF 6312/C3 Là Gì? – Giải Thích Chuyên Sâu
- 2. Thông Số Kỹ Thuật Chi Tiết Của Vòng Bi Cầu SKF 6312/C3
- 3. Cấu hình chi tiết Vòng Bi SKF 6312/C3
- 4. Phân Tích Chuyên Sâu: Vòng Bi Mở và Khe Hở C3 của SKF 6312/C3
- 5. Ưu và nhược điểm của Vòng Bi SKF 6312/C3
- 6. Ứng dụng Thực Tế của Vòng Bi SKF 6312/C3
- 7. Hướng dẫn cài đặt và gỡ bỏ SKF 6312/C3
- 8. So Sánh Vòng Bi 6312/C3 với Các Loại 6312 Khác
- 9. Cách Phân Biệt Vòng Bi SKF 6312/C3 Thật – Giả – Lời Khuyên Từ Chuyên Gia Mecsu
- 10. Giá Bán & Gợi Ý Mua Vòng Bi SKF 6312/C3 Chính Hãng Tại TP.HCM
- 11. Câu hỏi thường gặp về Vòng Bi SKF 6312/C3
- 12. Liên Hệ và Hỗ Trợ Tư Vấn Vòng Bi SKF
- 13. Thông Tin Bổ Sung & Kinh nghiệm Thực Tế Từ Mecsu
1. Vòng Bi SKF 6312/C3 Là Gì? – Giải Thích Chuyên Sâu
Vòng bi cầu rãnh sâu SKF 6312/C3 sâu là một loại vòng bi đa năng, được thiết kế để mang lại hiệu suất cao trong nhiều ứng dụng công nghiệp. Mã “6312” là tiêu chuẩn kích thước ký hiệu, với đường kính trong (d) là 60mm, đường kính ngoài (D) 130mm và chiều dày (B) 31mm.
Vòng bi SKF 6312/C3 là loại vòng bi yêu cầu sâu “mở” (Rẻ mở), không có dây hoặc dây thép ở hai bên. Điều này có nghĩa là các bộ phận bên trong (bi và vòng cách) lộ ra ngoài, cho phép bôi trơn dễ dàng bằng dầu hoặc mỡ từ hệ thống bôi trơn của máy móc. Ký hiệu “/C3” biểu thị vòng bi có khe hở trong kính hướng lớn hơn tiêu chuẩn, phù hợp cho các ứng dụng có nhiệt độ hoạt động cao hoặc khi có độ giãn nở của xẹp và hỗ trợ gối, cũng như khi gắn chặt.
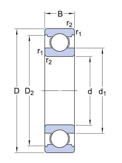
2. Thông Số Kỹ Thuật Chi Tiết Của Vòng Bi Cầu SKF 6312/C3
d: Đường kính trong
D: Đường kính ngoài
B: Bề dày
C: Tải danh sách cơ sở dữ liệu
C0: Tải tĩnh cơ sở dữ liệu danh sách
Pu: Giới hạn tải mệt mỏi
| Thông số | Giá trị |
|---|---|
| Mã sản phẩm | 6312/C3 |
| Loại vòng bi | Vòng Bi Cầu Rãnh Sâu (Vòng Bi Rãnh Sâu) |
| Đường kính trong (d) | 60 mm |
| Đường kính ngoài (D) | 130 mm |
| Bề dày (B) | 31 mm |
| Tải danh sách cơ sở dữ liệu (C) | 85,2 kN |
| Tải danh sách cơ sở dữ liệu quan trọng (C0) | 52 kN |
| Giới hạn tải mệt mỏi (Pu) | Không có công cụ thông tin nào trong dữ liệu mới (cũ bài viết là 2,2 kN) |
| Tốc độ tham chiếu | 11 000 vòng/phút |
| Tốc độ giới hạn | 7 000 vòng/phút |
| Thế hệ khả năng làm việc cao của SKF | SKF Explorer |
| Rãnh tra bi | Không có |
| Số dòng | 1 |
| Phương tiện để định vị, vòng ngoài của vòng bi | Không có |
| Loại lỗ | Hình trụ |
| Vòng cách | Thép tấm (Sheet metal) |
| Kiểu gắn cặp | Không |
| Khe khe trong hướng kính | C3 (Khe đóng lớn hơn tiêu chuẩn) |
| Vật liệu, vòng bi | Thép vòng bi |
| Lớp mạ | Không có |
| Phớt chắc | Không có |
| Tra mỡ sẵn chưa? | Not (Cần được bôi trơn trong hệ thống) |
| Phương tiện để tái bôi trơn | Không có |
| Dấu vết carbon của sản phẩm được chỉ định để sản xuất | 6,03 kg CO2e |
| Trọng lượng sản phẩm | 1,67 kg |
| Mã eClass | 23-05-08-01 |
| Mã UNSPSC | 31171504 |
3. Cấu hình chi tiết Vòng Bi SKF 6312/C3
Vòng bi SKF 6312/C3 được cấu hình thành các bộ phận chính, mỗi bộ phận đóng vai trò quan trọng trong công việc đảm bảo động với tốc độ và tính bền vững cao:
Sơ đồ tạo vòng Bi Cầu Rãnh Sâu SKF 6312/C3 (loại mở):
- Vòng trong/ngoài: Được chế tạo từ thép chịu lực cao, cùng với khu vực Yên tĩnh, chịu tải chính.
- Bi cầu: Sản phẩm sản xuất từ thép siêu chính xác và được xử lý nhiệt đặc biệt để giảm độ cứng, tăng cường độ cứng và độ bền.
- Vòng cách: Làm bằng thép mạnh, có chức năng giữ các thành viên đều nhau, đảm bảo vòng bi hành động nữ ái và ổn định.
- Không có dây dẫn: Vòng bi này được thiết kế để hoạt động trong môi trường sạch sẽ hoặc khi có hệ thống bôi trơn tập trung, cho phép mỡ hoặc bôi trơn dễ dàng tiếp cận các bộ phận bên trong.
4. Phân Tích Chuyên Sâu: Vòng Bi Mở và Khe Hở C3 của SKF 6312/C3
Để thực sự hiểu được giá trị của vòng bi SKF 6312/C3, công việc phân tích sâu hơn về hai yếu tố thì khóa: loại “mở” và “khe hở trong kính hướng dẫn” C3″ là rất quan trọng.
Loại bi “open” (Type open):
- Chức năng chính: Vòng bi mở không có bất kỳ đoạn dây hoặc dây thép nào. Điều này cho phép mỡ hoặc dầu bôi trơn từ hệ thống bên ngoài dễ dàng tiếp cận các bộ phận cuộn bên trong, đảm bảo bôi trơn liên tục và hiệu quả.
- Đặc điểm hỗ trợ nổi bật: Không hỗ trợ giảm ma sát nội tại của vòng bi, cho phép vòng bi đạt được “ốc độ quay tối đa” cao nhất so với các phiên bản có dây hoặc dây dây. Ngoài ra, công việc không có nhiệt độ cũng giúp giảm nhiệt độ trong quá trình vận hành.
- Ưu điểm vượt trội: Lý tưởng cho các ứng dụng có “môi trường sạch”, ít bụi và yêu cầu “tốc độ cao” hoặc cần “bôi trơn thường xuyên” thông qua hệ thống bôi trơn bên ngoài. Việc bôi trơn liên tục có thể kéo dài đáng kể tuổi thọ của vòng bi.
- Chế độ: Tốc độ được ô nhiễm bởi bụi bẩn, nước và các chất khác từ môi trường bên ngoài. Không phù hợp cho các ứng dụng trong môi trường khắc nghiệt mà không có biện pháp bảo vệ bổ sung.
Khe hở trong kính hướng “C3” (Lớn hơn khoảng trống thông thường):
- Ý nghĩa: “C3” chỉ ra rằng vòng bi có “khe hở trong hướng lớn hơn tiêu chuẩn”. Đây là khoảng trống lớn hơn bình thường giữa các thành viên và khu vực cuộn.
- Tầm hỗ trợ quan trọng: Khe hở C3 thường được sử dụng trong các ứng dụng có “nhiệt độ hoạt động cao” hoặc khi có “giãn đại nhiệt” đáng kể của trụ và gối hỗ trợ. Khen ngợi lớn hơn điều này giúp bù đắp cho sự giãn nở của vật liệu khi nóng lên, tránh tình trạng vòng bi bị khóa hoặc tạo hiệu suất trong quá trình, dẫn đến hỏng hóc sớm. Nó cũng phù hợp cho các ứng dụng có khung ghép chặt.
- Vòng lựa chọn phù hợp: Đối với vòng bi 6312/C3, khe C3 là lựa chọn lý tưởng khi nhiệt độ là một yếu tố quan trọng, giúp đảm bảo vòng bi hoạt động ổn định và có tuổi thọ cao trong điều kiện tải nặng và nhiệt độ biến đổi.
Sự kết hợp giữa thiết kế “mở” và khe “C3” giúp SKF 6312/C3 trở thành một giải pháp vòng bi cực kỳ đáng tin cậy cho các máy móc hoạt động trong môi trường sạch sẽ, yêu cầu tốc độ cao và đặc biệt là nhiệt độ tăng cường động cao, đồng thời cho phép hệ thống hoạt động từ hệ thống bên ngoài.
5. Ưu và nhược điểm của Vòng Bi SKF 6312/C3
Vòng bi SKF 6312/C3 được sử dụng rộng rãi nhờ hiệu suất và độ bền vượt trội. Tuy nhiên, yêu cầu về mức độ ưu tiên phải hiểu được mức độ ưu tiên của nó.
Ưu điểm nổi bật:
- Tốc độ quay cao: Vòng bi mở không có ít tạo ra ma sát thấp nhất, cho phép vòng bi đạt được tốc độ quay giới hạn cao nhất trong dòng 6312 (7 000 r/min), lý tưởng cho các ứng dụng yêu cầu hiệu suất cao.
- Sinh nhiệt thấp: Ít ma sát cũng có nghĩa là vòng bi sinh nhiệt ít hơn, giúp kéo dài tuổi thọ của mỡ bôi trơn (nếu sử dụng hệ thống bôi trơn bên ngoài) và vòng bi chính.
- Linh hoạt trong bôi trơn: Thiết kế mở cho phép bôi trơn dễ dàng bằng dầu hoặc mỡ từ hệ thống bôi trơn tập trung của máy, giúp duy trì tình trạng bôi trơn tối ưu và kéo dài tuổi thọ vận hành.
- Khả năng chịu tải đa hướng: Có khả năng đảm bảo tốt tải tâm hướng (tải trọng hướng tâm) và hướng xọc xọc (tải xọc trục) theo cả hai chiều, mang lại linh hoạt trong thiết kế máy móc.
- Khe C3: Hỗ trợ vòng bi hoạt động ổn định trong các ứng dụng có nhiệt độ cao hoặc khi có giải nhiệt đáng kể về sai sót/gánh giúp đỡ, tránh bị hạn chế hoặc tạo ra ứng dụng.
- Độ tin cậy cao từ thương hiệu hàng đầu: SKF là nhà sản xuất vòng bi hàng đầu thế giới, đảm bảo chất lượng và độ tin cậy vượt trội cho sản phẩm 6312/C3.
Nhược điểm cần lưu ý:
- Không có khả năng giữ kín: Đây là nhược điểm lớn nhất. Vòng bi 6312/C3 hoàn toàn không được bảo vệ khỏi bụi bẩn, nước, chất hóa học hoặc các chất tạp chất từ môi trường. Do đó, nó chỉ phù hợp với các ứng dụng trong “môi trường sạch sẽ” hoặc nơi có “hệ thống bảo vệ/làm kín bổ sung” cho toàn bộ cụm ổ trục.
- Yêu cầu bảo trì cao: Vòng bi này yêu cầu “bôi trơn định kỳ” hoặc hệ thống bôi trơn liên tục để đảm bảo hoạt động trơn tru và kéo dài tuổi thọ. Không phù hợp với các ứng dụng “bôi trơn đời”.
- Ô lây nhiễm dễ lây nhiễm: Trong môi trường vi phạm, vòng lặp có thể nhanh chóng bị hỏng do các hạt mài mòn xâm nhập.
- Không có sẵn mỡ: Không giống như các loại vòi vòi/nắp chắc chắn, vòng bi này không thể được tra mỡ sẵn từ nhà máy, Đòi hỏi phải bôi trơn đúng cách trước khi vận hành.
6. Ứng dụng Thực Tế của Vòng Bi SKF 6312/C3
Với kích thước tiêu chuẩn, khả năng chịu tải tốt, tốc độ cao và đặc biệt là khe hở C3, vòng bi SKF 6312/C3 được ứng dụng rộng rãi trong nhiều lĩnh vực công nghiệp và dân dụng tại TP. Hồ Chí Minh và các khu công nghiệp lân cận, đặc biệt là những nơi có môi trường sạch sẽ, yêu cầu tốc độ cao, hoặc có hệ thống bôi trơn tập trung và nhiệt độ hoạt động cao:
- Hộp số công nghiệp: Nơi yêu cầu tốc độ cao và có hệ thống bôi dầu riêng.
- Động cơ điện và máy phát điện: Cần hoạt động ở tốc độ cao và có thể có hệ thống bôi trơn tập trung.
- Máy công cụ chính xác: Trong môi trường sản xuất sạch sẽ, nơi cần độ chính xác cao và khả năng xử lý nhiệt tốt.
- Quạt và quạt công nghiệp (trong môi trường sạch): Đặc biệt là các ứng dụng yêu cầu tốc độ cao và có thể tích hợp vào hệ thống bôi trơn của thiết bị.
- Các ứng dụng trong ngành giấy và bột giấy: Trong các lĩnh vực được bảo vệ và có hệ thống bôi trơn hiệu quả.
- Máy móc trong các ngành công nghiệp nhẹ: Nơi không có nguy cơ bụi tội hoặc chất độc xâm nhập đáng kể.
- Hệ thống xử lý nước thải: Vòng bi được bảo vệ khỏi nước và hóa chất ăn mòn.
7. Hướng dẫn cài đặt và gỡ bỏ SKF 6312/C3
Để đảm bảo tuổi thọ và hiệu suất tối ưu cho vòng bi SKF 6312/C3, cách lắp đặt và gỡ bỏ chính xác là vô cùng quan trọng. luôn thủ tục các nguyên tắc an toàn và kỹ thuật của các nhà sản xuất. Mecsu cung cấp hướng dẫn chi tiết dựa trên kinh nghiệm thực tế:
- Chuẩn bị: Đảm bảo môi trường làm việc sạch sẽ, khô ráo, không có bụi bẩn. Chuẩn bị đầy đủ các công cụ chuyên dụng như cảo, búa mềm, thiết bị gia nhiệt cảm ứng. Luôn đeo dây bảo vệ và kính bảo hộ để đảm bảo an toàn. Kiểm tra dụng cụ và gối phải sạch sẽ, không có lỗi và đảm bảo dịch vụ sai. Đối với vòng bi mở, việc bôi trơn ban đầu là rất quan trọng trước khi vận hành.
- Lắp đặt:
- Phương pháp nhiệt (phổ biến nhất cho vòng bi lớn): Gia nhiệt vòng bi bằng thiết bị gia nhiệt chuyên dụng (ví dụ: máy gia nhiệt cảm ứng SKF) đến nhiệt độ khoảng 80-100°C (không vượt quá 120°C). Điều này giúp vòng nở ra, dễ trượt vào trục mà không cần dùng lực quá lớn. Luôn hoạt động đều đặn và tập trung lên vòng khi gắn vào xẹp xuống.
- Phương pháp cơ khí (dùng cho kích thước nhỏ hơn): Sử dụng ống lót chuyên dụng và búa mềm, tác dụng lực đều lên vòng khi lắp vào trục. Tuyệt đối tránh tác động lực không đều hoặc trực tiếp lên các học viên vì có thể gây nguy hiểm cho mạng tính toán.
- Lưu ý: Đảm bảo vòng bi được gắn thẳng, không bị lệch hoặc kẹt. Sau khi lắp đặt, hãy tiến hành bôi trơn ban đầu với lượng và loại mỡ/dầu phù hợp theo khuyến nghị của các nhà sản xuất máy hoặc SKF.
- Gỡ bỏ:
- Sử dụng công cụ hỗ trợ chuyên nghiệp (cảo cơ hoặc cả thủy lực) để xoay vòng một cách an toàn và không gây ra tình trạng khung xương cho hoặc hỗ trợ gối. Tác dụng lực đều và đúng ở vòng trong (khi rút xẹp) hoặc vòng ngoài (khi rút gối).
- Tránh dùng đập trực tiếp lên các sinh vật học hoặc các bộ phận khác có thể gây ra các dạng biến đổi, hư hỏng. Việc này không chỉ làm hỏng vòng bi mà còn tiềm ẩn nguy hiểm.
- Người bảo vệ: Nếu không sử dụng ngay, hãy giữ vòng bi trong bao bì gốc của nhà sản xuất, ở nơi khô ráo, thoáng mát, tránh ánh nắng trực tiếp và các chất hóa học ăn mòn để ngăn chặn sét và bụi nguy hiểm xâm nhập.
8. So Sánh Vòng Bi 6312/C3 với Các Loại 6312 Khác
Việc hiểu rõ sự khác biệt giữa các loại vòng bi 6312 SKF sẽ giúp bạn lựa chọn sản phẩm phù hợp nhất cho ứng dụng của mình, tối ưu hóa hiệu suất và chi phí đầu tư:
| Tiêu chí | SKF 6312/C3 (Mở, khe hở C3) | SKF 6312-2RS1 (Phớt cao su 2 đầu, khe hở CN) | SKF 6312-2Z (Nắp thép 2 đầu, khe hở CN) |
|---|---|---|---|
| Chất liệu/Chắc chắn | No leo/bắp đặt | Cao su NBR (Seal) – 2 bên, tiếp xúc | Thép dập (Shield) – 2 bên, không tiếp xúc |
| Khả năng làm kín | Kém (không có) | Tuyệt vời (nước, dư dư, chất thải hiệu quả) | Rất tốt (chăm bụi lớn, giữ mỡ tối ưu) |
| Tốc độ quay tối đa | 7 000 vòng/phút (cao nhất) | 3 400 r/min (thấp hơn ma sát) | 5 600 vòng/phút |
| Khả năng chống ẩm/lỏng | Rất kém | Xuất sắc | Trung bình (tốt hơn Z, nhưng kém hơn 2RS1) |
| Nhu cầu bảo trì | Cao (cần bảo trì, tra mỡ định kỳ hoặc bôi trơn liên tục) | Rất thấp (bôi trơn sẵn, kín đáo) | Rất thấp (bôi trơn sẵn, kín đáo) |
| Độ âm / Rung động | Low (khi được bôi trơn đúng cách) | Low (có thể cao hơn một chút so với 2Z do ma sát) | Thấp |
| Giá thành | Thấp nhất (cho vòng bi không có bệ/nắp) | Cao nhất (có khả năng làm kín) | Cao hơn loại Z và loại mở |
| Ứng dụng điển hình | Hộp số, động cơ điện, máy công cụ trong môi trường sạch sẽ, có hệ thống bôi trơn bên ngoài và nhiệt độ cao. | Máy nông nghiệp, thực phẩm, thổi, quạt trong môi trường ẩm ẩm, nhiều bụi. | Động cơ điện, quạt, máy móc cần tốc độ cao, môi trường khô ráo, cần bảo vệ bên ngoài. |
9. Cách Phân Biệt Vòng Bi SKF 6312/C3 Thật Giả – Lờ Khuyên Từ Chuyên Gia Mecsu
Thị trường hiện nay có rất nhiều hàng giả, hàng giả chất lượng, đặc biệt là với các sản phẩm vòng bi SKF chính hãng được ưa chuộng. Để đảm bảo bạn mua được vòng bi SKF 6312/C3 chính hãng tại TP.HCM, Mecsu khuyến nghị kiểm tra các dấu hiệu sau:
a. Dấu hiệu vòng bi SKF 6312/C3 chính hãng:
- Bao bì chất lượng cao: Sắc nét, màu xanh đặc trưng của SKF, sản phẩm thông tin rõ ràng, đầy đủ mã vạch/QR code và thông tin xuất xứ. Bạn sẽ tìm thấy công nghệ trong từng chi tiết.
- In ấn trên vòng bi sắc nét: Logo SKF, sản phẩm mã hóa hóa (6312/C3) và sản phẩm quốc gia được sản xuất hoặc khắc vết vết vết sắc nét bằng laser, xóa xóa, không lem, không sai phông chữ, rất khó bị tẩy xóa.
- Mã QR/Bar code xác thực: Có thể quét bằng ứng dụng “SKF Authenticate” trên điện thoại di động thông minh để xác thực nguồn gốc và tính chính hãng của sản phẩm. Đây là công cụ hữu ích nhất của SKF để chống hàng giả.
- Gia công chính xác: Các loại bề mặt kim loại của vòng, độ sáng bóng, không có phân tích, vết trầy hoặc dấu thô của công nghiệp.
- Cảm giác vận hành mượt mà: Khi quay vòng bi bằng tay (sau khi bôi trơn đúng cách), bạn sẽ cảm nhận được tốc độ trơn tru và ít ma sát, không có tiếng kêu lạ, không bị giảm (tăng cường) bất thường.
- Chứng từ đầy đủ: Nhà cung cấp uy tín sẽ cung cấp đầy đủ “CO” (chứng nhận xuất xứ) và “CQ” (chứng nhận chất lượng) từ nhà sản xuất, đảm bảo nguồn gốc và chất lượng sản phẩm.
b. Dấu hiệu của vòng bi SKF 6312/C3 hàng giả/nhái:
- In ấn mờ nhạt, sai chính tả, phông chữ lạ, thiếu thông tin hoặc không chính xác trên cả bao bì và vòng bi.
- Bao bì thô, SKF màu trôi chuẩn, thiếu thông tin quan trọng hoặc có dấu hiệu làm lại.
- Loại kim loại thô bên ngoài có phân tích, bị trầy xước hoặc dấu hiệu để bảo đảm an toàn.
- Không có mã QR hoặc mã hóa không quét được hoặc quét ra thông tin không khớp với sản phẩm chính hãng.
- Khi quay tay có tiếng kêu lạo xạ, cảm giác giác, nặng hoặc quá rời () bất thường làm gia công chính xác.
- Giá bán rẻ không được mong đợi so với thị trường của các sản phẩm chính hãng – đây là dấu hiệu cảnh báo lớn nhất.

10. Giá Bán & Gợi Ý Mua Vòng Bi SKF 6312/C3 Chính Hãng Tại TP.HCM
a. Giá vòng bi SKF 6312/C3 (TP.Hồ Chí Minh) tại Mecsu: Giá: 983,383 đ/ Cái (đã có VAT) – Giá hợp lý, phù hợp với chất lượng sản phẩm chính hãng
Liên hệ để nhận báo giá tốt nhất (giá có thể thay đổi tùy thời điểm và số lượng) – Giá hợp lý, phù hợp với chất lượng sản phẩm chính hãng SKF tại thị trường vòng bi TP.HCM.
b. Gợi ý mua vòng bi chính hãng SKF uy tín
- Chọn nhà cung cấp uy tín tại TP.HCM: Ưu tiên đối tác có bằng chứng nhận từ SKF hoặc đơn vị lâu năm, được nhiều khách hàng tin tưởng và có danh tiếng trên thị trường cung cấp linh kiện cơ khí tại TP.HCM.
- Kiểm tra chứng từ đầy đủ: Luôn yêu cầu đầy đủ “CO” (chứng nhận xuất xứ) và “CQ” (chứng nhận chất lượng) để đảm bảo nguồn gốc và chất lượng của sản phẩm. Điều này giúp bạn tránh mua phải “vòng bi SKF giả” trên thị trường.
-
- 100% sản phẩm chính hãng: Đảm bảo nguồn gốc rõ ràng, đầy đủ chứng từ. Chúng tôi cam kết hoàn tiền 100% hoặc đổi trả nếu sản phẩm không thuộc loại công thức chính.
- Chính sách bảo hành minh bạch: Hỗ trợ đổi trả nếu nhà sản xuất gặp lỗi, mang lại sự an tâm tuyệt đối cho khách hàng.
- Hỗ trợ kỹ thuật chuyên sâu: Đội ngũ kỹ sư giàu kinh nghiệm sẵn sàng hỗ trợ bạn về kỹ thuật và lựa chọn sản phẩm phù hợp nhất cho mọi ứng dụng.
- Giá cả cạnh tranh: Đảm bảo giá tốt nhất đi kèm chất lượng, với chính sách chiết khấu hấp dẫn cho đơn hàng số lượng lớn, đặc biệt khi “mua vòng bi SKF số lượng lớn”.
MUA THÊM NHIỀU LOẠI VÒNG BI CHÍNH HÃNG KHÁC TẠI MECSU
11. Câu hỏi thường gặp về Vòng Bi SKF 6312/C3
a. Vòng bi SKF 6312/C3 có cần bảo dưỡng, tra mỡ không?
Vòng bi SKF 6312/C3 là loại vòng bi mở, không thể mua sẵn từ nhà máy và không có dây móc. Do đó, nó “yêu cầu dưỡng và bôi trơn bất kỳ” hoặc phải hoạt động trong hệ thống có bôi trơn liên tục (dầu hoặc mỡ) để đảm bảo tuổi thọ và hiệu suất tối ưu. Cách bôi trơn đúng cách rất quan trọng để bảo vệ vòng bi khỏi mài mòn và hư hại.
b. Chữ “/C3” trong mã SKF 6312/C3 có ý nghĩa gì?
Ký hiệu “/C3” biểu thị hai vòng có khoảng thời gian hướng tới tiêu chuẩn lớn hơn. Điều này giúp bù đắp cho sự giãn nở nhiệt trong các ứng dụng có nhiệt độ hoạt động cao hoặc khi có gắn chặt, tránh tình trạng vòng bi bị kẹt hoặc tạo ra hiệu suất trong quá trình.
c. Vòng bi SKF 6312/C3 có phải là vòng bi chịu nhiệt không?
Vòng bi SKF 6312/C3 với khe hở C3 rất phù hợp cho các ứng dụng có nhiệt độ hoạt động cao. Thiết kế mở của nó cũng giúp lò sưởi tốt hơn so với các loại có vách ngăn. Tuy nhiên, khả năng chịu nhiệt tổng thể của vòng bi còn phụ thuộc vào loại mỡ hoặc dầu bôi trơn được sử dụng và vật liệu của vòng cách (thép trong trường hợp này). Nó là một lựa chọn tốt cho môi trường nhiệt độ cao khi có hệ thống bôi trơn phù hợp.
d. Làm sao biết vòng bi 6312/C3 của tôi là hãng SKF chính hãng?
Kiểm tra bao bì (logo, mã QR rõ ràng), vòng bi có khắc lazer sắc nét. Điều quan trọng nhất, hãy sử dụng ứng dụng SKF Authenticate để quét mã và kiểm tra trực tiếp từ SKF. Đây là cách chắc chắn nhất để phân biệt vòng bi SKF thật sự.
d. Khi nào cần thay thế vòng bi 6312/C3?
Bạn nên thay thế vòng bi khi nhận được các dấu hiệu sau:
- Tiếng ồn bất thường: Tiếng kêu lạo xạo, rít, hoặc kêu khi vòng bi quay, báo hiệu bi hoặc khu vực mòn.
- Tăng nhiệt độ: Vòng bi nóng lên bất thường trong quá trình hoạt động, có thể bôi trơn không đủ, mỡ/dầu lão hóa hoặc tải trong quá trình.
- Độ cao lớn: Thiết bị hoạt động có tốc độ tăng lên đáng kể, ảnh hưởng đến hiệu suất và có thể gây nguy hiểm cho các bộ phận khác.
- Rò rỉ mỡ/dầu (nếu có hệ thống bôi trơn bên ngoài) hoặc ô nhiễm nhiễm độc: Dấu hiệu của chất xâm lấn hoặc hệ thống bôi trơn không có hiệu quả.
- Vòng bi bị khóa hoặc không được xóa.
- Biến dạng vật lý: Vòng bi bị ăn mòn, móp méo hoặc có dấu hiệu hư hỏng nguy hiểm.
Kinh nghiệm từ các kỹ sư Mecsu: Kiểm tra định kỳ bằng cách lắng nghe tiếng ồn hoặc cảm nhận mức độ rung có thể giúp phát hiện sớm các dấu hiệu cần thay thế, tránh nguy hại gây nguy hại nghiêm trọng hơn cho toàn hệ thống. Đừng ngần ngại liên hệ với chúng tôi để được hỗ trợ kỹ thuật về bảo trì vòng bi hoặc thay thế thùng chứa thời gian.
f. Mua vòng bi SKF 6312/C3 chính hãng, uy tín ở đâu tại TP.HCM?
- Cam kết chất lượng: 100% sản phẩm có nguồn gốc rõ ràng, đầy đủ chứng từ CO, CQ. Chúng tôi cam kết hoàn tiền 100% hoặc đổi trả nếu sản phẩm không thuộc loại công thức chính.
- Giá cả cạnh tranh: Đảm bảo giá tốt nhất đi kèm chất lượng, với chính sách chiết khấu hấp dẫn cho đơn hàng số lượng lớn.
- Tư vấn chuyên sâu: Đội ngũ kỹ sư giàu kinh nghiệm sẵn sàng hỗ trợ bạn về kỹ thuật và lựa chọn sản phẩm phù hợp nhất.
- Chính sách hậu mãi: Đảm bảo quyền lợi tối đa cho khách hàng với dịch vụ hỗ trợ nhanh chóng, tận tâm.
12. Liên Hệ và Hỗ Trợ Tư Vấn Vòng Bi SKF
Nếu bạn có bất kỳ thắc mắc nào về vòng bi SKF 6312/C3 hoặc cần tư vấn về giải pháp vòng bi cho ứng dụng cụ thể của mình, đừng ngần ngại liên hệ với đội ngũ chuyên gia của Mecsu. Chúng tôi luôn sẵn sàng hỗ trợ bạn tìm ra các sản phẩm phù hợp và tối ưu nhất, đồng thời cung cấp những kiến thức về kỹ thuật bảo trì vòng bi mà bạn khó tìm thấy ở những nơi khác.
Địa chỉ: B28/I – B29/I Đường số 2B, KCN Vĩnh Lộc, P. Bình Hưng Hòa B, Q. Bình Tân, TP.HCM
Đường dây nóng: 1800 8137
Email: [email protected]
Trang web: mecsu.vn
13. Thông Tin Bổ Sung & Kinh nghiệm Thực Tế Từ Mecsu
a. Kinh nghiệm Thực Tế & Câu Chuyện Thành Công
Tại Mecsu, chúng tôi tự hào là đối tác đáng tin cậy của nhiều doanh nghiệp trong việc cung cấp các giải pháp chất lượng vòng cao. “Vòng bi SKF 6312/C3”, với đặc tính cho phép tốc độ cao và khả năng chịu nhiệt tốt (khi được bôi trơn đúng cách), đã được ứng dụng trong nhiều dự án quan trọng của khách hàng chúng tôi tại “TP.Hồ Chí Minh” và đèn lân cận, mang lại hiệu quả vượt trội và là minh chứng cho chất lượng sản phẩm cùng kinh nghiệm thực tế của Đội ngũ Mecsu:
- Lĩnh vực sản xuất công nghiệp: Chúng tôi đã cung cấp “SKF 6312/C3” cho các loại hộp số và thiết bị cơ khí trong một nhà sản xuất thép. Cung cấp khả năng hoạt động ở tốc độ cao và khả năng thích nghi với việc tăng nhiệt độ (do khe hở C3), vòng bi này đã giúp hệ thống hoạt động ổn định và kéo dài tuổi thọ, giảm thiểu thời gian ngừng hoạt động.
- Lĩnh vực cơ khí chính xác: SKF 6312/C3 được lựa chọn cho các máy công cụ CNC trong môi trường được kiểm soát. Với yêu cầu về tốc độ và độ chính xác cao, loại vòng bi mở này cho phép bôi trơn bằng dầu tinh khiết, đảm bảo hiệu suất tối ưu và độ bền cho máy.
- Hệ thống máy bơm lớn: Một khách hàng sử dụng “vòng bi 6312/C3” trong các máy bơm nước công lực lớn, nơi có hệ thống bôi trơn dầu tuần hoàn. Vòng bi đã chứng minh khả năng hoạt động bền bỉ dưới mức tải và nhiệt độ cao, hỗ trợ cho việc bôi trơn liên tục và hiệu quả.
b. Trích Dẫn Chuyên Gia
“SKF 6312/C3” là một lựa chọn tuyệt vời cho các ứng dụng đòi hỏi “ốc độ quay cao” và có hiệu quả “hệ thống bôi trơn bên ngoài”. Khe cắm C3 giúp vòng bi thích nghi với độ sáng cao hơn, đảm bảo độ ổn định và tuổi thọ. Tuy nhiên, điều chỉnh phải là bảo đảm môi trường và chế độ bôi trơn chất lượng để phát huy tối đa điểm của nó.”
— “Kỹ sư cơ khí Chuyên gia kỹ thuật Mecsu” (TP. Hồ Chí Minh) – Với hơn 10 năm kinh nghiệm trong lĩnh vực “bạc đạn công nghiệp”.
c. Tài Liệu Tham Khảo và Nghiên Cứu
Nội dung bài viết này được biên soạn dựa trên các tài liệu kỹ thuật chính quy và đáng tin cậy của SKF , cùng với kinh nghiệm thực tế chuyên sâu của Hoàng ngũ kỹ sư Mecsu, đảm bảo tính chính xác, cập nhật và chuyên môn môn môn môn môn môn cao:
- Danh mục sản phẩm SKF (Danh mục sản phẩm SKF chính thức) – Nguồn dữ liệu kỹ thuật chi tiết nhất về “vòng bi SKF”.
- Tài liệu kỹ thuật SKF Explorer – Vòng bi chuyên ngành sâu (Thông tin chuyên sâu về “vòng bi cầu sâu SKF Explorer”) – Cung cấp cái nhìn toàn diện về thế hệ vòng bi bền bỉ này.
- Bảng dữ liệu kỹ thuật (Datasheet) chi tiết của SKF 6312/C3 – Nguồn thông số kỹ thuật chính xác.
- Trải nghiệm thực tế và phản hồi từ các dự án khách hàng của Mecsu – “Dữ liệu độc nhất” được thu thập từ hơn 10 năm cung cấp “linh kiện cơ khí” và “giải pháp vòng bi” cho doanh nghiệp tại Việt Nam.
Biên soạn bởi: Đội ngũ kỹ sư Mecsu
Với hơn 10 năm kinh nghiệm chuyên sâu trong lĩnh vực và tư vấn giải pháp vòng bi, đội ngũ kỹ sư của Mecsu cam kết mang đến những thông tin chính xác, cập nhật và hữu ích nhất, giúp quý khách hàng đưa ra loại sản phẩm tối ưu cho mọi ứng dụng.
(Xem thêm thông tin về chúng tôi tại Website Mecsu )
Lưu ý: Hình ảnh sản phẩm có thể khác biệt so với sản phẩm thực tế của SKF. Vui lòng tham khảo thông số kỹ thuật chi tiết hoặc liên hệ Mecsu để có thông tin chính xác nhất về sản phẩm.


















Đánh giá
Chưa có đánh giá nào.